Материал: Основные элементы и методы расчета внутреннего водопровода

Внимание! Если размещение файла нарушает Ваши авторские права, то обязательно сообщите нам

Основные элементы и методы расчета внутреннего водопровода

Введение

Внутренний водопровод проектируется для подачи воды непосредственно потребителю. Система внутреннего водопровода включает вводы, водомерные узлы, магистральную сеть, стояки, подводки к санитарным приборам, водоразборную арматуру. Выбор системы внутреннего водопровода следует производить в зависимости от технико-экономической целесообразности, санитарно-гигиенических и противопожарных требований, а также с учетом расположения линии наружного водопровода и требований технологии производства работ.

1. Системы и схемы внутреннего водопровода

По назначению могут быть следующие системы внутреннего водопровода: единая - для подачи воды питьевого качества на все нужды; раздельные - хозяйственно-питьевая, производственная и противопожарная.

Системы внутренних водопроводов по конструктивному выполнению следует принимать тупиковыми, если допускается перерыв в подаче воды; кольцевыми с закольцованными вводами, если необходимо обеспечить непрерывную подачу воды.

По гарантированному напору в уличной сети различают системы, работающие постоянно под напором уличной сети и системы с местными повысительными установками.

Гидростатический напор в системе хозяйственно-питьевого или хозяйственно-противопожарного водопровода на отметке низко расположенного санитарно-технического прибора не должен превышать 60 м.

Свободные напоры у санитарных приборов должны быть не менее указанных в табл. 1.

Конструирование систем внутреннего водопровода заключается в выборе типа труб, мест установки санитарных приборов, разводящих магистралей, ввода, водомерного узла, стояков, напорных баков, насосных установок.

Таблица 1. Расходы воды и стоков санитарных приборов

Санитарные приборы

Секундный расход воды, л/с

Свободный напор Н, м

Расход стоков от прибора, q0s

Минимальный диаметр условного прохода, мм


Общий q0tot

Холодной qoc

Горячей qoh



подводки

отвода

Умывальник, рукомойник с водоразборным краном

0,1

0,1

-

2

0,15

10

32

То же со смесителем

0,12

0,08

0,09

2

0,15

10

32

Мойка со смесителем

0,12

0,09

0,09

2

0,15

10

40

Ванна со смесителем (в том числе общим для ванны и умывальника)

0,25

0,18

0,18

3

0,8

10

40

Ванна с водогрейной колонкой и смесителем

0,22

0,22

-

3

1,1

15

40

Унитаз со смывным бачком

0,1

0,1

-

2

1,6

8

85

Унитаз со смывным краном

1,4

1,4

-

4

1,4

-

85

Поливочный кран

0,3

0,3

0,2

2

0,3

15

-


Конструирование систем следует вести в такой последовательности:

на планах этажей и подвала размещают санитарные приборы;

на планах этажей и подвалов размещают стояки, которые нумеруются Ст В1-1, Ст В1-2 и т.д.;

на плане подвала наносят разводящие магистрали;

на плане подвала назначают места расположения ввода и водомерного узла;

вычерчивают аксонометрическую схему водопровода;

выбирают тип труб;

производят гидравлический расчет внутреннего водопровода.

. Прокладка трубопроводов

В зданиях применяется скрытая и открытая прокладки трубопроводов с верхней или нижней разводкой магистралей.

Прокладку разводящих сетей внутреннего водопровода в жилых и общественных зданиях с нижней разводкой следует предусматривать в подпольях, подвалах, технических этажах, а в случае их отсутствия на первом этаже в подпольных каналах совместно с трубопроводами отопления и горячего водоснабжения или под полом с устройством съемного фриза.

Сеть водопровода при совместной прокладке в каналах с трубопроводами, транспортирующими горячую воду или пар, должна выполняться с устройством термоизоляции и размещаться ниже этих трубопроводов.

Прокладка внутреннего водопровода круглогодичного действия выполняется в помещениях с температурой воздуха зимой выше 2° С. При прокладке трубопроводов в помещениях с температурой воздуха ниже 2°С должны предусматриваться мероприятия по предохранению трубопроводов от замерзания.

При прокладке в подвале магистрали её удобно располагать под потолком подвала на 40-50 см ниже потолка и вдоль внутренней капитальной стены с креплением трубопровода к потолку на подвесках или капитальной стене на кронштейнах.

Магистральные трубопроводы должны прокладываться с уклоном не менее 0,002 в сторону ввода для возможности спуска воды из них и удаления воздуха.

Прокладку стояков и подводок к санитарным приборам проектируют открытой по стенам душевых, кухонь и других помещений.

Скрытую прокладку трубопроводов следует предусматривать для помещений, к внутренней отделке которых предъявляются повышенные требования, и для всех систем из пластмассовых труб (кроме расположенных в санитарных узлах).

. Устройство ввода. Выбор типа труб. Трубопроводная арматура.

Внутренние водопроводные сети, подающие питьевую воду, следует проектировать из стальных оцинкованных труб диаметром до 150 мм и из неоцинкованных труб большего диаметра, а также из пластмассовых труб. Трубы соединяются сваркой, на фланцах, резьбе или клее.

Глубина заложения ввода принимается равной глубине заложения уличной водопроводной сети. Участок трубопровода от ввода в здание до наружной сети укладывается с уклоном не менее 0,002 в сторону наружной сети.

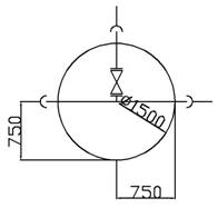
В местах присоединения вводов к наружным сетям городских и производственных водопроводов должны устанавливаться колодцы с размещением в них задвижек, вентилей (рис.1).

Диаметр колодца принимается равным 1,5 м.

На вводах трубопроводов предусматриваются упоры в местах поворота в вертикальной или горизонтальной плоскости, когда возникающие усилия не могут быть восприняты стыками труб. Упоры рассчитывают на максимальное давление при испытании трубопровода.

Рис. 1. Схема присоединения ввода к наружной водопроводной cети в колодце

Местоположение ввода в здании зависит от расположения уличной водопроводной сети, наличия подвала (техподполья), расположения лестничных клеток и санитарных приборов.

Ввод лучше всего прокладывать так, чтобы расположение санитарных приборов было симметричным относительно ввода и под прямым углом относительно здания. При наличии подвала ввод выполняется в подвале с обеспечением свободного доступа работников службы эксплуатации для снятия показаний счетчика. При отсутствии подвала ввод проектируется в лестничную клетку.

При выполнении ввода под стеной здания (ленточный фундамент, большая глубина заложения ввода) стояк ввода прокладывают (для предохранения от промерзания) на расстоянии не менее 0,2м от внутренней поверхности стен до наружного края борта раструба трубопровода. При повороте трубопровода в вертикальной плоскости на 30° и более устраивается бетонный упор.

Пересечение ввода со стенами подвала или фундаментами должно выполняться в сухих грунтах - с зазором 0,2 м и между трубопроводом и строительными конструкциями и заделкой отверстия в стене водо - и газонепроницаемым эластичным материалом (смоляная прядь, мятая глина), а в мокрых грунтах - с применением сальников.

Расстояние по горизонтали в свету между вводами хозяйственно-питьевого водопровода и выпусками канализации и водостоков должно не менее 1,5 м при диаметре ввода до 200 мм и не менее 3 м при диаметре ввода более 200 мм.

Трубы хозяйственно-питьевого водопровода, как правило, укладывают выше канализационных линий; при этом расстояние между стенками труб по вертикали должно быть не менее 0,4 м.

Трубопроводная, водоразборная и смесительная аппаратура для систем хозяйственно-питьевого и хозяйственно-противопожарного водопровода устанавливается на рабочее давление 0,6 МПа.

К водоразборной арматуре относятся: водоразборные краны, смесители, душевые сетки, поливочные краны, шаровые клапаны смывных бачков унитазов.

Конструкция водоразборной и запорной арматуры должна обеспечивать плавное открывание и закрывание потока воды. Задвижки устанавливаются на трубах диаметром 50 мм и более, а на трубах менее 50мм ставят вентили.

Установка запорной арматуры на внутренних водопроводных сетях предусматривается: на каждом вводе; на разводящей магистрали сети для обеспечения возможности выключения на ремонт отдельных ее участков; у основных стояков хозяйственно - питьевой или производственной сети в здании высотой 3 этажа и более; на ответвлениях, питающих 5 водоразборных точек и более; на ответвлениях от магистральных линий водопровода; на ответвлениях в каждую квартиру; на подводках к смывным бачкам, смывным кранам, водонагревательным колонками; перед наружными поливочными кранами.

На каждые 60 - 70 м периметра здания предусматривается устройство одного поливочного крана, размещаемого в нише наружной стены здания или в ковере (наружном колодце).

В мусорокамерах жилых зданий предусматривается установка поливочного крана с подведением холодной и горячей воды.

Высота расположения водоразборной арматуры от пола приведена в табл. 2.

Таблица 2. Высота установки водоразборной арматуры от уровня чистого пола

Водоразборная арматура.

Высота от пола, мм

Смеситель для ванн

800

Смеситель для душа

1200

Душевая сетка

2100-2250

Умывальник

800

Умывальник при установке общего смесителя для умывальника и ванны

850

Мойка

850

Высокорасположенный смывной бачок к унитазу

1800

Низкорасположеный смывной бачок "Компакт"

600

Смывной кран унитаза

600


4. Устройство для измерения количества воды

Для учета количества воды при расходах ее более 0,1 м3/ч применяют крыльчатые или турбинные счетчики. Они устанавливаются в зданиях за наружной стеной не далее 1,5...2,0 м от ввода в удобном и легкодоступном помещении с искусственным или естественным освещением и температурой не ниже 2° С. Чаще всего счетчики устанавливают в подвалах или приямках под лестничными клетками.

Крыльчатые счетчики присоединяются к трубопроводу на фланцах или муфтах и устанавливаются только горизонтально. Турбинные счетчики присоединяются к трубопроводу на фланцах и устанавливаются как в горизонтальном, так и вертикальном положении при условии движения воды в них снизу вверх.

С каждой стороны счетчика должны предусматриваться прямые участки трубопроводов, вентили или задвижки. Между счетчиком и вторым (по движению воды) вентилем или задвижкой устанавливается спускной кран для опорожнения сети при ремонте и для проверки точности показаний счетчика.

При наличии одного ввода в здание счетчик обязательно должен иметь обводную линию. Обвод предназначается для пропуска воды в здание при ремонте или замене счетчика, а иногда и для пропуска увеличенного расхода воды при пожаре в обход счетчика. На обводной линии предусматривается установка задвижки, запломбированной в закрытом положении. Типовая схема ввода водопровода, установки счетчика холодной воды с обводной линией представлена на рис. 2.

Рис. 2. Схема установки счетчика количества воды на вводе в здание

. Гидравлический расчет водопроводной сети

Гидравлический расчет водопроводной сети позволяет найти наиболее экономичные диаметры труб для пропуска расчетных расходов воды и требуемый напор в системе.

Расчет выполняется в следующем порядке:

- выбирается расчётный путь, который разбивается на расчетные участки;

- определяются нормы водопотребления и расходы по расчетным участкам;

- по расчетному расходу определяют диаметр трубы расчетного участка, потери напора по участкам и скорость движения воды;

· подбирается счетчик количества вода;

· определяется требуемый напор в системе.

Выбор расчетного пути.

Проектируемый внутренний водопровод должен обеспечивать подачу воды с необходимым расходом и напором к любой водоразборной точке здания. Расчетный путь отсчитывается от диктующего прибора(наиболее высоко расположенного и удаленного от ввода водоразборного прибора). Если будет обеспечена подача воды к диктующему прибору, то подача другим приборам будет гарантирована, так как они находятся в более благоприятных условиях. Таким образом, в расчетный путь войдут: подводка к диктующему прибору, стояк, часть разводящей магистрали до ввода, ввод.

Расчетный путь разбивается на расчетные участки. За расчетный участок принимается участок сети с постоянным расходом и диаметром. Расчетные участки обозначаются цифрами (начало и конец участка).

Определение расчетных расходов.

Гидравлический расчет сети производится по максимальному секундному расходу.

Для определения расчетных расходов необходимо выбрать нормы расхода вода, которые принимаются по СНиП 2.04.01-85 в зависимости от назначения здания и степени его благоустройства. Нормы расхода воды для жилых зданий квартирного типа приведены в табл.6.

Максимальный расход воды на расчетном участке сети q ( qtot, qc) определяется по формуле:

q = 5qoα, (1)

где q0(q0tot, qoc) - секундный расход воды; α - коэффициент определяемый в зависимости от общего числа приборов N на расчетном участке и вероятности их действия Р.

Таблица 3. Нормы расхода воды на одного жителя

Водопотребители

Норма расхода воды, л

Расход воды приборами л/с(л/ч)


в средние сутки

в сутки наибольшего потребления воды

в час наибольшего водопотребления

Общий (холодной и горячей) qotot (qtothr,u)

Холодной или горячей qoc, qoh qco,hr, qho,hr


Общей (в том числе горячей) qotot

Горячей  qhm

Общей (в том числе горячей) qutot

Горячей  qhu

Общей (в том числе горячей) qtothr,u

Горячей  qhhr,u



Жилые дома квартирного типа:

95

-

120

-

6,5

-

0,2(50)

0,2(50)

С водопроводом и канализацией без ванн









С газоснабжением

120

-

150

-

7,0

-

0,2(50)

0,2(50)

С ваннами и водонагревателями

190

-

225

-

10,5

-

0,3(300)

0,3(300)

С централизованным горячим водоснабжением, с ванными, снабженными душами

250

105

300

120

15,6

10

0,3(300)

0,2(200)

Высотою выше 12 этажей с централизованным горячим водоснабжением

360

115

400

130

20

10,9

0,3(300)

0,2(200)


Примечание: При оборудовании холодного водопровода зданий смывными кранами вместо смывных бачков следует принимать расход воды санитарно - техническими приборами q0с=1,4 л/с.

Таблица 4. Значение α при Р < 1 и любом числе N

NP

α

NP

α

NP

α

NP

α

Менее




0,015

0,200

0,046

0,266

0,115

0,361

0,350

0,573

0,015

0,202

0,047

0,268

0,120

0,367

0,360

0,580

0,016

0,205

0,048

0,270

0,125

0,373

0,370

0,588

0,017

0,207

0,049

0,271

0,130

0,378

0,380

0,595

0,018

0,210

0,050

0,273

0,135

0,384

0,390

0,602

0,019

0,212

0,052

0,276

0,140

0,389

0,400

0,610

0,020

0,215

0,054

0,280

0,145

0,394

0,410

0,617

0,021

0,217

0,056

0,283

0,150

0,399

0,420

0,624

0,022

0,219

0,058

0,286

0,155

0,405

0,430

0,631

0,023

0,222

0,060

0,289

0,160

0,410

0,440

0,638

0,024

0,224

0,062

0,292

0,165

0,415

0,450

0,645

0,025

0,226

0,064

0,295

0,170

0,420

0,460

0,652

0,026

0,228

0,066

0,298

0,175

0,425

0,470

0,668

0,027

0,230

0,068

0,301

0,180

0,430

0,480

0,028

0,233

0,070

0,304

0,185

0,435

0,490

0,672

0,029

0,235

0,072

0,307

0,190

0,439

0,500

0,678

0,030

0,237

0,074

0,309

0,195

0,444

0,520

0,692

0,031

0,239

0,076

0,312

0,200

0,449

0,540

0,704

0,032

0,241

0,078

0,315

0,210

0,458

0,560

0,717

0,033

0,243

0,080

0,318

0,220

0,467

0,580

0,730

0,034

0,245

0,082

0,320

0,230

0,476

0,600

0,742

0,035

0,247

0,084

0,323

0,240

0,485

0,620

0,755

0,036

0,249

0,086

0,326

0,250

0,493

0,640

0,767

0,037

0,250

0,088

0,328

0,260

0,502

0,660

0,779

0,038

0,252

0,090

0,331

0,270

0,510

0,680

0,791

0,039

0,254

0,092

0,333

0,280

0,518

0,700

0,803

0,040

0,256

0,094

0,336

0,290

0,526

0,720

0,815

0,041

0,258

0,096

0,338

0,300

0,534

0,740

0,826

0,042

0,259

0,098

0,341

0,310

0,542

0,760

0,838

0,043

0,261

0,100

0,343

0,320

0,550

0,780

0,849

0,044

0,263

0,105

0,349

0,330

0,558

0,800

0,860

0,045

0,265

0,110

0,355

0,340

0,565

0,820

0,872         

0,84

0,883

2,50

1,644

6,3

2,989

10,2

4,185

0,86

0,834

2,60

1,684

6,4

3,021

10,4

4,244

0,88

0,905

0,270

1,724

6,5

3,053

10,6

4,302

0,90

0,916

2,80

1,763

6,6

3,085

11,8

4,649

0,92

0,927

2,90

1,802

6,7

3,117

12,0

4,707

0,94

0,937

3,00

1,840

6,8

3,149

12,2

4,764

0,96

0,948

3,10

1,879

6,9

3,181

12,4

4,820

0,98

0,959

3,20

1,917

7,5

3,369

12,6

4,877

1,00

0,969

3,30

1,954

7,6

3,400

12,8

4,934

1,05

0,995

3,40

1,991

7,7

3,431

13,0

4,990

1,10

1,021

3,50

2,029

7,8

3,462

13,2

5,047

1,15

1,046

4,1

2,246

7,9

3,493

13,4

5,103

1,20

0,071

4,2

2,281

8,0

3,524

13,6

5,159

1,25

1,096

4,3

2,317

8,1

3,555

13,8

5,215

1,30

1,120

4,4

2,352

8,2

3,585

14,0

5,270

1,35

1,144

4,5

2,386

8,3

3,616

14,2

5,326

1,40

1,168

4,6

2,421

8,4

3,646

14,4

5,382

1,45

1,191

4,7

2,456

8,5

3,677

14,6

5,437

1,50

1,215

4,8

2,490

8,6

3,707

14,8

5,492

1,55

1,238

4,9

2,524

8,7

3,738

15,0

5,547

1,60

1,261

5,0

2,556

8,8

3,768

15,2

5,602

1,65

1,283

5,1

2,592

8,9

3,798

15,4

5,657

1,70

1,306

5,2

2,626

9,0

3,828

15,6

5,712

1,75

1,328

5,3

2,660

9,1

3,858

15,8

5,767

1,80

1,350

5,4

2,693

9,2

3,888

16,0

5,821

1,85

1,372

5,5

2,726

9,3

3,918

5,876

1,90

1,394

5,6

2,760

9,4

3,948

16,4

5,930

1,95

1,416

5,7

2,793

9,5

3,978

16,6

5,984

2,00

1,437

5,8

2,828

9,6

4,008

16,8

6,039

2,10

1,479

5,9

2,858

9,7

4,037

17,0

6,093

2,20

1,521

6,0

2,891

9,8

4,067

17,2

6,147

2,30

1,563

6,1

2,924

9,9

4,097

17,4

6,201

2,40

1,604

6,2

2,956

10,0

4,126

17,6

6,254


Таблица 5. Данные для гидравлического расчета стальных труб

Расход, л/с

Скорость, м/с, и гидравлический уклон 1000i (потери напора на единицу длины) при условном проходе труб, мм


15

20

25

32

40

50

70


υ

1000i

υ

1000i

υ

1000i

υ

1000i

υ

1000i

υ

1000i

υ

1000i

0,08

0,47

66,9

0,25

14,2











0,1

0,59

100,2

0,31

21,1











0,12

0,71

139,9

0,37

29,2

0,22

8,4









0,2

1,18

360,5

0,62

73,5

0,37

20,9

0,21

5,21







0,3

1,77

807

0,94

154,9

0,56

43,4

0,31

10,5

0,24

5,39





0,4

2,36

1435

1,25

265,6

0,75

73,5

0,42

17,5

0,32

8,98





0,5

2,95

2242

1,56

414,9

0,93

110,9

0,52

26,2

0,40

13,4

0,24

3,7



0,6



1,87

597,5

1,12

155,8

0,63

36,5

0,48

18,4

0,28

5,1



0,7



2,18

813,3

1,31

209,6

0,73

48,4

0,56

24,6

0,33

6,6

0,20

2,00

0,8



2,50

1062

1,5

273,8

0,84

64,9

0,64

34,3

0,38

8,6

0,23

2,62

0,9



2,81

1344

1,68

346,5

0,94

77,7

0,72

38,9

0,42

10,7

0,26

3,23

1





1,87

427,8

1,05

93,6

0,80

47,2

0,47

12,9

0,29

3,89

1,2





2,24

516

1,25

132,0

0,95

67,7

0,57

18,0

0,35

5,38

1,4





2,62

838,5

1,36

179,7

1,11

88,2

0,62

23,8

0,40

7,09

1,6





2,99

1095

1,67

234,7

1,27

113,7

0,75

30,4

0,46

9,01

1,8







1,88

297,4

1,43

143,9

0,85

37,8

0,52

11,2

2







2,09

366,8

1,59

177,7

0,94

45,9

0,58

13,5

2,6







2,72

616,9

2,07

300,2

1,22

74,9

0,75

21,8

3









2,39

399,7

1,41

99,7

0,86

28,4


Вероятность действия приборов Р при одинаковых водопотребителях в здании следует определять по формуле:

, (2)

где qсhr,u - норма расхода воды, л, одним потребителем в час наибольшего водопотребления, которая принимается по приложению 3(2) или по табл. 6:

, (3)

где U - общее число водопотребителей в здании, чел.; No - общее число водоразборных приборов в здании.

Общее число водопотребителей в жилом здании, если оно не задано, определяется по средней степени заселенности одной квартиры.

Определение расходов горячей воды.

Расходы горячей воды  определяются для жилых зданий с централизованным горячим водоснабжением по формуле:

=5, (4)

где  - норма расхода горячей воды одним прибором на одного жителя.

 - коэффициент, зависящий от произведения ();

 - число водоразборных точек в доме, использующих горячую воду.  меньше общего числа водоразборных точек  на количество смывных бачков (К): =-К.

 - вероятность действия приборов, использующих горячую воду, определяется по формуле:

, (5)

где  - норма расхода горячей воды в л в час наибольшего водопотребления по табл. 6;

 - норма расхода горячей воды в л/с на одного жителя одним прибором.

Расходы горячей воды определяются на весь дом и на одну секцию дома.

Определение диаметров труб и определения потерь напора.

Диаметры труб внутренних водопроводных сетей назначаются по условию наибольшего использования гарантированного напора в уличной водопроводной сети, что обеспечивает экономное использование металла.

При движении по трубам поток воды преодолевает силы трения по длине трубопровода и местные сопротивления. Указанные сопротивления вызывают соответственно потери напора в фасонных частях и арматуре.

Потери напора на расчётных участках трубопроводов систем холодного водоснабжения Нl определяются по формуле.

Нl = i . l . (1 + kl), (4)

где i - удельные потери напора на трение при расчетном расходе, определяемые по таблицам для гидравлического расчета систем холодного водоснабжения, выписки из которых приведены в табл. 6. l - длина расчетного участка трубопровода, м; kl - коэффициент, учитывающий потери напора в местных сопротивлениях.

В сетях хозяйственно-питьевых водопроводов жилых и общественных зданий следует принимать kl = 0,3.

Общие потери напора Hl,tot = Σ Hl определяются путем суммирования потерь напора на расчетных участках.

Для определения удельных потерь напора по расчетному расходу необходимо задаться диаметром труб, который ориентировочно можно найти по величине скорости движения воды в трубах.

Скорость желательно принимать не более 1,5 м/с в магистралях и стояках, и не более 2,5 м/с в подводках к приборам.

Подбор счетчика количества воды.

Учет количества воды осуществляется счетчиками холодной воды, устанавливаемыми на вводах в здание.

Диаметр условного прохода счетчика следует выбирать исходя из среднечасового расхода холодной воды за сутки, м3:

qhr =0,005q co,hr · αhr, (5)

где qco,hr - расход, холодной воды, л/c, санитарно-техническим прибором, αhr - коэффициент.

, (6)

Выбранный счетчик проверяется на потери напора. Потери напора определяются по формуле:

= Sq2, (7)

где S - сопротивление счетчика,- расчетный максимальный секундный расход, проходящий через счетчик (расход на вводе в здание), л/с.

При пропуске хозяйственно-питьевого расхода потери напора в счетчиках не должны превышать допускаемых величин: для турбинных счетчиков 1,0 м, для крыльчатых - 2,5 м.

Определение требуемого напора для системы внутреннего водопровода.

Требуемый напор Hfor в наружной сети у ввода водопровода определяется с учетом всех потерь напора в системе внутреннего водопровода, геодезической высоты подъема воды и необходимого свободного напора у диктующего водоразборного прибора водопотребления:

= Нgеоm + Нtot + Hf, (8)

где Hgeom - геометрическая высота подъема воды, м;

Htot - потери напора во внутренней сети, включая потери в счетчике количества воды, м;

Hf - необходимый свободный напор для самой неблагоприятной точки водоразбора (наиболее отдаленной и высокорасположенной с наибольшим необходимым свободным напором), м.

Геометрическая высота подъема воды определяется по формуле:

Hgeom = (n-1)he+hg + z1-z2, (9)

где n - число этажей; he - высота этажа; hg - высота расположения диктующего водоразборного устройства от пола верхнего этажа, м (принимается по табл. 5); z1 - геодезическая отметка пола первого этажа, м; z2 - отметка поверхности земли (крышки люка колодца) в точке присоединения ввода к наружной водопроводной сети, м.

Расчетное значение требуемого напора сравнивается с гарантированным напором в уличной сети Нg.

При Hg - 1,0м ≤ Hfor ≤ Hg + 0,5м результаты гидравлического расчета можно считать хорошими - система водопровода будет работать под напором уличной сети. При Hfor < Hg более чем на 1,0 м. необходимо сделать перерасчет сети - уменьшить диаметр труб на некоторых расчетных участках. При Hfor > Hg на 0,5 - 2,0 м необходимо проверить возможность увеличения диаметров высоконагруженных участков сети, чтобы сократить потери напора в сети и тем самым снизить требуемый напор.

Литература

напор водопроводный гидростатический колодец

1.  Гидравлика, водоснабжение и канализация: Учеб. для вузов. В.И. Калицун, В.С. Кедров, Ю.М. Ласков. М.: Стройиздат, 2001. 398с.

2.       СНиП 2.04.01-85. Внутренний водопровод и канализация зданий. М.: 1986. 56с.

3.  СНиП 3.05.01-85. Внутренние санитарно-технические системы. М., 1986. 40с.

4.       Лукиных А.А., Лукиных Н.А. Таблицы для гидравлического расчета канализационных сетей и дюкеров по формуле Н.Н. Павловоского. М.: Стройиздат, 1987. 152с.

.        ГОСТ 21.601-79. Система проектной документации для строительства. Водопровод и канализация. Рабочие чертежи.

.        ГОСТ 21.604-82. Водоснабжение и канализация. Наружные сети. Внутренние санитарно-технические устройства. В 3ч. 4.2. Водопровод и канализация. М.: Стройиздат, 1990. 247с.