Материал: НИР-3 Шерстюк з-66

Внимание! Если размещение файла нарушает Ваши авторские права, то обязательно сообщите нам

2. Eaton.

Китайский производитель с американским происхождением и вековой историей. Помимо электротехнической выпускает авиакосмическую, гидравлическую и транспортную продукцию.

ИБП Eaton Powerware 9130

Общие характеристики:

-полная мощность, 0,7 кВА;

-активная мощность 0,63 кВт;

-топология Online, двойное преобразование. Входные характеристики:

-однофазный вход;

-номинальное входное напряжение 220/230/240 В переменного тока;

-диапазон входного напряжения от 160 до 276 В;

-диапазон входной частоты от 45 до 65 Гц;

-номинальный входной ток 3 А.

Выходные характеристики:

-однофазный выход;

-номинальное выходное напряжение 220/230/240 В переменного тока;

-нестабильность выходного напряжения, не более ± 3%;

-выходная частота 50/60 ± 0.1 Гц;

-выходной коэффициент мощности 0.9;

-КПД в режиме работы от электросети не менее 79,5 %;

-напряжение на шине постоянного тока ............................24 В постоянного тока

-время автономной работы 19 минут при нагрузке 50%, 12 минут при нагрузке 75% (коэффициент мощности нагрузки 0,7);

Стоимость ИБП составляет 36 100 рублей.

В данной части были рассмотрены ИБП лучшего и типового производителей электротехнической продукции. Во всех случаях ИБП обеспечивают необходимую мощность, но время автономной работы является недостаточным.

4 Теоретическая часть

Структуры ИБП.

В соответствии с международным стандартом IEC 62040-3 современные ИБП разделяются на три основных типа:

ИБП резервного типа — Passive Standby UPS (ранее назывался Off-Line UPS);

ИБП линейно-интерактивного типа — Line-Interactive UPS;

ИБП с двойным преобразованием энергии (ИДП) — Double-Conversion

11

UPS (ранее назывался On-Line UPS). ИБП резервного типа.

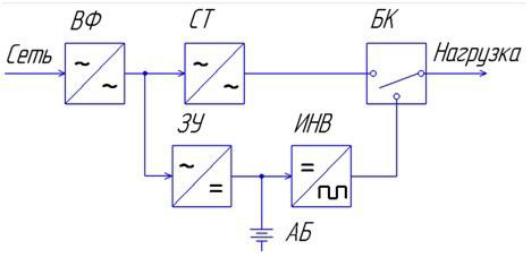
Структура ИБП резервного типа, представленная на рис. 1, содержит входной фильтр (далее - ВФ), зарядное устройство (далее - ЗУ), инвертор (далее - ИНВ), аккумуляторную батарею (далее - АБ), блок коммутации (далее - БК), стабилизатор (далее - СТ). ИНВ, выходное напряжение которого имеет прямоугольную форму с регулируемыми паузами между положительными и отрицательными импульсами (скважностью импульсов), обеспечивая стабилизацию действующего значения основной гармоники выходного напряжения частотой 50 Гц при изменении напряжения АБ, подключается параллельно сетевому источнику и действует как источник резервного питания. В качестве СТ можно использовать автотрансформатор с переключаемыми отводами обмотки, выполняющий функции дискретного корректора напряжения с точностью стабилизации выходного напряжения от 7 до 10%. Данная функция обеспечивает расширение диапазона входного напряжения до ±25%, при котором не происходит переключение в аккумуляторный режим.

Рисунок 1 - структурная схема ИБП резервного типа.

При отклонении входного напряжения более допустимого или пропадании сети происходит переключение нагрузки на инвертор. Таким образом, ИБП резервного типа представляют собой комбинацию стабилизатора и инвертора, подключаемые к нагрузке с помощью БК.

Достоинства ИБП резервного типа:

простота и дешевизна;

высокий КПД в сетевом режиме. Недостатки:

12

большое время переключения нагрузки с сети на инвертор, и наоборот (от 4 до 20 мс);

несинусоидальное выходное напряжение в автономном режиме;

ИБП не защищает нагрузку от недопустимых отклонений частоты и формы напряжения сети;

возможно возникновение нежелательных переходных процессов выходного напряжения при переключениях с сети на инвертор и наоборот.

Наиболее распространенный диапазон мощностей ИБП резервного типа 250 -

1500 ВА.

ИБП линейно-интерактивного типа.

Топология линейно-интерактивного ИБП характеризуется присутствием двунаправленного преобразователя напряжения (далее - ДПН), выполняющего как функцию ИНВ, так и функцию ЗУ (рис. 2). При наличии сети ДПН работает как выпрямитель и осуществляет заряд АБ. Благодаря двунаправленному действию и синусоидальной форме напряжения, формируемого в режиме инвертора, ДПН взаимодействует с сетевым источником, то есть имеет интерактивное включение. Как и для резервных ИБП, в данном случае в качестве СТ для расширения диапазона входного напряжения без перехода на автономный режим обычно используется дискретный корректор напряжения. Статическая точность стабилизации и допустимый диапазон изменения входного напряжения в таких ИБП аналогичны резервным ИБП. В сетевом режиме возможна стабилизация выходного напряжения путем добавки или вычитания напряжения ДПН из сетевого напряжения. Такой принцип стабилизации получил название «Дельтапреобразование» и используется некоторыми производителями ИБП.

Рисунок 2 - Структурная схема ИБП линейно-интерактивного типа.

13

Достоинства ИБП линейно-интерактивного типа по сравнению с резервными

ИБП:

синусоидальная форма выходного напряжения в автономном режиме;

совмещение функций ЗУ и ИНВ в одном узле.

Остальные недостатки, присущие резервным ИБП, распространяются и на ИБП линейно-интерактивного типа. В данных ИБП БК является наиболее ответственным узлом, поскольку именно от его работы зависит обеспечение надежности всего ИБП. Это связано с тем, что при переходе ИБП в автономный режим данный блок должен обеспечивать четкое переключение инвертора и сетевого источника, обладающего малым внутренним сопротивлением. В противном случае инвертор оказывается замкнутым накоротко и выходит из строя.

Наиболее распространенный диапазон мощностей ИБП линейноинтерактивного типа 500 - 3000 ВА.

ИБП с двойным преобразованием.

Структурная схема ИБП с двойным преобразованием энергии (далее - ИДП) приведена на рисунке 3. При такой структуре ИНВ включен последовательно в цепи сетевой источник - нагрузка. При наличии сетевого напряжения в допустимых пределах (величина, частота, искажение) питание нагрузки происходит по цепи выпрямитель-инвертор, где происходит преобразование напряжения переменного тока в постоянный, и наоборот, т.е. двойное преобразование энергии. В режиме перегрузки или выхода из строя какого-либо узла двойного преобразования нагрузка переключается напрямую к сети через БК цепи автоматического шунтирования. При пропадании сети или ее недопустимых отклонениях ИДП мгновенно переходит в автономный режим питания нагрузки энергией АБ. В сетевом режиме выпрямитель выполняет также функцию зарядного устройства батареи. Выпрямитель может выполняться управляемым (на тиристорах или IGBT-транзисторах) или неуправляемым (на диодах). Инверторы ИДП выполняются на IGBT-транзисторах, коммутируемых с частотой от 7,5 до 20 кГц и формирующих с помощью выходного фильтра синусоидальное напряжение 50 Гц.

14

Рисунок 3 - Структурная схема ИДП.

Основные достоинства ИДП по сравнению с резервными и линейноинтерактивными источниками следующие:

обеспечение высокой точности стабилизации синусоидального выходного напряжения в сетевом и автономном режимах;

обеспечение стабильной частоты выходного напряжения при отклонениях частоты сети;

отсутствие переходных процессов при переключениях с сетевого режима

на автономный и наоборот;

возможность исключить влияние нелинейной нагрузки на гармонический состав и форму входного тока;

повышение надежности системы по обеспечению бесперебойного питания нагрузки за счет автоматического байпаса.

Наиболее распространенный диапазон мощностей ИДП от 1 до 400 кВА. Рассмотренные топологии ИБП относятся к статическим системам

бесперебойного питания, где поддержание выходного напряжения при отсутствии сети обеспечивается энергией АБ. В динамических системах бесперебойного питания используется кинетическая энергия вращающегося маховика, которая может достигать нескольких миллионов джоулей. Такие системы используются на мощности сотни, тысячи киловатт и содержат синхронный электрогенератор, механически связанный с ротором асинхронного двигателя, который выполняет роль маховика.

Система аккумулирует значительную кинетическую энергию и при отключении или кратковременном прекращении подачи электроэнергии осуществляет параметрическую стабилизацию выходного напряжения. При

15