Материал: Модуль ввода аналоговых и вывода дискретных сигналов

Внимание! Если размещение файла нарушает Ваши авторские права, то обязательно сообщите нам

Модуль ввода аналоговых и вывода дискретных сигналов

ОГЛАВЛЕНИЕ

ВВЕДЕНИЕ

1. РАЗРАБОТКА СТРУКТУРНОЙ СХЕМЫ

2. РАЗРАБОТКА ПРИНЦИПИАЛЬНОЙ ЭЛЕКТРИЧЕСКОЙ СХЕМЫ

3. РАСЧЕТ ЭЛЕМЕНТОВ

4.МОДЕЛИРОВАНИЕ СХЕМЫ МОДУЛЯ В ССМ Multisim

5. РАЗРАБОТКА ПЕЧАТНОЙ ПЛАТЫ МОДУЛЯ

ЗАКЛЮЧЕНИЕ

СПИСОК ЛИТЕРАТУРЫ

ВВЕДЕНИЕ

Одним из наиболее актуальных направлений технического прогресса является автоматизация технологических процессов, которая является одним из решающих факторов улучшения качества продукции, повышения производительности и улучшения условий труда. Все существующие и строящиеся промышленные объекты в той или иной степени оснащаются средствами автоматизации.

Современные системы программного управления технологическим оборудованием проектируются на основе модульного принципа построения, предусматривающего выполнение всех модулей системы как функционально законченных элементов. При этом необходимо обеспечить функциональную, электрическую и механическую совместимость модулей в системе.

Целью курсового проекта является проектирование Модуля вывода дискретных и ввода аналоговых сигналов для систем управления различным технологическим оборудованием. Модули ввода-вывода предназначены для преобразования различных сигналов в цифровую форму и взаимодействия с контроллером через шину данных. Каждый модуль представляет собой съемное интерфейсное устройство.

Задачи:

Разработка структурной схемы модуля

Разработка принципиальной схемы модуля на дискретных компонентах

Моделирование схемы модуля в ССМ Multisim

Разработка печатной платы модуля

Данный модуль управляет технологическим оборудованием с характеристиками: 2 аналоговых выхода, 14 дискретных входов.

модуль дискретный сигнал плата

1. РАЗРАБОТКА СТРУКТУРНОЙ СХЕМЫ

Структурная схема модуля представлена на чертеже КР-2068998-А1-26-00.00.000.Э1.

В состав проектируемого модуля входят следующие электронные компоненты:

Дешифратор адреса

Регистры выходные

АЦП

Схема управления

Оптогальваническая развязка

Назначение структурных блоков

Для выбора адресуемых элементов используется дешифратор адреса.

В интерфейсе используется 3 разрядная шина адреса. Задание адреса для выбора адресуемых элементов представлено в таблице 1.

Таблица 1. Таблица адресов

Элемент

Адресные сигналы


А2

А1

А0

RG1 выход

0

0

0

RG2 выход

0

0

1

АЦП вход

0

1

1

АЦП выход

1

1

1


В интерфейсе используется 8 разрядная шина данных. Для вывода 14 дискретных сигналов используются 2 регистра разрядностью по 8 бит - микросхемы D3, D4. Так как разрядность шины данных меньше, чем число выходных сигналов, то ввод сигналов осуществляется за 2 цикла.

Сначала на шину данных выставляются младшие 8 бит данных, а на шине адреса выставляется адрес регистра «RG1 выход» в соответствии с таблицей 1 и подается сигнал записи WR. С дешифратора адреса проходит сигнал записи на регистр, и информация с шины данных (DAT7-DAT0) записывается в регистре «RG1 выход». Затем на шину данных выставляются старшие 6 бит данных, а на шине адреса выставляется адрес регистра «RG2 выход» в соответствии с таблицей 1 и подается сигнал записи WR. С дешифратора адреса проходит сигнал записи на регистр «RG2 выход», и информация с шины данных (DAT1-DAT0) записывается в регистре.

Для коммутации сигналов по уровню используется оптогальваническая развязка, которая обеспечивает согласование по напряжению и току сигналов модуля с цепями управления технологического оборудования.

Для ввода аналоговых сигналов используется 10 разрядный АЦП с 2 аналоговыми входами - микросхема D8. Обращение к АЦП осуществляется через логический элемент, на входы которого подается сигнал с дешифратора адреса (таблица 1). Обращение к АЦП необходимо производить за 3 цикла.

Сначала необходимо выбрать канал и режим преобразования в АЦП. Для этого на разряды DAT2-DAT0 шины данных необходимо подать код, соответствующий номеру канала, а на разряды DAT4-DAT3 выставить логические единицы, что обеспечит нужный режим преобразования двуполярного сигнала. Затем на шине адреса выставляется адрес «АЦП вход» в соответствии с таблицей 1 и подается сигнал записи WR. Произойдет преобразование входного аналогового сигнала.

Так как АЦП - 10 разрядный, то используется сигнал HBEN, который определяет, младшие (D7-D0) или старшие (D9-D8) разряды кода будут выдаваться на выход АЦП. Для выдачи полученного сигнала на шину данных необходимо дважды (при HBEN=0 и при HBEN=1) обратиться к АЦП: на шине адреса выставляется адрес «АЦП выход» в соответствии с таблицей 1 и подается сигнал чтения RD.

Используемый АЦП переводит выходы в активное состояние только на время сигнала RD, других устройств ввода в разрабатываемом модуле нет, поэтому необходимость в буфере между АЦП и ШД отсутствует.

Обозначение микросхем взято из чертежа КР-2068998-А1-26-00.00.000.Э3.

. РАЗРАБОТКА ПРИНЦИПИАЛЬНОЙ ЭЛЕКТРИЧЕСКОЙ СХЕМЫ

.1 Основные особенности

Модуль вывода дискретных и ввода аналоговых сигналов разработан на базе микросхем серии КР1533. Маломощные быстродействующие цифровые интегральные микросхемы серии КР1533 предназначены для организации высокоскоростного обмена и обработки цифровой информации, временного и электрического согласования сигналов в вычислительных системах. Микросхемы серии КР1533 обладают минимальным значением произведения быстродействия на рассеиваемую мощность.

.2 Описание принципиальной схемы

Принципиальная схема модуля представлена на чертеже КР-2068998-А1-26-00.00.000.Э3.

Обозначения элементов представленных на принципиальной схеме приведены в спецификации КР-2068998-А1-26-00.00.000.ПЭ.

Управление модулем осуществляется с помощью следующих сигналов управления:

Сигнал RD (Read - чтение из устройства) активный уровень высокий

Сигнал WR(Write - запись в устройство) активный уровень высокий

Запись данных в регистры вывода дискретных сигналов

Преобразование входного аналогового сигнала в АЦП

Чтение данных из АЦП

В качестве дешифратора адреса используется микросхема КР1533ИД4 D2, представляющая собой сдвоенный дешифратор демультиплексор 2-4. Одна часть микросхемы служит для адресации микросхем при приходе сигнала RD, другая - при сигнале WR. Так как все входы 2D, 2С микросхемы КР1533ИД4 инверсные, то для правильной работы схемы сигналы ADR2 и WR проходят через инверторы D1.3.

Процедура записи данных в регистр вывода дискретных сигналов

Процессор на линиях ADR0 - ADR2 шины адреса выставляет адрес устройства в соответствии с таблицей 1 и подает сигнал WR. По сигналу WR дешифратор адреса выдает сигнал, приходящий на входы C регистров КР1533ИР23 D3 или D4. По приходу соответствующих тактовых сигналов, данные DAT7 - DAT0 с шины данных записываются в регистр D3, а данные DAT5 - DAT0 записываются в регистр D4. Данные проходят на выход регистров и через оптоэлектронные гальванические развязки А1 - А14 проходят на контакты разъема X2.

В качестве элемента ОГР используется МОП-реле VU1 - VU8 CMX60D10 с допустимым током коммутации до 10А и напряжением до 60В. В соответствии с техническим описанием МОП-реле CMX60D10, параллельно нагрузке включены диоды VD1 - VD14, служащие для компенсации бросков тока при коммутации.

Светодиоды HL1 - HL14 являются индикаторами вывода соответствующего дискретного сигнала.

Процедура преобразования данных в АЦП

В качестве аналогово-цифрового преобразователя используется микросхема MAX1092. Микросхема представляет собой 10-разрядный АЦП с выходным буфером с третьим состоянием, и предназначена для использования с 8-ми разрядной процессорной шиной. Микросхема имеет внутренний источник опорного напряжения +2,5В, при этом позволяет преобразовывать двуполярные входные сигналы амплитудой до ±1,25В.

Так как по заданию, входной сигнал имеет уровень ±5В, то до подачи на вход АЦП его нужно ослабить в 5/1,25 = 4 раза. Для этого используются делители напряжения, собранные на резисторах R15 и R16, R17 и R18. Микросхема D9 используется как повторитель и предназначена для исключения влияния выходного сопротивления источника сигнала на характеристики делителей напряжения. В качестве микросхемы D9 выбран сдвоенный операционный усилитель с малым напряжением смещения AD712.

Таблица 2. Формат управляющего байта

D7 (MSB)

D6

D5

D4

D3

D2

D1

D0

PD1

PD0

ACOQMOD

SGL/DIF

UNI/BIP

A2

A1

A0


В таблице 2 представлен формат управляющего байта. Биты D2-D0 определяют номер канала, бит D3 - определяет биполярный или униполярный режим. Выбираем диапазон ±1/2VREF, для этого бит D3 нужно подавать логическим нулем. Бит 4 задает дифференциальный или обычный вход, выбираем обычный логической единицей.

Биты D7-D5 определяют режим преобразования - с использованием тактирования внешней частотой или внутренней. Выбираем режим с использованием внутренней частоты, для этого задаем бит D7 нулем, биты D6, D5 - единицей.

Для начала преобразования аналогового входа на АЦП, на шину адреса выставляется код 011, на шину данных - код 01111ххх (где ххх - номер канала в двоичном виде) и подается сигнал WR. Сигнал WR проходит через инвертор D1.3 и поступает на вход WR микросхемы D10. При этом выходе 1Y3 дешифратора появляется сигнал, проходит через элемент И-НЕ D8.1, инвертор D1.4 и поступает на вход CS логическим нулем. Происходит преобразование данных с выбранного канала в АЦП.

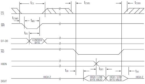
Для чтения данных из АЦП после преобразования, на шину адреса выставляется адрес 111, и подается сигнал RD. При этом выходе дешифратора появляется сигнал, проходит через инвертор элемент И-НЕ 8.1, инвертор D1.3 и поступает на вход CS логическим нулем. Так же сигнал RD через инвертор D1.3 подается на вход RD АЦП, и на выходах АЦП появляются младшие 8 разрядов кода, которые проходят на шину данных.

Для чтения разрядов D9-D8 из АЦП, необходимо установить сигнал HBEN в логическую единицу и снова подать сигнал RD.

Временные диаграммы работы АЦП показаны на рисунке 1.

Рисунок 1. Временные диаграммы работы АЦП MAX1092.

. РАСЧЕТ ЭЛЕМЕНТОВ

Индикация включенного состояния оптопар выполняется светодиодами HL1-HL14 АЛ307А. При токе IHL= 10 мА напряжение UHL=2 B. Нагрузочные резисторы R1-R10 предназначены для ограничения тока, протекающего через светодиоды HL1-HL10 от источника VCC=+5B. Для микросхемы КР1533ЛН1 U0=0,4 В [1].

Значение нагрузочного резистора определяется по формуле [5]:

 Ом (1)

Определим мощность, рассеиваемую на резисторе:

Вт (2)

По результатам расчетов выбираем резисторы R1-R10 из ряда E24 [6]:

МЛТ 0,125 - 270 Ом ± 5 %

Определим сопротивления резисторов R15, R16 R17, R18 делителя напряжения. Напряжение на входе делителя 5В, на выходе 1,25В. Входной ток АЦП MAX1092 не превышает 1 мкА[7]. Для того, чтобы он не влиял на делитель, примем ток через делитель в 1000 раз больший, т.е. не менее 1 мА. Тогда сопротивления R15 + R17, R16+R18 равно:

(3)


По результатам расчетов выбираем резисторы R17, R18 из ряда E192 [6]:

С2-29В - 0.125 - 1,24 кОм ±0,1%

Тогда сопротивления R15, R17 равны:

(4)

По результатам расчетов выбираем резисторы R15, R16 из ряда E192 [6]:

С2-29В - 0.125 - 3,74 кОм ±0,1%

Емкость керамических конденсаторов C10, С14, С16, входящих в состав схем подключения АЦП D10 и ОУ D9, задана производителями в документации [7]:

С10=С14=С15=0,1 мкФ,

Выбираем керамические конденсаторы С10, С14, С15 из ряда Е12 [6]:

К10 - 17А - 25B - 0,1 мкФ ± 10 %

Емкость электролитических конденсаторов С11 - С13, входящих в состав схем подключения АЦП D10 и ОУ D9, задана производителями в документации [7]:

С11=С12=С13=4,7 мкФ

Выбираем электролитические конденсаторы С11-С13 из ряда Е12 [6]:

К53 - 4 - 6.3В - 4,7 мкФ ± 10 %

Расчет фильтров питающего напряжения

В данном модуле используются фильтр питающего напряжения для цифрового источника питания VCC=5В. Он выполняет два типа фильтрации: подавление высокочастотных (ВЧ) помех, возникающих в результате переключения микросхем, и низкочастотных (НЧ) пульсаций в цепи питания. Фильтр высоких частот будем рассчитывать на частоту 20 кГц, низкочастотный фильтр рассчитывается на промышленную частоту 50 Гц.

Фильтр питающего напряжения цифрового источника содержит 8 фильтрующих конденсаторов С2 - С9 (по одному на каждую микросхему D1 - D8 для подавления высокочастотных помех), включаемых между выводами питания микросхем и общим проводом GND в непосредственной близости от самих микросхем, и один общий полярный конденсатор С1, предназначенный для сглаживания низкочастотных пульсаций.

Расчет емкости конденсаторов фильтра питания производится по уравнению резонанса [9]:

 (15)

где U - напряжение питания,Н - сопротивление нагрузки, Ом;

 

Таким образом, емкость конденсатора определяется следующим выражением:

 (16)

Ток, потребляемый микросхемами, находим с использованием справочных данных [1] и [2], при этом выбираем максимально возможные значения и заносим их в таблицу 2.

Таблица 2

Позиционное обозначение

Серия, тип микросхемы

Iпот, мА

Кол-во

Итого

D1, D5, D6, D7

КР1533ЛН1

4,2

4

16,8

D2

КР1533ИД4

10

1

10

D3, D4

КР1533ИР23

28

2

56

D8

КР1533ЛА3

0,9

1

0,9


Определим емкость конденсаторов, для этого вычислим средний потребляемый этими микросхемами ток, используя справочные данные (таблица 2):