Материал: Модернизация привода машины подачи кислорода конвертерного цеха

Внимание! Если размещение файла нарушает Ваши авторские права, то обязательно сообщите нам

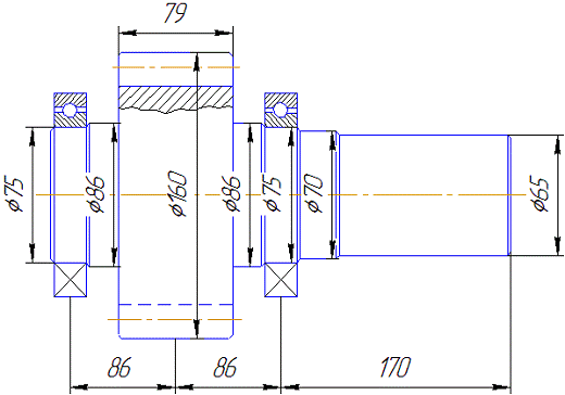
Рисунок 3 - Приводной вал

2.2.4 Выбор подшипников приводного вала редуктора

Для приводного вала подходят радиальные шарикоподшипники легкой серии из ГОСТ 8338.

В таблице 3 указаны характеристики привода вала.

Таблица 3 - характеристики приводного вала

d, мм

D, мм

В, мм

Сr, H

C0r, H

216

75

130

25

66300

41000


Эскизная компоновка устанавливает взаимное положение вала - шестерни и подшипников. Приводной вал в корпус редуктора устанавливается на двух шариковых радиальных подшипниках. Ось вращения вала - горизонтальная.

На рисунке 4 изображена эскизная компоновка вала.

Рисунок 4 - Эскизная компоновка приводного вала

2.2.5 Выбор муфты

Произведем выбор муфты.

Передаваемый муфтой необходимый крутящий момент определим по формуле:

, Н·, (7)

где  -коэффициент, зависящий от характера нагрузки, ;

 - крутящий момент вала муфты, Н·м. Выбираем быстроходную муфту: Н·м По справочнику останавливаю выбор на муфте упругой втулочно-пальцевой с тормозным шкивом: 250-I-40-II-40-У2 ГОСТ 21424-93. В данной муфте 250 - это максимальный крутящий момент (Н·м), I и II - номер исполнения посадочного места под вал, 40 и 40 - это посадочные диаметры вала электродвигателя и вала редуктора.

Произведем выбор тихоходной муфты:

Н·м

По справочнику останавливаю выбор на зубчатой муфте: 2500-I-85-I-65-У2 ГОСТ Р 50895-96.  В данной муфте 2500 - это максимальный крутящий момент (Н•м), I и I - номер исполнения посадочного места под вал, 65 и 85 - посадочные диаметры стандартного вала и нестандартного вала редуктора.

2.2.6 Подбор шпонок

Поскольку диаметр вала подобран согласно ГОСТ 23360-78 для шпонок, выбираю призматическую шпонку с шириной 18 мм, высотой 12 мм, глубиной паза 7,0 мм, и рабочей длиной шпонки 90мм.

2.3 Расчеты и проектирование гидропривода подъема платформы

2.3.1 Разработка гидропривода платформы машины подачи кислорода

Исходные данные указаны в таблице 4.

Таблица 4 - Основные параметры гидропривода машины подачи кислорода

Параметр

Значение

Тип гидродвигателя

вращательного движения

Осевое усилие R

12 400Н

Наибольшая линейная скорость поднятия фурмы v

0,1 м/с

Регулирование скорости

Дроссельное, параллельно

Число зубьев звездочки Z

8

Шаг тяговой цепи P

100


Подъем и опускание производится посредством двух замкнутых пластинчатых цепей через звездочки. Звездочки приводятся в движение в свою очередь гидромотором через понижающий редуктор. Кинематическая схема привода машины подачи кислорода приведена на рисунке 5.

Рисунок 5 - Кинематическая схема привода: 1 - гидромотор; 2 - упругая муфта; 3 - редуктор; 4 - зубчатая муфта; 5 - подшипниковые опоры; 6 - звездочки с приводным валом; 7 - тормоз.


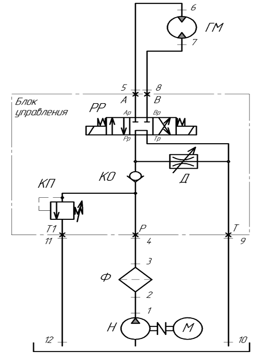
Обоснование и выбор гидравлической схемы привода.

В схеме используется гидрораспределитель РР с соединением напорной линии со сливной в закрытом положении, что позволяет насосу работать постоянно. Это обусловлено тем, что механизм должен быть готов в любое время вывести фурму из конвертера.

Согласно техническому заданию регулирование скорости осуществляется параллельным включением дросселя.

Нейтральное положение:

Рабочая жидкость с помощью насоса (Н) через фильтр (Ф) и обратный клапан (КО) попадает в гидрораспределитель (РР). При среднем (нейтральном) положении гидрораспределителя (РР) рабочая жидкость подается в обратном направлении в бак. Предохранительный клапан (КП) защищает гидросистему от перегрузок.

Н - Ф - КО - Р(РР)Т - ГБ

Вращение вправо:

При переводе гидрораспределителя в левое положение идет подача рабочей жидкости через гидрораспределитель РР в гидромотор ГМ и обратно в БАК. Происходит вращение вправо. Регулирование скорости осуществляется через параллельно включенный дроссель Д.

Н - Ф - КО - Р(РР)А - ГМ - В(РР)Т - ГБ

Вращение влево:

При переводе гидрораспределителя в правое положение идет подача рабочей жидкости через гидрораспределитель РР в гидромотр ГМ и обратно в БАК. Происходит вращение влево. Регулирование скорости осуществляется через параллельно включенный дроссель Д.

Н - Ф - КО - Р(РР)В - ГМ - А(РР)Т - ГБ

Произведем расчет геометрических размеров гидродвигателя и выбор гидродвигателя.

В механизме подъема используется гидродвигатель вращательного движения.

Рассчитаем требуемую мощность привода:

, Вт, (8)

где Q - масса поднимаемого груза, кг;

k = 1.05 - коэффициент учитывающий вес подвеса;

Vг - скорость подъема, м/с;

ηмех - коэффициент полезного действия всех механизмов от вала двигателя до блоков включительно. Для проектных расчетов принимаем ηмех = 0.85.

Вт,

, мин-1, (9)

где v - максимальная скорость подъема/опускания, м/с;

z -число зубьев звездочки;

P -шаг тяговой цепи, мм.

мин-1

На рисунке 6 изображена гидравлическая схема привода разматывателя.

Рисунок 6 - Гидравлическая схема привода разматывателя

Исходя из данных полученных ходе расчета выбираем высокомоментный радиально-поршневой гидромотор типа МРФ-400/25М1 ТУ2-053-1801-86 с объемом рабочей полости  см3.

Основные характеристики гидромотора представлены в таблице 5.

Таблица 5 - Параметры гидромотора

№ п/п

Параметр

Значение

1

Номинальное давление, МПа

25

2

Максимальное давление, МПа

32

3

Объемом рабочей полости, см3

400

4

Максимальный крутящий момент, Н·м

1492

5

Число оборотов, мин-1:



- минимальное

5


- максимальное

450


Рассчитаем насосную установку и осуществим ее выбор.

Требуемый расход жидкости для гидромотора найдем по формуле:

, м3, (10)

где - требуемая максимальная угловая скорость гидромотора, с-1,

 - стандартный объем выбранного гидромотора, м3.

Отсюда расход рабочей жидкости:

м3(120л/мин)

Для выбора насосной установки примем требуемое давление насоса 16 МПа.

По рассчитанным ранее параметрам выберем двухпоточный насос типа НПл56-56/16 ТУ2-053-1899-88 с общей подачей Q=142 л/мин (0.0024 м3/с). Характеристики насоса представлены в таблице 6.

Таблица 6 - Характеристики насоса

№ п/п

Параметр

Значение

1

Номинальная подача,л/мин (м3/с)

71+71 (0,0012+0,0012)

2

Номинальное давление,МПа

16

3

Максимальное давление,МПа

17,5


В качестве насосной установки выберем по справочнику

.

По данным полученным в ходе расчетов подбираем гидроаппаратуру привода разматывателя.

Выбираем гидроаппаратуру по величине ориентировочного расхода давления. Согласно ТЗ, применим аппаратуру модульного монтажа.

Фильтр 3ФГМ 32 ТУ 2-053-1778-86:

Предохранительный клапан МКПМ 16/ЗМР ТУ 2-053-1758-85:

тип монтажа - модульный

Обратный клапан МКОМ 16/3МР ТУ 2-053-1829-87:

тип монтажа - модульный

Дроссель МДКМ 16/3МА ТУ 2-053-1799-86:

тип монтажа - модульный

Реверсивный распределитель ВЕX16X.64.В220E УХЛ4 по ГОСТ 24679-81:

Значения полученные в ходе расчета отображены в таблице 7.

Таблица 7 - Расчетные значения потерь давления в гидроаппаратах

Наименование гидроаппарата

Δp0, МПа

A, МПа×с/м3

B, МПа×с26

Этап цикла

Qmax, м3

ΔpГА, Мпа

Вращение вправо







Фильтр Ф


12

3600

Напор

0,0024

0,050

Клапан обратный КО

0,15

7031,3


0,0024

0,216

Гидрораспределитель РР


96

46080


0,002

0,376

Гидрораспределитель РР


96

46080

Слив

0,002

0,376


Все данные местных потерь давления и потерь по длине полученные в ходе расчета приведены в таблицу 8 и в таблицу 9.

Таблица 8 - Потери давления по длине трубопроводов

Этап цикла

Линия

Участок по схеме

Qmax, м3

dТi, м

Li, м

fТi ·10-4, м2

ui, м/с

Rei

Δi

ΔpТi,

Вращение вправо

Вращение влево

Напорная

1-2

0,0024

0,028

0,1

0,000616

3,90

2728,4

0,0438

0,0011



3-4

0,0024

0,028

0,1

0,000616

3,90

2728,4

0,0438

0,0011



5-6

0,002

0,036

3,8

0,001018

1,96

1768,4

0,0362

0,0066


Слив

7-8

0,002

0,036

3,9

0,001018

1,96

1768,4

0,0362

0,0068



9-10

0,0024

0,039

0,2

0,001195

2,00

1958,8

0,0327

0,0003


Таблица 9 - Местные потери давления

Цикл

Линия

Участок

Qmax, м3

fстi, м2

Вид местного сопротивления

Параметр мест. сопротив

Кол-во мест. сопрот

ξ

Δрмi МПа

1

2

3

4

5

6

7

8

9

10

Вращение вправо

напорная

1-2

2,4×103

6,16×104

Резкое расширение Ø 28/ Ø 32 (Ф)

d0/d = 0,8750

1,0

0,39

0,0026



3-4

2,4×103

6,16×104

Резкое сужение Ø 32/ Ø 28 (Ф)

d0/d = 0,875

1,0

0,18

0,0012



3-4

2,4×103

2,01×104

Резкое сужение Ø 28/ Ø 16 (Вход в плиту)

d0/d = 0,570

1,0

0,43

0,0273



4-5

2,4×103

2,01×104

Тройник Ф16


2,0

0,30

0,0380



5-6

2,0×103

2,01×104

Резкое расширение Ø 16/Ф36 (Выход из плиты)

d0/d = 0,50

1,0

1,44

0,0634



5-6

2,0×103

10,18×104

Колено Ø36

90 град.

2,0

1,20

0,0041



5-6

2,0×103

10,18×104

Вход в емкость


1,0

20

0,0034


сливная

7-8

2,0×103

10,18×104

Колено Ø 36

90 град.

2,0

1,20

0,0041



7-8

2,0×103

2,01×104

Резкое сужение Ø 36/ Ø 16 (Вход в плиту)

d0/d = 0,50

1,0

0,49

0,0216



8-9

2,0×103

2,01×104

Колено Ø 16

90 град.

2,0

1,20

0,1057



8-9

2,0×103

2,01×104

Тройник Ø 16


1

0,9

0,0396



9-10

2,4×103

2,01×104

Резкое расширение Ø 16/ Ø 36 (Выход из плиты)

d0/d = 0,5

1

1,44

0,0634


Местные потери в трубопроводах:

Вращение вправо: напорная линия  МПа,

-       сливная линия  МПа.

Суммарные потери давления

Общие суммарные потери давления сведены в таблицу 10.

Таблица 10 - Общие суммарные потери в гидросистеме привода разматывателя

Этап цикла

Линии




Вращение вправо

Напорная Сливная

0,641 0,376

0,0087 0,0071

0,1401 0,2344

0,7898 0,6175


Общие потери из рассчитанных данных:

Вращение вправо:

-       напорная линия

-       сливная линия  

Произведем проверку насосной установки

Определим давление насосной установки:

 ,МПа, (11)

Максимальные потери в напорной линии:  МПа,

Номинальное давление насосной установки: МПа.

 МПа.

Подобранная насосная установка удовлетворяет условиям гидропривода.

3 ТЕХНОЛОГИЧЕСКАЯ ЧАСТЬ

3.1 Разработка технологического процесса изготовления вал - шестерни

Обработка резанием - это технологический процесс изготовления деталей, который состоит из механического отделения поверхностного слоя заготовки с образованием стружки. В зоне соприкосновения режущего инструмента и срезаемого слоя заготовки происходит сложный процесс пластического деформирования и разрушения металла. Как правило, обработанные поверхности получаются в результате сочетания отдельных элементарных движений детали и режущего инструмента.

Тех. процесс изготовления вала-шестерни разделяется на отдельные части, т.е. операции.

Каждая операция производится на одном рабочем месте или одном станке. При проектировании технологического процесса изготовления детали необходимо разработать последовательность и содержание операций, определить оборудование на котором они будут проводиться, определить приспособления и инструмент необходимый для выполнения операций. При выполнении операций необходимо сделать расчет нормы времени на выполнение каждой операции. На чертеже детали отражены технические требования к изделию, но при проектировании технологического процесса необходимо также учитывать и технологические особенности производства. Таким образом, конструкция изделия должна быть выполнима с наименьшими трудозатратами на всех операциях. Если данное условие соблюдено, то изделие будет считаться технологичным. Важным критерием при оценке технологичности изделия является расчет технико-экономических показателей. Необходимо стремится их минимизировать. В большинстве предприятия машиностроения предпочитают серийное производство, это выгодно, поскольку не требуется постоянной переналадки оборудования для перехода на другой тип изготовления изделий.

В выпускной квалификационной работе необходимо спроектировать деталь «Вал-шестерня» с малой программой выпуска. В связи с этим необходимо использовать методы мелкосерийного производства, применять универсальное оборудование, приспособления и инструмент.

3.1.1 Назначение детали и описание ее конструкции

Деталь «Вал - шестерня» представляет собой часть современной высокоточной машины и требует при изготовлении соблюдения многих норм и правил для обеспечения требуемого качества. «Вал - шестерня» входит в состав механических передач и предназначена для передачи крутящего момента. Деталь устанавливается на опорах (подшипниках качения) и, в процессе работы, вращается вокруг своей оси. Основной рабочей частью вала-шестерни является зубчатое эвольвентное зацепление с прямыми зубьями. Число зубьев равно 14, модуль 10. Зубья шестерни испытывают максимальные нагрузки при работе зацепления. Нагрузка подаётся на полумуфту, которая устанавливается на поверхности диаметром 65мм. Передача вращающего момента от полумуфты на вал осуществляется через шпонку, установленную на этой поверхности. Для этого выполнен шпоночный паз длиной 90мм, шириной 18мм и глубиной 7мм. Следовательно, конструкция детали и качество поверхностей, полученное при изготовлении, должны обеспечить надёжную работу детали без заедания и поломок. В связи со сказанным выше, наиболее ответственными поверхностями на детали являются шейки диаметром 75мм под установку подшипников, посадочная поверхность под полумуфту и зубчатое зацепление. Для изготовления детали выбрана конструкционная легированная сталь 40X по ГОСТ 4543-71. Данная сталь широко применяется в машиностроении для изготовления деталей зубчатых зацеплений и на практике показала высокие эксплуатационные качества.

Хим. состав стали марки 40Х представлен в таблице 11.

Таблица 11 - Химический состав стали марки 40Х

С

Si

Mn

S

P

Ni

Cr




Не более



0,36 - 0,44

0,17- 0,37

0,2- 0,5

0,025

0,025

0,3

0,3-1,1


Механические свойства стали марки 40Х приведены в таблице 12.

Таблица 12 - Механические свойства стали марки 40Х

σ т МПа

σвр МПа

δ s %

Ψ %

Дж/см3

HB

не менее



800

1000

10

45

60

230…260


3.1.2 Технологический контроль чертежа вал - шестерни

В соответствии с заданием деталь мелкосерийного производства. Перед разработкой технологического процесса для вала-шестерни произведем технологический контроль чертежа детали.

Проверку производим по рабочему чертежу детали, который должен содержать такие сведения как точность взаимного расположения поверхностей, точность формы поверхностей и точность выполнения размеров.

Произведя оценку чертежа по приведенным выше критериям можно увидеть, что:

‒  шероховатость после механической обработки указана для всех поверхностей;

‒       оговорен материал и его качество;

‒       отклонения формы и взаимного расположения поверхностей находятся в стандартных пределах.

Однако по чертежу изготавливаемой детали можно увидеть, что не все размеры на чертеже имеют конкретные предельные отклонения.

В связи с вышесказанным технические условия чертежа дополняем надписью:

«Неуказанные предельные отклонения линейных размеров: охватывающих по H14; охватываемых - по h14; остальных - в пределах ».

Дальше упрощать деталь невозможно.

3.1.3 Анализ технологичности детали «Вал-шестерня»

На чертеже детали отражены технические требования к изделию, но при проектировании технологического процесса необходимо также учитывать и технологические особенности производства. Таким образом, конструкция изделия должна быть выполнима с наименьшими трудозатратами на всех операциях. Если данное условие соблюдено, то изделие будет считаться технологичным. Перед принятием решения по возможности производства детали проводят тщательный анализ технологичности конструкции детали и самого технологического процесса ее изготовления. Анализ проводят поэлементно для каждой конструкции изделия, выполняют анализ каждой детали, сборочных элементов на возможность изготовления и техническую целесообразность выполнения, транспортирования. В результате анализа технологичности конструкции детали «Вал-шестерня» делаем заключение, что все свойства вала взаимосвязаны, и совместно определяют ее качественную характеристику. Однако данная деталь не достаточно технологична, для выбранного по заданию, мелкосерийного производства, поскольку на изготовление заготовки необходимы будут большие припуски, что потребует большого объема времени и энергии при ее обработке на металлорежущих станках, а это повлечет увеличение себестоимости готового изделия. Уменьшить припуски у заготовки не представляется возможным, поскольку заготовкой является поковка (если использовать в качестве заготовки прокатный пруток, то припуски будут еще больше). А технология свободной ковки с применением подкладных штампов может обеспечить только большие припуски. Таким образом, для создания высокотехнологичной детали необходима полная конструкторская переработка всей сборочной единицы с тем, чтобы уменьшить механическую обработку.

3.1.4 Выбор заготовки

Для изготовления данной детали выбираем заготовку из горячекатаного проката по ГОСТ 2590-80.

Эскиз заготовки из проката представлен на рисунке 7.

Рисунок 7 - Эскиз заготовки из проката

При использовании заготовки из горячекатаного проката наружный диаметр с учётом припуска принимаем 170мм, длину 304мм.

В таблице 13 указаны припуски и допуски на обработку детали.

Таблица 13 - Припуски и допуска на обработку вал-шестерни - Ø75К6

Технол-е переходы обработки поверхностей

Элементы припуска, мкм

Расч-й припуск 2Zmin мкм

Расч-й Размер dp, мм

Доп кδ мкм

Предельные размеры, мм

Предельные значения припусков, мкм


Rzi-1

Ti-1

ρi-1

ξy




dmin

dmax

пр 2Zmin

пр 2Zmах

1

2

3

4

5

6

7

8

9

10

11

12

Заготовка

150

250

1630

-

5762

80,882

620,0

80,882

81,502

5,593

6,33

Черновое точение

50,0

50,0

98,0

140

4072

76,64

170

76,64

76,81

4,072

4,692

Чистовое точение

30,0

30,0

65,0

140

742

75,848

50

75,848

75,898

0,724

0,792

Шлифование черн.

10,0

20,0

32,0

140

429

75,389

75,389

75,419

0,429

0,459

Шлифование чист.

5,0

15,0

-

140

368

75,002

19,0

75,002

75,021

0,368

0,387


На рисенке 8 изображена схема припусков и допусков на изготовление детали.

Рисунок 8 - Схема припусков и допуков

3.1.5 Разработка поэтапного маршрута обработки поверхности вала-шестерни

В данном разделе необходимо составить поэтапный маршрут обработки поверхности вала-шестерни.

Заготовкой является поковка, выполненная свободной ковкой с применением подкладных штампов. Свободная ковка с применением подкладных штампов показывает высокую производительность при относительном приближении формы заготовки к форме изделия.

В качестве общих принципов в построении технологического процесса будем руководствоваться следующими критериями:

Для того чтобы не процесс был наиболее производительным, необходимо иметь общую базу при выполнении всех токарных операций, также это позволит получить максимальную точность изделия. Для достижения этого на первой операции надо провести обработку центровых отверстий, которые являются чистовой базой. Данную операцию оптимально осуществить на фрезерно-центровальном полуавтомате, что позволит сократить время обработки детали, и увеличить производительность.

Во второй операции производится черновое и чистовое растачивание наружных поверхностей детали, данную операцию можно осуществить на обычном токарном станке.

Затем необходимо произвести обработку зубьев вала-шестерни, эту операцию оптимально производить на зубофрезерном станке. Деталь закрепляется вертикально в центрах, зубья шестерни обрабатываются все одновременно червячной фрезой.

После обработки зубьев необходимо обработать шпоночную канавку, данную операцию произведем на вертикально-фрезерном станке. Данный станок позволяет получить высокую точность и полностью исключает ручную подгонку детали в процессе ее сборки.

Для достижения твердости вала-шестерни согласно требований чертежа (HB=230…260), необходимо провести его термическую обработку.

После окончания термообработки деталь шлифуют на круглошлифовальном станке до шероховатости заданной по чертежу (Ra=3,2).

3.1.6 Подбор оборудования для каждой операции изготовления вала-шестерни

На фрезерно-центровальной операции выбираем серийный станок, фрезерно-центровальный модели ЕМ 535М, имеющий следующие технические характеристики представленные в таблице 14.

Таблица 14 - Технические характеристики станка ЕМ 535М

Класс точности

Н

Размеры обработки штучных заготовок: Максимальный Ø, мм Длина, мм

 100,0 1000,0

Частота вращения шпинделя, об/мин

12,5 - 2000,0

Продольная подача суппорта, мм/мин

0,05 - 2,80

Поперечная подача суппорта, мм/мин

0,025 - 1,40

Мощность электродвигателя главного привода

10,0 кВт

Габаритные размеры: длина, мм ширина, мм высота, мм

 3200,0 2160,0 2400,0


На токарной черновой и чистовой операциях применяем токарно-винторезный станок 16К20Ф3 со следующими техническими характеристиками представлено в таблице 15:

Таблица 15 - Технические характеристики станка 16К20Ф3

Класс точности

Н

Наибольшие размеры обработки штучных заготовок: Наибольший диаметр изделия, устанавливаемого над станиной Наибольший диаметр обрабатываемого изделия над суппортом  Наибольшая длина устанавливаемого изделия в центрах

 500,0 220,0 1000,0

Частота вращения шпинделя, об/мин

12,5 - 2000,0

Продольная подача суппорта, мм/мин

3 - 1200,0

Поперечная подача суппорта, мм/мин

1,5 - 600,0

Мощность электродвигателя главного привода

10,0 кВт

Габаритные размеры: длина, мм ширина, мм высота, мм

 3360,0 1710,0 1750,0


На зубо-фрезерной операции применяем станок зубо-фрезерный вертикальный для цилиндрических колёс 5К32 со следующими техническими характеристиками представленными в таблице 16.

Таблица 16 - Технические характеристики станка 5К32

Класс точности

Н

Наибольший Ø обрабатываемой заготовки, мм

800,0

Наибольший модуль обрабатываемых колёс

10,0

Длина зуба нарезаемого колеса, мм

350

Частота вращения фрезы, об/мин

40,0 - 310,0

Подача суппорта, мм/об осевая радиальная тангенциальная

 0,80 - 5,00 0,25 - 1,50 0,15 - 2,90

Мощность электродвигателя главного привода

7,5 кВт

Габаритные размеры: длина, мм ширина, мм высота, мм

 2660,0 1450,0 2000,0


На фрезерной операции применяем вертикально-фрезерный станок 6Р12 со следующими техническими характеристиками представленными в таблице 17.

Таблица 17 - Технические характеристики станка 6Р12

Класс точности

Н

Размеры рабочей поверхности стола: длина, мм ширина, мм

 1250,0 400,0

Частота вращения шпинделя, об/мин

50,0 - 2500,0

Поворот фрезерной головки, град.

±45,0

Рабочая подача стола, мм/об (мм/мин) продольная поперечная

 40,0 - 2000,0 8,0 - 400,0

Мощность электродвигателя главного привода

10,0 кВт

Габаритные размеры: длина, мм ширина, мм высота, мм

 2395,0 1745,0 2000,0


Для шлифовки наружных поверхностей применяем кругло-шлифовальный станок 3М132, имеющий следующие технические характеристики указанными в таблице 18.

Таблица 18 - Технические характеристики станка 3М132

Класс точности

Н

Система ЧПУ

Позиционная

Диаметр наружного шлифования, мм

8,0 - 280,0

Наибольшая длина наружного шлифования, мм

630,0

Мощность электродвигателя главного привода

7,50 кВт

Габаритные размеры: длина, мм ширина, мм

 3500,0 3300,0


3.1.7 Подбор приспособлений для каждой операции изготовления вала-шестерни

На фрезерно-центровальной операции используются установочные элементы станка (призмы), которые позволяют устанавливать заготовки во всём диапазоне обрабатываемых размеров.

Для выполнения черновой токарной операции выбираем патрон трёхкулачковый, самоцентрирующий, рычажный с пневматическим приводом зажима по ГОСТ 16682-71. Патрон является универсальным приспособлением, в тоже время имеет сменные кулачки, которые могут быть спроектированы и изготовлены для закрепления конкретной детали.

Патрон имеет следующие технические характеристики представленные в таблице 19.

Таблица 19 - Технические характеристики патрона

Пределы регулирования хода кулачков, мм

10,0 - 280,0

Величина хода подвижной губки при пневматическом зажиме, мм

6,0

Усилие зажима, при рабочем давлении воздуха в сети 4 атм., кг

800,0

Габариты: диаметр наружный высота

 350,0 170,0


Для базирования используем гладкие центра по ГОСТ 8742-82.

Для выполнения чистовой токарной операции используем поводковый патрон по ГОСТ 2572 - 72 и гладкие центра по ГОСТ 8742-82.

На фрезерной операции применяем специальное приспособление для установки детали на столе станка. Возможно использование сборки из комплекта универсально-сборных приспособлений.

На зубофрезерной операции применяем для установки детали гладкие центра по ГОСТ 8742-82.

На шлифовальной операции аналогично чистовой токарной - поводковый патрон по ГОСТ 2572 - 72 и гладкие центра по ГОСТ 8742-82.

3.1.8 Выбор режущего инструмента для каждой операции изготовления вала-шестерни

Для выполнения фрезерно-центровальной операции применяем следующий режущий инструмент:

Фреза торцевая насадная со вставными ножами диаметром 200 мм T15K6 ГОСТ 9473-71

Сверло центровочное Р18 ГОСТ 14952-77

На токарных операциях (черновой и чистовой) применяем однотипный инструмент:

Резец упорный отогнутый правый Т15К10 ГОСТ 18870-73

Резец проходной отогнутый правый Т30К4 ГОСТ 18870-73

Для фрезерования шпоночной канавки применяем фрезу концевую шпоночную с режущей частью из твёрдого сплава ВК-6 по ГОСТ 6396-88

На зубофрезерной операции применяем фрезу червячную однозаходную по ГОСТ 9324-80;

Для обработки на шлифовальной операции применяем круг шлифовальный электрокорундовый на керамической связке Ø 300; Ширина Н=25 ГОСТ 19202-80. Марка ПП 300х25х127 - Э95-К-СМ1 - по ГОСТ 4785-64

Технологический процесс изготовления детали представлен в таблице 20.

Таблица 20 - Технологический процесс изготовления детали

Номер или обозначение

Наименование и содержание операции (установка, переход)

Оборудование (наименование, модель, мощность, особенности)

Приспособление, вспомогательный инструмент.

Режущий Инструмент (наименование, материал, размер, количество) 

 

операции

установки

позиции

переход





 

1

2

3

4

5

6

7

8

 

00



1

Заготовительная Заготовка- поковка




 

00




Термическая Нормализация




 

0100

А

  1   2


Фрезерно-центровальная Установить в призмах по чёрной базе (Ø) Фрезеровать одновременно оба торца заготовки, выдерживая размер 298±1 мм Сверлить одновременно два центровых отверстия; глубина сверления 10 мм Снять деталь со станка

Фрезерно-центровальный станок ЕМ535М (max (Ø)75, max L=1000); мощность 8,5/9,5 кВт

Установочные Призмы с пневматическим зажимом

Фреза торцевая Насадная со вставными ножами Ø200 Т15К6 ГОСТ 9473-71 Сверло центровочное ГОСТ 14952-77

 

0 015

 А           Б


 1  2  3  4 5  6  7

Токарная черновая Установить в центрах с базой на центровые отверстия, закрепить в патроне Точить начерно пов. 1 Ø70 до Ø66 на длине L=105; Точить начерно пов. 2 Ø75 до Ø71 на длине L=28; Точить начерно пов. 3 Ø80 до Ø76 на длине L=25; Точить окончательно пов. 4 Ø90 в размер Ø85-0,5 на длине L=18-0,4; Точить начерно пов. 5 Ø165 до Ø161 на длине L=80; Открепить, перевернуть деталь на 1800, установить в центрах, закрепить в патроне Точить начерно пов. 6 Ø80 до Ø76 на длине L=25; Точить окончательно пов. 7 Ø90 в размер Ø85-0,5 на длине L=18-0,4; Снять деталь со станка

Токарно- винторезный станок 16К20Ф3 (max (Ø)400, max L=1000); мощность 10 кВт

Патрон трёхкулачковый пневматически, центра гладкие

Резец упорный отогнутый правый Т15К10 ГОСТ 18870-73

 

1

2

3

4

5

6

7

8

0 020

А


  1   2 3   4   5  6  7

Токарная чистовая Установить в центрах с базой на центровые отверстия Точить начисто пов. Ø66 до размера Ø65,5 на длине L=105; Подрезать фаску 1×45 на Ø66 Точить начисто пов. Ø71 до размера Ø70,5 на длине L=27; Точить начисто Ø76 до размера Ø75,5 на длине L=25; Подрезать фаску 1×45 на Ø75,5 Точить начисто пов.5 Ø161 до Ø160,5 на длине L=80; Подрезать две фаски 1×45 на Ø160,5

Токарно- винторезный станок 16К20Ф3 (max (Ø)400, max L=1000); мощность 10 кВт

Патрон поводковый центра гладкие

Резец проходной отогнутый правый Т30К4 ГОСТ 18870-73


 Б


 8    9

Открепить, перевернуть деталь на 1800, установить в центрах, закрепить в патроне Точить начисто Ø76 до размера Ø75,5 на длине L=25; Подрезать фаску 1×45 на Ø75,5 Снять деталь со станка




025

А



Фрезерная Установить в специальное приспособление с базой на центровые отверстия Фрезеровать шпоночный паз 18 на длине L=90-0,87 Снять деталь со станка

 Вертикально - фрезерный станок 6Р12

 Специальное приспособление для установки детали

 Фреза концевая шпоночная ВК-6 Ø 18 ГОСТ 6396-88

030

А

 1


Зубофрезерная Установить вертикально в центрах с базой на центровые отверстия Фрезеровать зубья Z=14, m=10 Снять деталь со станка

 Зубофрезерный станок 5К32

 Центра гладкие

 Фреза червячная

035




Термическая Термообработка HRC38…43; h=2…3 мм




040

А


1 2 3 4

Круглошлифовальная Установить в центрах с базой на центровые отверстия Шлифовать Ø65е8 L=105; Шлифовать Ø75К6 L=25; Шлифовать Ø70f8 L=27; Шлифовать Ø75К6 L=25. Снять деталь со станка 

 Круглошлифовальный станок 3М132 мощность 7,5 кВт

 Патрон поводковый центра гладкие

 Круг шлифовальный электрокорундовый на керамической связке Ø300 ширина H=25 ГОСТ 19202-80

045




Контрольная

Стол контрольный




3.2 Проектирование червячной модульной фрезы

Исходные данные к расчету:

Выбор инструмента выполняем на основании размеров детали и точности обработки.

Модуль нормальный:

Угол зацепления: .

Диаметр делительной окружности колеса:

Исходный контур по ГОСТ 13755-81 -

коэффициент высоты головки зуба ha* = 1,0;

коэффициент высоты ножки hf*=1,25;

коэффициент радиального зазора с* = 0,25.

Толщина зуба по нормали на делительной окружности: .

Высота зуба колеса: .

Степень точности по ГОСТ 9178-72: 7я

Тип фрезы - однозаходная.

Материал заготовки - сталь 40Х ГОСТ 4543-71.

Нарезание производим на станке 53А50.

3.2.1 Основные технические требования к фрезам

Фрезы должны изготовляться в соответствии с требованиями ГОСТ 9324-81 по рабочим чертежам.

Цельные фрезы должны изготовляться из быстрорежущей стали по ГОСТ 19265-73.

Твердость фрез типов 1 и 2 - 63…66 HRCэ. Для фрез, изготовленных из быстрорежущей стали с содержанием ванадия 3% и более и кобальта 5% и более, твердость должна быть 64…66 HRCэ. У фрез типа 3 твердость поверхности посадочного отверстия и торцов должна быть не менее 37…40 HRCэ.

Шлифованная часть фрез, обеспечивающая требуемую точность профиля, должна быть не менее 1/3 длины зуба - для фрез модулей свыше 4 мм.

Шпоночный паз - по ГОСТ 9472-83. Допускается изготовлять шпоночный паз по ширине В с полем допуска В12, по высоте d- Н14.

Предельные отклонения по наружному диаметру фрез типа 3 - по h17; предельные отклонения размеров с неуказанными допусками: , Н16, ±t3/2

.2.2 Расчет размеров фрезы

Шаг зубьев фрезы по нормали:

Шаг между соседними профилями см. рисунке 9, равен шагу нарезаемого колеса по делительной окружности для фрезы:

, (12)

,мм.

Рисунок 9 - Габаритные размеры червячных зуборезных фрез

Профильный угол по нормали см. рисунке 10:

принимаем равным углу зацепления на колесе


Рисунок 10- Элементы профиля фрезы по нормали

Толщина зуба по нормали для фрез:

,мм, (13)

, мм.

Высота головки зуба:

Назначаем равной высоте ножки зуба нарезаемого колеса с учетом радиального зазора или допуска на внутренний диаметр колеса

,мм, (14)

где - коэффициент высоты головки зуба;

с - радиальный зазор, мм,

, мм, (15)

, мм,

, мм.

принимаем  мм.

Высота ножки зуба фрезы:

Принимаем равной высоте головки зуба нарезаемого колеса плюс величина перекрытия

, мм, (16)

, мм,

Полная высота профиля:

, мм, (17)

 мм,

или

, мм, (18)

 мм,

принимаем .

Радиус закругления у головки и ножки зуба:

, (19)

мм.

Наружный диаметр фрезы: принимаем в зависимости от модуля m: .

Число зубьев:

для чистовых фрез определяем по формуле

, (20)

, (21)

,

.

принимаем .

Для фрез со шлифованным зубом на дне впадины предусматриваем канавку для улучшения условий процесса шлифования изображенном на рисунке 11.

Глубина канавки для выхода шлифовального круга  с радиусом .

ширина канавки-принимаем конструктивно В=5мм.

Рисунок 11 - Канавка для фрез со шлифованным зубом

Задний угол на вершине зуба:

Задний угол, рисунок 4, для чистовых фрез принимается из интервала  принимаем

Величина затылования: при заднем угле на вершине зуба :

, мм, (22)

 мм.

Величина дополнительного затылования у фрез со шлифованным профилем:

, (23)

 мм.

принимаем .

Средний расчетный диаметр делительной окружности фрезы:

для уменьшения отклонений фактических величин угла подъема витков и угла наклона канавок от расчетных средний диаметр фрезы изображен на рисунке 12 (с учетом погрешности профиля при переточках) определяем в сечении, отстоящем от передней плоскости зуба на 0,1-0,25 окружного шага.

, (24)

где К -величина затылования, мм

 - высота головки профиля зуба фрезы, мм;

 - коэффициент.

Для фрез со шлифованным зубом принимаем .


Рисунок 12 - Расчетное сечение фрезы

Угол подъема винтовой линии фрезы:

, (25)

.

Шаг по оси между витками:

, (26)


Осевой шаг винтовой стружечной канавки:

, (27)

,


Глубина канавки у фрез со шлифованным профилем:

, (28)

.

Шлифованная часть зуба:

 окружного шага. .

Минимальный диаметр шлифовального круга:

, (29)

где  - посадочный диаметр круга, мм,

 мм.

принимаем 90мм.

Радиус закругления у основания канавки:

, (30)

 мм.

принимаем .

Угол профиля канавки выбираем конструктивно из интервала: , принимаем .

Диаметр отверстия фрезы под оправку предварительно:

, (31)


принимаем, округляя по ГОСТ 9472-70: .

Проверяем условие:

, (32)

 мм,

принимаем окончательно.

Диаметр выточки:

, (33)

 мм,

 

принимаем.

принимаем по ГОСТ 9324-60 .

Длина выточки:

, (34)


принимаем.

Диаметр буртиков:

, (35)


принимаем .

Длина буртиков:

принимаем при m>8мм

Размеры шпоночного паза назначаем по ГОСТ 9472-83, при диаметре:B × H = 14 × 9; tm = 53,8 мм.

В ходе проделанной работы был произведен расчет и проектирование червячной фрезы, разработаны их рабочие чертежи, приведенные в приложении с указанием предельных отклонений размеров деталей и шероховатостей на поверхности инструмента.

Фрезы должны изготовляться в соответствии с требованиями ГОСТ 9324-81 по рабочим чертежам.

Цельные фрезы должны изготовляться из быстрорежущей стали по ГОСТ 19265-73.

Твердость фрез типов 1 и 2 - 63…66 HRCэ. Для фрез, изготовленных из быстрорежущей стали с содержанием ванадия 3% и более и кобальта 5% и более, твердость должна быть 64…66 HRCэ.

У фрез типа 3 твердость поверхности посадочного отверстия и торцов должна быть не менее 37…40 HRCэ.

Шлифованная часть фрез, обеспечивающая требуемую точность профиля, должна быть не менее 1/3 длины зуба - для фрез модулей свыше 4 мм.

ЗАКЛЮЧЕНИЕ

Модернизация привода передвижения платформы МПК №3 за счёт снижения аварийных простоев конвертера и увеличения межремонтного периода позволит увеличить выпуск стали, а также сократить затраты на покупку оборудования в неснижаемый запас. Всё это позволит получить максимальную прибыль для предприятия.

Затраты на проведение модернизации составить 454285 руб.

Из них:

т.руб - стоимость оборудования;

.7 т.руб - транспортные расходы;

.019 т.руб - заработная плата;

.831 т.руб - социальные нужды;

.713 т.руб - накладные расходы;

Общий экономический эффект от модернизации составляет 3460802 руб.

Был проведен расчет прибыли, налоговых , амортизационных, доходов, критериев инвестиционного, это:

NPV - чистый приведенный доход от модернизации, 19863158 руб.

Индекс NPV отражает увеличение стоимости технологической системы. PI- рассчитан индекс рентабельности, 44,72 среднегодовое значение индекса рентабельности PIср.г= 447,2

IRR- норма рентабельности, норма доходности 129,2  

РР - срок окупаемости 2 месяца.

ARR- коэффициент эффективности инвестиций 8,61

Все критерии инвестиционного процесса показывают на эффективность проекта, кроме этого они являются более обоснованными, так как они учитывают временную компоновку денежных потоков.

Проект модернизации для предприятия является целесообразным.

СПИСОК ИСПОЛЬЗОВАННЫХ ИСТОЧНИКОВ

1. Анурьев, В.И. Справочник конструктора-машиностроителя: в 3т. / В.И. Анурьев. - М.: Машиностроение, 1979. - Т. 1. - 730 с.

2. Белов, С.В. Безопасность жизнедеятельности: учебное пособие / С.В. Белов. - М.: Госэнергоиздат, 1999. - 290 с.

3. Горошкин, А.К. Приспособления для металлорежущих станков: справочник / А.К. Горошкин. - М.: Машиностроение, 1971. - 303с.

4. Дунаев, П.Ф. Детали машин: курсовое проектирование / П.Ф. Дунаев. - М.: В.Ш., 1984. - 335 с.

. Егоров, М.Е. Технология машиностроения: учебник для вузов / М.Е. Егоров. - М.: Высшая школа, 1976г. - 535с.

. Кован, В.М. Расчёт припусков на обработку в машиностроении: справочное пособие / В.М. Кован. - М.: Машгиз, 1953г. - 208с.

. Романов, В.Ф. Расчёты зуборезных инструментов: учебник для вузов / В.Ф. Романов. - М.: Машиностроение, 1969. - 251с.

. Чернавский, С.А. Проектирование механических передач: учебно-справочное пособие для вузов / C.А. Чернавский. - М.: Машиностроение, 1984. - 560 с.

. Чернилевский, Д.В. Детали машин: учебное пособие для вузов / Д.В. Чернилевский - М.: Машиностроение, 2001. - 560 с.

. Шейнблит, А.Е. Детали машин: курсовое проектирование деталей машин / А.Е. Шейнблит. - М.: В.Ш., 1991. - 432 с.

. Справочник технолога - машиностроителя: в 2 т. / под ред. А.Г. Косилова, Р.К. Мещерякова. - М.: Машиностроение, 1985. - Т. 1. - 327с.; т. 2. - 324с.

. Точность обработки, заготовки и припуски в машиностроении: справочник технолога / под ред. А.Г. Косилова, Р.К. Мещерякова, М.А. Калинина. - М.: Машиностроение, 1976. - 288с.

. Обработка металлов резанием: справочник технолога / под ред. Г.А. Монахова. - М.: Машиностроение, 1974. - 600 с.

. Руководство к дипломному проектированию по технологии машиностроения, металлорежущим станкам и инструментам / под ред. Л.В. Худобина. - М.: Машиностроение, 1986. -228 с.

. Организация, планирование и управление машиностроительным предприятием: в 2 т. / под ред. В.А. Летенко, В.Н. Родионова. - М.: Высшая школа, 1979. - 296 с.

. Сетевые графики в планировании: Учебное пособие / под ред. И.М. Разумова [и др.]. - Изд. 3-е. перераб. и доп. - М.: Высшая школа, 1981. - 168с.