Рама представляет собой металлоконструкцию, закреплённую к рабочей площадке цеха. На ней установлены опорные и контропорные рельсы КР-120, по которым перемещается платформа с закреплённой на ней рейкой. На раме расположен реечный механизм горизонтального перемещения платформы, состоящий из электродвигателя, тормоза, редуктора, муфт, одноступенчатого редуктора и командоаппарата.
Каретка выполнена в виде сварной рамы и снабжена восемью ходовыми роликами - четырьмя опорными и четырьмя упорными, опирающимися на беговые дорожки направляющих. В каретке установлен ловитель, стопорящий её в направляющих в случае обрыва каната. При обрыве каната штанга под действием усилий пружины опускается и увлекает за собой через систему рычагов кулачки до тех пор, пока их зубья не захватят шину, расположенную по всей длине подвижных и неподвижной направляющих кареток. После предварительного захвата под действием силы тяжести каретки кулачки окончательно зажимают шину.
Направляющая служит для направления перемещения каретки. Состоит из двух частей - подвижной, которая закреплена на перемещающейся платформе, и неподвижной, закреплённой к металлоконструкции цеха.
Фурма состоит из трёх концентрично скреплённых стальных труб, заканчивающихся медным наконечником с соплами Лаваля. В верхней части фурма имеет три патрубка, соединяющихся с гибкими рукавами, через которые подаётся кислород и охлаждающая вода. Кислород подаётся по центральной трубе и через сопла наконечника поступает в ванну конвертера. Положение фурмы по вертикали контролируется сельсином. Ход фурмы регулируется командоаппаратом.
Машина подачи кислорода с передвижной платформой и двумя подвижными направляющими, установленной на конвертере № 3, состоит из:
1) Платформы, перемещающейся на двух парах ходовых колёс.
2) Рамы с механизмом передвижения.
) Подвески.
) Двух кареток с фурмами и металлорукавами для подвода кислорода и воды для охлаждения.
) Двух контргрузов соединённых с каретками пластинчатыми цепями проходящими через приводные и обводные блоки.
) Двух подвижных направляющих кареток закреплённых к передвижной платформе.
) Комплекта электрического оборудования и контролирующей электроаппаратуры - установки командоаппаратов.
Платформа представляет собой тележку опирающуюся на четыре ходовых колеса, на которой расположены два механизма вертикального перемещения фурмы. Каждый механизм перемещения фурмы состоит из двух электрических двигателей, соединительных муфт, двух тормозов ТКП-400, редуктора Ц2-650, блока приводных звёздочек, блока обводных звёздочек, пластинчатых цепей привода подъёма или опускания фурм, тахогенератора, командоаппарата.
Рама представляет собой металлоконструкцию, закреплённую к рабочей площадке цеха. На ней установлены опорные и контропорные рельсы КР-120, по которым перемещается платформа с закреплённым на ней кронштейном для соединения с корпусом гайки. На раме в опорах расположен винт с трапециидальной резьбой длиной 5000 мм. На нём в корпусе установлена бронзовая гайка двухзаходной резьбой горизонтального перемещения платформы. Привод состоид из электродвигателя, тормоза, редуктора, муфт и командоаппарата.
Каретка выполнена в виде сварной рамы и снабжена восемью ходовыми роликами - четырьмя опорными и четырьмя упорными, опирающимися на беговые дорожки направляющих. В каретке установлен ловитель, стопорящий её в направляющих в случае обрыва цепей. При обрыве цепи штанга под действием усилий пружины опускается и увлекает за собой через рычаги экцентрики до тех пор, пока они поворачиваясь не прижмутся к тормозным планкам, расположенные по всей длине направляющих кареток. После предварительного прижатия под действием силы тяжести каретки экцентрики поворачиваются и окончательно затормаживают каретку в направляющей.
Контргруз выполнен из толстого листа металла и снабжен четырьмя упорными роликами, опирающимися на беговые дорожки направляющей. На контргрузе установлен ловитель, стопорящий его в направляющей в случае обрыва цепей. При обрыве цепи штанга под действием усилий пружины опускается и увлекает за собой через рычаги экцентрики до тех пор, пока они поворачиваясь не прижмутся к планкам, расположенные по всей длине направляющей. После предварительного прижатия под действием силы тяжести контргруза экцентрики поворачиваются и окончательно затормаживают его в направляющей.
Направляющая по вертикали разделена на две части и служит для направления перемещения каретки по одной стороне направляющей и контргруза по другой. Направляющая закреплена верхней частью к перемещающейся платформе и имеет внизу направляющие ролики для исключения отклонения её от вертикальной оси и облегчения смещения во время передвижения платформы.
Фурма состоит из трёх концентрично скреплённых стальных труб, заканчивающихся медным наконечником с соплами Лаваля.
В верхней части фурма имеет три патрубка,
соединяющихся с гибкими рукавами, через которые подаётся кислород и охлаждающая
вода. Кислород подаётся по центральной трубе и через сопла наконечника
поступает в ванну конвертера. Положение фурмы по вертикали контролируется
сельсином. Ход фурмы регулируется командоаппаратом.
1.1.2 Описание работы машины подачи кислорода
Существует две схемы работы МПК в зависимости от состояния футеровки конвертера.
Схема №1 (при хорошем состоянии футеровки конвертера):
В обе каретки МПК ставятся рабочие фурмы.
После завалки м/лома в конвертер и заливки чугуна, конвертер ставится вертикально. Машинист дистрибутора с главного поста управления (ГПУ) опускает фурму через фурменное окно в конвертер и открывает подачу кислорода для продувки плавки. После того как плавка продута фурму приподнимают до уровня фурменного окна для осмотра на предмет течи или «закозления». Если замечаний нет, фурма остаётся в работе на продувку следующей плавки. Если по какой-либо из причин необходима замена то машинист дистрибутора с ГПУ перегоняет платформу, ставя запасную фурму в рабочую позицию а вышедшую из строя в резервную для замены.
Схема №2 (при плохом состоянии футеровки конвертера):
В правую каретку МПК ставится рабочая фурма а в левую каретку торкрет-фурма. После продувки плавки рабочая фурма поднимается вверх до исходного. Машинист дистрибутора с ГПУ перегоняет платформу, ставя торкрет- фурму в рабочую позицию. После слива плавки из конвертера в сталеразливочный ковш он ставится вертикально. Машинист дистрибутора опускает фурму в конвертер, включает подачу торкрет-массы в сопла фурмы и торкретирует конвертер т.е. на футеровку наносит защитный слой. После окончания работы по уходу за футеровкой торкрет-фурма поднимается вверх до исходного. Машинист дистрибутора опять перегоняет платформу, ставя рабочую фурму в положение для продувки плавок.
В цехе находится несколько торкрет-фурм с разным углом расположения сопел. В зависимости от расположения места наибольшего износа футеровки в конвертере, куда необходимо нанести огнеупорную массу и выбирается фурма, затем поднимается на МПК и ставится в каретку.
Необходимость переезда МПК для работы другой фурмой может быть по причине неисправности одного из приводов подъёма фурм по механической части, электрической части или энергетической части.
Недостатки привода
При анализе простоев механического оборудования машин подач кислорода цеха выплавки стали Конвертерного производства за последние три года выявлено, что основные простои повлиявшие на выплавку стали принадлежат машине подачи кислорода конвертера №3 которая по конструкции отличается от МПК установленных на конвертерах №1; 2. Самая частая неисправность это невозможность переезда платформы с фурмами для различных операций, таких как продувка плавки, торкретирование конвертера, замена фурм. Среднегодовые простои конвертера по устранению причин неисправностей составили часов 42 минуты.
Основными причинами простоев являются:
. Попадание пыли в зазор между трапециидальной резьбой ходового винта и двухзаходной бронзовой гайкой, вследствие чего происходит заклинивание передачи.
. Срезание витков резьбы бронзовой гайки от их интенсивного износа который происходит по причине прогиба винта из-за его длины (ход платформы 5 метров).
. Трудоёмкость обслуживания и ремонта механизма из-за его конструкции.
. Отсутствие взаимозаменяемости оборудования и деталей с других машин подачи кислорода, установленных в цехе.
В связи с вышесказанным, целью данного дипломного проекта будет являться модернизация привода машины подачи кислорода №3. Включающая замену ходового винта и гайки на привод с одноступенчатым редуктором и рейкой, который в условиях повышенной запылённости более надёжен.
Учитывая поставленную цель в процессе выполнения диплома будут решены ряд вопросов:
рассчитан и спроектирован привод машины подачи кислорода;
разработана общая компоновка привода;
рассчитана экономическая целесообразность
модернизации.
2 КОНСТРУКЦИОННАЯ ЧАСТЬ
2.1
Назначение, конструкция и принцип действия машины подачи кислорода
Машина подачи кислорода (МПК) предназначена для введения кислорода в конвертер сверху через водоохлаждаемую фурму, для вертикальных и горизонтальных перемещений, связанных с подачей фурмы внутрь конвертера, и заменой вышедшей из строя фурмы резервной.
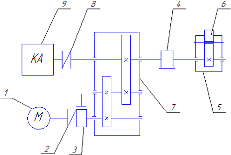
На рисунке 1 изображен механизм привода передвижения платформы машины подачи кислорода представляет собой зубчатую рейку (7), закреплённую к металлоконструкциям платформы по центру снизу. Для взаимодействия с ней выполнена прямозубая передача, состоящая из вал-шестерни (m = 10, z = 14) и зубчатого колеса (6) (m = 10, z = 25) установленных на подшипниках качения, в металлическом корпусе нестандартного одноступенчатого редуктора (5), закреплённого к металлоконструкциям площадки на отметке +55,6 метра.
Механизм приводится в движение стандартным приводом, состоящим из двухступенчатого редуктора (3) и электродвигателя (1) с колодочным тормозом (8). Между электродвигателем и двухступенчатым редуктором привод передаётся через муфту МУВП (2), между двухступенчатым редуктором и нестандартным одноступенчатым редуктором через муфту зубчатую (4). Крайние положения платформы машины подачи кислорода (ход платформы) контролирует командоаппарат 10, включенный в электросхему привода и конечные выключатели. Привод на командоаппарат от редуктора осуществляется через муфту кулачковую (9).
Ход платформы машины подачи кислорода S =5,0 метров.
Скорость передвижения платформы ν
= 0,13 м/с, что определено технологическим процессом.
Рисунок 1 - Механизм привода передвижения
платформы машины подачи кислорода
2.2
Расчет проектирования привода машины подачи кислорода
Кинематическая схема привода платформы машины подачи кислорода представлена на рисунке 2.
Исходные данные представлены в таблице 1.
Таблица 1 - Исходные данные
|
Диаметр приводного колеса, мм |
Скорость движения рейки v, м/с |
Сила сопротивления движению, кН |
Долговечность, Lh, часов |
|
250 |
0,13 |
18 |
15000 |
Рисунок 2 - Кинематическая схема привода платформы машины подачи кислорода:
- электродвигатель; 2 - муфта МУВП; 3 - тормоз ТКП-200; 4 - муфта зубчатая;
- редуктор нестандартный; 6 - приводное колесо;
7 - редуктор стандартный; 8 - муфта кулачковая; 9 - командоаппарат.
2.2.1 Энерго - кинематический расчет механизма привода машины подачи кислорода
Определяем коэффициент полезного действия
привода:
η
= ηм.2
ηп.
п.5
ηзуб.2
ηзуб.откр.
(1)
где ηм - коэффициент полезного действия муфты, ηм = 0,98…0,99;
ηп. п. - коэффициент полезного действия двух подшипников, ηп. п. = 0,99…0,995;
ηзуб - коэффициент полезного действия зубчатых передач, ηзуб = 0,96…0,98;
ηзуб.откр - коэффициент полезного действия зубчатой открытой передачи, ηзуб.откр = 0,92…0,95.
η = 0,982
0,995
0,962
0,92
= 0,774.
Определяю необходимую мощность приводного
электродвигателя:
. (2)
где N - мощность на приводном валу, кВт;
η - коэффициент полезного действия привода.
Определяю частоту вращения выходного вала:
об/мин, (3)
об/мин.
Произвожу подбор электродвигателя МТКН 111-6
с мощностью 3 кВт, и частотой вращения
В таблице 2 приведены данные полученные в ходе
расчетов.
Таблица 2 - Энерго - кинематические данные
2.2.2 Расчет и выбор стандартного редуктора привода
Выбор редуктора производим, основываясь на его особенностях, а именно, габаритах и кратковременных перегрузках. Останавливаем выбор на двухступенчатом цилиндрическом редукторе.
Необходимо сделать расчет допускаемого крутящего
момента на тихоходном валу редуктора, а также допускаемую частоту вращения
быстроходного вала:
М кр.тих=1381 Нм,
nвр.быст.в = 18,2 об/мин.
При выборе редуктора учитываем требования к
допускаемому моменту и допускаемой частоте вращения, которые должны быть:
[М] ≥ Мтреб,
[n]
≥ nфакт.
Выбираем редуктор 2Ц-350-50-24Ц, с номинальным моментом на тихоходном валу 3150 Нм, и передаточным числом равным 50, при этом диаметры: - выходного конца быстроходного вала - 40,0мм;
выходного конца тихоходного вала - 85,0мм.
2.2.3 Ориентировочный расчет и конструирование приводного вала машины подачи кислорода
Для изготовления детали выбираем конструкционную легированную сталь 40X по ГОСТ 4543-71. Сталь 40X нашла широкое применение в машиностроении для изготовления деталей зубчатых зацеплений и показала достаточно хорошие эксплуатационные качества.
Определяем диаметр вала:
мм (4)
где Т - крутящий момент на валу, Н∙мм;
[τ
] = 20…30 МПа - допустимое касательное напряжение для вала. входной
диаметр:
, мм.
Диаметры валов под подшипники:
dП
= d + 2t ,мм,
(5) dП
= 65+ 2
3 = 71 мм.
принимаем одинаковые подшипники dП
= 75мм. Диаметры валов под буртик подшипника:
dБП
= dП
+ 3,2r ,мм,
(6) dБП
= 75 + 3,2
3,5 = 86,2 мм.
принимаем dБП = 86мм.
На рисунке 3 изображен эскиз приводного вала.