Материал: Модернизация конструкции и технологии изготовления узла радиального нагружения установки виброакустического контроля крупногабаритных подшипников

Внимание! Если размещение файла нарушает Ваши авторские права, то обязательно сообщите нам

·        проверить уровень масла в маслораспылителе пневмооборудования, при необходимости масло долить (масло И-5А). Слить конденсат с влагоотделителя и коллектора пневмосистемы. Визуально проверить надежность заземления станины установки. При обслуживании системы смазки шпинделя руководствоваться инструкциями;

·        тумблера на пульте управления установить в исходное положение.

Работа установки:

В случае использования измерительной системы имеющейся у заказчика, все перемещения рабочих механизмов установки осуществляется переключением соответствующих тумблеров и кнопок в «ручном режиме».

Для проведения измерений выполните следующие действия:

·        включите вводной выключатель на боковой стенке электрошкафа, должна загореться сигнальная лампа «СЕТЬ»;

·        установите подшипник на оправку шпинделя;

·        включите вращение шпинделя нажатием чёрной кнопки SB1 «ШПИНДЕЛЬ» на пульте установки. Внимание: перед включением шпинделя убедиться в том, что съемник оправок (смотрите рисунок 5) снят!

Тумблерами с пульта управления установите механизмы в рабочее положение:

·       тумблером SA1 - «НАГРУЗКА ОСЕВАЯ» включите осевую нагрузку подшипника;

·        тумблером SA2 - «НАГРУЗКА РАДИАЛЬНАЯ» включите радиальную нагрузку подшипника;

·        тумблером SA3 - «ДАТЧИК» - опустите измерительный датчик в положение измерения;

·        проведите необходимые измерения в соответствии с указаниями по эксплуатации имеющейся измерительной системы;

·        отключите вращение шпинделя нажатием чёрной кнопки SB2 - «ШПИНДЕЛЬ» «СТОП» на пульте установки;

·        тумблером SA3 - «ДАТЧИК» - поднимите измерительный датчик в исходное положение;

·        тумблером SA2 - «НАГРУЗКА ОСЕВАЯ» снимите осевую нагрузку подшипника;

·        тумблером SA2 - «НАГРУЗКА РАДИАЛЬНАЯ» снимите радиальную нагрузку подшипника;

·       При нажатии кнопки SB3 - «АВАРИЙНЫЙ ОСТАНОВ» отключаются электромагниты пневмораспределителей - механизмы установки возвращаются в исходное положение. Шпиндель отключается.

2.2 Разработка конструкции узла радиального нагружения

В конструкцию узла радиального нагружения установки виброакустического контроля крупногабаритных подшипников входят:

.        Кронштейн.

.        Кронштейн датчика.

.        Пневмокамера.

.        Пневмоцилиндр.

.        Угольник и так далее.

Все детали созданы в программе «Компас 3D».

Программа «Компас 3D» - это такая системы автоматизированного проектирования с возможностями оформления проектной документации и конструкторской документации согласно серии ЕСКД [2].

Эта программа обладает огромными возможностями в неё можно создавать сборки, фрагмент, спецификации, чертежи, модели.

Для произведения 3D модели для начала выбираем «Файл» в левом верхнем углу нажимаем «Создать». В окне «Новый документ» нажимаем «Деталь». Этот процесс показан на рисунке 6.

Рисунок 6 - Окно нового документа

Перед нами появилось рабочее поле. Слева находится «Панель инструментов» нужные для создания детали. «Дерево модели», в котором отображаются операции, произведенные с деталью. Вверху находится «Строка состояния» и «Главное меню». В нём создадим деталь. На рисунке 7 представлено это рабочее поле.

Рисунок 7 - Рабочее поле

На рисунке 8 мы выделяем необходимую нам плоскость.

Рисунок 8 - Выделение плоскости

Нажимаем элемент «Эскиз». Потом мы начинаем создание эскиза детали. Разберём создание детали на примере детали «Прижим», входящую в данную ВКР.

Создаем контур детали «Прижим». Высотой 86 мм и шириной 60 мм и нижнюю часть в виде призмы. Это представлено на рисунке 9.

Рисунок 9 - Создание контура

Нажимаем значок «Выдавить». Выдавить деталь на расстояние 25 мм, согласно чертежу. Это показано на рисунке 10.

Рисунок 10 - Выдавливание прижима

Нажимаем «Создать». Получилась деталь. Дальше нужно просверлить отверстие. Выбираем слева на панели «Простое отверстие» и на верхней плоскости детали отмечаем по центру цилиндрическое отверстие диаметром 12 мм и глубиной 32 мм. Жмём значок «Создать» Этот процесс показан на рисунке 11.

Рисунок 11 - Построение отверстия ø12

Таким же способом делаем второе отверстие на той плоскости, только уже сквозное и диаметром 8 мм. Жмём значок «Создать». Это представлено на рисунке 12.

Рисунок 12 - Построение отверстия ø8

Затем строим два отверстия с зенковкой диаметром 6мм с метрической резьбой. Глубиной 15 мм. На боковых плоскостях детали «Прижим». После нажимаем «Создать». Всё представлено на рисунке 13.

Рисунок 13 - Построение отверстий с метрической резьбой

Затем на рисунке 14 выбираем верхнюю плоскость детали. Жмём «Эскиз».

Рисунок 14 - Плоскость детали «Прижим»

Создаём контур паза. Длинной 7 мм и шириной 15 мм. После этого нажимаем на значок «Вырезать выдавливание». Вырезаем паз на глубину 17 мм, рисунок 15. И после скругляем этот паз радиусом 8.

Рисунок 15 - Выдавливание паза

Далее делаем скругления для детали. Нажимаем на панели «Скругление». Выбираем грани, указываем радиус 3 и нажимаем «Создать». Процесс показан на рисунке 16.

Рисунок 16 - Построение скруглений

Делаем отверстия в призме детали. 2 отверстия диаметром 9 с метрической резьбой и глубиной 10 мм. Выставляем параметры, указываем места отверстий и жмём «Создать объект». На рисунке 17 представлен процесс создания.

Рисунок 17 - Построение отверстий М9

Далее в верхних плоскостях получившихся отверстий, строим ещё одни отверстия только диаметром 12, насквозь. Указываем параметры и жмём «Создать объект». Как показано на рисунке 18.

Рисунок 18 - Построение отверстий ø12

После этого необходимо создать пазы в получившихся отверстиях диаметром 12. Для этого выбираем нижнюю поверхность отверстия, как показано на рисунке 19. И нажимаем на значок «Эскиз».

Рисунок 19 - Выбор плоскости отверстия

Далее в эскизе создаем контур паза. Как представлено на рисунке 20.

Рисунок 20 - Построение контура паза

Далее нажимаем слева на панели на значок «Вырезать выдавливанием», и нажимаем «Создать». Как показано ниже на рисунке 21. И У нас получится паз, согласно чертежу. Так же проделываем этот процесс и для второго паза с другой стороны детали.

Рисунок 21 - Процесс вырезания выдавливанием паза

Далее производим фаски для детали «Прижим». Нажимаем элемент «Фаска». Выбираем грани, указываем параметры и нажимаем «Создать». Этот процесс показан на рисунке 22.

Рисунок 22 - Создание фасок

Деталь полностью окончена, рисунок 23.

Рисунок 23 - Законченная деталь «Прижим»

Потенциал Компаса 3D даёт создавать чертежи из детали. Это показано на рисунке 24.

Рисунок 24 - Построение чертежа из детали

Впоследствии нажатия на элемент «Создать чертеж из модели» оказываемся в рабочем окне чертежа. Там выбираем вид, масштаб, выставляем нужные размеры, указываем шероховатость и заполняем основную надпись. Пример чертежа представлен на рисунке 25.

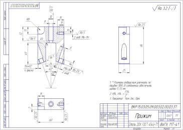
Рисунок 25 - Чертеж детали «Прижим»

2.3 Разработка каталога разнесённой сборки узла радиального нагружения


Воображаемые сборки порождаются для того, чтобы проверить разработку конструкторской документации порядком создания контрольных сборок или непосредственно в процессе проектирования конструкции.

Для того чтобы облегчить наглядность и восприятие сборки применяется разнесённый вид, в ком детали в пространстве расположены.

Процедура разнесения сборки производится по шагам. Раскрываем окно «Шаг разнесения» внизу на панели свойств и нажимаем значок «Добавить шаг».

Далее в дереве модели обозначаем компонент, кой необходимо разнести, нажимаем на переключатель «Компоненты» и выделяем «Пневмокамера». Показываем расстояние и направления разнесения компонента. Пример представлен на рисунке 27.

Рисунок 27 - Разнесение компонента

Нажимаем на «Создать» и деталь относится на необходимое расстояние. Пример изображен на рисунке 28.

Рисунок 28 - Создание модели

Затем так же размещаем компоненты под сборки. Пример представлен на рисунке 29.

Рисунок 29 -