Материал: Модернизация деревообрабатывающего продольно фрезерного станка С254АМ

Внимание! Если размещение файла нарушает Ваши авторские права, то обязательно сообщите нам

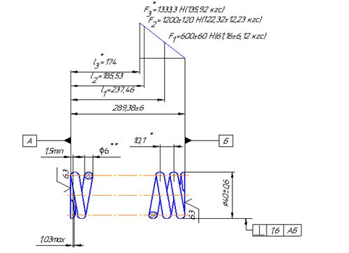
Расчёт пружины сжатия ведётся программой "КОМПАС - SPRING" компании АСКОН.

Результаты расчетов заносим в таблицу 3.3 (рисунок 3.3)

Таблица 3.3 - Результаты расчёта

Наименование показателя

Величина

Диаметр проволоки, мм.

6,00

Число витков

28,0

Длина пружины при рабочей деформации L2, мм.

185,5

Рабочий ход пружины Н, мм.

51,9

Коэффициент запаса

1,548


Рисунок 3.3 - Параметры пружины сжатия

 

Вал ведущий

Схема нагрузок на приводной вал в процессе работы (рисунок 3.4)

Рисунок 3.4 - Расчетная схема

Вертикальная плоскость:

Загружение первого пролета:

; (3.34)

,

где  м;  м;

 м;

-грузовые коэффициенты определяем согласно силовой схеме:

;

Загружение второго пролета:

; (3.35)

;

;

;

.

Суммарные опорные моменты:


Реакции опор в вертикальной плоскости:

Балка 0-1:

 (3.36)


Балка 1-2:

 (3.37)

Суммарные реакции в вертикальной плоскости:

;

;

.

Горизонтальная плоскость:

Загружение первого пролета

;

;

.

Загружение второго пролета:

Реакции опор в горизонтальной плоскости:

Балка 0-1:


Балка 1-2:


Суммарные реакции:

;

;

.

Результирующие реакции:


Изгибающие моменты в вертикальной плоскости:

;

;

.

Изгибающие моменты в горизонтальной плоскости:

;

;

.

Результирующие изгибающие моменты:

;

;


3.9 Проверка вала на выносливость

Напряжение изгиба и кручения:

; (3.38)

,

где изгибающий и крутящий моменты на валу,

=58 Мпа, =8,7 Мпа;

 момент сопротивления сечения вала изгибу, ;

 момент сопротивления сечения вала кручению, .

Коэффициенты концентрации напряжений в данном сечении (под подшипником):;

Пределы выносливости вала в данном сечении:

; (3.39)

Коэффициенты запаса прочности по нормальным и касательным напряжениям:

; (3.40)

,

где  амплитуда напряжений цикла:

;

;

 среднее напряжение цикла:

 


Общий коэффициент запаса прочности вала:

, (3.41)

где  - допускаемый запас прочности вала,  = 2

3.10 Кинематический расчет

Требуемая угловая скорость вращения вальца при скорости подачи U=7,5 м/мин:

, (3.42)

где U - скорость подачи , U=7,5 м/мин =0,125 м/с;

диаметр вальца, 180 мм.

Синхронная частота вращения вала двигателя:

 об/мин , (3.43)

где f - частота питающей сети, f=50 Гц;

Р - число пар полюсов, р=2.

Принимается электродвигатель 4А112М4/1445, N=5,5 кВт, n=1500 об/мин, КПД = 82 %

Требуемое передаточное число передачи:

; (3.44)

,

где

- угловая скорость вращения вала двигателя:

 рад/с (3.45)

Согласно полученным расчетам изображаем графически кинематическую схему привода ведущего вала (рисунок 3.6)

Рисунок 3.6 - Кинематическая схема: 1- частотный преобразователь; 2- электродвигатель; 3- муфта упругая втулочно-пальцевая; 4- цилиндрический редуктор; 5- звёздочка Z1=17; 6- цепь втулочно-роликовая Р=18,875; 7- звёздочка Z2=45; 8- зубчатое колесо Z1=25; 9- зубчатое колесо Z2=35; 10- подшипник; 11- валец

Разбивка передаточного числа:

На станке имеется цилиндрическая зубчатая передача:

 (3.46)

Имеется цепная передача:

 (3.47)

Принят редуктор с передаточным числом

Общее передаточное отношение привода:


Действительная угловая скорость вращения вальца:

; (3.48)

Действительная окружная скорость вращения вальца:

; (3.49)

Действительная частота вращения вальца:

 об/мин (3.50)

Требуемая частота вращения вальца:

 об/мин

Отношение действительной частоты вращения вальца к требуемой:

 (3.51)

Отсюда, требуемая частота тока при минимальной скорости подачи:

 Гц (3.52)

Отношение максимальной скорости подачи к минимальной:


Тогда требуемая частота тока при максимальной подаче:

 Гц

Отсюда получаем диапазон регулирования частотного преобразователя: 26,5 - 148,4 Гц., обеспечивающий минимальную и максимальную скорость подачи, но, учитывая скольжение двигателя S=3,7 %, окончательно получаем диапазон регулирования: 27,5 - 154 Гц.

 

4. Технологическая часть

 

.1 Описание конструкции

 

В данной контрольной работе представлена деталь вал, изготовленный из стали 45 ГОСТ 1050-88 (таблицы 4.1 - 4.2), которая считается одной из самых стойких конструкционно - углеродистых качественных сталей, так как она хорошо подвержена нормализации, улучшению и так же хорошо подвержена поверхностной термической обработке для повышения прочности и износостойкости поверхностного слоя металла. Данную сталь применяют для производства различных шестерен, бондажей, зубчатых реек, коленчатых и распределительных валов, шпинделей, фрикционных дисков, и еще множества других деталей не имеющих специальных требований к эксплуатации. Широко применяется сталь 45 в производстве режущих инструментов в качестве оправок и держателей.

Марка - 45;

Заменитель - 40Х, 50, 50Г2;

Классификация - сталь конструкционная углеродистая качественная.

Таблица 4.1 - Состав стали 45

С %

Si %

Mn %

S

P

Ni %

Cr %




% не более

% не более



0,40,5

0,170,37

0,50,8

0,045

0,045

0,30

0,30


Таблица 4.2 - Изначальные механические свойства материала

Марка Стали

Свойства после нормализации

НВ После отжига

СИ Мдж м2


sв

sО2

d

Y

НВ




Мпа

%




45

610

360

16

40

229

197

0,5

 

Сталь 45 ГОСТ 1050-88 является углеродистой доэвтектоидной сталью, значит для ее термообработки лучше применить улучшение, которое заключается в нагреве детали до температуры 820840 °С с последующим быстрым охлаждением и дальнейшим высокотемпературным отпуском. В результате термообработки деталь будет иметь повышенную твердость.

Середина вала остается вязкой, т.к. сталь 45 имеет прокаливаемость 1015 мин, а это обеспечит высокую ударную вязкость (при необходимости) и устойчивость вала к различным видам нагрузки. В результате термообработки изменяются свойства стали, которые приведены в таблице 4.3

Таблица 4.3

Механические свойства стали 45 после улучшения

Марка стали

sВ

sО2

d

y


МПа

%

45

800

650

16

50


В связи с особенностями конструкции деталь в разных местах будет иметь различные обоснованные квалитеты точности в соответствии с принятыми эксплуатационными особенностями.

Требования:

- качество изделия;

- технологичность;

-        соосность (очень высокая точность).

Описание изделия.

Деталь имеет в своем составе следующие поверхности:

1.  Наружная цилиндрическая поверхность валика:Ø45;Ø55;Ø44;Ø45.

2.      2 торца имеющие шероховатость 6,3 мкм.

.        3 фаски 1,5 х45°.

.        4 канавки с радиусами.

.        2 шпоночных паза 14х45х5,5.

.        На валу также находится четырехгранник 36мм.

Наиболее ответственными и точными являются наружные поверхности вала.

 

4.2 Анализ технологичности конструкции детали

Он оценивается по цеховой себестоимости изготовления детали (технологичность). Чем технологичнее деталь, тем ниже себестоимость ее изготовления.

В виду отсутствия экономических сведений оценка технологичности произведена (выполнена) по системе показателей, связанных с конструкцией детали.