Материал: Микроклимат в теплице

Внимание! Если размещение файла нарушает Ваши авторские права, то обязательно сообщите нам

Микроклимат в теплице

Введение

Система домашней автоматики «Умный дом» - это интеллектуальная система, в которой свет, кондиционеры, охранная сигнализация и электроприборы действуют в заданном согласованном режиме. Это гарантирует удобство управления и высокий уровень системы безопасности.

Управляйте светом во всём доме с любого удобного устройства, будь то настенный выключатель, сенсорная панель, компьютер или пульт дистанционного управления.

Термостат используется во многих устройствах бытовой и специальной техники. Универсальный четырех канальный таймер с функцией термостата может быть использовано в качестве системы управления отоплением дачи, дома, а также различными электроприборами. Это термостат, таймер, АЦП, часы реального времени.

Модуль позволяет поддерживать температуру, которая вам нужна именно в этот момент времени и день недели. "Электронный истопник" автоматически выберет самый выгодный источник энергии для текущего времени суток. Например, может в ночное время включать накопление энергии в тепловом аккумуляторе по дешевому тарифу, а среди недели будет поддерживать минимальную температуру, защищая дом от замерзания. Четыре цифровых датчика температуры можно использовать для управления по 12-ти каналам. Источник независимого питания восстановит работоспособность отопления после отключения сети 220.

1. ТЕОРЕТИЧЕСКИЙ РАЗДЕЛ

.1 Техническое задание

Основной задачей курсовой работы является разработка устройства для управления микроклиматом. С возможным применением в качестве системы управления микроклиматом в теплице. Устройство должно обеспечивать выполнение следующих функций:

Основные функции устройства

Управление по таймеру:

Включение нагрузки в определенном промежутке времени

Управление нагрузками по определенным дням недели, дням в месяце, или по выбранным месяцам.

Управление по температуре (термостатирование):

Управление в режиме охладителя

Управление в режиме нагревателя

Будильник звук + свет(подсветка дисплея).

Количество подключаемых датчиков температуры: 32.

Энергонезависимые часы реального времени (полный календарь с учетом високосных лет).

Сохранение всех настроек в энергонезависимой памяти. Продолжение правильной работы программы в случае временного отключения от сети.

Выходы:

- Оптоизолированный каскад для подключения силовых симисторов (опционально)

Логические выходы с максимальным током 10мА.

- Удаленное управление термостатом через СОМ - порт компьютера посредством специально разработанного ПО.

Возможность обновления внутреннего программного обеспечения новыми версиями

Индикация: 2-строчный 16 символьный LCD-дисплей с возможностью программного управления контрастностью и яркостью подсветки.

Звуковая индикация встроенным микро-динамиком.

.2 Анализ элементной базы

Для разработки данного устройства можно использовать следующие элементы элементной базы: Терморегулятор механический, аналоговый, цифровой, на МК. Таймер электромеханический, электронный. Рассмотрим виды терморегуляторов и их общее устройство.

Терморегулятор (термостат) - представляет собой автоматическое устройство и предназначен для точного поддержания температуры путём управления нагревательным или охладительным устройством объекта контроля.

Задаваемая пользователем установка и, выбранный при заказе термостата, алгоритм работы (нагрев или охлаждение) обеспечивают возможность управления нагревательными или охладительными установками.

Имеется встроенный датчик температуры.

Электронные терморегуляторы - имеют одно основное достоинство - высокий показатель определения и регулировки нагрева жилья. Они легко настраиваются и управляются подключенными к ним обогревателями. Состоит терморегулятор такого типа из:

определяющего нагрев воздуха датчика;

микропроцессора, обрабатывающего и передающего сигнал;

детали коммутации управления, которая в данном случае выполняет роль термореле.

Используют электронные терморегуляторы для комплектации общей отопительной системы промышленного здания и частного жилья, регулировки функционирования кондиционеров и климат контролей. Терморегуляторы такой конструкции зачастую входят в комплектацию системы «умный дом», в ней они следят не только за нагревом воздуха в доме, но и за количеством градусов в приборах, входящих в систему. Это необходимо для снижения вероятности образования пожара.

Электромеханические терморегуляторы

Электромеханические терморегуляторы по конструкции самые простые. Сердцем этого прибора является реле, оно осуществляет отключение и подключение приборов. Устройства такого типа устанавливаются в утюгах, электроплитках, плойках и других приборах для быта, которые меняют температуру своей поверхности или внутренних элементов.

Конструкция реле в этих приборах представляет собой группу контактов и двойную пластину из металла. При нагреве пластина меняет свое положение и размыкает контакты, это останавливает ход тока к пластине и спирали. При охлаждении пластина приходит в исходное положение и замыкает контакты. Данный цикл держит температуру на необходимом уровне.

Существует еще одна популярная разновидность механических терморегуляторов, они имеют немного иную конструкцию и принцип действия. Реле в данных приборах расширяется при воздействии высокой температуры. Данный терморегулятор устанавливают в нагревательных баках, масляных обогревателях. Реле в таком типе конструкции имеет форму цилиндра, заполненного чувствительной к повышению и понижению температуры субстанцией. При повышении температуры эта субстанция расширяется и размыкает контакты. Здесь присутствует специальный и сложный привод цепи. При охлаждении субстанция возвращается к исходному объему и контакты замыкаются.

Программируемые терморегуляторы

Программируемый или цифровой терморегулятор дает возможность достигать максимального комфорта.

Это наиболее совершенный вид оборудования, удобный в эксплуатации и практичный. Диапазон установочной температуры шире, чем у механических приборов и составляет 5-45 С. Это позволяет значительно увеличить сферу применения оборудования и уровень создаваемого им комфорта.

Основное отличие программируемого оборудования - возможность задать сложную отопительную программу, которая будет функционировать на протяжении нескольких дней или недель. При этом программа дает возможность задать различную последовательность смены температуры и контроля над ней на каждый день. Оборудован такой терморегулятор двумя датчиками, назначение первого - следить за нагревом помещения в целом, второго - за нагревом самого обогревателя. Программируемые приборы используют для оборудования систем «умный дом».

Выбирая, какой терморегулятор купить, нужно учитывать такие факторы:

условия внешнего климата;

качество теплоизоляции обогреваемого строения;

количество обогревателей в системе;

тип используемых приборов для обогрева.

Предназначенные для инфракрасных обогревателей регуляторы в состоянии поддерживать работу нескольких обогревателей, но их общая мощность не должна превышать отметку 3-3,5 кВт. Для цепей, превышающих это значение, используют встраиваемый магнитный пускатель, который перераспределяет нагрузку на разные устройства сети. Исходя из целей ВКР нам подходит термостат на основе микроконтроллера.

Таймер - прибор производственно-технического, военного или бытового назначения, в заданный момент времени <https://ru.wikipedia.org/wiki/%D0%9C%D0%BE%D0%BC%D0%B5%D0%BD%D1%82_%D0%B2%D1%80%D0%B5%D0%BC%D0%B5%D0%BD%D0%B8> выдающий определённый сигнал, либо включающий - выключающий какое либо оборудование через своё устройство коммутации электроцепи.

Электромеханический таймер предназначен для любого электроприбора. Таймер сам включит или выключит тот или иной прибор. Например, включит утром свет в теплице, а вечером выключит. Включит компрессор в нужное нам время. Электромеханические таймеры отличаются друг от друга наличием регулятора , позволяющем работать включенному в него электрическому прибору на прямую, минуя настройки самого таймера.

Недостатки механических таймеров в следующем:

. Заданная программа постоянна для каждого дня.

. При отключении электроэнергии в сети, таймер сбивается на тот отрезок времени, сколько не было питания.

. Некоторые модели тикают , как механический будильник.

. чаще выходят из строя, перестают вращаться ( видимо изнашивается механизм шестерней)

Электронные таймеры отличаются друг от друга в основном дизайном внешней формы и парой функций. Одни имеют функцию перехода на летне-зимнее время, другие функцию реагирования на движение ( включаются при приближении к прибору включенному в таймер). Электронные таймеры имеют собственные аккумуляторы, не дающие сбиваться настроенной программе при отключении электроэнергии в сети. Как только питание вновь появляется, таймер работает по заданной программе.

Недостатки электронных таймеров:

. внутренние аккумуляторы не вечны, и когда-то наступит время их полной выработки. Если Вам не удастся приобрести новые и заменить, таймер можно выбрасывать.

. как упоминалось выше, при отключении питания, мы не сможем воспользоваться подсказкой, как в случае с механическим таймером и узнать отключалась ли электроэнергия. Ведь таймер не сбивается, и не отстает на тот отрезок времени, пока не было питания.

Достоинства электронных таймеров:

. Программа может задаваться на каждый день своя. Например в течение рабочих дней включаться и выключаться приборы будут соответственно нашему графику занятости на работе ( учебе), а по выходным в другое время. Или вообще каждый день в разное время.

. Программа может выставляться на несколько дней. Например только на первую или вторую половину недели.

. Программа может выставляться через день.

. Программа может выставляться только на один любой день.

. По отношению к механическому таймеру, нет ни каких пластинок-рычажков, нет механизма шестерней и нет тиканья напоминающего будильник )

1.3 Анализ структурной схемы

Для осуществления заданных функций в устройства необходимо включить следующие элементы представленные на рисунке 1:

Микроконтроллер

Часы реального времени

Датчик влажности

Датчик температуры

COM- порт

Рисунок 1 - Структурная схема термостат

Описание структурной схемы:

- Напряжение питания, постоянное: 9…15 В.

Потребляемый ток, не более: 200 мА.

Количество подключаемых датчиков температуры: 4.

Количество каналов для управления нагрузкой: 4.

Наличие часов реального времени: есть, полный календарь.

Индикация: текстовая LCD 16*2.

Звуковая индикация: есть, микро-динамик.

Максимальное количество шагов программы: 32.

Диапазон температур термометра-терморегулятора: -55…+125 С.

Тип батареи резервного питания: литиевая (3 В)

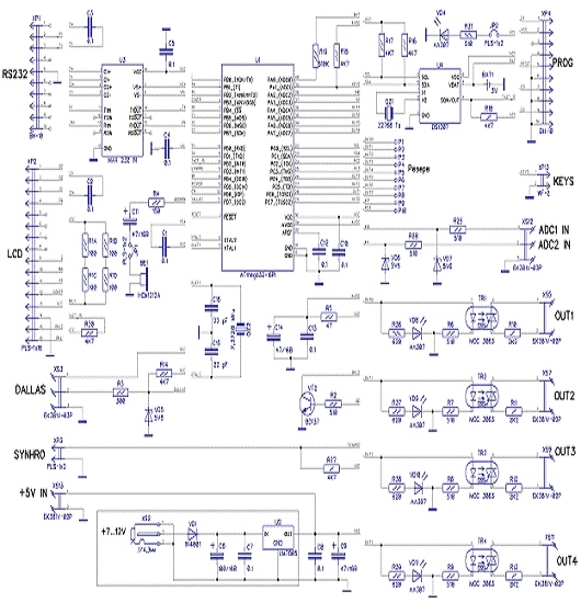
1.5 Принципиальная схема

Рисунок 2 - Принципиальная схема

Описание принципиальной схемы:

Термостат построен на основе микроконтроллера Atmel Mega32. К портам ввода-вывода подключены: текстовый двух строчный индикатор, микросхема часов реального времени DS1307, драйвер уровней MAX232IN, оптосимисторы TR1…TR4. Стабилизатор напряжения выполнен на микросхеме LM7805. К выходам XS5-XS12 подключаются силовые симисторы. Блок клавиатуры выполнен в виде отдельной платы. Код нажатой клавиши декодируется аналогово-цифровым преобразователем (АЦП) контроллера. Кроме того АЦП контролирует состояние батареи резервного питания для часов. Стабилизатор напряжения выполнен на микросхеме LM7805. Термодатчики DS18B20 подключаются через разъем XS3 по протоколу 1-wire. Регулировка яркости подсветки осуществляется с помощью транзисторного ключа. С помощью миниатюрного динамика, подключенного через развязывающий конденсатор и гасящий резистор к порту контроллера, устройство может подавать звуковые сигналы.

Работоспособность схемы обеспечивается внутренней программой микроконтроллера. При старте программа производит анализ шины 1 -wire и инициализирует «зарегистрированные» термодатчики в 12 битный режим термопреобразования. Далее инициализируются все остальные блоки (текстовый индикатор, порт RS232, часовая микросхема). После инициализации система переходит в режим основного цикла. В этом режиме происходит постоянная обработка обновляемой информации от часов, от датчиков, а так же производится опрос состояния кнопок управления. Кроме того, постоянно работает процесс, отвечающий за управление по таймеру.

1.6 Ведомость применяемости

Позиция

Номинал

Примечание

Кол.

R1

220 Ом / 0,5Вт

Красный, красный, коричневый

1

R2, R6...R9

510 Ом

Зеленый, коричневый, коричневый

5

R3

300 Ом

Оранжевый, черный, коричневый

1

R4

150 Ом

Коричневый, зеленый, коричневый

1

R5

47 Ом

Желтый, фиолетовый, черный

1

R10...R13

2,2кОм / 0,25Вт

Красный, красный, красный

4

R14...R18, R20...R25

4,7 кОм или 5,1 кОм

Желтый, фиолетовый, красный или зелёный, коричневый, красный

11

R19

1 МОм

Коричневый, черный, зеленый

1

C1...C5, C7, C8, С10, C12,C13

0,1 мкФ

Керамический конденсатор Обозначение 104

10

C6

100мкФ/16..25B

Электролитический конденсатор (0611)

1

C9, C11, С14

47мкФ/16..25B

Электролитический конденсатор (0511)

3

U1

См. Табл. 2

ЖКИ - индикатор

1

U2

7805

Стабилизатор напряжения (ТО-220)

1

U3

MAX232IN

Драйвер уровней (корпус PDIP-16)

1

U4

ATMega32-16PI

Микроконтроллер (корпус PDIP-40)

1

U5

DS1307N

Микросхема часов (корпус PDIP-8)

1

BE1

HCM1212A

Мини-динамик

1

ZQ1

QRZ 0.032768 KX-38 PBF

Кварцевый резонатор

1

Q1

BD137-16

Транзистор NPN

1

TR1, TR4

MOC3052

Оптосимистор (корпус DIP-6)

4

B1

BAT/HOLD BAT/HOLD.

Держатель батареи CR2032

1


CR2032

Батарея

1


DS18B20, DS1820

Датчик температуры

4

K1...K7

TS-A6PS-130

Кнопка тактовая

7

XS1

DRB-9MA

Разъем на плату угловой

1

XS2

DJK-07D

Разъем питания

1

XS3

ST-111

Разъем для датчиков температуры

1


SOCKET SCL DIP-40x2,54

Панелька для микроконтроллера

1

X6-X9

ED500V-2

Клеммник винтовой

4


DJK-11D

Штекер питания

1


NP-107

Штекер «стерео»

1



Шлейф 10 жил

30см


А8036

Плата печатная: -основная 123х82мм  -клавиатуры 123х24мм

 1 1