
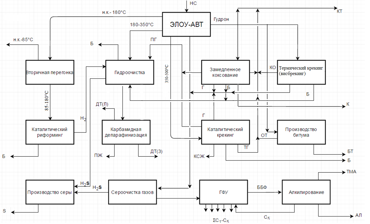
Рис. 1.2. Поточная схема НПЗ 1

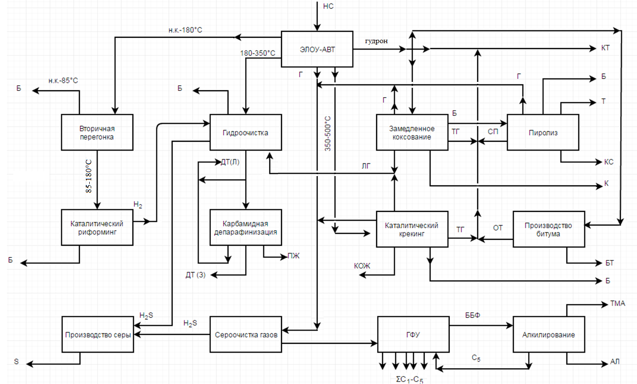
Рис. 1.3. Поточная схема НПЗ 2

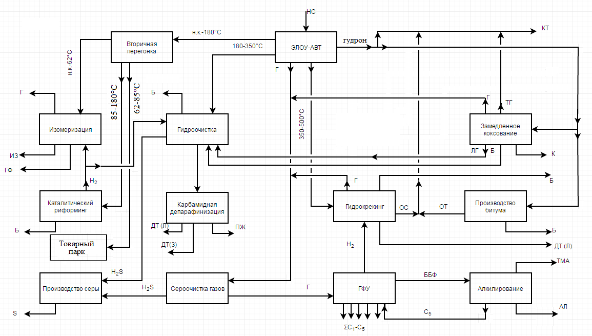
Рис. 1.4. Поточная схема НПЗ 3
Сокращенные наименования нефтепродуктов на поточных схемах НПЗ:
А – асфальт
Ал – алкилат
Б – бензиновая фракция
БНЗ – бензол
БТ – битум
Г – газ
ГС – газ стабилизации
ГФ – гексановая фракция
ДТ (З) – дизельное топливо зимнее
ДТ (Л) – дизельное топливо летнее
ИЗ – изомеризат
К – кокс
КО – крекинг-остаток
КСЖ – кокс сжигаемый
КТ – компонент котельного топлива
ЛГ – легкий газойль
НС – нефть сырая
ОС – остаток гидрокрекинга
ОТ – отгон битумный
ПЖ – парафин жидкий
S – сера
СГ – сухой газ
СП – смолы пиролизные
Т – толуол
ТГ – тяжелый газойль
ТМА – тяжелый мотоалкилат
ТУ – технический углерод
Исходя из выбранного задания: мощности НПЗ, количества получаемых на НПЗ котельных топлив, битума, технологической схемы НПЗ, составляется материальный баланс отдельных процессов, начиная с АВТ. Далее составляется материальный баланс процессов, сырьем для которых являются нефтяные фракции, полученные на АВТ.
Прежде чем приступить к составлению материального баланса на установках замедленного коксования (УЗК), термического крекинга (ТК) (висбрекинга), необходимо произвести распределение гудрона между технологическими потоками, согласно выданной технологической схеме НПЗ.
Гудрон, получаемый на АВТ, служит сырьем для получения битумов, сырьем для установок замедленного коксования и термического крекинга (висбрекинга), является компонентом котельных топлив.
Количество гудрона, идущего на получение битума, определяется из материального баланса установки производства битума, где количество получаемого битума известно из условия задания.
Количество гудрона, поступающего на установку термического крекинга (висбрекинга), принимается из условия, что
ГТК = (0,3 – 0,6)·КТ.
Для расчета количества гудрона, поступающего на установку замедленного коксования, составляются уравнения для КТ и ГАВТ. Совместным решением этих уравнений относительно ГЗК определяется количество гудрона, идущего на установку замедленного коксования. Количество гудрона, идущего для получения котельного топлива, определяется как разность между ГАВТ и ГЗК, ГПБ и ГТК:
ГАВТ – гудрон с ЭЛОУ-АВТ;
ГКТ – гудрон – компонент котельного топлива с ЭЛОУ-АВТ;
ГТК – гудрон, направляемый на установку термического крекинга;
ГЗК – гудрон, направляемый на установку замедленного коксования;
ГПБ – гудрон, направляемый на установку производства битумов.
Ниже приведены формулы расчета ГЗК и ГТК для поточных схем НПЗ топливного профиля.
Схема 1. Количество гудрона, идущего на установку термического крекинга (висбрекинга), определяется из условия
ГТК = (0,3 – 0,6)·КТ.
Далее рассчитывается количество гудрона, поступающего на установку замедленного коксования, и определяется, сколько гудрона отправляется для получения КТ.
ГАВТ = ГТК + ГЗК + ГПБ + ГКТ; отсюда ГКТ = ГАВТ – ГТК – ГЗК – ГПБ (2.1)
КТ = ГКТ + КОТК + ТГЗК + ОТПБ + ТГКК (2.2)
где КОТК – крекинг-остаток термического крекинга;
ГКТ – гудрон – компонент котельного топлива с ЭЛОУ-АВТ;
ТГЗК – тяжелый газойль установки замедленного коксования;
ТГКК – тяжелый газойль установки каталитического крекинга;
ОТПБ – отгон с установки производства битумов.
Учитывая, что ТГЗК=0,24 ГЗК и подставляя его в уравнение (2.2), решим относительно ГЗК.
КТ = ГАВТ – ГТК – ГЗК – ГПБ + КОТК + 0,24ГЗК + ОТПБ + ТГКК (2.3)
ГЗК = (ГАВТ – ГТК – КТ – ГПБ + КОТК + ОТПБ + ТГКК) / 0,76 (2.4)
ГКТ определяется по уравнению 2.1.
Схема 2. Составляем уравнения для расчета
ГАВТ = ГКТ + ГЗК + ГПБ ; отсюда ГКТ = ГАВТ – ГЗК – ГПБ (2.5)
КТ = ГКТ + ТГЗК + ОТПБ + ТГКК + СП (2.6)
где ГКТ – гудрон – компонент котельного топлива с ЭЛОУ-АВТ;
ТГЗК – тяжелый газойль установки замедленного коксования;
ТГКК – тяжелый газойль установки каталитического крекинга;
ОТПБ – отгон с установки производства битумов;
СП – смола пиролиза.
Учитывая, что СП = 0,23·БЗК, а БЗК=0,15·ГЗК, получим СП = 0,15·0,23·ГЗК, где БЗК – бензин замедленного коксования.
Так как ТГЗК= 0,24·ГЗК, подставляя эти значения в уравнение (2.6) и решив его относительно ГЗК, получим
КТ = ГАВТ – ГЗК – ГПБ + 0,24ГЗК + ОТПБ + ТГКК + 0,15·0,23· ГЗК (2.7)
ГЗК = (ГАВТ – КТ – ГПБ + ОТПБ + ТГКК) / 0,7255 (2.8)
ГКТ определяется по уравнению 2.5.
Схема 3. Составляем уравнения для расчета
ГАВТ = ГКТ + ГЗК + ГПБ; отсюда ГКТ = ГАВТ – ГЗК – ГПБ (2.9)
КТ = ГКТ + ТГЗК + ОТПБ + ОСГК (2.10)
где ГКТ – гудрон – компонент котельного топлива с ЭЛОУ-АВТ;
ТГЗК – тяжелый газойль установки замедленного коксования;
ОТПБ – отгон с установки производства битумов;
ОСГК – остаток гидрокрекинга.
Учитывая, что ТГЗК= 0,24ГЗК, подставим его в уравнение выше и решаем его относительно ГЗК, получим
КТ = ГАВТ – ГЗК – ГПБ + 0,24ГЗК + ОТПБ (2.11)
ГЗК = (ГАВТ – КТ – ГПБ + ОТПБ + ОСГК) / 0,76 (2.12)
ГКТ определяется по уравнению 2.9.
Определяется количество каждого товарного нефтепродукта, получаемого на НПЗ, и общезаводские потери. Далее составляется итоговый баланс НПЗ и рассчитываются показатели:
сумма светлых нефтепродуктов определяется как сумма продуктов – бензина, реактивного и дизельного топлив;
соотношение ДТ/Б;
доля деструктивных процессов рассчитывается как отношение загрузки установок деструктивных процессов к загрузке всего НПЗ;
доля гидрокаталитических процессов рассчитывается как отношение загрузки установок гидрокаталитических процессов к загрузке всего НПЗ;
фактическая глубина переработки нефти рассчитывается как суммарный выход в % на нефть всех нефтепродуктов, кроме непревращенного остатка (котельное топливо), топлива на нужды предприятия (сухой газ) и потерь.
.
Исходные данные: мощность НПЗ – 10 млн тонн в год, количество котельных топлив, получаемых на НПЗ – 10 %, битумов – 5 % на перерабатываемую нефть.
Решение: Принимаем технологическую схему НПЗ, указанную на рисунке 1.2. Составим материальный баланс отдельных процессов в тоннах, начиная с АВТ.
Таблица 3.1
Материальный баланс установки АВТ
|
Наименование |
% |
Тонн в год |
|
Взято: - обезвоженной и обессоленной нефти |
100,0 |
10000000 |
|
Итого: |
100,0 |
10000000 |
|
Получено: - сухого газа - головки стабилизации - фракции (н.к. – 180 °С) - фракции (180 – 350 °С) - фракции (350 – 500 °С) - фракции (выше 500 °С) - потерь |
0,1 0,9 18,6 26,0 24,9 28,8 0,7 |
10000 90000 1860000 2600000 2490000 2880000 70000 |
|
Итого: |
100,0 |
10000000 |
Далее составляем материальный баланс процессов, сырьем для которых являются нефтяные фракции, полученные на АВТ.
Таблица 3.2
Материальный баланс установки вторичной перегонки бензина
|
Наименование |
% |
Тонн в год |
|
Взято: - фракции (н.к.–180 °С) |
100,0 |
1860000 |
|
Итого: |
100,0 |
1860000 |
|
Получено: - фракции (н.к.–85 °С) - фракции (85–180 °С) - потерь |
25,4 73,9 0,7 |
472440 1374540 13020 |
|
Итого: |
100,0 |
1860000 |
Для составления материального баланса установки замедленного коксования необходимо произвести распределение гудрона между технологическими потоками, согласно выбранной технологической схеме НПЗ (рис. 1.2). Гудрон, получаемый на АВТ, служит сырьем для производства битумов, сырьем для процесса замедленного коксования, процесса термического крекинга, является компонентом котельного топлива. В соответствии с заданием выбранная технологическая схема НПЗ должна обеспечить получение битумов и котельных топлив соответственно в объеме 5 и 10 % на перерабатываемую нефть.
Таблица 3.3
Материальный баланс установки каталитического риформинга
|
Наименование |
% |
Тонн в год |
|
Взято: - фракции (85–180°С) |
100,0 |
1374540 |
|
Итого: |
100,0 |
1374540 |
|
Получено: - дебутанизированного бензина - водородосодержащего газа, (в т.ч. водорода) - головки стабилизации - потерь |
84,5 11,0 (0,8) 4,0 0,5 |
1161486,3 151199,4 (10996,3) 54981,6 6872,7 |
|
Итого: |
100,0 |
1374540 |
Количество водорода, получаемого на установке каталитического риформинга (0,8%) рассчитывается от количества сырья установки.