Материал: Лекція 4 у оп

Внимание! Если размещение файла нарушает Ваши авторские права, то обязательно сообщите нам

Лекція 4:

Тема: Методологія функціонального моделювання SADT. Склад функціональної моделі, ієрархія діаграм, типи зв'язку між функціями.

План:

1.Методологія SADT

2.Склад функціональної моделі

3.Ієрархія діаграм

4.Тіпі зв'язків між функціями

Методологія SADT є сукупністю методів, правил і процедур, призначених для побудови функціональної моделі об'єкту якої-небудь наочної області. Функціональна модель SADT відображає функціональну структуру об'єкту, тобто дії і зв'язки між цими діями. Основні елементи цієї методології грунтуються на концепціях:

графічне представлення блокового моделювання;

строгість і точність.

Правила SADT включають:

обмеження кількості блоків на шкіряному рівні декомпозиції;

зв'язність діаграм (номери блоків);

унікальність найменувань;

синтаксичні правила для графіки (блоків і дуг);

розділення входів і управлінь (правило визначення ролі даних).

відділення організації від функції.

Методологія SADT використовується для моделювання широкого кола систем і визначення вимог і функцій.

Склад функціональної моделі

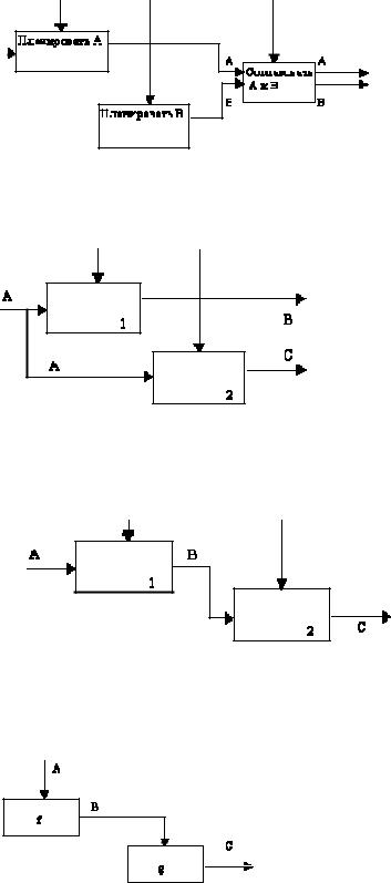
Результатом застосування методології SADT є модель, яка складається з діаграм, фрагментів текстів і глосарія, що мають посилання один на одного. Діаграми - головні компоненти моделі, всі функції ІС і інтерфейси на них представлені як блоки і дуги. Місце з'єднання дуги з блоком визначає тип інтерфейсу. Інформація, що управляє, входить в блок зверху, тоді як інформація, яка піддається обробці, показана з лівого боку блоку, а результати виходу показані з правого боку. Механізм (людина або автоматизована система), який здійснює операцію, представляється дугою, що входить в блок знизу

(мал.1).

Однією з найбільш важливих особливостей методології SADT є поступове введення все більших рівнів деталізації у міру створення діаграм, що відображають модель.

Мал. 1. Функціональній блок і інтерфейсні дуги

На малюнку 2, де приведене чотири діаграми і їх взаємозв'язки, показана структура SADTмодели. Кожен компонент моделі може бути декомпозирован на іншій діаграмі. Кожна діаграма ілюструє "внутрішню будову" блоку на батьківській діаграмі.

Ієрархія діаграм

Побудова SADT-модели починається з представлення всієї системи у вигляді простої компоненти - одного блоку і дуг, що зображають інтерфейси з функціями поза системою. Оскільки єдиний блок представляє всю систему як єдине ціле, ім'я, вказане в блоці, є загальним. Це вірно і для інтерфейсних дуг - вони також представляють повний набір зовнішніх інтерфейсів системи в цілому.

1

Потім блок, який представляє систему як єдиний модуль, деталізує на іншій діаграмі за допомогою декількох блоків, сполучених інтерфейсними дугами. Ці блоки представляють основні підфункції початкової функції. Дана декомпозиція виявляє повний набір підфункцій, кожна з яких представлена як блок, межі якого визначені інтерфейсними дугами. Кожна з цих підфункцій може бути декомпозирована так само для детальнішого уявлення.

У всіх випадках кожна підфункція може містити тільки ті елементи, які входять в початкову функцію. Крім того, модель не може опустити які-небудь елементи, тобто, як вже наголошувалося, батьківський блок і його інтерфейси забезпечують контекст. До нього не можна нічого додати, і з нього не може бути нічого видалено.

Модель SADT є серією діаграм з супровідною документацією, що розбивають складний об'єкт на складові частини, які представлені у вигляді блоків. Деталі кожного з основних блоків показані у вигляді блоків на інших діаграмах. Кожна детальна діаграма є декомпозицією блоку з більш загальної діаграми. На шкіряному кроці декомпозиції більш загальна діаграма називається батьківською для детальнішої діаграми.

Дуги, що входять в блок і виходять з нього на діаграмі верхнього рівня є точно тими ж самими, що і дуги, що входять в діаграму нижнього рівня і виходять з неї, тому що блок і діаграма представляють одну і ту ж частину системи.

Мал.2. Структура SADTмодели. Декомпозіція діаграм

На малюнках 3 - 5 представлені різні варіанти виконання функцій і з'єднання дуг з блоками.

Мал. 3. Одночасне виконання

2

Мал.4. Відповідність повинна бути повною і несуперечливою

Деякі дуги приєднані до блоків діаграми обома кінцями, у інших один кінець залишається неприєднаним. Непрієднані дуги відповідають входам, управлінням і виходам батьківського блоку. Джерело або одержувач цих прикордонних дуг може бути виявлений тільки на батьківській діаграмі. Непрієднані кінці повинні відповідати дугам на початковій діаграмі. Всі граничні дуги повинні продовжуватися на батьківській діаграмі, щоб вона була повною і несуперечливою.

На SADT-диаграммах не вказані явно ні послідовність, ні година. Зворотні зв'язки ітерації, процеси, що продовжуються і функції, що перекриваються (за годиною), можуть бути зображені за допомогою дуг. Зворотні зв'язки можуть виступати у вигляді коментарів, зауважень, виправлень і так далі

(мал.5).

Мал.5. Приклад зворотного зв'язку

Механізми (дуги з нижнього боку) показують засоби, за допомогою яких здійснюється виконання функцій. Механізм може бути людиною, комп'ютером або будь-яким іншим пристроєм, який допомагає виконувати дану функцію (мал.6).

Мал. 6. Приклад механізму

3

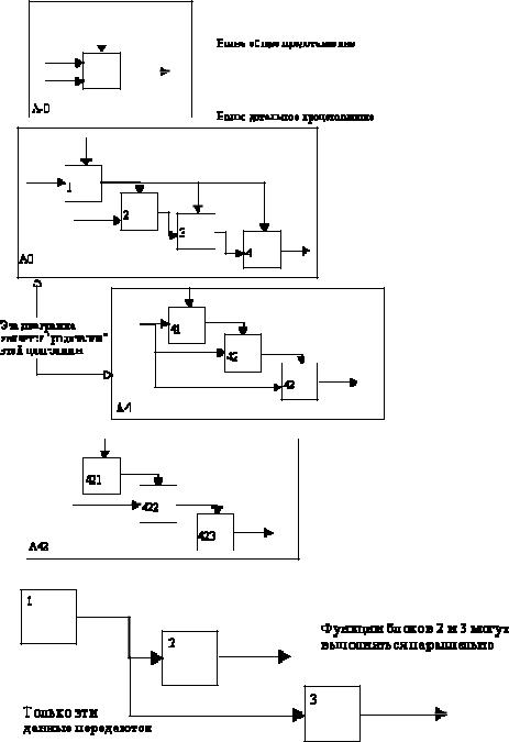
Кожен блок на діаграмі має свій номер. Блок будь-якої діаграми може бути далі описаний діаграмою нижнього рівня, яка, у свою чергу, може бути далі деталізована за допомогою необхідного числа діаграм. Таким чином, формується ієрархія діаграм.

Для того, щоб вказати положення будь-якої діаграми або блоку в ієрархії, використовуються номери діаграм. Наприклад, А21 є діаграмою, яка деталізує блок 1 на діаграмі А2. Аналогічно, А2 деталізує блок 2 на діаграмі А0, яка є самою верхньою діаграмою моделі. На мал. 7 показано типове дерево діаграм.

Мал.7. Ієрархія діаграм

Типи зв'язків між функціями

Одним з важливих моментів при проектуванні ІС за допомогою методології SADT є точна узгодженість типів зв'язків між функціями. Розрізняють принайми сім типів скріплення:

Тип зв'язку

Випадкова

Логічна

Тімчасова

Процедурна

Комунікаційна

Послідовна

Функціональна

(0) Тип випадкової зв'язності: найменш бажаний.

Випадкова зв'язність виникає, коли конкретний зв'язок між функціями малий або повністю відсутній. Це відноситься до ситуації, коли імена даних на SADT-дугах в одній діаграмі мають малий зв'язок один з одним. Крайній варіант цього випадку показаний на малюнку 8.

Мал. 8. Випадкова зв'язність

(1) Тип логічної зв'язності. Логічне скріплення відбувається тоді, коли дані і функції збираються разом унаслідок того, що сморід потрапляють в загальний клас або набір елементів, але необхідних функціональних відносин між ними не виявляється.

4

(2)Тип тимчасової зв'язності. Зв'язані за годиною елементи виникають унаслідок того, що представляють функції, зв'язані в часі, коли дані використовуються одночасно або функції включаються паралельно, а не послідовно.

(3)Тип процедурної зв'язності. Процедурно-зв'язані елементи з'являються згрупованими разом

унаслідок того, що вони виконуються протягом однієї і тієї ж частини циклу або процесу. Приклад процедурно-зв'язаної діаграми приведений на мал.9.

Мал.9. Процедурна зв'язність

(4) Тип комунікаційної зв'язності. Діаграми демонструють комунікаційні зв'язки, коли блоки групуються унаслідок того, що використовують одні і ті ж вхідні дані і/або проводять одні і ті ж вихідні дані

(мал.10).

Мал.10. Комунікаційна зв'язність

(5) Тип послідовної зв'язності. На діаграмах, що мають послідовні зв'язки, вихід однієї функції служить вхідними даними для наступної функції. Зв'язок між елементами на діаграмі є тіснішим, ніж на розглянутих вище рівнях зв'язок, оскільки моделюються причинно-наслідкові залежності (мал.11).

Мал.11. Послідовна зв'язність

(6) Тип функціональної зв'язності. Діаграма відображає повну функціональну зв'язність, за наявності повної залежності однієї функції від іншої. Діаграма, яка є чисто функціональною, не містить чужорідних елементів, що відносяться до послідовного або слабкішому типу зв'язності. Одним із способів визначення функціонально-зв'язаних діаграм є розгляд двох блоків, зв'язаних через дуги, що управляють, як показано на мал. 12.

Мал.12. Функціональна зв'язність

У математичних термінах необхідна умова для простого типу функціональної зв'язності, показаної на мал. 12, має наступний вигляд:

C = g(B)= g(f(A))

5