Материал: lect16_m5_vt_vt_cos_

Внимание! Если размещение файла нарушает Ваши авторские права, то обязательно сообщите нам

 

 

 

 

 

 

 

 

 

 

 

 

 

 

 

 

 

 

 

 

 

 

 

 

 

 

 

 

 

 

 

 

 

 

 

 

 

 

Лекция 16.

 

 

 

 

 

 

 

 

 

 

 

 

 

 

 

 

 

 

 

 

 

 

Билинейные БИХфильтры.

 

 

 

 

 

 

 

 

 

 

 

 

 

 

 

 

 

 

 

 

 

 

 

Билинейное Z

- преобразование.

 

 

H p H z

 

 

 

 

 

 

 

 

 

 

 

 

 

 

 

 

 

 

 

 

 

 

 

 

 

z ept ,

p

1

lnz

 

 

 

 

 

 

 

 

 

 

 

 

 

 

 

 

 

 

 

 

 

 

 

 

 

 

 

 

 

 

 

 

 

 

 

 

 

 

 

 

 

 

 

 

 

 

 

 

 

 

 

 

 

 

 

 

 

 

 

 

t

 

 

 

 

 

 

 

 

 

 

 

 

 

 

 

 

 

 

 

 

 

 

 

 

 

 

 

 

 

 

 

 

 

x3

x5

 

z 1

 

 

 

 

 

 

 

 

 

 

 

 

 

 

 

 

 

 

 

lnz

2 x

 

 

 

 

 

 

 

, где x

 

 

 

.

 

 

 

 

 

 

 

 

 

 

 

 

 

 

 

 

 

 

 

2

 

 

 

z 1

 

 

 

 

 

 

 

 

 

 

 

 

 

 

 

 

 

 

 

 

 

 

 

 

 

 

 

 

 

4

 

 

 

 

 

 

 

 

 

 

 

 

 

 

 

 

 

 

 

 

Ограничимся первым членом разложения

 

 

 

 

 

 

 

 

 

 

 

 

 

 

 

 

 

 

p

2 z 1

 

 

21 z 1

 

 

 

 

 

 

 

 

 

 

 

 

 

 

 

 

 

 

 

 

 

 

 

 

 

 

 

 

 

 

 

 

 

 

 

 

 

 

 

 

 

 

 

 

 

 

 

 

 

 

 

 

 

 

 

 

 

 

t z 1

 

t 1 z 1

 

 

 

 

 

 

 

 

 

 

 

 

 

 

 

 

 

 

 

 

 

 

 

 

 

 

 

 

 

 

 

 

 

 

 

 

 

 

 

 

 

 

 

 

 

 

 

 

Билинейное преобразование искажает частотную шкалу:

 

 

 

 

 

 

 

 

 

Рассмотрим соответствие ц

А :

 

 

 

 

 

 

 

 

 

 

 

 

 

 

 

 

 

 

 

 

 

 

 

 

 

 

 

 

 

 

 

 

 

 

 

 

 

 

Стандартное Z

- преобразование

 

Билинейное Z

- преобразование

 

 

 

 

 

 

 

 

 

 

 

 

 

 

 

 

 

 

 

 

 

 

 

 

 

 

 

 

 

p

1

lnz

 

 

 

 

 

 

 

 

 

 

 

 

 

 

 

 

 

 

2 ei цT 1

2

 

цT

 

 

 

 

 

 

 

 

 

 

 

 

 

 

 

 

 

 

 

 

 

 

t

 

 

 

 

 

 

 

 

 

 

 

 

 

 

 

 

 

i A

 

T

 

ei цT 1

 

...

T

itg

2

 

 

 

 

1

 

lne

i цT

 

 

 

 

 

 

 

 

 

 

2

 

 

 

цT

 

 

 

 

 

 

 

 

 

i A

 

 

 

 

 

 

 

 

 

 

 

 

 

 

 

 

A

 

tg

, т.е. весь отрезок А 0;

отображается в ц

0;

T

 

 

 

 

 

 

 

 

 

 

 

 

 

 

 

 

 

 

 

 

 

 

 

 

 

 

 

 

 

 

 

 

A ц

 

 

 

 

 

 

 

 

 

 

 

 

 

 

 

 

 

 

 

T

2

 

 

 

 

 

 

 

 

 

 

 

 

 

 

 

 

 

 

 

 

 

 

 

 

 

 

 

 

 

 

 

 

 

 

 

 

 

 

 

 

 

 

 

 

 

 

 

 

 

 

 

 

 

 

 

 

 

 

 

 

 

 

 

 

 

 

 

 

 

 

 

 

 

 

 

 

 

 

 

 

 

 

Таким образом, если не бояться искажения, то процесс проектирования билинейного фильтра сводится к преобразованию передаточной функции аналогового прототипа в передаточную функцию цифрового фильтра.

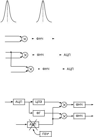
14. Снятие сигнала с несущей (использование фильтра Гильберта).

sв sp

0

 

 

 

 

 

 

 

 

f0 f0 fi

 

 

 

 

cos 0 i

t

 

 

 

 

 

 

i

 

 

 

 

 

 

 

 

 

 

 

 

cos 0t

 

 

 

 

 

 

 

 

 

 

 

 

 

 

 

 

 

 

 

 

 

 

 

 

 

 

 

 

 

 

 

 

 

 

 

Sp

 

 

 

 

 

 

 

 

 

 

 

cos it

 

 

 

 

 

 

 

 

 

 

 

 

 

 

 

 

 

 

 

 

 

 

 

 

 

 

 

 

 

 

 

 

 

 

cos 0t

 

 

 

 

 

 

 

 

 

 

 

 

 

 

 

 

 

 

 

 

 

 

 

 

 

 

 

 

 

 

 

 

 

 

 

sin 0t

 

 

 

 

 

 

 

sin it

 

 

 

 

 

 

 

 

 

 

 

 

 

 

 

 

 

 

 

 

 

 

 

 

 

 

 

 

 

 

 

 

 

 

 

 

 

 

 

 

 

 

От схемы требуется:

Прямоугольность сигнала 0

Большая идентичность канала

Scos

 

Sвcos

p

 

 

Ssinp

Sвsin

 

 

cos 0t cos 0nT

1

© Дорошенко Е., Подкопаев И.