Материал: ЛБ 5. Характеристики трёхфазного синхронного генератора

Внимание! Если размещение файла нарушает Ваши авторские права, то обязательно сообщите нам

МИНИСТЕРСТВО НАУКИ И ВЫСШЕГО ОБРАЗОВАНИЯ РОССИЙСКОЙ ФЕДЕРАЦИИ

Федеральное государственное автономное образовательное учреждение высшего образования

«НАЦИОНАЛЬНЫЙ ИССЛЕДОВАТЕЛЬСКИЙ ТОМСКИЙ ПОЛИТЕХНИЧЕСКИЙ УНИВЕРСИСТЕТ»

Инженерная школа энергетики

Отделение электроэнергетики и электротехники

Лабораторная работа №5

ИССЛЕДОВАНИЕ ХАРАКТЕРИСТИК ТРЁХФАЗНОГО СИНХРОННОГО ГЕНЕРАТОРА

Исполнитель:

студент группы

5А8Д

Нагорнов А.В.

Руководитель:

к.т.н., Доцент ОЭЭ

Гирник А. С.

Томск 2020

Цель работы: Изучить конструкции и принцип действия синхронного генератора; приобрести практические навыки определения характеристик; на основании опытов получить подтверждение теоретическим сведениям о синхронных генераторах.

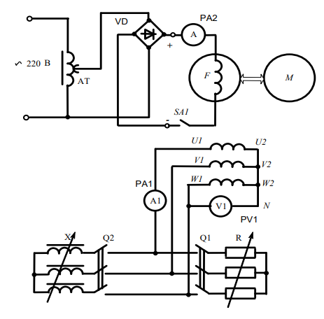
Схема:

Рисунок 1 – Электрическая схема для исследования синхронного генератора

Ход работы:

1. Характеристика холостого хода.

Зависимость ЭДС E генератора от тока возбуждения при отсутствии тока нагрузки ( ) и неизменной частоте вращения ротора (n = const) называют характеристикой холостого хода .

Опыт проводят по схеме рис. 1 при разомкнутой цепи нагрузки.

Результаты исследования внесём в таблицу 1.

Таблица 1

№ опыта

Е

I f

I f  I f

Примечание

В

А

А

1

2

3

4

5

6

7

127

110

95

70

50

30

0

0.67

0.55

0.45

0.35

0.25

0.15

0

0.77

0.65

0.55

0.45

0.35

0.25

0.1

ЕОС =0 , В

I f =0,1, А

I f 0 =0,65, А

Строим характеристику холостого хода, как .

Рисунок 2 – Характеристика холостого хода

2. Нагрузочная характеристика.

Зависимость напряжения U на клеммах обмотки якоря генератора от тока возбуждения при неизменной величине тока нагрузки (I = const), неизменном характере нагрузки ( ) и неизменной частоте вращения ротора (n = const) называют нагрузочной характеристикой .

Для определения такой характеристики подключают к СГ индуктивную нагрузку Х.

Таблица 2

№ опыта

U

I f

Примечание

В

А

1

2

3

127

115

110

0.85

0.75

0.65

IН =0.5, А

Производим построение нагрузочной характеристики в одних осях координат с характеристикой холостого хода в масштабе 5:1.

Рисунок 3 – Характеристики ХХ и НГ

3. Внешние характеристики.

Зависимость напряжения U на зажимах якоря генератора от тока нагрузки I (тока обмотки якоря) при неизменной величине тока возбуждения , неизменном характере нагрузки ( ) и неизменной частоте вращения ротора (n = const) называют внешней характеристикой .

Внешняя характеристика для случая cos 0 определяется при подключении к генератору реактивной нагрузки Х.

Результаты исследования запишем в таблицу 3.

Таблица 3

№ опыта

cos  0

Примечание

I

U

А

B

1

2

3

4

5

1

0.8

0.3

0.2

0

130

135

155

160

175

IН = 1 , А

По внешним характеристикам находим процентное увеличение напряжения при сбросе нагрузки:

Построим зависимость внешних характеристик:

Рисунок 4 – Внешние характеристики

4. Регулировочные характеристики.

Зависимость тока возбуждения генератора от тока якоря генератора при неизменном напряжении на клеммах обмотки якоря , неизменном характере нагрузки ( ) и неизменной частоте вращения ротора (n = const) называют регулировочной характеристикой .

Регулировочная характеристика показывает, как нужно регулировать ток возбуждения генератора при изменении тока нагрузки, чтобы напряжение генератора оставалось неизменным по величине.

В таблицу 4 запишем результаты исследования, по которым построим регулировочную характеристику.

Таблица 4

№ опыта

cos  0

Примечание

I

I f

А

А

1

2

3

4

0

0.15

0.3

0.9

0.65

0.75

0.85

0.95

UH = 127, В

I f 0 0.65, А

cos  1

I f  0.1 о.е.

cos  0

I f  0.461, о.е.

По регулировочным характеристикам определим относительное изменение тока возбуждения, необходимое для поддержания напряжения на клеммах обмотки якоря при переходе от холостого хода к номинальной нагрузке:

о.е.

Строим график регулировочной характеристики:

Рисунок 5 – Регулировочные характеристики

5. Характеристики короткого замыкания.

Зависимость тока якоря генератора от тока возбуждения генератора при неизменной частоте вращения ротора генератора , и при напряжении на клеммах обмотки якоря равном нулю, называют характеристикой короткого замыкания IK f (I f ).

При проведении опытов КЗ, будем изменять электрические схемы обмотки якоря генератора.

Рисунок 6 – Электрические схемы обмотки якоря опытов короткого замыкания:

а – трёхфазного, б – двухфазного, в – однофазного

Таблица 5

№ опыт а

3-х фазное

2-х фазное

1 - фазное

Примечание

Iк3

I f

Iк2

I f

Iк1

I f

А

А

А

А

А

А

1

2

3

0.4

0.7

1

0.15

0.25

0.32

0.3

0.6

1

0.07

0.12

0.2

0.5

0.7

1

0.05

0.1

0.13

IH  , А

Построим характеристики короткого замыкания в одних осях.

Рисунок 7 – Характеристики КЗ

Анализ полученных результатов:

ХХ: Полученная характеристика холостого хода является неполной, так как представляет собой только часть петли гистерезиса. Данная характеристика нелинейная из-за присутствующих потерь напряжения.

Чтобы сделать вывод о степени насыщения магнитной цепи, необходимо продлить линейный участок зависимости: чем ближе нелинейная часть к продолжению линейного участка, тем меньше насыщение цепи. Нормальный коэффициент насыщения .

Если коэффициент насыщения Kμ будет меньше 1.2, это будет значить, что машина будет не насыщена. Если Kμ > 1.35, то машина перенасыщена, у ней большое магнитное сопротивление, машина будет греться при работе.

НГ: Нагрузочная активно-индуктивная характеристика располагается ниже характеристики холостого хода вследствие двух причин: 1) падение напряжения, 2) размагничивающее действие реакии якоря при индуктивной нагрузке.