Материал: Лабораторная работа №2

Внимание! Если размещение файла нарушает Ваши авторские права, то обязательно сообщите нам

Компьютерная лабораторная работа ТЕХНИЧЕСКИЕ АСПЕКТЫ КОМПЕНСАЦИИ ТОКОВ ОДНОФАЗНЫХ ЗАМЫКАНИЙ НА ЗЕМЛЮ С ПОМОЩЬЮ ДУГОГАСЯЩИХ

РЕАКТОРОВ

ПРЕДВАРИТЕЛЬНЫЕ СВЕДЕНИЯ

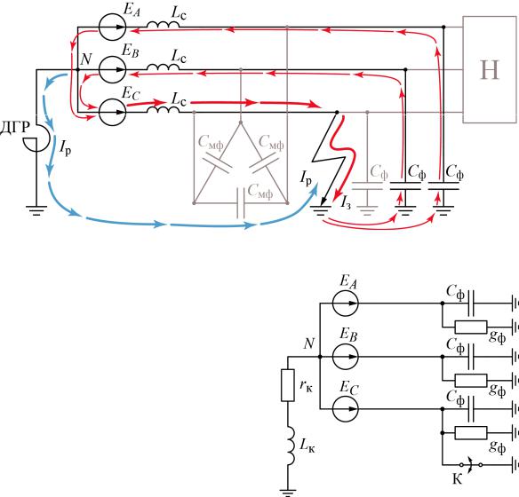
Дугогасящие реакторы (ДГР) представляют собой регулируемые катушки индуктивности, подключаемые к нейтральной точке распределительной сети. Впервые применение ДГР было предложено в 1917 г. немецким ученым Вальдемаром Петерсеном, поэтому ДГР часто называют катушкой Петерсена. При возникновении в сети однофазного замыкания на землю (ОЗЗ) ДГР ограничивает ток в месте замыкания, так как создаваемый им индуктивный ток компенсирует емкостную составляющую первой гармоники тока замыкания. Схематически это показано на рис. 1.

Рис. 1. Пути протекания тока ОЗЗ в сети с ДГР

Ток замыкания имеет емкостную составляющую IС, протекающую по фазным емкостям неповрежденных фаз Cф, и индуктивную составляющую Iр, протекающую через ДГР. Серым цветом на рис. 1 показаны элементы схемы замещения, не обтекаемые токами, связанными с ОЗЗ: фазная емкость поврежденной фазы С, междуфазные емкости Смф, и нагрузка Н.

Ток в месте замыкания можно оценить с помощью схемы рис. 2, на Рис. 2. Схема замещения сети с ДГР

1

которой ДГР замещен индуктивностью Lк и активным сопротивлением rк, и, помимо фазных емкостей Cф, показаны также активные проводимости сети на землю gф, обусловленные утечками по изоляторам, диэлектрическими потерями в кабелях, потерями на намагничивание магнитопроводов трансформаторов напряжения контроля изоляции (ТНКИ). При замыкании ключа К на нейтральной точке сети N появляется напряжение смещения нейтрали, равное фазному напряжению сети Uф, и остаточный ток в месте замыкания Iост можно представить в виде суммы тока реактора Iр и тока ОЗЗ для сети без ДГР Iз:

 

 

 

 

 

 

 

 

 

 

Iост Iр Iз,

 

 

 

 

 

 

 

 

 

 

 

(1)

где Iз 3 gф jωCф Uф;

Iр

 

 

Uф

 

 

r

jωL

 

Uф.

 

 

 

 

 

 

 

 

 

 

 

 

 

к

 

 

к

 

 

 

 

 

 

 

rк jωLк

r

2

ωL

2

 

 

 

 

 

 

 

 

 

 

 

 

 

 

 

 

 

 

 

к

 

к

 

 

 

 

 

 

 

 

 

 

Обычно активное сопротивление реактора rк составляет несколько

процентов от его индуктивного сопротивления ωL , поэтому

r2

ωL

2 ,

и формула (1) приобретает вид:

 

 

 

 

 

 

 

 

 

к

 

 

 

 

к

 

к

 

 

 

 

 

 

 

 

 

 

 

 

 

 

 

 

 

 

 

 

 

 

rк

 

 

 

 

 

 

 

 

 

 

 

 

 

1

U

 

 

 

 

j I

 

 

 

.

 

 

I

 

 

3g

 

U

 

 

j

C

 

 

 

 

I

 

 

I

 

(2)

 

 

 

ф

ф

 

 

 

 

ф

а

C

L

 

ост

 

ωL

2

 

 

 

ф

 

 

 

 

 

 

 

 

 

 

 

 

 

 

 

 

 

 

 

 

 

 

ωLк

 

 

 

 

 

 

 

 

 

 

 

 

 

к

 

 

 

 

 

 

 

 

 

 

 

 

 

 

 

 

 

 

 

 

 

 

 

 

 

 

Если подключить к нейтральной точке сети ДГР с индуктивностью

L

1

, то IL = IC, второе слагаемое в формуле (2) обращается в ноль, и

2C

к

 

 

 

 

 

 

 

 

 

 

 

 

 

 

 

 

 

 

 

 

 

 

 

 

 

 

 

 

ф

 

 

 

 

 

 

 

 

 

 

 

 

 

 

 

 

 

 

 

 

 

 

 

 

 

 

 

остаточный ток в месте замыкания оказывается чисто активным:

 

 

 

 

 

r

 

 

 

 

 

 

 

 

 

 

I

ост

I

а

 

к

 

3g

U

ф

I

а,ДГР

I

а,сети

,

(3)

ωL

2

 

 

 

 

ф

 

 

 

 

где Iа,ДГР и Iа,сети

 

 

 

 

к

 

 

 

 

 

 

 

 

 

 

– активные составляющие остаточного тока в месте ОЗЗ,

обусловленные потерями в ДГР и утечками в сети на землю соответственно.

На практике настройкой индуктивности ДГР можно добиться выполнения условия IL = IC лишь с некоторым приближением, и режим работы

сети характеризуют с помощью степени настройки ДГР:

 

q

IL

 

1

 

.

(4)

 

2C L

 

I

C

 

 

 

 

 

 

ф

к

 

 

Режим, для которого IL < IC (q < 1) называют недокомпенсацией. Условие IL > IC (q > 1) соответствует режиму перекомпенсации. Точное выполнение условия IL = IC соответствует q = 1 и называется идеальной настрой-

кой.

2

в.г.

Подключение к нейтральной точки сети ДГР образует контур нулевой последовательности сети (КНПС), собственная частота колебаний которого равна

ω0

1

.

(5)

 

 

3CфLк

 

Подставляя (5) в (4), получим

 

 

 

ω2

 

 

I

L

 

 

q

 

 

0 .

(6)

 

 

 

IC

ω2

 

Из (6) следует, что условие q = 1 выполняется при ω0 ω, т.е. при ра-

венстве собственной частоты колебаний КНПС и промышленной частоты. Поэтому условие q = 1 называют условием резонансной настройки, а режим заземления нейтрали через ДГР – резонансным заземлением.

Действующее значение остаточного тока в месте ОЗЗ в соответствии с

(2) можно определить следующим образом:

Iост Iа2 IC IL 2 .

До этого момента мы не учитывали высшие гармонические составляющие в токе ОЗЗ, которые неизбежно возникают из-за несинусоидальности сетевого напряжения. Так же, как и активный ток Iа, они не могут быть скомпенсированы реактором. С учетом тока высших гармоник I формула для остаточного тока в месте ОЗЗ принимает вид:

 

 

 

 

 

 

 

 

 

 

 

 

 

Iост Iа2

IC IL 2 Iв2.г. .

 

 

 

 

(7)

 

Запишем формулу (7) через компенсируемый емкостный ток ОЗЗ IC:

 

 

 

Iост IC

 

Iа

 

2

 

 

I

C

I

L

2

 

 

I

в.г.

2

IC

δа2

1 q 2 δв2.г. ,

 

 

 

 

 

 

 

 

 

 

 

 

 

 

 

(8)

 

 

 

 

 

 

 

 

IC2

 

 

 

 

 

 

 

 

 

 

 

 

 

 

 

IC

 

 

 

 

 

 

 

 

 

 

IC

 

 

 

 

 

 

 

 

 

 

 

 

 

I

а

 

 

 

 

r

 

 

 

 

 

 

3gф

 

 

 

ω2

 

r

 

gф

 

 

qr

gф

 

 

где

δ

а

 

 

 

 

 

 

к

 

 

 

 

 

 

 

 

 

 

 

0

 

 

к

 

 

 

 

к

 

 

коэф-

IC

ωL

 

 

 

 

 

 

Cф

 

 

 

 

 

 

 

ωCф

 

 

 

 

 

2

C

 

 

 

 

ω2 ωLк

 

ωCф

ωLк

 

 

 

 

 

 

 

 

 

 

к

 

 

 

 

ф

 

 

 

 

 

 

 

 

 

 

 

 

 

 

 

 

 

 

 

 

 

 

фициент успокоения сети, представляющий собой отношение активного

тока в месте ОЗЗ к емкостному; δв.г. Iв.г. – отношение действующего зна-

IC

чения тока высших гармоник к емкостному току. Входящую в (8) величину

ϑ = 1 – q называют степенью расстройки компенсации. Для удобства ее (а

также δа и δв.г.) умножают на 100, измеряя тем самым в процентах от компенсируемого емкостного тока.

Таким образом, остаточный ток в месте замыкания можно представить в виде

3

Рис. 3. Допустимыекоэффициенты нескомпенсированноститокаОЗЗ

Iост

 

kδ

IC ,

(9)

100

 

 

 

где kδ δа2 2 δв2.г. коэффициент нескомпенсированности тока ОЗЗ, %.

Для того, чтобы понять какой уровень остаточного тока Iост допустим и какая требуется точность настройки ДГР в распределительной сети, рассмотрим работу ДГР в режимах металлических и дуговых ОЗЗ.

Работа ДГР в режиме металлических ОЗЗ. Факторы, ограничивающие эффективность компенсации

Правила устройства электроустановок (ПУЭ) [1] содержат требование к расстройке ДГР (ϑ < 5%), однако, как видно из (8) и (9), ток в месте ОЗЗ определяется не только степенью компенсации первой гармоники емкостного тока. Для металлических ОЗЗ имеет значение полный ток Iост, значение которого не должно превышать допустимое по условиям электробезопасности. Сегодня это – один из критериев применения ДГР на этапе проектирования при новом строительстве или реконструкции. Для определения предельно допустимого значения остаточного тока

Iост,доп можно ориентироваться на значения, нормированные в ПУЭ для сетей с изолированной нейтралью, составляющие 30, 20 и 10 А для сетей 6, 10 и 35 кВ соответственно. Следует также иметь в виду ограничение тока до 10 А для сетей всех классов среднего напряжения в случае, если сеть содержит воздушные линии на железобетонных или металлических опорах, которое сделано исключительно по соображениям электробезопасности.

Таким образом, применение ДГР в сети может быть оправдано только при выполнении условия Iост Iост,доп или

kδ

Iост,доп

100 kδ,доп,

(10)

 

 

IC

 

4

в котором коэффициент kδ учитывает совокупность всех факторов, влияющих на остаточный ток, а допустимое значение kδ,доп зависит от емкостного

тока сети.

На рис. 3 приведены зависимости kδ,доп от емкостного тока ОЗЗ при

трех значениях Iост,доп. Видно, что при низком уровне высших гармоник условие (10) достаточно легко обеспечивается в сетях с емкостными токами до 100 А. Полагая 5%, δа 5%, δв.г. 5%, получим kδ 8,7%, что

меньше допустимого значения kδ,доп 10% при Iост,доп = 10 А. При увеличе-

нии тока ОЗЗ обеспечить выполнение условия (10) становится труднее. Для протяженных кабельных сетей с большими значениями IC это условие может оказаться невыполненным даже при идеальной настройке реакторов. Так, для секции сети 10 кВ с IC = 500 А при Iост,доп = 20 А kδ,доп 4% ,

что практически недостижимо, так как только ДГР и нейтралеобразующее устройство обеспечивают вклад в активный ток на уровне 2–4%, и характерные значения составляющих высших гармоник и активного сетевого тока перекрывают оставшийся небольшой запас. Проблему остаточных токов для сетей с большими значениями IC можно решить дополнительным секционированием или применением специальных устройств компенсации активных токов, которые в настоящее время только разрабатываются и пока не нашли широкого применения.

Другим негативным фактором, ограничивающим по критерию (10) применение ДГР, являются высшие гармоники в сетевом напряжении. Ток

в месте ОЗЗ, вызванный n-й гармоникой напряжения U(n), равен

 

IОЗЗ(n) nCфU(n) ,

(11)

где ω = 314 рад/с – угловая частота первой гармоники сетевого напряжения, n – номер гармоники. Вводя коэффициенты гармонических составля-

ющих по напряжению и току k

 

U(n)

100 и

k

I (n)

 

IОЗЗ(n)

100, полу-

 

 

U (n)

 

U(1)

 

 

IОЗЗ(1)

 

 

 

 

 

чим из (11) с учетом IОЗЗ(1) CфU(1)

 

 

 

 

 

kI (n) nkU (n) ,

 

 

(12)

т.е. чем выше порядковый номер гармоники в сетевом напряжении, тем значительнее она усиливается в токе ОЗЗ.

В соответствии с ГОСТ 32144-2013 [2] значения kU (n) , усредненные в

интервале времени 10 минут, не должны превышать установленных значений в течение 95% времени в неделю. В течение оставшихся 5% времени допускается их увеличение в 1,5 раза. Нормированные значения kU (n) и

рассчитанные по (12) значения kI (n) сведены в табл. 1.

5