Лабораторная работа №8
Аналого-цифровые преобразователи
Цель работы: Изучение АЦП, построенного на принципе считывания. Изучение АЦП, построенного на принципе единичных приращений. Изучение АЦП, построенного на принципе взвешенных приращений.
Лабораторные задания:
Задание 1. АЦП, основанный на считывании состояния компараторов
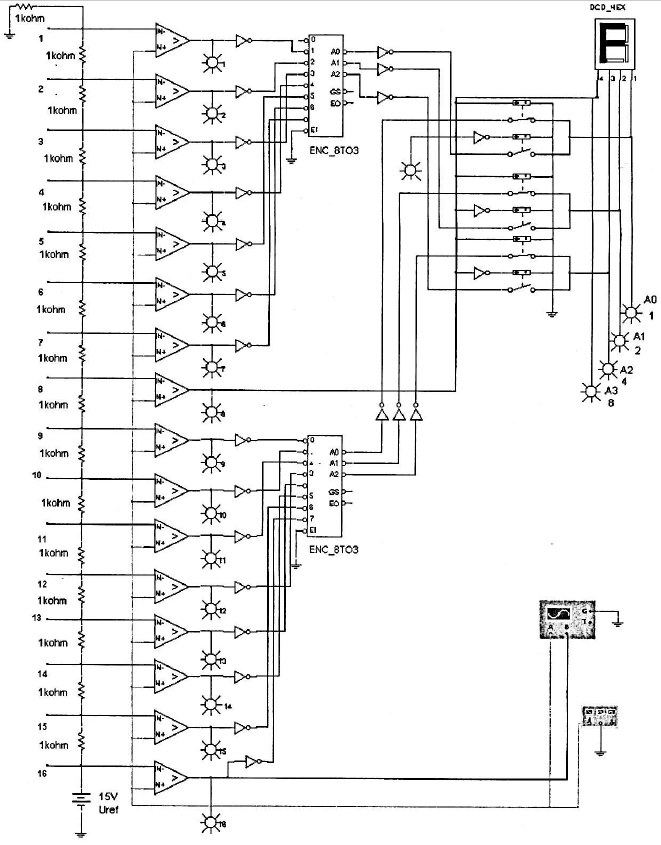
а) наблюдение процессов в АЦП. Соберите схему, приведенную на рис. 1. Поскольку активными уровнями на входах и выходах приоритетного шифратора являются уровни логического нуля, логические пробники подключены к выводам микросхемы через инверторы. В этом случае активное состояние вывода соответствует светящемуся пробнику. Установите частоту генератора треугольного напряжения равной 0,1 Гц, амплитуду напряжения 8 В и смещение 7 В. Запустите схему и наблюдайте выходное напряжение генератора на экране осциллографа, состояние входов и выходов шифратора и коды на декодирующем семисегментном индикаторе в реальном времени (двоичный, десятичный и шестнадцатеричный);
б) измерение потенциалов узлов делителя. Измерьте потенциалы узлов 1—15 делителя напряжения, результаты измерения занесите в таблицу.
в) измерение порогов переключения младшего разряда шифратора. Установите частоту генератора треугольного напряжения равной 1 Гц, амплитуду напряжения 1 В и смещение 5 В. Запустите схему и наблюдайте выходное напряжение генератора на экране осциллографа, состояние входов и выходов шифратора и шестнадцатеричный код на декодирующем семисегментном индикаторе в реальном времени. Второй вход осциллографа подключите к пробнику младшего разряда АО. Зарисуйте осциллограммы, полученные на экране осциллографа, в разделе «Результаты экспериментов». Измерьте порог переключения младшего разряда по осциллографу. Результат измерения занесите в соответствующую графу таблицы в разделе «Результаты экспериментов». Сравните полученное значение с потенциалом в точке 4. Проведите соответствующие измерения для значений смещения -1, -2, -3, -4, -6 и -7 В;
г) осциллографирование процессов в АЦП. Зарисуйте выходное напряжение генератора и напряжение на пробнике младшего разряда в эксперименте а) на экране осциллографа в разделе «Результаты экспериментов». Проставьте на соответствующих интервалах временной диаграммы напряжения на пробнике двоичный код A3, А2, А1,А0и код, показываемый декодирующим индикатором.

Рисунок 1 - АЦП, основанный на считывании состояния компараторов
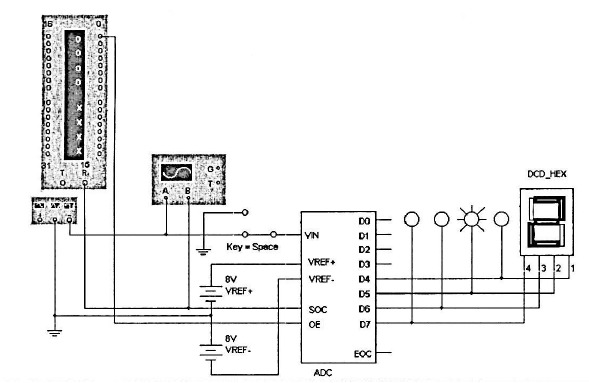
Задание 2. Исследование функциональной модели четырехразрядного АЦП
а)
получение
выходной характеристики АЦП. Построить
схему, приведенной на рис 2. Откройте
изображение генератора слов и осциллографа.
Нажмите клавишу Step на панели генератора
слов. Зарисуйте осциллограммы, полученные
на экране осциллографа. По осциллографу
измерьте напряжение функционального
генератора, под тактовым импульсом на
экране осциллографа проставьте значение
шестнадцатеричного кода на семисегментном
индикаторе, на графике выходной
характеристики проставьте точку,
соответствующую эксперименту. Около
точки запишите измеренное по осциллографу
напряжение. Продолжите действия по
описанному алгоритму для всех тактовых
импульсов одного периода входного
напряжения;

Рисунок 2 – Схема для получения выходной характеристики АЦП
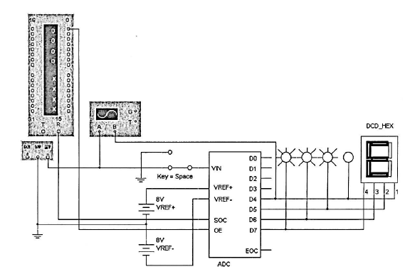
б) получение осциллограмм входного и выходного сигналов АЦП. Зарисуйте с экрана осциллографа входного сигнала и напряжения с младшего разряда D4 (рис.3). Определите пороги переключения.

Рисунок 3 – Схема для получение осциллограмм входного и выходного сигналов АЦП
Задание 3. Исследование АЦП с единичными приращениями компенсирующего сигнала:
а) процессы в АЦП при ручной подаче тактовых сигналов. Соберите схему, приведенную на рис. 4. Переведите ключ сброса S в нижнее положение. Двойным нажатием на клавишу Т подайте тактовый сигнал. Наблюдайте изменение шестнадцатеричного кода, записанного в декодирующем семисегментном индикаторе. Повторяйте тактовый сигнал до тех пор, пока не погаснет индикатор преобразования 1р и не засветится индикатор окончания операции Iend.

Рисунок 4 – Схема для моделирования процессов в АЦП при ручной подаче тактовых сигналов
Измените уровень входного аналогового сигнала до 6,5 В. Проведите процесс преобразования вручную и занесите результат в таблицу раздела «Результаты экспериментов»;
б) определение времени измерения сигнала АЦП при подаче тактовых сигналов от генератора. Соберите схему, приведенной на рис. 5. Включите схему. Зарисуйте осциллограммы напряжения на выходе компаратора и напряжения на входе счетчика, полученные на экране осциллографа, в соответствующем пункте раздела «Результаты экспериментов». Рассчитайте время измерения и определите его по осциллограммам. Результаты занесите в таблицу.

Рисунок 5 – Схема для определения времени измерения сигнала АЦП при подаче тактовых сигналов от генератора
в) исследование АЦП с единичными приращениями компенсирующего сигнала с использованием двух разрядов шестнадцатеричного кода. Соберите схему, приведенную на рис.6. Наблюдайте изменение шестнадцатеричного кода, записанного в двух декодирующих семисегментных индикаторах (справа на схеме) и на вольтметре VDAC. Повторяйте тактовый сигнал до тех пор, пока не погаснет индикатор преобразования 1р и не засветится индикатор окончания операции lend.

Рисунок 6 – Схема для исследования АЦП с единичными приращениями компенсирующего сигнала с использованием двух разрядов шестнадцатеричного кода
Установите значение напряжения Ux равным 7,2 В. Получите шестнадцатеричный код, соответствующий этому аналоговому значению. Вычислите соответствующее значение, умножив код на масштаб (в данном случае 1 В/единицу). Определите абсолютную и относительную погрешность измерения. Занесите результаты в таблицу.
Установите значение опорного напряжения в схеме рис. 6 равным 8 В. Получите шестнадцатеричный код, соответствующий тому же значению поданного сигнала 7,2 В. Вычислите значение поданного сигнала, умножив код на масштаб (в данном случае 1/32 В/единицу). Занесите результат таблицу. Сравните погрешность измерения в схемах рис.5 и 6.
В схеме рис. 6 проведите определение времени измерения по методике, изложенной в пункте б) данного эксперимента. Результат занесите в таблицу.
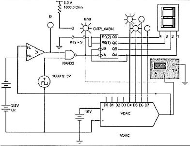
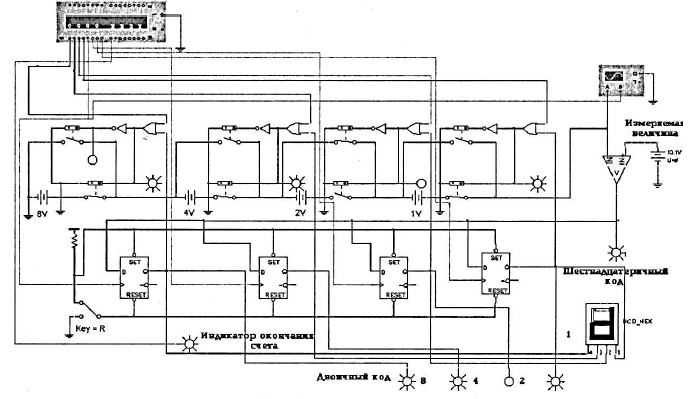
Задание 4. АЦП, основанный на поразрядном уравновешивании
Соберите схему, приведенную на рис. 7. Верхняя часть схемы представляет собой схему, в которой ключи управляются не с клавиатуры, а с помощью генератора слов. Нижняя часть схемы содержит регистр. На первом такте включается старший разряд ЦАП, формируя на неинвертирующем входе компаратора напряжение 8 В. Если значение Ux > 8 В, то старший (левый на схеме) разряд регистра переводится в момент записи в активное состояние. При этом на нижний вход логической схемы ИЛИ подается единица с выхода этого разряда и на последующих тактах источник 8 В будет участвовать в формировании выходного напряжения ЦАП. Если же значение Ux < 8 В, то старший разряд остается в неактивном состоянии на всех последующих тактах. На втором такте включается следующий по старшинству разряд ЦАП, и на выходе формируется напряжение 12 или 4 В (в зависимости от состояния старшего разряда). Если значение Ux> 12 В (при включенном старшем разряде) или 4 В (при выключенном), то второй разряд регистра переводится в момент записи в активное состояние. При этом на нижний вход второй логической схемы ИЛИ подается единица с выхода этого разряда и на последующих тактах источник с напряжением 4 В будет участвовать в формировании выходного напряжения ЦАП. Аналогично происходят процессы на третьем и четвертом тактах. Для того чтобы пройти один такт, необходимо 4 раза нажать мышкой клавишу Step генератора слов в режиме Step.

Рисунок 7 – Схема для исследования АЦП, основанного на поразрядном уравновешивании
Исследуйте схему и получите характеристику преобразователя АЦП:
а) наблюдение процессов в АЦП. Переведите ключ R в нижнее положение. Включите схему. Переведите ключ R в верхнее положение. Эту последовательность действий необходимо строго соблюдать, в противном случае работа схемы будет некорректной. Задавая значения входного аналогового сигнала в диапазоне от нуля до 16 В, определите цифровое выходное значение. Результат занесите в таблицу.
б) получение характеристики преобразования АЦП. Откройте изображение генератора слов и осциллографа. Нажмите клавишу Step на панели генератора слов. Зарисуйте осциллограммы, полученные на экране осциллографа. По осциллографу измерьте напряжение функционального генератора, под тактовым импульсом на экране осциллографа проставьте значение шестнадцатеричного кода на семисегментном индикаторе, на графике выходной характеристики проставьте точку, соответствующую эксперименту. Около точки запишите измеренное по осциллографу напряжение. Продолжите действия по описанному алгоритму для всех тактовых импульсов одного периода входного напряжения.