МИНИСТЕРСТВОНАУКИИВЫСШЕГООБРАЗОВАНИЯРОССИЙСКОЙФЕДЕРАЦИИ
Федеральное государственное автономное образовательное учреждение высшегообразования
«НАЦИОНАЛЬНЫЙ
ИССЛЕДОВАТЕЛЬСКИЙ ТОМСКИЙ ПОЛИТЕХНИЧЕСКИЙ
УНИВЕРСИСТЕТ»
Инженерная школа энергетикиНаправление – 13.03.02
Электроэнергетика и электротехника
Отделение электроэнергетики и электротехники
«Исследование логических схем»
Отчет по лабораторной работе №3 по дисциплине
«Электроника 2.1»
Исполнители: |
|
|
студентыгруппы 5А8Д |
|
Нагорнов А.В. Егоров Е.В. Сучков М.А. Дурникин С.О. |
|
|
|
Руководитель: |
|
|
преподаватель |
Боловин Е. В. |
|
Томск - 2021
Цель работы: получить практические навыки работы с логическими элементами микросхем транзисторно-транзисторной логики.
Краткие теоретические сведения:
Сложные цифровые схемы строятся путем многократного повторения базовых логических схем. Инструментом такого построения служит булева алгебра, которая применительно к цифровой технике называется алгеброй логики. В отличие от переменной в обычной алгебре логическая переменная имеет только два значения, которые называются логическим нулем и логической единицей. Логический нуль и логическая единица обозначаются соответственно 0 и 1. В алгебре логики 0 и 1 не числа, а логические переменные.
В алгебре логики существуют три основных операции между логическими переменными: логическое умножение (конъюнкция), логическое сложение (дизъюнкция) и логическое отрицание (инверсия). По аналогии с алгеброй чисел в алгебре логики используют следующие обозначения операций:
В таблице 1 приведены основные законы и правила преобразования логических уравнений.
Таблица 1
Так как логические переменные принимают только два фиксированных значения, то математический аппарат алгебры логики используется для анализа и синтеза электрических схем, которые находятся в двух легко различаемых рабочих состояниях.
Исследуемые схемы:
Рисунок 1 - Электронные схемы
Ход работы:
Тестируем работу логической схемы НЕ:
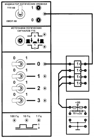
Подключение логического элемента НЕ производим на наборном поле блока испытания цифровых устройств, как показано на рис. 2.
Рисунок 2 -Схема тестирования логической схемы НЕ
Таблица 2 – Таблица истинности НЕ
Входной сигнал |
Выходной сигнал |
|
Теория |
Эксперимент |
|
1 |
0 |
0 |
0 |
1 |
1 |
Как видно из результата эксперимента, схема работает как должна и данные не расходятся с теоретическими.
Исследуем элементы И, ИЛИ, И-НЕ, ИЛИ-НЕ, 2И-2ИЛИ-НЕ транзисторно-транзисторной логики:
Таблица 3 – Таблица истинности И, ИЛИ, И-НЕ, ИЛИ-НЕ
Вид логического элемента |
Входной сигнал |
Выходной сигнал |
||
|
|
Теория |
Эксперимент |
|
И |
0 |
0 |
0 |
0 |
1 |
0 |
0 |
0 |
|
0 |
1 |
0 |
0 |
|
1 |
1 |
1 |
1 |
|
ИЛИ |
0 |
0 |
0 |
0 |
0 |
1 |
1 |
1 |
|
1 |
0 |
1 |
1 |
|
1 |
1 |
1 |
1 |
|
ИЛИ - НЕ |
0 |
0 |
1 |
1 |
0 |
1 |
0 |
0 |
|
1 |
0 |
0 |
0 |
|
1 |
1 |
0 |
0 |
|
И - НЕ |
0 |
0 |
1 |
1 |
0 |
1 |
1 |
1 |
|
1 |
0 |
1 |
1 |
|
1 |
1 |
0 |
0 |
|
Таблица 4 – Таблица истинности 2И - 2ИЛИ - НЕ
Вид логического элемента |
Входные сигналы |
Выходной сигнал |
|||
|
|
|
Теория |
Эксперимент |
|
2И- 2ИЛИ-НЕ |
0 |
0 |
0 |
1 |
1 |
1 |
0 |
0 |
1 |
1 |
|
0 |
1 |
0 |
1 |
1 |
|
1 |
1 |
0 |
0 |
0 |
|
0 |
0 |
1 |
0 |
0 |
|
1 |
0 |
1 |
0 |
0 |
|
0 |
1 |
1 |
0 |
0 |
|
1 |
1 |
1 |
0 |
0 |
|
Для указанного преподавателем варианта составляем и собираем схему соединения двух логических элементов:
Преподавателем дан вариант №4.
Таблица 5 – Таблица истинности ИЛИ - И
Вид логического элемента |
Входные сигналы |
Выходной сигнал |
|||
|
|
|
Теория |
Эксперимент |
|
ИЛИ, И |
0 |
0 |
0 |
0 |
0 |
1 |
0 |
0 |
0 |
0 |
|
0 |
1 |
0 |
0 |
0 |
|
1 |
1 |
0 |
0 |
0 |
|
0 |
0 |
1 |
0 |
0 |
|
1 |
0 |
1 |
1 |
1 |
|
0 |
1 |
1 |
1 |
1 |
|
1 |
1 |
1 |
1 |
1 |
|
Для указанной преподавателем таблицы истинности (Табл. 6) составляем выражение для логической функции:
Таблица 6 – Заданная таблица истинности
Входные сигналы |
Выходной сигнал |
|||
|
|
|
||
0 |
0 |
0 |
0 |
|
1 |
0 |
0 |
0 |
|
0 |
1 |
0 |
1 |
|
1 |
1 |
0 |
0 |
|
0 |
0 |
1 |
1 |
|
1 |
0 |
1 |
0 |
|
0 |
1 |
1 |
1 |
|
1 |
1 |
1 |
0 |
|
Выделяем в таблице истинности строки, выходной сигнал которых равен единице, и составляем уравнения:
Используя законы алгебры-логики, преобразовываем логическую функцию к виду, удобному для реализации на элементах лабораторного стенда.
Разрабатываем принципиальную схему логического устройства и собираем её на лабораторном стенде (рис. 3)
Рисунок 3 –Схема логического устройства
Схема выполняет свою функцию и выдаёт выходной сигнал в соответствии с таблицей истинности.
Вывод: в ходе выполнения лабораторной работы получили практические навыки при работе с логическими элементами микросхем транзисторно-транзисторной логики, а также навыки проектирования комбинационных логических схем.
Полученные экспериментально значения выходные уровни сигнала совпали с теоретическими, что говорит о правильности выполнения лабораторной работы.