Материал: Лабораторная №2

Внимание! Если размещение файла нарушает Ваши авторские права, то обязательно сообщите нам

МИНИСТЕРСТВО НАУКИ И ВЫСШЕГО ОБРАЗОВАНИЯ РОССИЙСКОЙ ФЕДЕРАЦИИ

Федеральное государственное автономное образовательное учреждение высшего образования

«НАЦИОНАЛЬНЫЙ ИССЛЕДОВАТЕЛЬСКИЙ ТОМСКИЙ ПОЛИТЕХНИЧЕСКИЙ УНИВЕРСИСТЕТ»

Инженерная школа энергетики Направление – 13.03.02

Электроэнергетика и электротехника

Отделение электроэнергетики и электротехники

«Исследование компараторов, выполненных на операционных усилителях»

Отчет по лабораторной работе №2 по дисциплине

«Электроника 2.1»

Исполнители:

студенты группы 5А8Д

Нагорнов А.В.

Егоров Е.В.

Сучков М.А.

Руководитель:

преподаватель

Боловин Е. В.

Томск - 2021

Цель работы: изучить принцип действия и провести экспериментальное исследование работы аналоговых компараторов, выполненных на операционных усилителях.

Краткие теоретические сведения:

Аналоговыми компараторами называются устройства, предназначенные для сравнения двух напряжений.

Рисунок 1 – Схема аналогового компаратора, выполненного на операционном усилителе

Рисунок 2 – Передаточная характеристика аналогового компаратора, выполненного на операционном усилителе

Рассмотренная схема компаратора имеет два существенных недостатка:

– при медленно изменяющемся входном сигнале Uвх2 напряжение на выходе будет также изменяться медленно, не обеспечивая прямоугольного фронта;

– если во входном сигнале присутствует шум, то в выходном напряжении может происходить дребезг в те моменты, когда напряжение на входе проходит точку переключения.

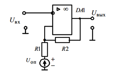
Оба недостатка позволяет устранить схема компаратора с положительной обратной связью или триггер Шмитта.

Рисунок 3 – Схема триггера Шмитта на операционном усилителе

Рисунок 4 – Передаточная характеристика триггера Шмитта, выполненного на операционном усилителе

Ход работы:

Собираем схему тестирования триггера Шмитта в соответствии с рисунком 3, подключив к его входу регулируемое постоянное напряжение.

Рисунок 5 – Схема тестирования триггера Шмитта

Устанавливаем сопротивление резисторов R1 и R2 в соответствии с указанным вариантом (Вариант 4)

Включаем блок генераторов напряжений и, изменяя входное напряжение, убедились с помощью осциллографа, что триггер переключается.

На постоянном напряжении медленно увеличивая и уменьшая входное напряжение снимаем данные.

Таблица 1 – Постоянное напряжение

Вид работы

4.77

-4.32

9.09

Эксперимент

4.16

4.47

8.3

Расчёт

Рисунок 6 – Диаграмма на постоянном напряжении

Рисунок 7 – Диаграмма X от Y на постоянном напряжении

Рассчитываем аналитически пороговые напряжения срабатывания и отпускания, и ширину петли гистерезиса и сравним их с напряжениями, полученными экспериментально.

Переключаем вход триггера на переменное напряжение частотой .

Определяем ширину петли гистерезиса и убедимся, что она такая же, как на постоянном токе.

Изменяя частоту входного сигнала, исследуем изменение ширины петли гистерезиса. Результаты вносим в таблицу 2.

Таблица 2 – Переменное напряжение

2.74

7.02

9

40

2.59

7

9

400

3.28

9.51

9

4000

Рисунок 8 – Переменное напряжение, 40 Гц, минимальная амплитуда, Y(T)

Рисунок 9 – Переменное напряжение, 40 Гц, минимальная амплитуда, X(Y)

Рисунок 10 – Переменное напряжение, 40 Гц, максимальная амплитуда, Y(T)

Рисунок 11 – Переменное напряжение, 40 Гц, максимальная амплитуда, X(Y)

Рисунок 12 - Переменное напряжение, 400 Гц, минимальная амплитуда, Y(T)

Рисунок 13 – Переменное напряжение, 400 Гц, минимальная амплитуда, X(Y)

Рисунок 14 – Переменное напряжение, 400 Гц, максимальная амплитуда, Y(T)

Рисунок 15 – Переменное напряжение, 400 Гц, максимальная амплитуда, X(Y)

Рисунок 16 – Переменное напряжение, 4000 Гц, минимальная амплитуда, Y(T)

Рисунок 17 – Переменное напряжение, 4000 Гц, минимальная амплитуда, X(Y)

Рисунок 18 – Переменное напряжение, 4000 Гц, максимальная амплитуда, Y(T)

Рисунок 19 – Переменное напряжение, 4000 Гц, максимальная амплитуда, X(Y)

Вывод: в ходе лабораторной работы изучили принципы действия и экспериментально исследовали работу аналоговых компараторов, выполненных на операционных усилителях, а также сняли осциллограммы на постоянном и переменном напряжениях, определили ширину петли гистерезиса. В таблице №1 сведены данные по постоянному напряжению, и видно, что расчет и эксперимент примерно равны, значит задание выполнено верно. Экспериментально доказали, что ширина петли гистерезиса была одинакова на постоянном напряжении и на переменном, даже при изменении частоты в 10 и 100 раз. Так как по формуле петли гистерезиса ее ширина напрямую зависит от напряжений срабатывания и отпускания, точнее их разности.