МИНИСТЕРСТВО НАУКИ И ВЫСШЕГО ОБРАЗОВАНИЯ РОССИЙСКОЙ ФЕДЕРАЦИИ
Федеральное государственное автономное образовательное учреждение высшего образования
«НАЦИОНАЛЬНЫЙ ИССЛЕДОВАТЕЛЬСКИЙ ТОМСКИЙ ПОЛИТЕХНИЧЕСКИЙ УНИВЕРСИСТЕТ»
Инженерная школа энергетики
Отделение электроэнергетики и электротехники
Лабораторная работа №1-2
РАЗРЯД В СЛАБОНЕОДНОРОДНОМ ПОЛЕ, РАЗРЯДЫ В ВОЗДУХЕ ПРИ ПЕРЕМЕННОМ ПОЛЕ
Выполнил студент группы 5А8Д _______________ Нагорнов А.В.
(дата) Сучков М.А
Сироткин Т.Э.
Орешков Д.Г.
Панов И.В
Проверил к.т.н., _______________ Мытников А.В.
доцент ОЭЭ ИШЭ (подпись)
_______________
(дата)
Томск-2021
Цель работы: изучение влияния неоднородности электрического поля на разрядное напряжение между электродами в слабонеоднородном и резконеоднородном полях.
Рисунок 1 – Схема экспериментальной установки:
АТ – автотрансформатор;
Т – высоковольтный трансформатор;
– защитное сопротивление;
– выпрямители;
– фильтр;
– высоковольтный омический делитель;
V
– вольтметр;
– электроды
Таблица 1 – Результаты эксперимента (Постоянное напряжение)
S, см |
D = 5 см |
D = 12.5 см |
||||||||||
U, кВ |
Uср, кВ |
Еср, кВ/см |
|
Uср, кВ |
Емакс, кВ/см |
|
||||||
1 |
2 |
3 |
1 |
2 |
3 |
|||||||
0.5 |
- |
- |
- |
- |
- |
12 |
12 |
8 |
10.67 |
21.34 |
- |
|
1 |
12 |
10 |
12 |
11.4 |
11.4 |
24 |
24 |
24 |
24 |
24 |
2.1 |
|
1,5 |
20 |
12 |
19 |
17 |
11.3 |
40 |
40 |
40 |
40 |
26.67 |
2.36 |
|
2 |
28 |
26 |
28 |
27.4 |
13.7 |
52 |
54 |
52 |
52.67 |
26.335 |
0.96 |
|
2,5 |
32 |
32 |
31 |
31.7 |
12.68 |
68 |
68 |
66 |
67.3 |
26.92 |
2.12 |
|
3 |
38 |
38 |
39 |
38.4 |
9.47 |
80 |
80 |
80 |
80 |
26.67 |
2.82 |
|
3,5 |
42 |
42 |
42 |
42 |
12 |
- |
- |
- |
- |
- |
- |
|
4 |
46 |
46 |
46 |
46 |
11.5 |
- |
- |
- |
- |
- |
- |
|
4,5 |
50 |
50 |
50 |
50 |
11.1 |
- |
- |
- |
- |
- |
- |
|
5 |
52 |
52 |
52 |
52 |
10.4 |
- |
- |
- |
- |
- |
- |
|
Определим коэффициент неоднородности электрического поля
Приведём пример расчёта среднего напряжения для шаров D = 5 см:
Так же представим пример расчёта:
Построим зависимости
по таблице 1.
Рисунок 2 -
Зависимости
при слабонеоднородной конфигурации
электрического поля
Так же построим зависимость коэффициента неоднородности от расстояния между электродами.
Рисунок 3 –
Зависимость
Мы видим, что при увеличении расстояния между шарами неоднородность поля возрастает. Присутствует погрешность измерения, которая заметно проявилась при расстоянии 2 см.
Графики (Рис. 2) напоминают экспоненциальную зависимость. При увеличении расстояния между электродами неоднородность поля возрастает и влияет на величину разрядного напряжения. Неоднородность поля проявляется в изменении величины напряжённости вдоль силовых линий поля.
Чем больше неоднородность поля, тем больше напряжение требуется, чтобы вызвать лавинный пробой воздуха между электродами.
С увеличением расстояния между шарами, разряд в их промежутке происходит значительно дольше и, следовательно, прикладываемое напряжение увеличивает своё значение. Это связано с тем, что лавинный пробой воздуха происходит при достаточной степени ионизации этого воздуха электронами, но если расстояние между электродами большое, то при движении от катода к аноду заряженные частицы не встречают достаточного количества соударений, чтобы вызвать лавинную ионизацию, и процесс может прекратиться. В то же время, под воздействием внешнего ионизатора всё же появляются свободные первичные электроны, которые могут дать начало новым лавинам, поэтому при повышении напряжения пробой всё же происходит.
Ответы на контрольные вопросы:
1. Что такое коэффициент неоднородности электрического поля?
Коэффициент неоднородности – это коэффициент, который характеризует степень неоднородности электрического поля между электродами и равен отношению максимальной напряженности Емакс к средней напряженности Еср поля между электродами.
2. Что называется лавиной электронов?
Если в газе между двумя электродами появляется свободный электрон, то, набирая энергию при движении к аноду, он может ионизировать атом или молекулу газа при столкновении. В результате этого многократно повторяющегося процесса появляются новые свободные электроны, число которых непрерывно растет. Этот лавинообразный процесс называют лавиной электронов.
3. В чём заключается условие самостоятельности разряда в газах?
Условия самостоятельности разряда в газах:
1) Оставшиеся после прохождения лавины положительные ионы, двигаясь к катоду, бомбардируют его и вызывают эмиссию электронов из катода;
2) Возбужденные атомы и молекулы, образующиеся наряду с ионизацией, испускают фотоны, которые могут приводить как к фотоионизации в объеме промежутка, так и к фотоэмиссии электронов из катода. Вторичные электроны могут образовывать лавины в разрядном промежутке.
Эти условия можно
записать формулой
,
где S –
расстояние между электродами; γ –
коэффициент вторичной ионизации.
4. Что называют коэффициентом ударной ионизации?
Коэффициент ударной ионизации α – коэффициент, характеризующий количественно интенсивность размножения электронов в лавине, численно равный числу ионизаций, производимых электронами на пути в 1 см по направлению электрического поля.
где Е –
напряжённость электрического поля,
– относительная плотность воздуха.
5. Почему при измерении напряжения используют электроды шар-шар, а не плоскость-плоскость?
Использование электродов шар-шар объясняется тем, что они более экономичны при изготовлении, изменять расстояние между ними проще, также промежуток между двумя шарами получил широкое распространение в мировой практике как универсальный прибор для измерения амплитудных значений постоянного, переменного и импульсного напряжения.
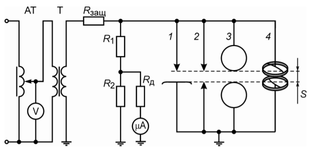
Проведём эксперимент на переменном напряжении.
Рисунок 4 – Схема экспериментальной установки
АТ – автотрансформатор;
Т – высоковольтный трансформатор;
– защитное сопротивление;
– высоковольтный омический делитель;
– добавочное сопротивление; V
– вольтметр;
– микроамперметр; 1-4 – испытуемые
электроды
Таблица 2 – Результаты эксперимента (Переменное напряжение)
Форма электродов |
|
Экспериментальные данные |
Расчётные данные |
|||||
|
|
|
|
|
||||
1 |
2 |
3 |
||||||
Остриё - остриё |
0.5 |
8 |
8 |
8 |
8 |
16 |
8.61 |
17.22 |
1 |
12 |
10 |
12 |
11.3 |
11.3 |
10.27 |
10.27 |
|
1.5 |
10 |
12 |
12 |
11.3 |
7.53 |
11.94 |
7.96 |
|
2 |
18 |
16 |
16 |
16.67 |
8.33 |
13.61 |
6.8 |
|
2.5 |
19 |
18 |
20 |
19 |
7.6 |
15.28 |
6.11 |
|
3 |
21 |
21 |
22 |
21.3 |
7.1 |
16.94 |
5.65 |
|
Шар – шар (10 см) |
0.5 |
10 |
9 |
9 |
9.3 |
18.6 |
15.544 |
31.09 |
1 |
18 |
18 |
19 |
18.3 |
18.3 |
30.578 |
30.578 |
|
1.5 |
29 |
28 |
28 |
28.3 |
18.867 |
45.12 |
30.08 |
|
2 |
38 |
36 |
38 |
37.3 |
18.65 |
59.186 |
29.59 |
|
2.5 |
48 |
48 |
48 |
48 |
19.2 |
72.792 |
29.12 |
|
3 |
56 |
56 |
56 |
56 |
18.67 |
85.954 |
28.65 |
|
Шар (5 см) - плоскость |
0.5 |
11 |
10 |
9 |
10 |
20 |
- |
- |
1 |
18 |
18 |
18 |
18 |
18 |
- |
- |
|
1.5 |
26 |
26 |
26 |
26 |
17.33 |
- |
- |
|
2 |
32 |
32 |
32 |
32 |
16 |
- |
- |
|
2.5 |
36 |
36 |
37 |
36.3 |
14.52 |
- |
- |
|
3 |
41 |
42 |
41 |
41.3 |
13.76 |
- |
- |
|
Шар (5 см) - остриё |
0.5 |
8 |
6 |
4 |
6 |
12 |
- |
- |
1 |
10 |
8 |
10 |
9.3 |
9.3 |
- |
- |
|
1.5 |
14 |
13 |
13 |
13.3 |
8.87 |
- |
- |
|
2 |
17 |
18 |
18 |
17.67 |
8.83 |
- |
- |
|
2.5 |
22 |
22 |
22 |
22 |
8.8 |
- |
- |
|
3 |
26 |
26 |
26 |
26 |
8.67 |
- |
- |
|
Шар (12,5 см) - остриё |
0.5 |
6 |
6 |
4 |
5.3 |
10.6 |
- |
- |
1 |
10 |
10 |
10 |
10 |
10 |
- |
- |
|
1.5 |
14 |
16 |
14 |
14.67 |
9.78 |
- |
- |
|
2 |
20 |
18 |
18 |
18.67 |
9.34 |
- |
- |
|
2.5 |
24 |
24 |
26 |
24.67 |
9.87 |
- |
- |
|
3 |
30 |
30 |
28 |
69.3 |
23.1 |
- |
- |
|
Коронирующие кольца |
0.5 |
6 |
6 |
6 |
6 |
12 |
- |
- |
1 |
10 |
10 |
11 |
10.3 |
10.3 |
- |
- |
|
1.5 |
14 |
16 |
14 |
14.67 |
9.78 |
- |
- |
|
2 |
16 |
18 |
18 |
17.3 |
8.65 |
- |
- |
|
2.5 |
20 |
22 |
20 |
20.67 |
8.27 |
- |
- |
|
3 |
24 |
26 |
24 |
24.67 |
8.22 |
- |
- |
|
Кольцо - остриё |
0.5 |
24 |
22 |
22 |
22.67 |
45.34 |
- |
- |
1 |
24 |
22 |
22 |
22.67 |
22.67 |
- |
- |
|
1.5 |
24 |
23 |
23 |
23.3 |
15.53 |
- |
- |
|
2 |
24 |
24 |
24 |
24 |
12 |
- |
- |
|
2.5 |
26 |
26 |
26 |
26 |
10.4 |
- |
- |
|
3 |
28 |
27 |
28 |
27.67 |
9.22 |
- |
- |
|
Приведём пример расчёта экспериментальных данных:
По приближённым формулам произведём расчёт разрядного напряжения для некоторых из форм электродов. Приведём пример.
Для начала определим относительную плотность воздуха, при которой производился эксперимент
Остриё – остриё
Шар – Шар
По опытным и
расчётным данным построим зависимости
для различных электродных систем.
Рисунок 5 – Зависимости разрядного напряжения от величины промежутка между электродами