МИНИСТЕРСТВО ОБРАЗОВАНИЯ И НАУКИ УКРАИНЫ
ХАРЬКОВСКИЙ НАЦИОНАЛЬНЫЙ УНИВЕРСИТЕТ РАДИОЭЛЕКТРОНИКИ
Кафедра СТ
ОТЧЕТ
по лабораторной работе 3
по дисциплине: Компьютеризированные технологии проектирования систем автоматики
на тему: «КОРРЕКЦИЯ САР»
Выполнили:
Ст. гр. СИ-15-1
Рыжов В.Б.
Лавриков В.С.
Проверил:
доц. каф. СТ
Ребезюк Л. Н.
ХАРЬКОВ 2019
3 КОРРЕКЦИЯ САР
3.1 Цель работы
Освоение основных методов повышения запаса устойчивости (коррекции) САР: 1) демпфирования (подавления колебаний) на высоких частотах, 2) демпфирования на средних частотах, 3) демпфирования на низких частотах. Приобретение навыков решения типовых задач коррекции схем на операционных усилителях. Ознакомление с основными видами корректирующих обратных связей: 1) гибкими ООС, 2) жесткими ООС, 3) положительными (изодромное звено на апериодическом звене).
3.2 Ход выполнения лабораторной работы
3.2.1. Дано четыре системы в файлах k1.vsm, k2.vsm, k3.vsm, k4.vsm. Каждая обладает совокупностью уникальных свойств (табл. 3.1). Решить задачу идентификации моделей систем с описаниями, т.е. поставить в соответствие каждому описанию из таблицы 3.1 одну из моделей систем из указанных файлов. Решение обосновать.
Таблица 3.1 – Описания САР для идентификации
|
№ п.п. |
Свойства САР (состоящих из минимально фазовых звеньев) |
Файл |
|
1 |
ЛФЧХ разомкнутой системы чуть выше частоты среза (в пределах декады) меняет свое значение от –90 до –270 градусов. Допустима минимально возможная потеря частотных свойств (площади ограниченной ЛАЧХ и осью частот) |
k2.vsm |
|
2 |
ЛАЧХ разомкнутой САР соответствует трехкаскадному операционному усилителю без внутренней коррекции (звено с большим коэффициентом усиления и три апериодических звена с близкими сопрягающими частотами), и пересекает ось частот с наклоном –60 дб/дек. Допустима существенная потеря полосы пропускания |
k1.vsm |
|
3 |
ЛФЧХ системы вплоть до частоты среза приобретает значения около –180 градусов. Для исключения условий, при которых возможно появление неустойчивости в большом, дополнительные отрицательные фазовые сдвиги не допустимы |
k3.vsm |
|
4 |
Вблизи частоты среза и выше по частоте более декады наклон ЛАЧХ разомкнутой системы составляет –40 дб/дек. Допустима минимально возможная потеря частотных свойств |
k4.vsm |

Рисунок 3.1 - ЛАЧХ разомкнутой САР трехкаскадного операционного усилителя, которая пересекает ось частот с наклоном –60 дб/дек (файл k1.vsm)

Рисунок 3.2 - ЛФЧХ разомкнутой системы чуть выше частоты среза (в пределах декады) меняет свое значение от –90 до –270 градусов (файл k2.vsm)

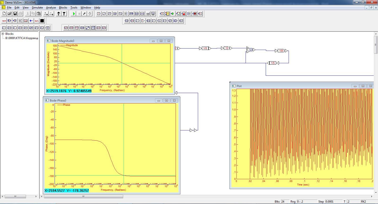
Рисунок 3.3 - ЛФЧХ системы вплоть до частоты среза приобретает значения около –180 градусов (файл k3.vsm)

Рисунок 3.4 - ЛАЧХ разомкнутой системы вблизи частоты среза и выше по частоте более декады наклон составляет –40 дб/дек (файл k4.vsm)
3.2.2. Постановка задачи исследования
Вариант задания:
|
Номер варианта |
Рабочие файлы: |
Параметры схем моделей |
|
1-я группа |
||
|
7 |
K33.vsm |
К=12 000 |
Дана схема модели (файл K33.vsm):
- ПФ 1-го порядка объекта управления

Рисунок 3.5 - Передаточная функция объекта управления
- Реализован принцип управления по отклонению
- Закон управления: нет.
Задан задающий сигнал 1(t).
Необходимо: Скорректировать САР одним из методов коррекции и подобрать звено для реализации выбранного метода демпфирования.

Рисунок 3.6 – Схема модели системы и её переходная характеристика без введения блока коррекции для заданного варианта

Рисунок 3.7 – Схема модели системы и её переходная характеристика с введённым блоком коррекции для заданного варианта

Рисунок 3.8 - Схема модели системы и её переходная характеристика с введённым блоком коррекции в котором подключены только низкие частоты для заданного варианта

Рисунок 3.9 - Схема модели системы и её переходная характеристика с введённым блоком коррекции в котором подключены только средние частоты для заданного варианта

Рисунок 3.10 - Схема модели системы и её переходная характеристика с введённым блоком коррекции в котором подключены только высокие частоты для заданного варианта
Таким образом для коррекции заданной системы был использован метод демпфирования с подавлением средних частот.

Рисунок 3.11 – Суть метода, его достоинства и недостатки и пример ЛАЧХ и ЛФЧХ до(синий цвет) и после (красный цвет) коррекции

Рисунок 3.12 – Схематическое представление пассивного интегро-дифференцирующего звена, его передаточная функция, ЛАЧХ И ЛФЧХ, варианты подключения различных диапазонов частот

Рисунок 3.16 – Корни системы до улучшений

Рисунок 3.17 – Корни системы после улучшений

ВЫВОДЫ
В ходе выполнения лабораторной работы были исследованы основные методы повышения запаса устойчивости(коррекции) САР такие, как демпфирование (подавление колебаний) на высоких частотах, демпфирование на средних частотах, демпфирование на низких частотах, а также приобретены навыки решения типовых задач коррекции схем.
Были проведена структурная( по схеме) и параметрическая(по ЛАЧХ) идентификация 4 систем. Во второй части лабораторной работы была исследована и скорректирована заданная модель системы методом демпфирования с подавлением средних частот с использованием пассивного интегро-дифференцирующего звена, в котором были подключены только средние частоты, коэффициент коррекции был увеличен до 0.2 для получения минимального значения ошибки. Как видно, по проведенном выше анализе в виде скриншотов результатов симуляции системы при подключение(отключении) и изменение коэффициентов коррекции низких, средних или высоких частот, был определен наилучший метод для уменьшения значения ошибки (то есть для повышения точности управления). А также проведена оценка качества управления для заданного варианта системы.