Материал: Конструирование простых винтовых устройств

Внимание! Если размещение файла нарушает Ваши авторские права, то обязательно сообщите нам

Конструирование простых винтовых устройств

МИНИСТЕРСТВО ОБРАЗОВАНИЯ И НАУКИ РОССИЙСКОЙ ФЕДЕРАЦИИ

ФЕДЕРАЛЬНОЕ ГОСУДАРСТВЕННОЕ БЮДЖЕТНОЕ ОБРАЗОВАТЕЛЬНОЕ УЧРЕЖДЕНИЕ ВЫСШЕГО ПРОФЕССИОНАЛЬНОГО ОБРАЗОВАНИЯ

ДОНСКОЙ ГОСУДАРСТВЕННЫЙ ТЕХНИЧЕСКИЙ УНИВЕРСИТЕТ (ДГТУ)

Расчетно-графическая работа

По дисциплине «Детали машин и основы конструирования»

На тему: Конструирование простых винтовых устройств

Выполнил студент гр. ТТР4-1

Лавриненко И.В.

Проверил: Петров А.М.




Ростов-на-Дону

Задание на расчетно- графическую работу

Задание 7- рисунок домкрат.

Вариант 9:

Осевое усилие Q=11 кН;

Тип резьбы - трапецеидальная;

Расчетная длина винта -lmax=220 мм

Оглавление

1. Составление и анализ структурной схемы домкрат

. Конструирование винтов

.1 Материалы для изготовления винтов

.2 Определение формы винта

.2.1 Определение размеров винтов в опасных сечениях

.2.2 Проверка винта на устойчивость

.2.3 Проверка условия самоторможения резьбы

. Конструирование гаек винтовых устройств

.1 Форма гайки и материалы для её изготовления

.2 Определение размеров гайки

.2.1 Определение наружного диаметра гайки

.3 Определение размеров буртика гайки

.3.1 Высота буртика

. Конструирование чашки

. Конструирование рукояток

.1 Определение длины рукоятки и радиуса штурвала

.2 Полная длина рукоятки

.3 Определение диаметра рукоятки

. Стопорные винты

. Определение линейных размеров винта

. Корпус домкрата

. Коэффициент полезного действия винтового устройства

.1 К.П.Д. винтового устройства

.2 К.П.Д. винтовой пары

Список литературы

1.      Составление и анализ структурной схемы домкрат


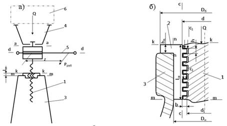
Критерии работоспособности винта (Рис. 1а ). Рабочий, прикладывая к рукоятке 5 усилие Рраб на расстоянии l от оси вращения, заставляет винт 1 вращаться в неподвижной гайке 2 и, преодолевая действие веса Q груза 6, поднимать его. Таким образом, гайка 2 относительно корпуса 3 неподвижна, винт 1 относительно гайки 2 - подвижен.

Рис. 1.1

В резьбе на длине свинчивания lсв винта 1 и гайки 2, витки резьбы винта давят на витки резьбы гайки (рис. 1.б) суммарным усилием Q и, т.к. винт вращается, на поверхностях стыка витков возникает момент сил сопротивления движению Тр.

Рис.1.2

Чашка домкрата 4, на которой лежит груз 6, относительно груза неподвижна. Но, так как винт 1 вращается, в плоскости стыка «а-а» чашки 4 и головки винта действует момент сил трения Топ, препятствующий движению.

Через чашку 4 на головку винта 1 по плоскости контакта «а-а» передается вес Q груза 6. С другой стороны, винт 1 опирается своими витками на длине свинчивания на витки резьбы гайки (рис.1.б.). Так как каждому действию есть равное и противоположно направленное противодействие, в витках резьбы гайки 2 возникает опорная реакция Q', направленная вверх и действующая на винт (рис.1.в). Поэтому участок винта между чашкой 4 и гайкой 2 сжат. Эпюра сжимающих сил Q приведена на рис. 1.в.

Для того, чтобы вращать винт, поднимая груз, нужно преодолеть трение на опоре Топ (плоскость «а-а») и сопротивление в резьбе Тр. С этой целью рабочий с помощью рукоятки создает момент

Траб = Рраб · l ≥ Топ + Тр

Получается, что винт нагружен, кроме сжатия, крутящим моментом Топ на участке между плоскостями «а-а» и «d-d» и Тр на участке между плоскостями «d-d» и «m-m» (рис. 1.в).

Осевая сила, сжимающая винт, уменьшается по мере увеличения числа витков резьбы гайки, на которые он опирается. Поэтому на эпюре Q (рис. 1.в) усилие, сжимающее винт, уменьшается на длине свинчивания lсв от максимума до нуля. Момент сопротивления в резьбе, зависящий от этого усилия, также уменьшается от максимума в плоскости «k-k» до нуля в плоскости «m-m». Таким образом, винт работает на сжатие с кручением.

Кроме того, т. к. винт-стержень, сжимаемый продольной силой, нужно проверить возможность потери им устойчивости при подъеме груза на заданную высоту.

2.     

2. Конструирование винтов

2.1 Материалы для изготовления винтов

Винты изготавливаются из сталей марок ст.4; ст.5; сталь 35. 40. 45. Эти материалы могут применяться нормализованными или улучшенными. При необходимости можно применять стали У10; 65Г; 40Х; 40ХН с объемной или поверхностной закалкой.

Применяю материал для винта сталь марки ст35.

2.2 Определение формы винта

Очевидно, что основной элемент конструкции винта 1 (рис. 4.1.а) - стержень с резьбой. В верхней части этого стержня должна быть головка с поперечным отверстием, в которое свободно вставляется рукоятка 5. На головку винта 1 опирается чашка 4. Во время работы домкрата винт вращается, а чашка нет.

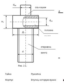
Чтобы чашка не соскочила с винта, из головки должна выступать ось для неё. Эскиз винта - рис. 2.1.

Рис.2.1

Обратите внимание: для того чтобы выполнить такой эскиз, нужны лишь соотношения размеров деталей: один больше, а другой должен быть меньше диаметра d резьбовой части стержня винта.

Некоторые особенности конструкций винтов, задаваемых для разработки механизмов.

Для того, чтобы чашка 4 не потерялась при хранении домкрата на торце Б винта также закрепляется шайба. Но при этом чашка 4 не должна быть жестко зафиксирована на винте 1. Поэтому высота оси чашки должна быть больше толщины её дна на 1,5-2мм; dо=10…16мм.

Рис. 2.2

Диаметр канавки dк берется равным внутреннему диаметру резьбы.

Ширина канавки bк =(2..5)мм. А размер bп = (2…3)мм.

Диаметр переходного участка dп = d или на несколько миллиметров больше.г= (1,5…1,8)d - диаметр головки винта.

2.2.1 Определение размеров винтов в опасных сечениях

Основным параметром винта является диаметр его в опасном сечении. Опасным сечением является сечение, в котором диаметр винта должен быть наименьшим.

Как установлено при анализе структурной схемы, винты работают на сжатие (растяжение) и кручение. Из условия прочности по этим видам деформаций:

;

где А - площадь винта в опасном сечении;

 - допускаемое напряжение при расчете на сжатие (растяжение);

, МПа.;

σТ - предел текучести, выбранного для изготовления винта материала;

n =(3..5) - коэффициент запаса прочности.

Коэффициент запаса прочности назначается в зависимости от степени опасности последствий отказа винта. Очевидно, что в случае съемника для втулок коэффициент запаса можно взять меньше, а в случае домкрата - больше. Полученное значение допускаемого напряжения нужно округлить до целого числа в меньшую сторону.

Для стали 40

тогда

наименьший диаметр винта , мм

где К - коэффициент, учитывающий скручивание винта;

Так как винт скручивается суммарным моментом в резьбе и опоре, тогда К=1,3

Наименьший диаметр винта

Принимаем внутренний диаметр резьбы .

Наружный диаметр резьбы d =20 мм.

Средний диаметр резьбы d2 =18.376 мм

шаг резьбы- ; P= примем по ГОСТу 8724-81 P=2,5 мм

По ГОСТу 9150-81 определим высоту исходного профиля резьбы: H=0.866025*P=0.866025*2.5=2,1650 мм

Площадь винта


Тогда

, условие выполняется.

2.2.2 Проверка винта на устойчивость

Если винт сжат, то при гибкости λ≥55 его необходимо проверить на устойчивость.

 

где μ - коэффициент приведения длины, учитывающий закрепление винта в опорах;

Так как один конец винта свободен, второй направляется гайкой, тогда μ= 2;

lmax=120 мм - максимальная высота подъёма винта или наибольшее расстояние от гайки до торца винта по ГОСТу 17473-80*

- радиус инерции сечения винта.

 где ,

 

тогда

Найдем гибкость:Условие устойчивости при действии сжимающих нагрузок


где  - допускаемое напряжение при расчете винта на сжатие (см. выше);

φ - коэффициент понижения допускаемого напряжения.

Величина φ принимается по таблице 5.1[1] в зависимости от гибкости винта λ. Тгода

Найдем  МПа

=85*0,89=75.65 МПа.

Условие устойчивости выполняется .

 

2.2.3 Проверка условия самоторможения резьбы

Резьбы, применяемые в рассматриваемых конструкциях, должны быть самотормозящимися. Иначе, как только рабочий перестает воздействовать на рукоятку, винт может начать вращаться в обратную сторону. Чтобы этого не случилось, должно выполняться условие φ ≤ ρ'

Рис. 2.3

где  - угол подъёма резьбы;

P и d2 - шаг и средний диаметр резьбы;

 - приведенный угол трения в резьбе;

α - угол наклона рабочей грани витка резьбы (рис. 2.3 в качестве примера трапецеидальная резьба);

- коэффициент трения в резьбе;

Принимаем fmin=0,1, что соответствует слабой смазке.

Угол наклона рабочей грани:

α=30º - метрическая резьба.

Угол подъема резьбы:

 град

Приведенный угол трения в резьбе:

град

Условие φ ≤ ρ выполняется.

3.     

3. Конструирование гаек винтовых устройств

.1 Форма гайки и материалы для её изготовления

гайка винтовой домкрат

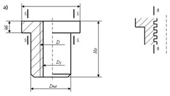
Из анализа структурной схемы ясно, что витки резьбы винта опираются на витки резьбы гайки и при этом винт вращается. Гайка, чаще всего, вставляется в корпус механизма и под действием нагрузки висит на буртике (рис. 3.1.). Она выполняется как отдельная деталь из антифрикционного материала (рис. 3.2). Применяются бронзы (ОФ10-1; БрОЦС 5-5-5; БрАЖ 9-4 и др.). При небольших нагрузках могут быть использованы антифрикционные чугуны (АЧС-1; АЧС-2 и др.) или серые чугуны (СЧ-15; СЧ-18).

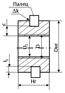
Если нужно с гайкой связать конструктивные элементы: рукоятки (рис. 3.3) или пальцы (рис 3.4), гайки делают либо целиком стальные (ст.3; стали 20, 30), либо из дешевой стали выполняют корпус, в который вставляют гайку, выполненную из бронзы или чугуна.


3.2 Определение размеров гайки

Определение высоты гайки

Высота гайки Hг=Р·Z, мм

где Р - шаг резьбы; P=2.5 мм- число витков резьбы гайки.Z=10

Тогда высота гайки

Число витков резьбы определяется из расчета на смятие

где Асм - площадь контакта одного витка резьбы винта и витка резьбы гайки (рис. 3.2)

, мм2

Определим (

]=7 МПа, так как витки винта движутся по виткам гайки, давление на поверхность контакта не должно быть большим, чтобы не выдавливалась смазка. Поэтому [σсм] ограничивается.

Условие выполняется, так как ].

Рис. 3.1

Рис. 3.2

Рис. 3.3

Рис. 3.4

Поскольку, как известно, лишь 8-10 витков резьбы гайки воспринимают осевую нагрузку, делать Z больше не имеет смысла. Поэтому


Если Z' получается больше 10, то нужно увеличить диаметр резьбы и повторить расчет. Полученное число витков Z' проверяется на срез по плоскости «а-а» (рис. 3.2 б)

Где D=16 мм;

=13 МПа, так как сталь по стали.

Определим число витков:Принимаем число витков гайки Z=10

Проверка условия самоторможения резьбы

,

где [τср]=(0,2…0,3)σр - для стальной гайки; [τср]=0.3*36.43=10.929 МПар - коэффициент полноты резьбы:

=0,76 для упорной резьбы;

Осевое усилие Q=11 кН;

Шаг резьбы P=2.5 мм;

Средний диаметр резьбы  мм;

Число витков Z=10.6

Тогда  МПа