При каталитическом крекинге парафинов образуются, в основном, менее высокомолекулярные алканы и олефины, причем содержание последних увеличивается с повышением молекулярной массы сырья. Более высокомолекулярные парафины расщепляются легче в отличие от низкомолекулярных.
Крекинг парафинов нормального строения сопровождается вторичными реакциями, приводящими к образованию ароматических углеводородов и кокса, и обычно происходит труднее и менее глубоко, чем расщепление изопарафинов.
Нафтеновые углеводороды с длинными алкильными цепями при каталитическом крекинге превращаются в алкилнафтеновые или алкилароматические углеводороды со сравнительно короткими боковыми цепями.
Крекинг ароматических углеводородов (преимущественно алкилароматических) сопровождается их деалкилированием и переалкилированием, а также конденсацией.
При деалкилировании образуются парафины, олефины и алкилароматические соединения меньшей молекулярной массы.
Реакционная способность ароматических углеводородов возрастает с увеличением их молекулярной массы.
Конденсация ароматических углеводородов друг с другом или с непредельными соединениями приводит к образованию полициклических углеводородов, что способствует отложению кокса на поверхности катализатора.
Наряду с упомянутыми происходят следедующие важные вторичные реакции: изомеризация, полимеризация, циклизация и др. реакции с участием олефинов, образующихся при крекинге сырья; алкилирование ароматических углеводородов, приводящее к более тяжелым продуктам, которые способны алкилироваться дальше или конденсироваться с образованием кокса и т. д. Поскольку отложению кокса на поверхности катализатора способствуют все вторичные реакции, интенсивность их оценивают соотношением выходов бензина и кокса. Чем выше это соотношение, тем селективнее процесс. Количество и качество продуктов крекинга зависят от характера сырья, типа катализатора и технологического режима процесса.
Основными параметрами каталитического крекинга являются температура, время контакта паров сырья с катализатором, определяемое объёмной скоростью, и кратность циркуляции катализатора (при работе с движущимся катализатором).
В интервале температур 440 - 480 °С образование бензиновых и дизельных фракций протекает достаточно быстро. С ростом температуры увеличивается и степень превращения сырья. повышение температуры до 480 - 500 °С ведет к усилению газо- и коксообразования и к снижению выхода бензина. Октановое число бензина возрастает.
Каталитический крекинг проводят в прямоточных реакторах с восходящим потоком микросферического катализатора (лифт-реакторах) или в реакторах с нисходящим компактным слоем шарикового катализатора.
Отработанный катализатор непрерывно выводят из реакторов и подвергают регенерации путем выжига кокса в отдельном аппарате. Реактор - с кратность циркуляции катализатора к сырью - 10:1 (для установок с лифт-реактором), температура - 510-540 °C, давление - 0,5-2 атм Регенератор :температура - 650-700 °C, давление - 1-3 атм
Объемная скорость. Время контакта сырья и катализатора определяется объемной скоростью — отношением расхода жидкого сырья к объему катализатора ,занимающего реакционную зону. Обычно на одну весовую единицу катализатора, находящегося в зоне крекинга, подается от 0,6 до 2,5 вес. ед. сырья в час. Часто объемную скорость выражают в объемных единицах — объем/ (объем*ч) или м3/(м3*ч) и записывают в виде ч-1
Кратность циркуляции катализатора. В системах каталитического крекинга с циркулирующим пылевидным или микросферичёским катализатором на 1 т поступающего в реактор сырья вводится 7-20 т регенерированного катализатора, а на установках каталитического крекинга, где применяются крупнозернистые катализаторы (частицы диаметром 3—6мм),—от 2 до 5—7 т в зависимости от конструкции установки. Указанное отношение (7— 20 т/т) называют весовой кратностью циркуляции катализатора. Иногда это соотношение выражают в объемных единицах, тогда оно называется объемной кратностью циркуляции катализатора.
https://neftegaz.ru/tech_library/view/4268-Kataliticheskiy-kreking

Рис.2
1 — секция регенерации; 2 — реактор: 3 — печь; 4 — газосепаратор низкого давления; 5 — компрессор; 6 — фреоновый холодильник; 7 — газосепаратор высокого давления; 8— стабилизатор: 9 — емкость орошения; 10 — подогреватель-кипятильник
Пониженное давление, свойственное риформингу в присутствии полиметаллических катализаторов, увеличивает возможность за-коксовывания катализаторов. Чтобы процесс был непрерывным, приходится обращаться к регенеративной форме (т. е. сокращать продолжительность пробега до двух-трех месяцев) или к полуреге-неративному варианту (т. е. иметь по крайней мере один резервный реактор, который позволит периодически регенерировать катализатор, не прерывая работы установки). Наиболее радикальным выходом является непрерывный вывод из реактора, последнего по ходу сырья, частично дезактивированного катализатора в отдельно расположенный регенератор и непрерывное возвращение, регенерированного катализатора в реакторный блок. Таким образом активность катализатора поддерживают близкой к активности свежего. Перемещение катализатора осуществляют со скоростью, определяемой желаемой жесткостью процесса. Возможен вариант с непрерывным удалением небольшой доли катализатора на регенерацию с последующим возвратом его в систему, но в этом случае сложно поддерживать постоянную активность, одинаковую для всех частиц катализатора.
5. Особенности аппаратурного оформление процесса
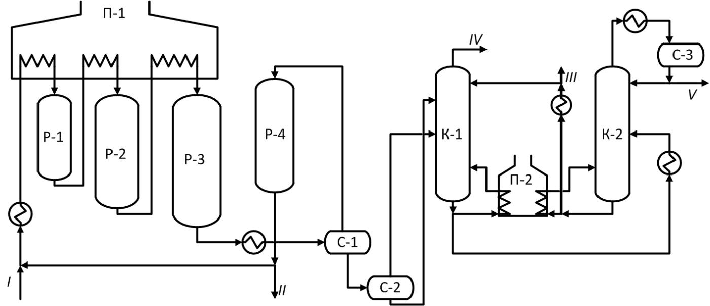
5.1 Установка каталитического риформинга со стационарным слоем катализатора
Наибольшее распространение имеют установки со стационарным слоем катализатора, где процесс осуществляется в нескольких последовательных реакторах с промежуточным подогревом реакционной масон в печи, так как процесс имеет значительный отрицательный тепловой аффект. Однако в связи с внедрением би - и полиметаллических катализаторов появилась возможность снизить давление, что привело к большей закоксованности катализатора и к созданию установок о движущимся катализатором.

Рис. 1
I – гидроочищенное сырье; II – ВСГ; III – стабильный катализат; IV – сухой газ; V – головная фракция. П1 – печь, Р1-3 – реакторы риформинга; Р4 – адсорбер; С1 – сепаратор высокого давления; С2 – сепаратор низкого давления; К1 – ракционирующий адсорбер; П2 – печь; К2 – колонна стабилизации; С3 – приемник.
Они рассчитаны на непрерывную работу без регенерации в течение 1 года и более. Окислительная регенерация катализатора производится одновременно во всех реакторах. Общая длительность простоев установок со стационарным слоем катализатора составляет 20...40 суток в год, включая цикл регенерации и ремонт оборудования. Сырье установок подвергается предварительной глубокой гидроочистке от сернистых, азотистых и других соединений, а в случае переработки бензинов вторичных процессов – гидрированию непредельных углеводородов.
Гидроочищенное и осушенное сырье смешивают с циркулирующим ВСГ, подогревают в теплообменнике, затем в секции печи П-1 и подают в реактор Р-1. На установке имеется три-четыре адиабатических реактора и соответствующее число секций многокамерной печи П-1 для межступенчатого подогрева реакционной смеси. На выходе из последнего реактора смесь охлаждают в теплообменнике и холодильнике до 20…40 °С и направляют в сепаратор высокого давления С-1 для отделения циркулирующего ВСГ от катализата. Часть ВСГ после осушки цеолитами в адсорбере Р-4 подают на прием циркуляционного компрессора, а избыток выводят на блок предварительной гидроочистки бензина и передают другим потребителям водорода. Нестабильный катализат из С-1 подают в сепаратор низкого давления С-2, где от него отделяют легкие углеводороды. Выделившиеся в сепараторе С-2 газовую и жидкую фазы направляют во фракционирующий абсорбер К-1. Абсорбентом служит стабильный катализат (бензин). Низ абсорбера подогревают горячей струей через печь П-2. В абсорбере при давлении 1,4 МПа и температуре внизу 165 и вверху 40 °С отделяют сухой газ. Нестабильный катализат, выводимый с низа К-1, после подогрева в теплообменнике подают в колонну стабилизации К-2. Тепло в низ К-2 подводят циркуляцией и подогревом в печи П-1 части стабильного конденсата. Головную фракцию стабилизации после конденсации и охлаждения направляют в приемник С-3, откуда частично возвращают в К-2 на орошение, а избыток выводят с установки. Часть стабильного катализата после охлаждения в теплообменнике подают во фракционирующий абсорбер К-1, а балансовый его избыток выводят с установки.
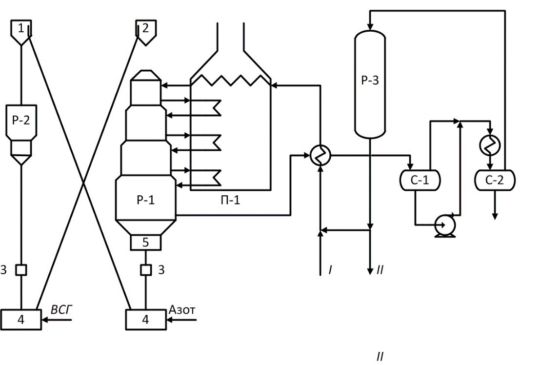
5.2 Установка каталитического риформинга с непрерывной регенерацией катализатора.

Рис.2
1 — бункер закоксованного катализатора; 2 — бункер регенерированного катализатора; 3 — шлюз; 4 — дозатор; 5 — разгрузочное устройство; I — гидроочищенное сырье; II — ВСГ; III — риформат на стабилизацию
Четыре реактора риформинга (Р-1) располагают друг над другом и связывают между собой системами переточных труб малого диаметра. Шариковый катализатор диаметром 1,6 мм свободно перетекает под действием силы тяжести из реактора в реактор. Из реактора четвертой ступени через систему затворов с шаровыми клапанами катализатор поступает в питатель-дозатор, откуда азотом его подают в бункер закоксованного катализатора узла регенерации. Регенератор (Р-2) представляет собой аппарат с радиальным потоком реакционных газов, разделенный на три технологические зоны: в верхней при мольном содержании кислорода менее 1 % производят выжиг кокса, в средней при содержании кислорода 10...20 % и подаче хлорорганического соединения — окислительное хлорирование катализатора, а в нижней зоне катализатор прокаливают в токе сухого воздуха. Разобщение зон — гидравлическое. Катализатор проходит все зоны под действием силы тяжести. Из регенератора через систему шлюзов-затворов катализатор поступает в питатель-дозатор пневмотранспорта и водородсодержащим газом его подают в бункер-наполнитель, расположенный над реактором первой ступени. Процесс регенерации автоматизирован и управляется ЭВМ. Систему регенерации при необходимости можно отключить безнарушения режима риформирования сырья.
Поскольку процесс риформинга проводят при пониженном давлении (0,9…0,4 МПа), на установках риформинга непрерывной регенерации катализатора применяют следующую систему операции ВСГ: катализат после реакторов и сырьевого теплообменника подают в сепаратор низкого давления С-1. Выделившиеся в нем газовую и жидкую фазы соответственно компрессором и насосом направляют в сепаратор высокого давления С-2 для выделения ВСГ с высокой концентрацией водорода.