Материал: Изучение устройства, принципа действия и классификации одноковшового и многоковшового экскаватора

Внимание! Если размещение файла нарушает Ваши авторские права, то обязательно сообщите нам

Тягач шнекороторного экскаватора ЭТР-206А такой же, как у экскаваторов ЭТР-204А. ЭТР-223А, ЭТР-224А (табл. 1.7). Тягач экскаватора ЭТР-208 выполнен по той же схеме из агрегатов тракторов К-701 и Т-130МГ, но отличается конструкцией рам гусеничных тележек, раздаточного редуктора и ходоуменьшителя.

Таблица 1.2Технические характеристики цепных траншейных экскаваторов


·              Без скобок - без откосообразователей; в скобках - с цепным откосообразователем.

o     Слева от черты - для рытья траншей шириной 0,27 м, справа- 0,4 м.

§       Без скобок - с основным оборудованием при глубине копания 2,5 м; в скобках - при глубине копания 3,5 м.

Таблица 1.3Технические характеристики роторных траншейных экскаваторов


Таблица 1.4Технические характеристики экскаваторов


Тягач экскаватора ЭТР-301 - трактор Т-180Г, перекомпонованный и оборудованный дизель-генераторной установкой.

В качестве базовых тягачей двухроторных экскаваторов МК-23, МК-22, ЭТР-125А использованы серийные тракторы. Базовый тягач экскаватора ЭТР-173 скомпонован из агрегатов тракторов К-701 и Т-130МГ (табл. 1.8). Конструктивная схема тягача подобна тягачам экскаваторов ЭТР-254 и ЭТР-208.

Таблица 1.5Технические характеристики плужно-роторных и двухроторных экскаваторов


Таблица 1.6Технические характеристики казовых тягачей и шасси роторных экскаваторов


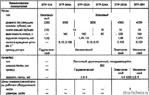
Роторы траншейных экскаваторов, за исключением ротора экскаватора ЭТР-134, состоят из боковых дисков, соединяемых перемычками и ковшами. Ковши снабжены легко сменяемыми режущими зубьями и цепными днищами. На дисках роторов крепят зубчатые рейки привода вращения ротора. Диски роторов опираются на ролики, установленные на осях в рамах роторов. Особенности ротора экскаватора ЭТР-254 - двухрядное расположение ковшей. Ротор экскаватора ЭТР-134 отличается отсутствием ковшей и способом опирания: его опорой является центрально расположенный вал (табл. 1.9).

Таблица 1. 7 Технические характеристики базовых тягачей и шасси шнекороторных экскаваторов


Таблица 1.8 Технические характеристики базовых тягачей и шасси плужно-роторных и двухроторных экскаваторов


Конвейеры на всех траншейных экскаваторах, за исключением ЭТР-134, у которого грунт, срезаемый и доставляемый на поверхность ножами ротора, ссыпается двумя валиками на бермы траншеи, выполнены из резинотканевой ленты шириной 800 либо 1200 мм, движущейся со скоростью до 5 м/с.

На шнекороторных экскаваторах (табл. 1.10) установлены однорядные (ЭТР-206А и ЭТР-208) и двухрядные (ЭТР-301) роторы ковшового типа. Ротор экскаватора ЭТР-208 унифицирован с ротором экскаватора ЭТР-253А. В качестве откосообразователей применяют конические ленточные (ЭТР-206Л и ЭТР-301) и прерывистые (ЭТР-208) шнеки.

Конвейеры шнекороторных экскаваторов - ленточные, реверсируемые для отсыпки грунта в отвалы на одной или двух сторонах канала. Задние опоры - пневмоколесные со сдвоенными колесами.

Роторы плужно-роторных и двухроторных экскаваторов (табл. 1.11) не только режут, но и транспортируют грунт. Они представляют собой диски, сваренные из листовой стали и снабженные ножами, рушителями и выбросными лопатками.

Роторы плужно-роторных экскаваторов работают в гравитационном режиме, что позволяет располагать отвалы разработанного грунта в непосредственной близости к краю одного из откосов. Роторы двухроторных экскаваторов работают в инерционном режиме и разбрасывают разработанный грунт равномерными слоями по обеим сторонам канала.

Таблица 1.9 Технические характеристики роторов, конвейеров, задних опор роторных траншейных экскаваторов



Таблица 1.10 Технические характеристики роторов, шнеков, конвейеров, задних опор шнекороторных экскаваторов


Цепные траншейные экскаваторы отрывают траншеи с ровными стенками и дном. Перед укладкой трубопроводов или кабелей обычно не требуется дополнительных планировочных работ. Отвалы грунта располагаются вблизи от бровки траншеи, что упрощает ее обратную засыпку. Экскаваторы выпускают на базе колесных и гусеничных тракторов. Рабочее оборудование - скребковое, управление - гидравлическое, регулирование рабочих скоростей - бесступенчатое.

В экскаваторе ЭТЦ-165 (рис. 1.2) рабочее оборудование, расположенное сзади в виде цепного рабочего органа скребкового типа и шнекового конвейера, приводится от вала отбора мощности трактора через редуктор с муфтой предельного момента. Спереди трактора расположен отвал. Два ведущих моста базового трактора МТЗ-82 обеспечивают высокие тягово-сцепные качества экскаватора. Бульдозерный отвал может поворачиваться и выдвигаться в сторону, что позволяет производить качественную засыпку траншей.

Рис. 1.2. Экскаватор ЭТЦ-165А: 1 - механизм подъема и опускания рабочего органа; 2- приводной вал; 3 - дополнительная рама рабочего органа; 4 - рабочий орган; 5 - зачистной башмак; б - рабочая цепь; 7 - шнековый конвейер; 8 - редуктор привода рабочего органа; 9 - ходоуменьшитель; 10 - трактор; 11 - отвал бульдозера

Навесное оборудование (редуктор привода рабочего органа, рабочий орган с механизмом подъема, ходоуменьшитель, поворотное бульдозерное оборудование, дополнительная гидросистема) устанавливается без доработок трактора.

Корпус привода рабочего органа прикреплен к корпусу заднего моста трактора. Привод осуществляется через трехступенчатый редуктор, получающий вращение от привода заднего вала отбора мощности трактора. Он обеспечивает четыре рабочие скорости и две скорости реверса рабочей цепи. Для предохранения деталей экскаватора от поломок при встрече рабочего органа с непреодолимыми препятствиями в приводе установлена предохранительная муфта.

Шнековый конвейер для выгрузки грунта в отвалы и очистки бермы устанавливается на раме рабочего органа в положение, соответствующее глубине копания. Привод конвейера осуществляется рабочей цепью. Для зачистки и сглаживания дна траншеи рама рабочего органа оснащена консольным зачистным башмаком.

Экскаватор ЭТЦ-252А (рис. 1.3) отрывает траншеи прямоугольного и трапецеидального сечения в грунтах с каменистыми включениями размером до 200 мм.

Экскаватор смонтирован на базе трелевочного трактора ТТ-4, в котором демонтированы лебедка с раздаточной коробкой, погрузочное устройство, гидроцилиндр, гидробак, гидрораспределитель; рама трактора усилена и приспособлена для установки узлов рабочего оборудования.

В трансмиссии экскаватора предусмотрена распределительная коробка для передачи мощности двигателя на рабочий орган, насос, гидромоторы и ходовой механизм трактора.

Рабочий орган отрывает траншеи глубиной до 2,5 м. Возможна установка дополнительной рамы-вставки со скребками и цепями, обеспечивающей рытье траншей глубиной до 3,5 м.

На машине применяют скребки шести типов, .различающиеся расположением зубьев. Для отрывки трапецеидального профиля траншеи в грунтах I-III групп шириной по верху 2,8 и по низу до 1 м установлены цепные откосообразователи.

Для предотвращения поломок экскаватора при встрече скребков с непреодолимым препятствием на фланце углового редуктора установлено предохранительное устройство.

Экскаватор поставляется с рабочим органом для разработки немерзлых грунтов. При необходимости разработки мерзлых грунтов рабочий орган переоборудуют (устанавливают дополнительные поддерживающие ролики, клыки с пластинами из твердого сплава, снимают уширители на скребках и цепи откосообразователя, устраняют действие пружин амортизирующего устройства и др.).

Рис. 1.3. Экскаватор ЭТЦ-252А: 1 - силовая установка; 2 - кабина; 3 - гидросистема; 4 - трансмиссия; 5 - механизм подъема и опускания рабочего органа; 6 - конвейер; 7 - лоток; 8 - рабочий орган; 9 - скребок

Подъем и опускание рабочего органа, вращение конвейера и регулирование скорости его расстояния - на прицепе-тяжеловозе (по автомобильным дорогам) или на открытой платформе грузоподъемностью 62 т (по железной дороге).

Экскаватор ЭТЦ-151 является модификацией экскаватора ЭТЦ-252А и предназначен для рытья кюветов и каналов трапецеидального профиля.

Экскаватор ЭТЦ-208В (рис. 1.4) предназначен для рытья траншей прямоугольного сечения в мерзлых и особо прочных намёрзлых грунтах. Он оснащен цепным рабочим органом и поперечно расположенным цепным скребковым движения, передвижение машины и регулирование скорости рабочего хода осуществляются с помощью гидропривода.

Для выгрузки грунта в автотранспортные средства или отвал служит конвейер. Изменение его положения в зависимости от правой или левой выгрузки грунта, складывание секций конвейера в транспортное положение выполняют с помощью лебедки и системы блоков.

На небольшие расстояния (до 10 км) экскаваторы транспортируют своим ходом, а на дальние вейером. Цепь рабочего органа состоит из звеньев гусеничной цепи трактора Т-100М, к которым крепятся резцы и скалывающие клинья. Резцы предназначены для разработки мерзлых грунтов. Они оснащены стандартными пластинками из твердого сплава, а для немерзлых грунтов имеют износостойкую наплавку. При движении цепи и поступательном передвижении машины резцы прорезают в грунте канавки, а остающиеся между ними целики скалываются боковым распором клиньев. Грунт выносится из траншей рабочей цепью и далее подается скребками конвейера в отвал.

Рабочий орган экскаватора ЭТЦ-208В представляет собой баровый механизм с режущей цепью, состоящей из кулачков, соединенных пальцами. Положение пальцев фиксируется пружинными кольцами. В кулачки вставляются сменные зубья, закрепляемые стопорами. Для зачистки дна отрываемой траншеи рабочий орган оснащен зачистным башмаком. Конвейера для отвала грунта нет.

Подъем, опускание и принудительное заглубление рабочего органа в грунт осуществляются с помощью двух гидроцилиндров, штоки которых связаны с рамой рабочего органа.

Роторные траншейные экскаваторы предназначены для рытья траншей в грунтах I…IV групп. Экскаваторы ЭТР-204А и ЭТР-223А могут разрабатывать фунты с промерзанием на глубину до 1 м; ЭТР-224А - до 1,2; ЭТР-134 -до 1,3; ЭТР-253 - до 2,5; ЭТР-254 - до 2,4м. Экскаватором ЭТР-134 (рис. 5.5) отрывают узкие траншеи прямоугольного профиля. Одновременно он может буксировать кабелеукладчик. Состоит из базового тягача 1, рабочего оборудования в виде ротора 11 и зачистного устройства 10, установленных на общей раме 9. Рама соединена с базовой машиной через основную раму 5. В транспортное положение рабочее оборудование переводится с помощью механизма подъема 3.

Для уменьшения скорости рабочего хода на экскаваторе установлен гидромеханический ходоуменьшитель. Экскаваторы ЭТР-204А, ЭТР-223А, ЭТР-224А унифицированы. С их помощью в грунтах по 111 группу включительно отрывают прямоугольные траншеи (в устойчивых грунтах) или траншеи с откосами (в оплывающих и обрушающих-ся грунтах), в грунтах IV группы, а также в мерзлых - только прямоугольные траншеи.

Рис. 1.6. Экскаватор ЭТР-204А: 1 - тягач; 2, 3 - механизмы подъема задней и передней частей рабочего оборудования; 4, 8 - рамы; 5 - шарнирная цепная передача; 6 - привод конвейера; 7 - конвейер; 9 - зачистное устройство; 10 - ротор; 11 - гусеничная тележка

Приводы ротора и транспортного передвижения - механические, привод конвейера - гидравлический от гидромоторов 9. При движении на транспортных скоростях вращение ведущим колесам гусеничного хода передается от двигателя через тракторную коробку передач.

Экскаватор ЭТР-253А (рис. 1.7) благодаря более высокой энергонасыщенности, проходимости и надежности ходовой системы базового тягача ДЭТ-250 используют в грунтах Ш и IV группы, а также в мерзлых грунтах. Рабочее оборудование состоит из ротора, конвейера и зачистного устройства. Задняя часть рамы опирается на грунт через пневмоколесную опору, а передняя соединена с базовым тягачом через узел сопряжения, снабженный осями для поворота рабочего оборудования относительно тягача. Ротор и конвейеры приводятся от индивидуальных электродвигателей, питающихся от дизельно-генераторной установки тягача. Для привода рабочего хода в электрическую схему трактора ДЭТ-250 введен магнитный усилитель с обратными отрицательными и положительными связями. Рабочие скорости регулируют изменением сопротивления в цепи отрицательной обратной связи.

Двухроторные экскаваторы. Рабочий орган состоит из двух роторов, каждый из которых при поступательном движении машины прорезает щель вдоль откоса канала. Подрезанная центральная призма грунта под действием собственного веса, рыхлителей, установленных на роторах, и клиньев зачистного устройства обрушивается на роторы и выносится в отвал.

Двухроторный экскаватор ЭТ-125А (рис. 1.9) отрывает за один проход каналы глубиной до 1,2 м в грунтах I группы с включениями древесины и камней диаметром до 80 мм. В зимних условиях разрабатывают грунты с промерзанием на глубину до 150 мм.

Перевод роторов из рабочего положения в транспортное и наоборот - гидравлический. Питание к гидроцилиндрам подводится от насосов, установленных на двигателе трактора.

Двухроторный экскаватор ЭТР-173 отрывает в тех же условиях, что и экскаватор ЭТР-125А, осушительные каналы глубиной до 1,7 м. Перебазировка на большие расстояния трудоемка.

Рис. 1.7. 1 - трактор ДЭТ-250М; 2 - электрооборудование; 3 - привод генератора; 4 - гидроцилиндр подъема рабочего органа; 5 - электродвигатель привода конвейера; 6 - конвейер; 7 - гидроцилиндр подъема конвейера; 8 - поддерживающие ролики; 9 - задняя опора рабочего органа с шинами; 10- направляющие ролики; 11 - установка привода ротора; 12 - муфта предельного момента; 13 - редуктор привода ротора

Рис. 1.8. Экскаватор ЭТР-254: 1 - тягач; 2 - конвейер; 3 - ротор, 4,7- рамы рабочего оборудования и подъемная; 5 - задняя опора; 6 - зачистное устройство

Наиболее эффективное применение - прокладка протяженных осушительных каналов.

Трансмиссия привода хода аналогична трансмиссии хода шнекороторного экскаватора ЭТР-208. В ней применены коробка передач, дифференциал, бортовые механизмы трактора, а также бортовые редукторы.

Роторы вращаются от четырех гидромоторов (по два на каждый ротор). Все гидромоторы и гидроцилиндры питаются от насосной станции, объединенной в одном блоке с раздаточным редуктором.