Материал: Изучение радиоэлектронной аппаратуры

Внимание! Если размещение файла нарушает Ваши авторские права, то обязательно сообщите нам

Изучение радиоэлектронной аппаратуры

Министерство образования Республики Беларусь

БГУИР

Факультет заочного обучения

Кафедра: РТС










Контрольная работа

по дисциплине: "Радиопередающие устройства"


Выполнил

студент гр. 002901-24

Специальности СРРиТ

Ровгач М.А.





1. Составьте структурную схему и технические требования к радиопередающему устройству магистральной радиосвязи

Передатчики магистральной радиосвязи входят в радиорелейные линии прямой видимости (РРЛ), линии космической (спутниковой) связи и линии связи, использующие явление рассеяния радиоволн на неоднородностях тропосферы - тропосферные линии. Такие линии работают в диапазонах дециметровых и сантиметровых волн, осуществляя многоканальную радиотелефонную связь (с возможностью вторичного уплотнения телефонных каналов телеграфными) и передачу программ телевидения. Расположенные на спутниках передатчики-ретрансляторы имеют мощность около нескольких десятков ватт.

В радиорелейных, тропосферных, спутниковых системах связи могут использоваться различные виды модуляции несущей частоты передатчика. Наиболее часто применяется угловая модуляция при частотном разделении каналов (ЧРК) и импульсная при временном разделении каналов (ВРК); применяется амплитудно-импульсная (АИМ), фазово-импульсная (ФИМ), импульсно-кодовая (ИКМ) и другие виды модуляции.

Передатчик магистральной радиосвязи должен соответствовать следующим техническим требованиям [2]:

.        Допустимая нестабильность частоты ε≤(20…50)∙10-6;

.        Не должен создавать помех другим радиосистемам;

.        Высокая линейность АЧХ (неравномерность АЧХ примерно 0,8 дБ);

.        Высокая несущая частота;

.        Оптимальный КПД;

.        Высокая надежность.

Структурная схема передатчика магистральной радиосвязи представлена на рисунке 1.

Рисунок 1. Функциональная схема передатчика радиорелейной или тропосферной линии связи.

Передатчик содержит следующие узлы (тракты):

Кварцевый автогенератор (АГ) с частотой fкв. и тракт умножения частоты и усилителя мощности, которые в основном обеспечивают заданную стабильность частоты передатчика, выходная частота равна nfкв.;

тракт промежуточной частоты с модулируемым по частоте автогенератором, обеспечивающий заданную девиацию частоты при заданных показателях качества модуляции;

Смеситель или преобразователь частоты, осуществляющий формирование рабочей частоты передатчика fраб= nfкВ+fподн.;

Тракт усиления мощности передатчика. Во многих случаях при малой мощности передатчика тракт усиления не требуется.

. В чем заключается сущность приближенного гармонического анализа импульсов коллекторного тока транзисторного ГВВ при гармоническом возбуждении?

Сущность приближенного гармонического анализа заключается в том, что импульс коллекторного тока при расчетах можно аппроксимировать косинусоидальным импульсом с отсечкой. При этом необходимо, что бы совпадали высота и положение максимумов аппроксимирующего и точного импульсов, а амплитуда косинусоидальной образующей первого была равна амплитуде вынужденно составляющей [1] (рис 2).

Рисунок 2. Импульс коллекторного тока инерционного биполярного транзистора и его косинусоидальная аппроксимация (штриховая линия).

В результате приближенного гармонического анализа выражение для комплексных амплитуд токов коллектора имеет вид [1]:

 (1)

Здесь  - комплексная средняя по 1-й гармонике крутизна транзистора,

 -

комплексная крутизна кусочно-линейчатой модели транзистора при работе без отсечки тока;

С помощью (1), зависимости запаздывания импульсов коллекторного тока τМ от угла отсечки θН при разных значениях параметра инерционности ωвхТs(рис.3) и зависимости высокочастотного угла отсечки θ от низкочастотного θН при разных ωвхТs (рис.4) можно анализировать зависимости амплитуд и фазовых сдвигов гармоник от частоты и режима.

Рисунок 3. Зависимость запаздывания импульсов коллекторного тока τМ от угла отсечки θН при разных значениях параметра инерционности ωвхТs

Рисунок 4. Зависимость высокочастотного угла отсечки θ от низкочастотного θН при разных ωвхТs

Сравнение с точным гармоническим анализом показывает, что относительная погрешность аппроксимации растет с уменьшением θ и увеличением ωвх.

. На примере параллельной схемы варакторного УЧ рассмотрите баланс мощностей в УЧ пассивного типа. Поясните от чего зависит КПД УЧ

Варактор - это полупроводниковый диод, который используется как нелинейная емкость с малыми потерями. Структурная схема параллельного ВУЧ (рис. 5) содержит источник входного сигнала, варактор, нагрузку и фильтры Ф1, и Ф2. Под действием гармонического напряжения на входе через варактор протекает ток, в котором появляются высшие гармоники из-за того, что емкость зависит от напряжения.

Гармоника нужного номера N с частотой ωвых=nωвх через фильтр Ф2 направляется в нагрузку Rн, потребляющую выходную мощность ВУЧ. Мощность, подведенная к умножителю, частично теряется в варакторе и фильтрах. Некоторая доля преобразованной мощности рассеивается в элементах схемы. По этому, коэффициент передачи по мощности ВУЧ меньше единицы.

Работу ВУЧ характеризует группа параметров; коэффициент умножения N, входная Рвх и выходная PвыхN мощности, КПД η = РвыхN/Pвх (его называют иногда эффективностью умножителя или коэффициентом передачи по мощности), полоса рабочих частот и т. д. Обычно в ВУЧ стремятся получить максимальные выходную мощность и КПД, т. е. добиться режима, оптимального по энергетическим показателям.

Рисунок 5. Параллельная структурная схема варакторного умножителя частоты

Баланс мощностей в ВУЧ.

Рассмотрим установившийся режим варакторного умножителя частоты. Составим эквивалентную схему (рис.6), где варактор заменен нелинейной емкостью С(u) и линейным сопротивлением r, учитывающим потери в p-n переходе, сопротивление правой ветви Zn=rn+jXN - это входное сопротивление фильтра Ф2, нагруженного на Rn. Левая ветвь содержит генератор напряжения uвх(t)=Uвх1cosωвхt c внутренним сопротивлением Z1=r1+jX1. Ее параметры найдены по теореме об эквивалентном генераторе, примененной к части схемы на рис.5 слева от варактора.

Рисунок 6. Эквивалентная схема ВУЧ.

Токи в ветвях i1, iN, i=i1+iN, напряжение u и заряд q меняются с периодом Tвх=2π/ωвх. Поскольку варактор является нелинейной емкостью, то перечисленные величины несинусоидальны и их можно представить суммой гармоник частоты ωвх.

Составим уравнение баланса мощностей. Фильтр Ф2 выбирают так, чтобы в нагрузке протекал близкий к синусоидальному ток и выделял в ней мощность PвыхN. От источника возбуждения отбирается мощность Pвых1, превышающая РвыхN на Рп:

Рвых1=РвыхN+Рп,

где Рп - мощность потерь в фильтрах (РФ1, РФ2) и в диоде (Ррас):

Рп= РФ1 + РФ2 + Ррас.

Мощность Рп равна сумме мощностей Рпk, рассеиваемых гармониками тока в фильтрах и в сопротивлении диода r, т.е.


Используя это соотношение, представим КПД умножителя в виде


Очевидно, уменьшение потерь на любой из гармоник, не вызывающее увеличения потерь на остальных гармониках и падения выходной мощности, повышает КПД ВУЧ.

. Приведите схему замещения кварцевого резонатора и поясните смысл, указав численные значения элементов этой схемы. Поясните, почему кварцевый резонатор в схемах кварцевых АГ может быть использован только как эквивалентная индуктивность или последовательный контур

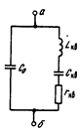
Эквивалентная схема кварцевого резонатора вблизи его собственной частоты представлена на рис.7.

Емкость С0 характеризует статическую емкость кварцедержателя (обычно 2…8 пФ). a Lкв, Скв и rкв являются непосредственно динамическими параметрами кварца. Индуктивность кварца Lкв характеризует инерционные свойства пластины (обычно от десятых долей до единиц генри), емкость Скв - упругие свойства пластины (значение ее от сотых до десятых долей пикофарад). а сопротивление - потери в резонаторе.

Рисунок 7. Эквивалентная схема кварца.

Вес схемы кварцевых автогенераторов, которые в настоящее время используются на практике, можно разделить на две группы. В первой группе схем кварцевый резонатор играет роль индуктивного сопротивления (так называемые "осциляторные схемы") Во второй группе схем генераторов кварц используется как последовательный резонансный контур. При этом кварцевый резонатор включается в цепь обратной связи. В осцилляторных схемах кварц включается либо между коллектором и базой (емкостная трехтонка, рис. 8), либо между змиттером и базой или эмиттером и коллектором (индуктивная трехтонка, рис. 9 а и б).

Во всех приведенных схемах автогенераторов кварцевый резонатор играет роль индуктивности. На практике чаще всего используется схема емкостной трехточки (см. рис. 8). Эта схема отличается конструктивной простотой (не требует дополнительных индуктивностей) и легкостью настройки.

Рисунок 8. Емкостная трехточечная схема кварцевого АГ.

Рисунок 9. Индуктивная трехточечная схема кварцевого АГ.

радиосвязь ток резонатор колебательный

Резонансная частота LC1,-контура выбирается таким образом, чтобы она была ниже рабочей частоты, но выше частоты ближайшей низкой нечетной механической гармоники. Тогда на рабочей частоте LC1-контур эквивалентен конденсатору и автогенератор представляет собой обычную трехточечную схему. На более же низкой механической гармонике кварца LC1-контур эквивалентен индуктивности и автогенератор не возбуждается, так как не выполняются фазовые соотношения.

Кроме осцилляторных схем автогенераторов, в которых кварцевый резонатор используется в качестве индуктивности, на практике применяются также схемы, где кварц используется как последовательный резонансный контур. Принцип работы этих схем основан на том, что значение модуля сопротивления кварцевого резонатора на частоте последовательного резонанса ω1 минимально и резко возрастает при отклонении частоты от ω1. Поэтому, если включить кварцевый резонатор в цепь ОС трехточечной схемы автогенератора (рис. 10), то при частотах, близких к частоте последовательно резонанса ω1, цепь ОС (образуется кварцевым резонатором и резистором R - рис. 10) замкнута и автогенератор самовозбуждается. На частотах, отличных от ω1, сопротивление кварца велико, а коэффициент ОС мал. и условия самовозбуждения автогенератора не выполняются. Таким образом, частотагенерации автогенератора близка к частоте ω1.

Рисунок 10. Схема автогенератора с кварцем в цепи ОС.

. Какие типы колебательных систем используются в генераторах СВЧ? Проанализируйте резонансные свойства отрезков разомкнутых длинных линий

Автогенераторы на СВЧ - двухконтурные с общей сеткой и по своему конструктивному выполнению аналогичны УМ, что связано с особенностями ламп, удобством настройки и подачи питающих напряжений.

Отличие АГ от УМ состоит только в том, что вместо элемента связи с возбудителем включают дополнительную обратную связь между контурами для увеличения коэффициента обратной связи, так как связь через емкость анод-катод обычно недостаточна для самовозбуждения. АГ строятся с общей сеткой и по дополнительному элементу обратной связи бывают с емкостной связью между контурами (рис. 11) и индуктивной связью между контурами (рис. 12).

Рисунок 11. Упрощенная схема двухконтурных АГ с емкостной связью между контурами.

Рисунок 12. Упрощенная схема двухконтурных АГ с индуктивной связью между контурами.

Напряжение возбуждения создается как за счет емкости анод-катод (UC ак), так и за счет элемента дополнительной связи (Uдоп). Если фазы этих напряжений совпадают, то действие дополнительной связи эквивалентно увеличению емкости анод-катод. Если фазы напряжений UС ак и Uдоп противоположны, а по модулю Uдоп > UС ак то действие дополнительной связи эквивалентно включению между анодом и катодом индуктивности.

Так же надо заметить, что катодный и анодный контуры образовываются С2, С3 и отрезками разомкнутых линий l2 и l3 соответственно. На высоких частотах величина и характер входного сопротивления разомкнутой линии (рис. 13) изменяются в зависимости от того, какое количество волн укладывается вдоль линии.

Рисунок 13. Зависимость тока, напряжения и входного сопротивления в разомкнутой линии.

Из графиков следует, что:

. Напряжение, ток и входное сопротивление вдоль линии изменяются по периодическому закону с периодом λЛ/2;

. Входное сопротивление разомкнутой линии является чисто мнимым за исключением точек с координатами z = nλЛ/4, n = 0,1,2,…;

. Если длина разомкнутой линии меньше λЛ/4, то такая линия эквивалентна емкости;

. Разомкнутая на конце линия длиной λЛ/4 эквивалентна последовательному резонансному на рассматриваемой частоте контуру и имеет нулевое входное сопротивление;

. Линия, длина которой лежит в интервале от λЛ/4 до λЛ/2, эквивалентна индуктивности;

. Разомкнутая на конце линия длиной λЛ/2 эквивалентна параллельному резонансному контуру на рассматриваемой частоте и имеет бесконечно большое входное сопротивление.

Литература

1.      Радиопередающие устройства. Учебник для вузов / Под ред. М.В. Благовещенского, Г.М. Уткина. - М.: Радио и связь, 1982.

.        Радиопередающие устройства (Проектирование радиоэлектронной аппаратуры на интегральных микросхемах) / Под ред. О.А. Челнокова. - М.: Радио и связь, 1982.

.        В.И. Капышев. Методические рекомендации, вопросы и задачи для самостоятельной работы студентов 3,4,5 курсов специальности "Радиотехника по дисциплине "Радиопередающие устройства". Ч. 1. - Мн.: МРТИ, 1990