Материал: Изучение частотной зависимости действительной и мнимой части диэлектрической проницаемости

Внимание! Если размещение файла нарушает Ваши авторские права, то обязательно сообщите нам

Изучение частотной зависимости действительной и мнимой части диэлектрической проницаемости

Министерство образования Республики Беларусь

Белорусский государственный

Университет информатики и радиоэлектроники

Факультет радиотехники и электроники

Кафедра микро- и наноэлектроники

Дисциплина: «Физика твёрдого тела»







Отчёт по лабораторной работе

«Изучение частотной зависимости действительной и мнимой части диэлектрической проницаемости»











Минск

Цель работы: проследить за ёмкостью и диэлектрической проницаемостью объекта в зависимости от частоты, обнаружить закономерность, приобрести технические навыки в работе с оборудованием. Аппаратурно-методическое обеспечение:

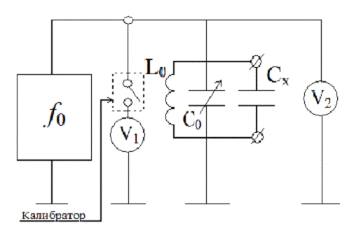
В лабораторной работе использовался прибор ВМ-560, съёмные катушки и исследуемый образец.

Рис.1- Схема прибора

Установка представляет собой LC-колебательный контур, в котором наблюдается резонанс PI .В опыте мы устанавливали определённую частоту и на ней искали резонанс между L0 и C0, затем установили образец и проделали тоже самое на тех же частотах.

Ход работы:

.Выбрав частоту f0, настроили контур в резонанс и нашли величину С0, которая определяется положением максимума напряжения в контуре.

.Подключаем образец и измеряем С1, на той же резонансной частоте.

.Также определяем добротность Q0 и Q1.

.Аналогично находим эти значения для всех частот.

Важным аспектом при регистрации  и является то, что перед этим нужно обязательно провести калибровку прибора, поскольку даже малая ошибка может в последующем привести к ошибочным результатам .

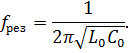
Резонансная частота при измерении без объекта находится из выражения:


Резонансная частота при измерении с объектом находится из выражения:

диэлектрический двухполюсник частота


Ёмкость исследуемого двухполюсника находится по формуле:


Добротность исследуемого двухполюсника находится по формуле:


Добротность диэлектрика определяется по формуле:


где  - тангенс угла диэлектрических потерь:


Таблица 1.Расчётные данные

f0, кГц

С0, пФ

Q0

С1, пФ

Q1

62,5

220.7

108

155.7

45

125

150.3

177

85.6

68

250

98.8

234

34.5

120

500

90.2

225

25.4

120

1000

205

186

140.1

162

2000

172.3

210

107.3

183

4000

234

53.9

204

8000

251.3

320

186.1

294

16000

97.2

380

29.9

264


Найдем Сx, Qx, для первой частоты

:;


аналогично находим эти значения для всех частот.

Полученные данные были занесены в таблицу:

Таблица №2. Расчётные данные

f0, кГц

, пФtgδ



62,5

65

77.1

0.013

125

64.7

110.4

0.009

250

64.3

246.3

0.004

500

64.8

257.1

0.004

1000

65.1

1255.5

0.0008

2000

65

1423.3

0.0007

4000

64.5

1591.2

0.0006

8000

65.2

3618.5

0.0003

16000

67.3

864.8

0.0012


Графики результатов измерений:

Qx

Рис.2- Зависимость добротности от частоты f [кГц]

Cх[пФ]

Рис.3-Зависимость ёмкости от частоты; f [кГц]

Как известно , тогда зависимость ёмкости от частоты характеризует и зависимость диэлектрической проницаемости от частоты.

ɛ’[пФ]

f [кГц]

Рис.4- Зависимость действительной части диэлектрической проницаемости от частоты


где  и  - действительная и мнимая части диэлектрической проницаемости.

Тогда:


В данном эксперименте  как и  с изменение частоты не изменяются, тогда можно утверждать, что на диапазоне частот 62.5 кГц - 16000 кГц  Тогда можно записать, что:


ɛ’’

f [кГц]

Рис.5- Зависимость мнимой части диэлектрической проницаемости от частоты;
tgδ

f [кГц]

Рис.6- Зависимость тангенса угла диэлектрических потерь от частоты;

Из представленных графиков видно, что действительная часть диэлектрической проницаемости соответствует ёмкости, а мнимая - тангенсу угла диэлектрических потерь. Тангенс угла потерь имеет минимум там, где добротность имеет максимум, и наоборот. Он находится в районе 8 МГц. Также добротность имеет ступенчатый характер и максимум из-за наличия в образце различных механизмов поляризации в исследуемом диапазоне частот. В формуле для нахождения  в знаменателе находится разность двух почти равных величин, поэтому даже малая ошибка в измерении  приведёт к огромной ошибке в значении .

Достоверное значение  можно определить многократной регистрацией параметров  или же при помощи непосредственной регистрации


что предусмотрено конструкцией прибора ВМ-560.

Вывод: В ходе проведения лабораторной работы были получены практические навыки при работе с оборудованием, а также было рассмотрено поведение действительной и мнимой части диэлектрической проницаемости с увеличением частоты.