Материал: Исследование высокочастотных диэлектрических спектров композитных плёнок, содержащих цирконий в обеих фазах

Внимание! Если размещение файла нарушает Ваши авторские права, то обязательно сообщите нам

Методика получения композитных плёнок, а также их наноструктура, полученная с использованием просвечивающей рентгеновской спектроскопии, описана в работе [11].

В композитах (CoaFebZrc)x (Zr2O3) наблюдается расслоение металлической и диэлектрической фаз, однако электронно-микроскопический контраст в них менее выражен. Структура металлической и диэлектрической фаз и для этого композита является аморфной.

Рис.2.2 Изображение поверхности композитной плёнки (CoaFeb Zrc)x (Zr2O3)полученное с помощью АСМ

Для исследования структуры нанокомпозитов были получены различные по составу пленки (CoaFeb Zrc)x (Zr2O3) толщиной около 2,2-6,2 мкм. Образцы были получены методом ионно-лучевого распыления составной мишени сплава CoaFeb Zrc с навесками из оксида алюминия на лавсановую подложку [9]. Изменяя число пластин оксидаалюминия и расстояние между ними, можно было варьировать соотношением объемов напыляемых магнитной и диэлектрической фаз.

Структура полученных аморфных композиций была исследована с помощью электронной микроскопии. На (рис.2.2) представлена микрофотография и электронограмма для композита (CoaFebZrc)x (Zr2O3), осажденного на неподвижную подложку из лавсана.

Темные области на фотографии соответствуют металлическим гранулам. Размеры гранул изменяются в пределах 2 - 5 нм, которые, соединяясь друг с другом, образуют лабиринтоподобную структуру. На микрофотографиях видно, что гранулы окружены светлыми областями, которые соответствуют изолирующим барьерам из Al2O3. Электронно-микроскопические исследования структуры полученных образцов подтвердили фазовое расслоение и наличие металлических гранул, случайным образом распределенных в диэлектрической матрице Al2O3, что характерно для других композитов с аморфной структурой.

Как следует из работы [9], анализ электронограммы показывает, что она имеет два размытых гало. Гало, расположенное ближе к центру, соответствует небольшим межплоскостным расстояниям, и его интенсивность увеличивается с увеличением содержания. Al2O3 Интенсивность второго кольца определяется количеством металлической фазы, а его размытость наряду с исследованиями температурных зависимостей удельного электрического сопротивления данных композитов позволили нам отнести его к аморфной фазе сплава металлических гранул.

На рис. 2.2 представлена микроструктура и электронограмма композита (CoaFebZrc)x (Zr2O3). Из рисунка видно, что даже в случае высокой концентрации Al2O3 металлические гранулы не абсолютно изолированы в диэлектрической матрице, а образуют небольшие конгломераты и цепочки, которые в свою очередь формируют лабиринтоподобную структуру. Структура металлической и диэлектрической фаз и для этого композита является аморфной.

Изучение структуры полученных аморфных нанокомпозитов методом электронной просвечивающей микроскопии, выявило у них фрагментированную структуру с распределенными компонентами.

Следовательно, полученные нанокомпозиты являются перколяционными системами, и, для описания их свойств можно использовать модели теории перколяции [9]


2.2 Методика и техника измерений диэлектрической проницаемости


Для определения диэлектрических свойств в широком диапазоне частот используется множество различных методов измерения [21]. Если ограничится диапазоном частот, в котором геометрические размеры измерительного устройства или образца малы по сравнению с длиной электромагнитной волны, которая соответствует частоте электрического переменного поля, то образец можно принять просто за конденсатор с потерями и определять его диэлектрические свойства.

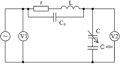
Диэлектрическая проницаемость  определялась по известной методике с использованием измерителя добротности Е4-11 по измеряемым значениям индуктивности L, емкости конденсатора и добротности Q контура в резонансе. Блок-схема прибора приведена на рис.2.3.

Рис.2.3 Блок схема измерителя добротности Е4-11.

Измерительный контур представляет собой последовательный колебательный контур, состоящий из катушки индуктивности и конденсатора C. (рис.2.4).

Рис.2.4 Схема измерительного контура

В контур вводится напряжение, снимаемое с генератора. Катушку индуктивности можно рассматривать как контур, состоящий из L, r и С0, где

С0- собственная ёмкость катушки, которая может быть определена по формуле:

,   (2.1)

где С1, С2 - ёмкости измерительного конденсатора С при резонансе на частотах f1 и f2, K= f1 /f2, и является целым числом. В нашем случае при всех измерениях С0 составляло 2 пФ. При постоянном напряжении на генераторе показания Q-вольтметра, измеряющего напряжение, пропорциональны эффективной добротности контура Qэфф, и его шкала может быть проградуирована в единицах добротности. Величину истинной добротности контура Q можно получить по формуле:

Q =Qэфф(С1+С0)/C1,                                                                  (2.2)

где С1 - ёмкость конденсатора, при которой измерена Qэфф. Погрешность измерения частоты на данном измерителе добротности составляет 5 %, а Qэфф - не более 5 % . Индуктивность катушки определяется следующим образом


C - ёмкость конденсатора в колебательном контуре.

Таким образом, учитывая, что тангенс угла потерь контура есть сумма всех потерь: диэлектрической подложки (лавсана, на которой напылена композитная плёнка), воздушного конденсатора, плёнки

tg=1/Q= tg под+tg к+tg пл.

Отсюда тангенс угла потерь композитной плёнки

Tg пл=1/Qпл= tg - tg под-tgк.

2.4 Расчетные формулы


Рассмотрим конденсатор, в который помещена диэлектрическая подложка и рассчитаем диэлектрическую проницаемость подложки.


Емкость такого конденсатора равна

                                                                                  (2.5)

                                                                                   (2.6)

где СK, СЛ, СВ - ёмкости конденсаторов: общего, с подложкой, с воздушным промежутком.

Подставим в (2.6)

 и

где dл - толщина подложки, dк - расстояние между пластинами конденсатора, л - диэлектрическая проницаемость подложки.

После подстановки, выразим εП и получим диэлектрическую проницаемость подложки, она равна

                                                                      (2.7)

Погрешность диэлектрической проницаемости подложки

        (2.8)

где

Погрешность диэлектрической проницаемости подложки составляет 2%.

Рассмотрим конденсатор с композитной (металлодиэлектрической) пленкой (CoaFeb Zrc)x (Zr2O3), в которой известно отношение объёмов металлической и к диэлектрической фаз.


                                                                          (2.9)

где  - ёмкость конденсатора с плёнкой.

Подставив в (2.9) значения

,  ,  ,

где dпл - толщина композитной пленки, Р- пористость, пл - диэлектрической проницаемости композитной пленки.

Получим

                                                                   (2.10)

Погрешность диэлектрической проницаемости композитной пленки равна

                       (2.11)

где

Погрешность измерения диэлектрической проницаемости композитной пленки равна 4%.

.5 Результаты исследований и их обсуждение


.5.1 серия плёнок 736

Рис.2.5.1 Зависимость диэлектрической проницаемости от частоты

На графике представлены зависимости диэлектрической проницаемости от частоты. На 1,2,3 плёнке наблюдается диэлектрический резонанс, возрастание колебаний дипольных моментов. На 1,2,3 плёнках дипольные моменты максимальны, диэлектрическая фаза составляет 70% в основном диэлектрик. На 4 плёнке диэлектрический резонанс обрывается ,это связано с тем что для 1,2,3 пленки характерны большие однородные диэлектрические области здесь также присутствует область циклотронного резонанса в диапазоне частот 31-34 .

Рис.2.5.2 Зависимость тангенса угла потерь от частоты

На графиках видна связь между увеличением тангенса угла потерь и возникновением циклотронного резонанса. Так же видно связь между диэлектрическим резонансом и уменьшением угла потерь.

2.5.2 серия плёнок 738

Рис.2.5.3 Зависимость диэлектрической проницаемости от частоты

На графике представлены зависимости диэлектрической проницаемости от частоты. В диапазоне частот 33-35 слабо выражен циклотронный резонанс, это говорит о том что металлические гранулы слабо связаны с диэлектрическими гранулами. Металлические и диэлектрические гранулы разделены между собой т.е. слабые границы между диэлектриком и металлом это означает что здесь маленькое значение резонансного пика. Здесь большое количество метала и очень малая доля диэлектрика поэтому циклотронный резонанс не проявляется на 2 плёнках.

Рис.2.5.4 Зависимость тангенса угла потерь от частоты

На высоких частотах тангенс угла потерь возростает, это объясняется формулой Джоуля Ленца для мощности потерь. Рост поглощения для всех плёнок объясняется наличием множителя x 2 в формуле. Начало роста определяется возникновением процесса перколяции или группировки металлических частиц.

Заключение

В данной работе отработана методика измерений и получены формулы для расчёта диэлектрической проницаемости композитных плёнок в широком интервале частот 30-110 МГц. Проведены измерения исследования частотных зависимостей тангенса угла потерь и диэлектрической проницаемости (диэлектрические спектры) композитных плёнок:

а) (CoaFeb Zrc)x (Zr2O) [1-x]/55 (738 серия)

б) (CoaFeb Zrc)x (Zr2O3) [1-x]/5 (736 серия)

Эти исследования проведены в интервале частот 30-110 МГц и концентраций металлической фазы X=21- 54% при комнатной температуре.

Литература


1. Калинин Ю.Е., Котов Л.Н., Петрунёв С.Н., Ситников А.В. Особенности отражения СВЧ волн от гранулированных пленок (Co40Fe40Zr20)X(Al2O3)100-X. // The XXI International Conference on Relaxation Phenomena in Solids: Abstracts. - Voronezh, Voronezh State University, 2004. P. 225.

2. Калинин Ю.Е., Ситников А.В. Электрическая проводимость в нанокомпозитах аморфных металлических сплавов в диэлетрической матрице. // Сборник трудов ХIX международной школы-семинара Новые магнитные материалы микроэлектроники (НМММ). М.: МГУ, 2004. C. 304.

3. Лагарьков А.Н., Маклаков С.А., Осипов А.В., Розанов К.Н. Рыжиков И.А. Старостенко И.Н. Якубов И.Т. Магнитные композиты на основе ферромагнитных пленок. // Сборник трудов ХIX международной школы-семинара Новые магнитные материалы микроэлектроники (НМММ). М.: МГУ, 2004. C. 304.

4. Беляев А.И., Калаев В.А., Калинин Ю.Е., Кондусов В.А. Ситников А.В. Магнитная проницаемость и магнитный импеданс гранулированных нано композитов металл-диэлектрик. // Сборник трудов ХIX международной школы-семинара Новые магнитные материалы микроэлектроники (НМММ). М.: МГУ, 2004. C. 304.

5. Бланк А.Я., Касумов Ф.К., Шаршанов А.Я. Поглощение электромагнитного излучения в слоистой структуре металл - диэлектрик // Радиотехника и электроника, 1993. Т. 38. № 12. С. 2128-2137.

6. Драченко А.Н., Юрасов А.Н., Быков И.В., Ганьшина Е.А., Грановский А.Б., Рыльков В.В., Смирнов Д.В., Leotin J., Dieny B. Оптические свойства магнитных квази-2D нанокомпозитов в ИК области спектра // ФТТ. 2001.Т. 43, вып.5. С. 897-899.

7. Казанцева Н.Е,. ПономаренкоА.Т., Шевченко В.Г., Чмутин И.А., Калинин Ю.Е., Ситников А.В. Свойства и перспективы применения гранулированных ферромагнетиков в области СВЧ // Физика и химия обработки материалов 2002.-№.1.-с.5-11.

8. Lutsev L.V., Kazantseva N.T., Tchmutin I.A., Rynkina N.G., Kalinin Yu.E., Sitnikoff A.V. Dielectric and magnetic losses of microware electromagnetic radiation in granular structures with ferromagnetic nanoparticles // J. Physics: Cond. Matter, 2002, V. 14. P. 1-15.

9. Антонец И.В., Котов Л.Н., Некипелов С.В., Карпушов Е.Н. Проводящие и отражающие свойства тонких металлических плёнок // ЖТФ, 2004. Т. 74. № 10. С. 102-106.

10.Калинин Ю.Е., Ситников А.В., Стогней О.В. Релаксация электрической проводимости в аморфных нанокомпозитах металл-диэлектрик // The XXI International Conference on Relaxation Phenomena in Solids: Abstracts. - Voronezh:VSU, 2004. P. 205.

11.Калинин Ю.Е., Копытин М.Н., Самсонов А.В., Ситников А.В., Стогней О.В Электрические и магнитные свойства нанокомпозитов CoX(LiNbO3)1-X Сборник трудов ХIX международной школы-семинара Новые магнитные материалы микроэлектроники (НМММ). М.: МГУ, 2004. C. 304.

12.Калаев В.А., Калинин Ю.Е., Ситников А.В. Магнитная проницаемость нанокомпозитов (Co40Fe40Zr20)X(Al2O3)100-X // Сборник трудов ХIX международной школы-семинара Новые магнитные материалы микроэлектроники (НМММ). М.: МГУ, 2004. C. 304.

13.Смит Я., Вейн Х. Ферриты / Пер. с англ. М.: ИЛ, 1969. 504 с.

14.Ранкис Г.Ж. Динамика намагничивания поликристаллических ферритов. Рига: Зинатне, 1981. 150 с.

15.Котов Л.Н., Бажуков К.Ю. Расчёт магнитных спектров ферритов // Радиотехника и электроника, 1999, т. 4, №7. С. 41-46.

16.Кондорский Е.И. Однодоменная структура в ферромагнетиках и магнитные свойства мелкодисперсных веществ // ДАН СССР, 1950. Т. 70, №2. С. 215-218.

17.Гуревич А.Г. Магнитный резонанс в ферритах и антиферромагнетиках. М.: Наука, 1973. 592 с.

18.Ландау Л.Д., Лифшиц Е.М. К теории дисперсии магнитной проницаемости ферромагнитных тел // Ландау Л.Д. Собрание трудов: в 2 Т./ Под ред. Е.М. Лифшица. М.:Наука, 1969. Т.1. С.97.

19.Голдин Б.А., Котов Л.Н., Зарембо Л.К., Карпачев С.Н. Спин-фононные взаимодействия в кристаллах (ферритах).- Ленинград: Наука, 1991.-150

20.Власов В.С., Котов Л.Н. Нелинейные магнитоупругие колебания в малых ферритовых частицах при резонансных условиях // Сборник трудов ХIX международной школы-семинара Новые магнитные материалы микроэлектроники (НМММ). М.: МГУ, 2004. C. 249-251.

21.Albrecht Rost. Messung dielektrischer Stoffeigenschaften//Berlin. Akademie-Verlag-Berlin, 1978.Р.210.

22.Гриднев С.А., Репников Н.И. Диэлектрическая релаксация в аморфном материале Bi1.8Pb0.3Sr2Ca2Cu2,6K0.4OZ//The XXI International Conference on Relaxation Phenomena in Solids: Abstracts. - Voronezh:VSU, 2004. P. 186.

23.Коротков Л.Н., Дворников В.С., Климентова Т.И. Релаксация диэлектрической проницаемости в аморфном PbTiO3 в окрестности температуры кристаллизации./ The XXI International Conference on Relaxation Phenomena in Solids: Abstracts. - Voronezh:VSU, 2004. P. 187.