Материал: Исследование участка электрической сети предприятия, оборудованного автоматическими выключателями

Внимание! Если размещение файла нарушает Ваши авторские права, то обязательно сообщите нам

Исследование участка электрической сети предприятия, оборудованного автоматическими выключателями














Лабораторная работа

Исследование участка электрической сети предприятия, оборудованного автоматическими выключателями

Введение

Цель работы: опытное определение токов нагрузки и коротких замыкания участка электрической сети предприятия, освоение методики и практики расчетов номинальных токов расцепителей автоматических выключателей.

Выполнение работы

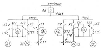
Рис. 1. Принципиальная схема участка электрической сети предприятия, оборудованного автоматическими выключателями типа А-3000

Таблица 1. Паспортные данные электроизмерительных приборов.

№ п/п

Наименование

Тип

Система

Шкала прибора

Цена деления

1

А1

М367

электромагнитная

0-75 А

2 А

2

А2

М367

электромагнитная

0-750 А

20 А

3

А3

М340

электромагнитная

0-50 А

5 А

4

А4

М367

электромагнитная

0-500 А

20 А


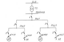
Рис. 2 Рабочая схема измерений участка электрической цепи.

Проведем опыт короткого замыкания для каждого элемента цепи и запишем данные в таблицу.

Таблица 2. Результаты измерений

IД1, А

IЛ1, А

IК.З.1, А

IД2, А

IЛ2, А

IК.З.2, А

27

31

590

19

23

460


Произведем вычисления для определения необходимых предохранителей и занесем данные в таблицу.

Таблица 3. Результаты вычислений.

IВС.НОМ. предохранителей(А)

К.З.1

 К.З.2


2'

2''

2

3'

3''

3

1

t2'

t2

t1

t3''

t1

30

40

60

20

25

50

120

0.015

8

30

0.015

5

46


Расчётные формулы и соответствующие расчёты расцепителей АВ.

Выбираю Iном.расц. = 30 А, у которого ток отсечки Iотс = 430 А

Вычисляю пусковой ток

пуск = Kпуск ∙ Iном = 5 ∙ 30 = 150 Аср.пуск. = 9 сек > 3 сек

электрический сеть ток выключатель

Выбираю Iном.расц. = 40 А'' = 2.6 сек

Выбираю Iном.расц. = 20 А, у которого ток отсечки Iотс = 430 А

Вычисляю пусковой ток

пуск = Kпуск ∙ Iном = 5 ∙ 20 = 100 Аср.пуск. = 4.5 сек > 3 сек

Выбираю Iном.расц. = 25 А'' = 0.015 сек

ном.рщ = 27 + 31 = 58 Апер.рщ = 27 + 150 = 177 А

Выбираю расцепитель 60 А= 8 сек

ном.рщ = 19 + 23 = 42 Апер.рщ = 19 + 100 = 119 А

Выбираю расцепитель 50 А= 5 сек

ном.рщ = 60 + 50 = 110 А

Выбираю расцепитель 120 А= 46 сек

Проверка на селективность

Ток отсечки автомата 2'' 600 А, а это больше тока короткого замыкания 1 Iк.з.1 = 590 А, то проверка на селективность не проводится. Селективность обеспечивается.

Автомат 3'' сработает раньше автомата 3, потому что у него отсечка происходит всего за 0.015 сек и поэтому селективность обеспечивается.

Автомат 1 не сможет отключиться при коротком замыкании на автоматах 2 и 3 при условии что Iотс(-)1 > Iотс(+)2 (сравниваем с автоматом 2, так как у него больше номинальный ток):

отс(-)1 = 850 ∙ 0.85 = 723 Аотс(+)2 = 600 ∙ 1.15 = 690 А

Условие выполняется, селективность обеспечивается.

Вывод

В ходе выполнения лабораторной работы мы исследовали участок электрической сети предприятия, оборудованного автоматическими выключателями, а так же опытным путем определили токи нагрузки и коротких замыкания участка электрической сети предприятия, освоили методику и практику расчетов номинальных токов расцепителей автоматических выключателей.