Материал: Исследование биполярных и полевых транзисторов

Внимание! Если размещение файла нарушает Ваши авторские права, то обязательно сообщите нам

Исследование биполярных и полевых транзисторов

Министерство образования и науки Российской Федерации

Федеральное агентство по образованию

Государственное образовательное учреждение

высшего профессионального образования

"Восточно-Сибирский государственный технологический университет"

Факультет Электротехнический

Кафедра Электронно-вычислительные системы






Курсовая работа

Исследование биполярных и полевых транзисторов


Исполнитель:

студент очной формы обучения

группы 659

Руководитель работы

Ветлужский А.Ю.

Нормоконтролер Мадыев А.П.


Улан-Удэ 2011

Задание по подготовке курсовой работы

. Дисциплина Электроника

. Тема КР Исследование биполярных и полевых транзисторов

. Срок сдачи студентом законченной КР___________

. Исходные данные к КР Транзистор КТ301Ж n-p-n типа. Схема включения - схема с общим эмиттером. Величина напряжения питания Eп= 5 В. Сопротивление нагрузки Rн=3 кОм

Тип транзистора - КП103Ж с затвором на основе p-n перехода и p-каналом. Схема включения - с общим истоком. Величина напряжения питания Eп= 20 В. Сопротивление нагрузки Rн= 3 кОм

. Перечень подлежащих разработке в КР вопросов или краткое содержание КР:

В ходе выполнения курсовой работы необходимо для заданных типов транзисторов определить их параметры и статические характеристики, в соответствии условиями задания выполнить анализ работы транзисторов с нагрузкой в выходной цепи, рассчитать параметры эквивалентной схемы и малосигнальные параметры транзисторов, определить отечественные и зарубежные аналоги заданных усилительных элементов.

. Перечень графического материала (при наличии чертежей или плакатов): __________________

. Дата выдачи задания ________

Руководитель Ветлужский А.Ю.

Содержание

Введение

. Теоретическая часть

.1 Биполярный транзистор КТ301Ж

.1.1 Общие сведения

.1.2 Максимально допустимые параметры

.1.3 Электрические параметры

.1.4 Вольтамперные характеристики

.2 Полевой транзистор КП103Ж

.2.1 Общие сведения

.2.2 Максимально допустимые параметры

.2.3 Электрические параметры

.2.4 Вольтамперные характеристики

. Расчетная часть

.1 Биполярный транзистор КТ301Ж

.1.1 Исходные данные для расчетов

.1.2 Построение нагрузочной прямой

.1.3 Определение малосигнальных параметров

.1.4 Расчет величин элементов эквивалентной схемы транзистора

.1.5 Определение граничных и предельных частот транзистора

.1.6 Определение частотных зависимостей Y-параметров

.2 Полевой транзистор КП103Ж

.2.1 Исходные данные для расчетов

.2.2 Построение нагрузочной прямой

.2.3 Определение малосигнальных параметров

.2.4 Расчет величин элементов эквивалентной схемы транзистора

.2.5 Определение граничных и предельных частот транзистора

.2.6 Определение частотных зависимостей Y-параметров

Вывод

Список литературы

Введение

Транзистором называется полупроводниковый преобразовательный прибор, имеющий не менее трёх выводов и способный усиливать мощность. Классификация транзисторов производится по следующим признакам:

·        По материалу полупроводника - обычно германиевые или кремниевые;

·        По типу проводимости областей (только биполярные транзисторы): с прямой проводимостью (p-n-p - структура) или с обратной проводимостью (n-p-n - структура);

·        По принципу действия транзисторы подразделяются на биполярные и полевые (униполярные);

·        По частотным свойствам:

НЧ (<3 МГц);

СрЧ (3ч30 МГц);

ВЧ и СВЧ (>30 МГц);

·        По мощности: Маломощные транзисторы ММ (<0,3 Вт), средней мощности СрМ (0,3ч3Вт), мощные (>3 Вт).

1. Теоретическая часть

.1 Биполярный транзистор КТ301Ж

.1.1 Общие сведения

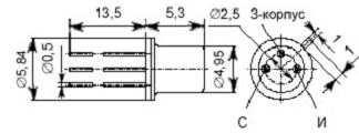
Корпус металлический, герметичный, с гибкими выводами (рисунок 1). Масса транзистора не более 0,5 г.

Рисунок 1 - Биполярный транзистор КТ301Ж

.1.2 Максимально допустимые параметры

Гарантируются при температуре окружающей среды Тс. от минус 55єС до плюс 85єСк max = 10 мА постоянный ток коллектораэ max = 10 мА постоянный ток эмиттераэб max = 3 В постоянное напряжение эмиттер-базакб max = 20 В постоянное напряжение коллектор-базакэ max = 20 В постоянное напряжение коллектор-эмиттер при к.з. между эмиттером и базойк max = 150 мВт постоянная рассеиваемая мощность коллектора при Tc от минус 55єС до плюс 60єС

Тn max = 120єС температура перехода, п-к = 0,6 єС/мВт тепловое сопротивление переход-корпус

.1.3 Электрические параметры

Работа транзистора характеризуется параметрами, определяющими усилительные и частотные свойства в режимах усиления, переключения и отсечки, а также максимально допустимыми режимами эксплуатации. Электрические параметры транзистора приведены в таблице 1.

Таблица 1 Электрические параметры транзистора КТ301Ж

Наименование

Обозначение

Значения

Режимы измерения



минимальное

максимальное

Uк , В

Uэ , В

Iк , мА

Iб , мА

Iэ , мА

f , МГц

Обратный ток коллектора, мкА

Iкбо


10

20






Обратный ток эмиттера, мкА

Iэбо


10


3





Напряжение насыщения коллектор-эмиттер, В

Uкэ нас


3



10

1



Напряжение насыщения база-эмиттер, В

Uбэ нас


2,5



10

1



Модуль коэффициента передачи тока на высокой частоте

|h21э|


1,5

10




1,5

20

Статистический коэффициент передачи тока в схеме с ОЭ

h21э

80

300

10




3


Постоянная времени цепи обратной связи на высокой частоте, пс

τн


2000

10




2

2

Максимальная частота генерации, МГц

fmax

60


10




3



.1.4 Вольтамперные характеристики

Входные статические характеристики транзистора изображены на рисунке 2, выходные - на рисунке 3.

Рисунок 2 - Входные статические характеристики транзистора

Рисунок 3 - Выходные статические характеристики транзистора

.2 Полевой транзистор КП103Ж

.2.1 Общие сведения

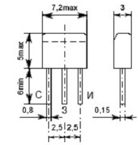
Корпус металлический, с гибкими выводами (рисунок 4,а) и пластмассовый (рисунок 4,б). Масса для обоих типов 1 г.

Рисунок 4,а - Полевой транзистор КП103Ж

Рисунок 4,б - Полевой транзистор КП103Ж

.2.2 Максимально допустимые параметры

Гарантируются при температуре окружающей среды Тс. от минус 55єС до плюс 85єСсз max = 15 В суммарное напряжение сток-затворси max = 10 В постоянное напряжение сток-исток= 12 мВт постоянная рассеиваемая мощность транзистора

.2.3 Электрические параметры

Работа транзистора характеризуется параметрами, определяющими усилительные и частотные свойства в режимах усиления, переключения и отсечки, а также максимально допустимыми режимами эксплуатации. Электрические параметры транзистора приведены в таблице 2.

Таблица 2 Электрические параметры транзистора КП103Ж

Наименование

Обозначение

Значения

Режимы измерения



минимальное

максимальное

Uси, В

Uзи, В

Iс. нач., мкА

Начальный ток стока, мА

Iс. нач.

0,5

3

10

0


Ток утечки затвора, мА при Тс=+85єС при Тс=-55єС

Iз. ут.


20 2*103 20

0 0 0

10 10 10


Крутизна характеристики, мА/В

S

0,5

2,8

10

0


Напряжение отсечки, В

Uзи отс

0,5

2,2

10


10

Коэффициент шума, дБ

Кш

0,5

3

5

0


Входная емкость, пФ

С11и


20

10

0


Проходная емкость, пФ

С12и


8

10

0


Относительная разность начального тока стока, %

∆Iс. нач.

10

20

10

0


Относительная разность крутизны тока стока, %

∆S

10

20

10

0

∆Uзи отс

5

10

10


10


.2.4 Вольтамперные характеристики

Входные статические характеристики транзистора изображены на рисунке 5, выходные - на рисунке 6.

Рисунок 5 - Входные статические характеристики транзистора

Рисунок 6 - Выходные статические характеристики транзистора

2. Расчетная часть

.1 Биполярный транзистор КТ301Ж

.1.1 Исходные данные для расчетов

Транзистор типа n-p-n, включен в схему с общим эмиттером. Напряжение источника питания Eп = 5 В, сопротивление нагрузки Rн = 3 кОм.

.1.2 Построение нагрузочной прямой

Для построения нагрузочной прямой используем уравнение

п = Uкэ + Iк*Rн.

Приравнивая Iк =0, получаем первую точку Uкэ =5В.

Приравнивая Uкэ =0В, получаем вторую точку Iк =1,6мА.

Построение нагрузочной прямой показано на рисунке 7.

Рисунок 7 - Нагрузочная прямая выходной ВАХ

Фиксируем параметры режима покоя - Iк0 =0,9 мА, Uкэ0 =1,5 В, Iб0 =7 мкА.

Для определения Uбэ0 на входных вольтамперных характеристиках построим рабочую прямую. На пересечении с Uкэ = 10 В опустим перпендикуляр на ось абсцисс.

Определение Uбэ0 на входных вольтамперных характеристиках показано на рисунке 8.

Рисунок 8 - Построение рабочей прямой

бэ0 = 0,37 В.

Определим графическим способом параметры:

∆ Uкэ = 1,3В∆ Uбэ = 0,02В

∆ Iк = 0,8мА∆ Iб = 7мкА

2.1.3 Определение малосигнальных параметров

Входное сопротивление транзистора при коротком замыкании на выходе для переменной составляющей тока:

 = 0,02 / 7 * 10-6 = 2,8 кОм

Коэффициент передачи по току при коротком замыкании на выходе для переменной составляющей тока:

 = 0,8 * 10-3 / 7 * 10-6 = 114,2

Выходная проводимость транзистора при разомкнутом входе для переменной составляющей тока (холостой ход входной цепи):

 = 0,8 * 10-3 / 1,3 = 0,61мСм

Коэффициент обратной связи по напряжению при разомкнутом входе для переменной составляющей:

 = (12,5 * 0,00061) / 0,807 * 10-3 = 9,4

.1.4 Расчет величин элементов эквивалентной схемы транзистора

На рисунке 9 изображена физическая малосигнальная эквивалентная схема биполярного транзистора.

Рисунок 9 - Физическая малосигнальная эквивалентная схема биполярного транзистора (схема Джиаколетто)

Емкость коллекторного перехода Ск =10 пф

Емкость эмиттерного перехода Сэ =80 пф

Постоянная времени τн =2000 пс

Модуль коэффициента передачи тока |h21э| =1,5

Сопротивление эмиттерного перехода эмиттерному току:

 = 30,9 Ом

Сопротивление эмиттерного перехода базовому току:

 = 3,5 кОм

Крутизна характеристики транзистора:

 = 40 мА/В

Выходное сопротивление транзистора (сопротивлением внешней утечки между коллектором и эмиттером):

транзистор биполярный полевой мощность

 = 4,1 кОм

Сопротивление коллекторного перехода:

 = 375 Ом

Объемное сопротивление базы:

 = 200 Ом

.1.5 Определение граничных и предельных частот транзистора

Предельная частота передачи тока в схеме с ОЭ:

 = 0,44 МГц

Граничная частота передачи тока:

 = 30 МГц

Максимальная частота генерации транзистора:

 = 24,4 МГц

Предельная частота транзистора по крутизне:


.1.6 Определение частотных зависимостей Y-параметров

Рассчитаем значения частот:

wh21Э = 2p¦ h21Э = 2,76 Мрад/с

wS = 2p¦S = 499,8 Мрад/с

Проводимость прямой передачи (крутизна проходной характеристики), которую определяют при коротко замкнутом для переменной составляющей выходе транзистора:

 = (40 * 10-3) / (√ 1+(w*2000*10-12)2)

При w = 100 Мрад/с|Y21(ω)| = 39,2 мСм

При w = 200 Мрад/с|Y21(ω)| = 37,1 мСм

При w = 300 Мрад/с|Y21(ω)| = 34,4 мСм

При w = 400 Мрад/с|Y21(ω)| = 31,2 мСм

При w = 500 Мрад/с|Y21(ω)| = 28,3 мСм

При w = 800 Мрад/с|Y21(ω)| = 21,2 мСм

При w = 1100 Мрад/с|Y21(ω)| = 16,5 мСм

По полученным данным построим график зависимости |Y21(ω)| (рисунок 10).

Рисунок 10 - График зависимости |Y21(ω)|

Входная проводимость, которую определяют при короткозамкнутом для переменной составляющей выходе транзистора:

 = (1 / 2,8*103)*√((1+(w/2,76*106)2 ) / (1+(w/499,8*106)2 )

При w = 100 Мрад/с|Y11(ω)| = 12,6 мСм

При w = 200 Мрад/с|Y11(ω)| = 24 мСм

При w = 300 Мрад/с|Y11(ω)| = 33 мСм

При w = 400 Мрад/с|Y11(ω)| = 40 мСм

При w = 500 Мрад/с|Y11(ω)| = 45,6 мСм

При w = 800 Мрад/с|Y11(ω)| = 54,6 мСм

При w = 1100 Мрад/с|Y11(ω)| = 58,7 мСм

По полученным данным построим график зависимости |Y11(ω)| (рисунок 11).

Рисунок 11 - График зависимости |Y11(ω)|

.2 Полевой транзистор КП103Ж

.2.1 Исходные данные для расчетов

Транзистор с каналом p-типа, включен в схему с общим истоком. Напряжение источника питания Eп = 20 В, сопротивление нагрузки Rн = 3 кОм.