Материал: ИДЗ #2.2 ЭМА

Внимание! Если размещение файла нарушает Ваши авторские права, то обязательно сообщите нам

МИНИСТЕРСТВО НАУКИ И ВЫСШЕГО ОБРАЗОВАНИЯ РОССИЙСКОЙ ФЕДЕРАЦИИ

Федеральное государственное автономное образовательное учреждение высшего образования

«НАЦИОНАЛЬНЫЙ ИССЛЕДОВАТЕЛЬСКИЙ ТОМСКИЙ ПОЛИТЕХНИЧЕСКИЙ УНИВЕРСИСТЕТ»

Инженерная школа энергетики

Отделение электроэнергетики и электротехники

Индивидуальное домашнее задание №2.2

Расчет естественной и искусственной механических характеристик асинхронного двигателя

Вариант 8

Исполнитель:

студент группы 5А8Д

Нагорнов А.В.

Руководитель:

к.т.н., доцент ОЭЭ ИШЭ

Гирник А. С.

Томск 2020

Содержание

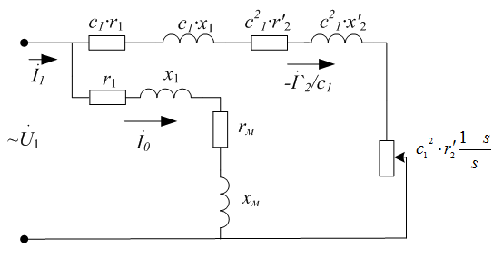
1. Изображение Г-образной схемы замещения асинхронного двигателя: 3

2. Расчет и построение естественных механических характеристик асинхронного двигателя и 4

3. Искусственные механические характеристики 5

Механическая характеристика при разном питающем напряжении 5

Механическая характеристика при частотном регулировании 6

Вывод: 8

Список использованных источников 8

Исходные данные

Таблица 1

Вариант

Тип электродвигателя

U1н, В

F, Гц

P, кВт

n, мин-1

ղн, %

cosφ, о.е.

Rх, Ом

Xх, Ом

R1, Ом

X1, Ом

R2, Ом

X2, Ом

8

4А132М8УЗ

220

50

5,5

712

83

0,74

1,1

30,9

1,1

1,8

0,99

3,1

  1. Изображение Г-образной схемы замещения асинхронного двигателя:

Рисунок 1 – Г-образная схема замещения АД

  1. Расчет и построение естественных механических характеристик асинхронного двигателя и

где р – число пар полюсов обмотки статора, s = (0 – 1,0)

Частота вращения электродвигателя определяется по формуле:

об/мин;

Скольжение асинхронного двигателя рассчитывается по формуле:

Критическое скольжение, при котором асинхронный двигатель развивает максимальный момент МK, зависит от параметров его обмоток:

Для построение механической характеристики , где f(М) получили при расчете , находим .

Рисунок 2 – Зависимость электромагнитного момента от скольжения

Рисунок 3 – Зависимость частоты вращения от электромагнитного момента

  1. Искусственные механические характеристики

Механическая характеристика при разном питающем напряжении

Значения Mи для построения искусственной характеристики можно определить по результатам расчета естественной механической характеристики, используя данное соотношение: , принимая kU=0,707.

Изображаем естественную и искусственную механические характеристики:

Рисунок 4 – Зависимость электромагнитных моментов АД от скольжения

Рисунок 5 – Зависимость частоты вращения от момента

Механическая характеристика при частотном регулировании

При регулировании частоты вращения АД изменением частоты напряжения питания по закону его критическое скольжение находится из следующего выражения:

Где расчет электромагнитного момента двигателя производится с учетом того, что при рассматриваемом способе его регулирования

.

То есть kU=kf =0,8 для f1=40 Гц и kU=kf =1,2 для f1=60 Гц. На основании равенства kU=kf выражение для электромагнитного момента асинхронного двигателя принимает следующий вид:

Частота вращения магнитного поля в двигателе будет равна:

А частота вращения ротора равна:

,

где s = (0 – 1,0).

Строим механические характеристики, регулируя в выражении частоту f1=40 Гц, f1=60 Гц.

Получаем зависимость частоты вращения ротора от электромагнитного момента при f1>f1н, f1н, f1<f1н.

Рисунок 6 – Механические характеристики при регулировании частоты вращения

Вывод:

Механическая характеристика двигателя, полученная при номинальных (паспортных) данных: напряжении и частоте сети при основной схеме включения его обмоток без включенных в их цепи дополнительных электротехнических элементов является естественной. Если указанные условия не соблюдаются, то механическая характеристика является искусственной. Искусственная механическая характеристика отличается от естественной.

Список использованных источников

1. Беспалов, Виктор Яковлевич Электрические машины: учебник в электронном формате [Электронный ресурс] / В. Я. Беспалов, Н. Ф. Котеленец. — 4-е изд., перераб. и доп.. — Мультимедиа ресурсы (10 директорий; 100 файлов; 740MB). — Москва: Академия, 201

2. Копылов, Игорь Петрович. Электрические машины: учебное пособие / И. П. Копылов. — Москва: Энергоатомиздат, 1986. — 360 с.