Материал: Химические методы очистки отходящих газов

Внимание! Если размещение файла нарушает Ваши авторские права, то обязательно сообщите нам

СПБГУАП группа 4736 https://new.guap.ru/i03/contacts

продукты — молекулярный азот (N2) и Н2О. При мольном отношении NH3 : NOx = = 1:1 восстанавливается 80—90 % оксидов азота, и в отходящем газе содержание аммиака не превышает 20 млн-1. Метод СКВ используется в широком масштабе для очистки газов городских и промышленных котельных, работающих на газе и нефти. В США и Канаде разновидность метода селективного каталитического восстановления широко используется для очистки хвостовых газов заводов по производству азотной кислоты и других химических производств. В настоящее время в США разрабатывается ряд процессов, призванных наглядно продемонстрировать эффективность метода СКВ для очистки топочных газов при использовании всех типов топлива — газ, уголь, нефть. Эффективность метода СКВ определяется параметрами:

1)система сжигания — вид топлива;

2)состав катализатора;

3)активность катализатора, его селективность и время дейтвия;

4)форма катализатора, конфигурация каталитического реактора;

5)отношение NH3 : NOX и концентрация NOx;

6)температура каталитического реактора;

7)скорость газового потока.

Метод СКВ предусматривает наличие катализатора, каталитического реактора, емкости для хранения аммиака и систему его подачи в газовый поток. Большое сопротивление каталитического реактора приводит к падению давления потока; для его компенсации предусматривается система вентиляторов.

Наиболее эффективно каталитическое восстановление происходит в области 300—450 °С. Для обеспечения именно такой температуры газового потока каталитический реактор располагают между экономайзером котла и теплообменником для подогрева входящего воздуха. Общепринятая схема приведена на рис. 11. От конструкции реактора и типа катализатора зависит качество всего процесса восстановления, что требует детального обсуждения.

СПБГУАП группа 4736 https://new.guap.ru/i03/contacts

Большинство катализаторов формируется на основе диоксида титана

(ТiO2) и пентоксида ванадия (V2O5). Диоксид титана — удобный носитель и не отравляется SO3. Пентоксид ванадия промотирует реакцию взаимодействия аммиака и оксидов азота и мало чувствителен к действию

SO2. Композиция катализатора и соотношение составных частей защищены в большинстве случаев патентами.

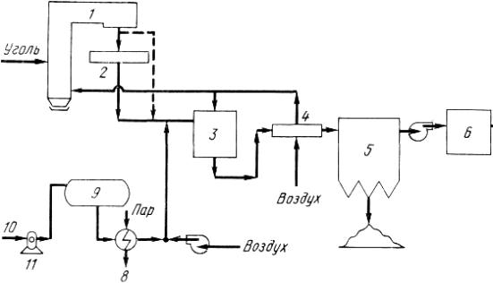
Рис. 2. Схема процесса селективного каталитического восстановления:

1 — топка котла; 2 — экономайзер; 3 — реактор; 4 — теплообменник для нагрева воздуха; 5 — электрофильтр; 6 — блок обессеривания топочного

газа; 7 — дымовая труба; 8 — испаритель аммиака; 9 — емкость для хранения аммиака; 10 — выгрузка аммиака с железной дороги или автотранспорта; 11 — компрессор

Тип реактора и структура катализатора могут изменяться в широких пределах, однако основным фактором при конструировании является содержание мелкодисперсных частиц в топочном газе. Для котельных на газе катализатор используют в виде сферических шариков, колец или цилиндров,

расположенных слоем на сетчатом поддоне. Для котельных, использующих в качестве топлива нефть или уголь, характерно большое содержание золы в

СПБГУАП группа 4736 https://new.guap.ru/i03/contacts

потоке топочного газа. В этом случае предпочтительны системы с параллельным газовым потоком в каталитической зоне, В этих устройствах топочный дым проходит по открытым каналам, стенки которых параллельны поверхности катализатора. Мелкие частицы остаются в турбулентном потоке,

в то время как оксиды азота вступают в каталитическую реакцию с поверхностью катализатора в результате турбулентности и диффузии.

Разновидностью данного типа являются устройства, в которых катализатор удерживается в стенках каналов с помощью специальных сеток или экранов.

Рис. 3. Конструкция сменных блоков реактора СКВ :

а — трубчатая конфигурация;

б — сотовая, с использованием гофрированных металлических пластин.

СПБГУАП группа 4736 https://new.guap.ru/i03/contacts

Катализатор может быть порошкообразным материалом различной дисперсности или закрепляться на поверхности металлических или керамических носителей. Для удобства изготавливают блоки объемом 1 м3

(рис. 3), которые послойно соединяют в реакторе (рис. 4).

Несмотря на большую работу по совершенствованию реактора и типа катализаторов, некоторые вопросы требуют дальнейшей доработки. Не во всех случаях можно предотвратить отравление катализатора ядами,

присутствующими в топочном газе, и предотвратить осаждение крупных частиц золы и сажи на каталитической поверхности. Мелкие частицы размером <1 мкм могут закрывать каталитические центры на поверхности носителя. Особенно важно продлить время работы катализатора и сохранность реактора без закупорки каналов при использовании в качестве топлива угля. Необходимо увеличить продолжительность работы катализатора с 1 до 2 лет при наличии в топочном дыме оксидов серы и сажи.

В методе СКВ эффективность восстановления определяется скоростью потока, мольным отношением аммиак : оксиды азота и температурой при мольном отношении, равном 1; обычно востанавливается более 90 %

оксидов, содержащихся в исходном В случае большого отношения степень восстановления увеличивается при одновременном нежелательном увеличении в атмосферу аммиака.

Основной недостаток метода СКВ — образование и осажден на стенках технологического оборудования твердого сульфат аммония и расплава бисульфата аммония при выходе из каталитического реактора. Эти соединения — (NH4)2SO4 и NH4) SO4 образуются по реакции вводимого аммиака с SO3, который получается при сгорании высокосернистых топлив.

Особенно трудно избежать осаждения солей в воздушном теплообменнике.

Наиболее острой эта проблема является для технологических линий с использованием устройств электростатической очистки топочного газа перед его подачей в каталитический реактор и далее в воздушный теплообменник,

когда в качестве топлива применяются нефть и уголь с высоким

СПБГУАП группа 4736 https://new.guap.ru/i03/contacts

содержанием серы. Вероятно, частицы золы в турбулентном газовом потоке способствуют механической очистке стенок от солей или аммонийные соли конденсируются на мелкодисперсных частицах и в таком виде выносятся с потоком из теплообменника. Тем не менее в большинстве случаев необходимо предусматривать способы очистки от копоти горячих и холодных внутренних поверхностей оборудования и промывку теплообменника водой для растворения солей. Воду после промывки, как и сточные воды из блока десульфуризации газового потока (ДГП), необходимо очищать от аммиака перед сбросом, В настоящее время разработаны специальные конструкции теплообменников, не допускающие конденсации солей, однако они не введены в практику.

Другими проблемами являются: выбросы в атмосферу аммиака и его соединений, а также иных нежелательных продуктов, например SO3,

необходимость использования дополнительных устройств для очистки потока — блок обессеривания и др., отсутствие надежной аппаратуры для определения количества аммиака в отходящем газе, чувствительность каталитического процесса к температурному режиму и связанные с этим ограничения в загрузке топлива, замена и дезактивация катализатора удобными с точки зрения охраны окружающей среды методами, надежность устройств очистки и их экономическая целесообразность.

Несмотря на это, метод СКВ успешно используют для очистки газов котельных, работающих на нефти и газе; в стадии проектирования находится ряд сжигающих устройств на угле. При необходимости восстановить 80 %

или более оксидов азота в топочном газе метод СКВ является единственно возможным. Кроме того, метод предполагает совершенствование; его можно успешно сочетать с методами совершенствования системы сжигания для снижения количества оксидов азота