Материал: Характеристики полевых транзисторов

Внимание! Если размещение файла нарушает Ваши авторские права, то обязательно сообщите нам

Характеристики полевых транзисторов

План

Введение

. Общие положения

. Порядок выполнения

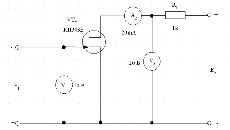
.1 Исследование ПТ с затвором в виде p-n-перехода с каналом "n"-типа (транзистор КП 303Е)

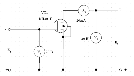
.2 Исследование ПТ с затвором с каналом "р"-типа (транзистор КП 301Г)

Введение

Цель работы: Изучение различных полевых транзисторов (ПТ), включенных по схеме с общим истоком; приобретение навыка снятия статических вольтамперных характеристик (ВАХ), вычисление по ним электрических параметров; выяснение влияния управляющего напряжения на выходной ток.

1. Общие положения

 

Полевым называют транзистор, управляемый электрическим полем, или транзистор с управляемым каналом для тока.

Ток в полевом транзисторе создается носителями заряда только одного знака (электронами или дырками), вследствие чего эти транзисторы часто называют униполярными.

Поскольку носители заряда в полевом транзисторе являются основными для активной области, его параметры не зависят от времени жизни неосновных носителей (как у биполярных транзисторов), что определяет высокие частотные свойства и меньшую зависимость от температуры.

Каналом считают центральную область транзистора

Электрод, из которого в канал поступают основные носители заряда, называют истоком И, а электрод, через который основные носители уходят из канала, - стоком С. Электрод, служащий для регулирования поперечного сечения канала, называют затвором З.

Изготавливают полевые транзисторы из кремния. В зависимости от электропроводности исходного материала различают транзисторы с p- и n- каналом.

В отличие от биполярных полевые транзисторы имеют высокое входное сопротивление и поэтому требуют очень малых мощностей для управления. Полевые транзисторы подразделяются на два основных типа: с затвором в виде p-n-перехода и с изолированным затвором.

Полевой транзистор представляет собой кремниевую пластину, например n-типа, на верхней и нижней гранях которой создаются области с проводимостью противоположного типа, например p-типа. Эти области электрически связаны, образуя единый электрод-затвор. Область с n-проводимостью, расположенная между p-областями; образует токовый канал. На торцевые поверхности пластины наносят контакты, образующие два других электрода И и С, к которым подключается источник питания Uс и при необходимости сопротивление нагрузки. Между каналом и затвором создаются два p-n-перехода. Ток протекает от истока к стоку по каналу, сечение которого зависит от затвора.

При увеличении отрицательного потенциала на затворе p-n-переходы запираются и расширяются практически за счет канала, сечение канала, а, следовательно, и его проводимость, уменьшаются, ток через канал падает. При некотором Uз = Uзо, называемом напряжением отсечки, области p-n-переходов смыкаются по всей длине канала, сток и исток оказываются изолированными друг от друга, ток Iс равен нулю.

Если при Uз = const увеличивать Uс, то ток через канал (Iс) возрастет. При этом увеличивается падение напряжения на канале, которое способствует увеличению обратного напряжения на p-n-переходах, вызывая тем самым сужение канала. При некотором Uс = Uнас, называемом напряжением насыщения, канал настолько сужается, что дальнейшее увеличение Uс не увеличивает Iс.

Полевые транзисторы с изолированным затвором или МДП-транзисторы находят более широкое применение, так как имеют более простую конструкцию и обладают лучшими электрическими свойствами.

У МДП-транзисторов (металл - диэлектрик - полупроводник) между полупроводниковым каналом и металлическим затвором расположен изолирующий слой диэлектрика.

Принцип работы МДП-транзисторов основан на эффекте изменения проводимости приповерхностного слоя полупроводника под воздействием поперечного электрического поля. МДП-транзисторы управляются напряжением и имеют чрезвычайно большое входное сопротивление и в отличие от полевых транзисторов с затвором в виде p-n-перехода сохраняют его большим независимо от величины и полярности входного напряжения. Применяются две конструкции МДП-транзисторов: МДП-транзиторы со встроенным каналом и МДП-транзисторы с индуцированным каналом.

У МДП-транзисторов со встроенным каналом (рис. П 3) в полупроводниковой пластине (подложке), например n-типа, в процессе изготовления в приповерхностном слое создаются области, например p-типа, образующие электроды стока и истока. Перемычка между С и И с проводимостью p-типа является каналом для протекания тока стока Iс даже при отсутствии управляющего напряжения Uз = 0 на затворе.

При подаче положительного напряжения на затвор электрическое поле выталкивает основные носители (дырки) из канала, его сопротивление растет, а Iс падает. Такой режим носит название "режима обеднения". При отрицательном напряжении на затворе электрическое поле притягивает дырки из подложки, они скапливаются в области канала, сопротивление канала уменьшается, Iс растет ("режим обогащения").

У МДП-транзисторов с индуцированным каналом (рис. П 4) последний заранее не создается, и в транзисторах, использующих пластину с проводимостью, например, n-типа, при Uз > 0 и Uз = 0 ток Iс = 0. Образование канала в таких приборах происходит при подаче на затвор только отрицательного напряжения (Uз < 0). Тогда в результате вытеснения из поверхностного слоя электронов и подтягивания дырок из n-пластины происходит образование между стоком и истоком инверсного слоя полупроводника с проводимостью, аналогичной проводимости С и И, в данном случае p-типа, и, чем более отрицательным будет напряжение на затворе, тем больший Iс будет в канале. Основные характеристики полевых транзисторов: крутизна характеристики передачи

 

S = dIс / dUз при Uс = const;

 

дифференциальное сопротивление стока (канала) на участке насыщения

вых = dUс / dIс при Uз = const.

2. Порядок выполнения

.1 Исследование ПТ с затвором в виде p-n-перехода с каналом "n"-типа (транзистор КП 303Е)


·    Собрать схему рис. 1.

Рис. 1. Схема включения ПТ с затвором в виде p-n-перехода и каналом "n"-типа по схеме с ОИ

Для амперметра A2 установить предел 20мА, для вольтметров V1, V2 - 20 В. После проверки схемы преподавателем перевести ручки регуляторов напряжения источников E1, E2 в крайнее левое положение, включить источники.

·    Снять проходные характеристики транзистора при Uси = const при четырех значениях Uзи = 6 4,2 3 1,2 0,6 В, соответственно.

Для этого установить и поддерживать в течение опыта неизменным значение напряжения между стоком и истоком Uси с помощью регулятора напряжения источника E2. Далее, изменяя напряжение между затвором и истоком Uзи с помощью регулятора напряжения источника E1, записать соответствующие значения тока стока Ic.

Результаты свести в таблицу 1.

Таблица 1

Uзи, В

Ic, мА


Uси = 6 В

Uси = 4,2 В

Uси = 3 В

Uси = 1,2 В

Uси = 0,6 В

0

8,04

7,91

7,66

5,24

2,99

-0,774

4,96

4,86

4,69

3,63

2,2

-1,29

3,03

2,94

2,84

2,37

1,57

-1,806

1,06

1

0,95

0,79

0,62

-2,58

0

0

0

0



2.2 Исследование ПТ с затвором с каналом "р"-типа (транзистор КП 301Г)

транзистор полевой вольтамперный напряжение

·    Собрать схему рис. 2.


Для амперметра A2 установить предел 20мА, для вольтметров V1, V2 - 20 В. После проверки схемы преподавателем перевести ручки регуляторов напряжения источников E1, E2 в крайнее левое положение, включить источники.

·    Снять проходные характеристики транзистора при Uси = const при четырех значениях Uзи = 0; 2,5; 5; 7,5; 10 В соответственно.

Для этого установить и поддерживать в течение опыта неизменным значение напряжения между стоком и истоком Uси с помощью регулятора напряжения источника E2. Далее, изменяя напряжение между затвором и истоком Uзи с помощью регулятора напряжения источника E1, записать соответствующие значения тока стока Ic.

Результаты свести в таблицу 2.

Таблица 2

Uзи, В

Ic, мА


Uси = 1 В

Uси = 1,5 В

Uси = 2 В

Uси = 2,5 В

0

0

0

0

0

1

0,001

0,001

0,001

0,001

1,5

0,02

0,02

0,02

0,02

2

0,079

0,079

0,079

0,08

2,5

0,172

0,173

0,174

0,175


Uc

S

1

-0,001

-0,038

-0,118

-0,186

1,5

-0,001

-0,038

-0,118

-0,188

2

-0,001

-0,038

-0,118

-0,19

2,5

-0,001

-0,038

-0,12

-0,19