Министерство образования и науки Российской Федерации
Федеральное государственное бюджетное образовательное учреждение
высшего профессионального образования
ИРКУТСКИЙ ГОСУДАРСТВЕННЫЙ ТЕХНИЧЕСКИЙ УНИВЕРСИТЕТ
Кафедра
«Городское строительство и хозяйство»
Гидравлический расчет трубопроводных систем
ПОЯСНИТЕЛЬНАЯ ЗАПИСКА
к курсовой работе по дисциплине
Основы
гидравлики и теплофизики
Выполнил студент группы
Р. Брюховец
Иркутск 2013 г
Задание на курсовую работу. Вариант 5
По курсу: Основы гидравлики и теплофизики
Студенту Брюховцу Р.
Тема курсовой работы: Гидравлический расчет трубопроводных систем
Исходные данные: 1: Расход воды 11 дм3/с, диаметр первой трубы 40 мм, диаметр второй трубы 70 мм, диаметр третей трубы 100 мм. Длина первого трубопровода 10 м, длина второго трубопровода 10 м, длина третьего трубопровода 6 м, температура воды 30ºС. Коэффициент шероховатости стенок трубопровода 0.1 мм, угол расположения наклонных участок относительно горизонтальной плоскости 60º. 2: данные смотри в таблице на стр. 13. 3: данные смотри на стр.21
Рекомендуемая литература: 1. Бухаркин Е. Н. и др. Инженерные сети. Оборудование зданий и сооружений /Е.Н. Бухаркин, В. В. Кушнирюк и др. - М.: Высш. шк., 2008. - 414 с; 2. Кедров В. С. Санитарно-техническое оборудование зданий: учебник для вузов/В. С. Кедров, Е. Н. Ловцов. - М.: ООО «Бастет», 2008. - 480 с; 3. Макотрина Л. В. Санитарно-техническое оборудование зданий. Методические указания для выполнения курсового проекта для студентов специальности 290800 "Водоснабжение и водоотведение" дневной и заочной формы обучения. - Иркутск, ИрГТУ, 2011. - 59 с. (электронный вариант); 4. Сомов М. А., Журба М. Г. Водоснабжение. Том 1. Системы забора, подачи и распределения воды: Учебник для вузов. - М.: Издательство АСВ, 2010. - 262 с; 5. Сайриддинов С. Ш. Гидравлика систем водоснабжения и водоотведения: Учеб. Пособие. - М.: Издательство АСВ, 2008. - 352 с;
Дата выдачи задания “1” октября 2013г.
Дата представления курсовой работы руководителю “23” декабря 2013г.
Руководитель: _________ Епифанов С.П. Подпись
ВВЕДЕНИЕ
Трубопроводные системы представляют собой объединение труб с помощью различных соединений. Они являются основой системы обеспечения населения, производства и сельского хозяйства жизненно важными продуктами: чистым воздухом, питьевой и технологической водой, высоко- и низкопотенциальным теплоносителем (теплом), газом, нефтепродуктами. Трубопроводы делятся на короткие и длинные. К первым относятся все трубопроводы, в которых местные потери напора превышают 5…10% потерь напора по длине. К ним относят, к примеру, системы водоснабжения, водоотведения, горячего водоснабжения внутри зданий. Ко вторым относятся трубопроводы, в которых местные потери меньше 5…10% потерь напора по длине. К таким трубопроводам относятся, например, магистральные водоводы, нефтепроводы. Целью расчета короткого трубопровода может быть определение напора или давления в начале трубопровода, потерь напора или потерь давления, а также определение расхода или диаметра трубопровода при известном напоре в его начале.
Длинные трубопроводы можно разделить также на простые и сложные. Простыми называются последовательно соединенные трубопроводы одного или различных сечений, не имеющих никаких ответвлений. К сложным трубопроводам относятся системы труб с одним или несколькими ответвлениями, параллельными ветвями и т.д. К сложным относятся и так называемые кольцевые трубопроводы.
Кольцевая сеть состоит из замкнутых колец и магистралей, присоединенных к водонапорной башне или резервуару. Кольцевые трубопроводы (системы водопровода) проектируются для подачи воды непосредственно потребителю на хозяйственные, питьевые, противопожарные и производственные нужды. При этом должны быть обеспечены необходимые напоры, расходы воды и режимы водопотребления.
1. РАСЧЕТ КОРОТКИХ ТРУБОПРОВОДОВ.
Вода из водонапорного бака вытекает через трубопровод переменного сечения. Требуется:
Рассчитать потери напора ∆hi в отдельных элементах (в трубах и местных сопротивлениях) и полные потери напора ∆h;
Определить уровень воды в баке при заданном расходе Q и температуре;
Рассчитать значения полных и статических напоров в точках a, b, c, d, e, k, z, n и построить напорную и пьезометрическую линии;
Рассчитать и построить гидравлическую
характеристику трубопровода ∆h=f(Q)
Дано: э= 0,1мм=0,1⋅10-3 м
α = 60º
Q = 11дм3/с=11⋅10-3м3/с= 40 мм = 0,04 м= 70 мм = 0,07 м= 100 мм = 0,1 м= 30ºC
l1 = 10 м= 10 м= 6м
ν30 = 0,81⋅10-6 м2/с
Рис.
1.1. Расположение трубопровода
Рассчитаем
скорости потоков в трубопроводах

Расчет потерь напора в трубопроводах
Для определения потерь напора по длине трубы сперва рассчитаем число Рейнольдса, благодаря этому мы узнаем режим движения жидкости для всех участков с различными средними скоростями движения жидкости. Коэффициент гидравлического трения λ определяется по формулам, которые выбираются в зависимости от режима движения и области сопротивления.
Режимы движения:<2000 - ламинарный
<Re<4000 - неустойчивый>4000 - турбулентный
Области сопротивления:
доквадратичная зона ( область
шероховатых труб)
![]()
Где λ определяется по формуле Альтшуля;
зона гидравлически гладких труб
![]()
Где λ определяется по формуле Блазиуса;
квадратичная зона шероховатых труб
![]()
Где λ определяется по формуле Шифринсона;
Формулы для определения потерь напора на разных участках трубопровода:
Формула расчёта потерь напора на
повороте:
Для определения потерь напора на
выходе выбираем
-
коэффициент местного сопротивления. Этот коэффициент зависит от угла
расположения наклонных участков относительно горизонтальной плоскости. В задаче
угол на выходе α
=60°, коэффициент местного
сопротивления
.
Формула и систем расчёта потерь
напора при внезапном расширении:
Расчёт потерь напора по длине:
а) Потери напора на выходе потока из
бака (a-b)
ξ - коэффициент местного
сопротивления
б) Потери напора по длине (b-c)
где λ - коэффициент
гидравлического трения, величина которого зависит от режима движения жидкости
(числа Рейнольдса):
трубопровод работает в переходном
режиме, λ1
рассчитывается по формуле Шифринсона:
в) Потери напора на повороте (c-d)
г) Потери напора при расширении
(d-e)
д) Потери напора по длине (e-k)
трубопровод работает в области
шероховатых труб, λ2
рассчитывается
по формуле Альтшуля:
) Потери напора на повороте (k-m)
ж) Потери напора на расширение (k-m)
з) Потери напора по длине (m-n)
Суммарные потери напора:
Определение уровня воды в напорном баке.
Составляем уравнение Бернулли для сечений и определяем уровень воды Н в напорном баке:
= (-l1+ l3) ⋅ sin
α = -4⋅sin 60º =
-3.464м
- координата центра тяжести сечения
III
Расчет и построение напорной линии
Полные напоры в сечениях трубопровода
= H = 30.245м= Ha -![]()
![]()
= 30.245- 3.62 = 26.625м= Hb-![]()
![]()
= 26.625 - 24.28 = 2.345м
Hd = Hc - ![]()
![]()
= 2.345 - 2.175 = 0.169ме
= Hd - ![]()
= 0.169 - 1.756 = -1.586м=He
- ![]()
= -1.586 - 1.31 = -2.896м=
Hk - ![]()
= -2.896 - 0.233 = -3.129м=
Hz - ![]()
= -3.129 - 0.109 = -3.238м=Hm
- ![]()
= -3.238 - 0. 126 =
-3.364м
Наносим данные на рис 1.2
Расчет и построение пьезометрической линии
а) Скоростные напоры в трубах
б) Пьезометрические напоры в
сечениях трубопроводов:
Наносим данные на рис. 1.2
Рис.1.2 Напорная и пьезометрическая
линии
Расчет и построение напорной
характеристики
Проверка: подставим Q (расход) в
уравнение и получим:
Напорная характеристика трубопровода
∆h =
при Q = 2 дм3/с = 2 при Q = 4 дм3/с = 4 при Q = 6 дм3/с = 6 при Q = 8 дм3/с = 8 при Q = 10 дм3/с = 10 Рис.1.3 Напорная характеристика
трубопровода
2. РАСЧЕТ КОЛЬЦЕВЫХ ТРУБОПРОВОДОВ
Ðèñ.2 Ñõåìà
ñèñòåìû ïîäà÷è
è ðàñïðåäåëåíèÿ
âîäû: â îêðóæíîñòÿõ
óêàçàíû íîìåðà
óçëîâ; íàä äóãàìè
- íîìåðà äóã; íà
äóãå 1 - íàñîñíàÿ
ñòàíöèÿ; íàïðàâëåíèå
äóãè óêàçûâàåò
íàïðàâëåíèå ïîòîêà.
Íàìå÷àåì
ïåðâîíà÷àëüíîå
ðàñïðåäåëåíèå
ïîòîêà íà ñõåìå
(Ðèñ.2), ò.å. îïðåäåëÿåì
ïðèêèäî÷íûå ðàñ÷åòû
íà ó÷àñòêàõ,
èñõîäÿ èç óñëîâèé:
ñîáëþäåíèÿ áàëàíñà
ðàñõîäîâ â óçëàõ
è âçàèìîçàìåíÿåìîñòè
ëèíèé, ò.å. ðàñõîäû
íà ó÷àñòêàõ
äîëæíû ðàñïðåäåëÿòüñÿ
òàê, ÷òîáû ïðè
îòêëþ÷åíèè îäíîé
èç ëèíèé îáåñïå÷èòü
ïîäà÷ó ðàñõîäà
ïî äðóãîé ëèíèè.
Äëÿ ýòîãî ó÷àñòêè,
ïðèëåãàþùèå ê
óçëó, äîëæíû èìåòü
áëèçêèå ïî ðàçìåðó
äèàìåòðû òðóá.
Ñîáëþäåíèå ýòîãî
óñëîâèÿ îñîáåííî
âàæíî äëÿ íà÷àëüíûõ,
áëèæàéøèõ ê íàñîñíîé
ñòàíöèè èëè âîäîíàïîðíîé
áàøíå ó÷àñòêîâ,
ðàñ÷åòíûå ðàñõîäû
íà êîòîðûõ èìåþò
íàèáîëüøèå çíà÷åíèÿ.
Íàïîðíî-ðàñõîäíàÿ
õàðàêòåðèñòèêà
íàñîñà:
t = 4ºC
¹ Ó÷-êà Äëèíà
ó÷àñòêà òðóá 1
325
450
ïîëèýòèëåí
0,1394·10-6
45.305·10-6
2
275
355
ïîëèýòèëåí
0,4820·10-6
132.55·10-6
3
325
280
ïîëèýòèëåí
1,663·10-6
540.475·10-6
4
425
225
ïîëèýòèëåí
5,231·10-6
2223.175·10-6
5
525
180
ïîëèýòèëåí
16,77·10-6
8804.25·10-6
6
275
180
ïîëèýòèëåí
16,77·10-6
4611.75·10-6
7
425
225
ïîëèýòèëåí
5,231·10-6
2223.175·10-6
8
275
225
ïîëèýòèëåí
5,231·10-6
1438.525·10-6
9
325
280
ïîëèýòèëåí
1,663·10-6
540.475·10-6
Íîìåð
óçëà
Îòáîð
â óçëå 1
-133
25
2
0
41.19
3
22
40.31
4
24
38.63
5
25
35.57
6
15
33.3
7
28
35.76
8
19
38.74
Ïîëó÷åíèå
íàïîðîâ â óçëàõ
è ðàñõîäîâ ïî
ó÷àñòêàì
. Ñîñòàâèì
óðàâíåíèå áàëàíñà
ðàñõîäîâ â êàæäîì
óçëå íàøåé ñåòè
. õ1-
Q1=0
2. x2
+ x9 - x1
= Q2
. x3
- x2 = -Q3
(1) 4. x4
- x3 -x8
= -Q4
5. x5 - x4 - x6 = -Q5
. -x5 + Q6 = 0
. x6 - x7 = - Q7
. x7 + x8 - x9 = -Q8
Ïîñòðîåíèå
ìàòåìàòè÷åñêîé
ìîäåëè êîëüöåâîãî
òðóáîïðîâîäà.
Ñîñòàâèì
ìàòðèöó ïîëó÷åííîé
ñèñòåìû À (ìàòðèöà
èíöèíäåíöèé):
ó÷àñòîê óçåë
1
2
3
4
5
6
7
8
9
1
1
0
0
0
0
0
0
0
0
2
-1
1
0
0
0
0
0
0
1
3
0
-1
1
0
0
0
0
0
0
4
0
0
-1
1
0
0
0
-1
0
5
0
0
0
-1
1
-1
0
0
0
6
0
0
0
0
-1
0
0
0
0
7
0
0
0
0
0
1
-1
0
0
8
0
0
0
0
0
0
1
1
-1
Àõ = b (1)
Ñèñòåìà
ëèíåéíî-çàâèñèìà,
ò.ê. ∑Qi=0 è ïðè ñëîæåíèè
âñåõ óðàâíåíèé
ñèñòåìû (1) ïîëó÷èëè
0 = 0, ïîýòîìó îäíî
óðàâíåíèå ìîæíî
âû÷åðêíóòü; ïîëó÷èì
óñå÷åííóþ ìàòðèöó
À :
ó÷àñòîê óçåë
1
2
3
4
5
6
7
8
9
1
1
0
0
0
0
0
0
0
0
2
-1
1
0
0
0
0
0
0 3
0
-1
1
0
0
0
0
0
0
4
0
0
-1
1
0
0
0
-1
0
5
0
0
0
-1
1
-1
0
0
0
6
0
0
0
0
-1
0
0
0
0
7
0
0
0
0
0
1
-1
0
0
è óñå÷åííûé
âåêòîð:
Q1
-Q2
-Q3
b
=
-Q4
-Q5
-Q6
-Q7
Òîãäà óðàâíåíèå
áàëàíñà ðàñõîäîâ
ïðèíèìàåò âèä:Ax
= b (2)
Ñîñòàâëÿåì
óðàâíåíèå Áåðíóëëè
äëÿ âñåõ ó÷àñòêîâ
ñåòè, íàïðèìåð
äëÿ ïåðâîãî ó÷àñòêà
îíî èìååò âèä:
Ó÷àñòîê
1: Àíàëîãè÷íî
ñîñòàâëÿÿ óðàâíåíèÿ
Áåðíóëëè äëÿ âñåõ
îñòàëüíûõ ó÷àñòêîâ,
ïîëó÷èì ñëåä.
ñèñòåìó óðàâíåíèé:
1. H1- H2=
(S1+Sí)|x1|·x1-H0
. H2 - H3 =
S2·|x2|·x2
. H3 - H4 =
S3·|x3|·x3
. H4 - H5 =
S4·|x4|·x4
(3) 5. H5 -
H6 = S5·|x5|·x5
. H7 - H5 =
S6·|x6|·x6
. H8 - H7 =
S7·|x7|·x7
. H8- H4 =
S8·|x8·|x8
9. H2 - H8 = S9·|x9|·x9
Âûïèøåì
ìàòðèöó ñèñòåìû
(3) AT- òðàíñïîíèðîâàííóþ
ìàòðèöó
ó÷àñòîê óçåë
1
2
3
4
5
6
7
8
1
1
-1
0
0
0
0
0
0
2
0
1
-1
0
0
0
0
0
3
0
0
1
-1
0
0
0
0
4
0
0
0
1
-1
0
0
0
5
0
0
0
0
1
-1
0
0
6
0
0
0
0
-1
0
1
0
7
0
0
0
0
0
0
-1
1
8
0
0
0
-1
0
0
0
1
9
0
1
0
0
0
0
0
-1
(S1+Sí)|x1|·x1
S2·|x2|·x2
S3·|x3|·x3
S4·|x4|·x4
f(x)
=
S5·|x5|·x5
S6·|x6|·x6
S7·|x7|·x7
S8·|x8·|x8
S9·|x9|·x9
Îòñþäà âèäíî,
÷òî ìàòðèöà ñèñòåìû
ÿâëÿåòñÿ òðàíñïîíèðîâàííîé
ìàòðèöåé ìàòðèöû
À.
Òîãäà â ìàòðè÷íîì
âèäå ïîëó÷èëè:
·H = f (x) - c
Èç ñîñòàâëåííûõ
óðàâíåíèé ìû
ïîëó÷èëè 9 ïåðåìåííûõ
Õ, 8 ïåðåìåííûõ
Í, âñåãî 9+8=17- ïåðåìåííûõ
è 7+9=16 - óðàâíåíèé.
×òîáû ðåøèòü
ñèñòåìó óðàâíåíèé
(2) è (3) íóæíî çàäàòü
çíà÷åíèå îäíîé
èç ïåðåìåííûõ,
â íàøåì ñëó÷àå
çàäàí íàïîð â
ïåðâîì óçëå Í1=25ì.
Ðåøàÿ ñèñòåìó
ñ ïîìîùüþ ìàòåìàòè÷åñêîé
ïðîãðàììîé Maple, íàøëè
ñëåäóþùèå èñêîìûå
çíà÷åíèÿ ðàñõîäà
íà ó÷àñòêå õ
è íàïîðû â óçëàõ
H:
Íîìåð
ó÷àñòêà
Ðàñõîä
íà ó÷àñòêå 1
133
2
72.31
3
50.31
4
34.23
5
15
6
5.77
7
33.77
8
7.92
9
60.69
Íîìåð
óçëà
Íàïîð
â óçëå Í, ì
1
25
2
41.19
3
40.31
4
38.63
5
35.57
6
33.3
7
35.76
8
38.74
. H1 - H2 +Íí = 25 - 41.19+17.18 =
0.99ì
. H2 - H3 = 41.19 - 40.31 = 0.88 ì
. H3 - H4 = 40.31 - 38.63 = 2.68 ì
. H4 - H5 = 38.63 - 35.57 = 3.06ì
. H5 - H6= 35.57 - 33.3 = 2.27ì
. H7 - H5 = 35.76 - 35.57 = 0.19ì
. H8 - H7 = 38.74 - 35.76 = 2.98ì
. H8 - H4 = 38.74 - 38.63 = 0.11ì
. H2 -H8 = 41.19 - 38.74 = 2.45ì
Íîìåð
óçëà
Âûñîòà
óçëà z, ì
Äàâëåíèå
â óçëàõ P Ïà,
1
4
206010
2
5
355023.9
3
8
316961.1
4
2
359340.3
5
7
280271.7
6
5
277623
7
6
291945.6
8
7
311369.4
Çàíåñåì
äàííûå â òàáëèöó:
Íîìåð
ó÷àñòêà
Ïîòåðè
íàïîðà íà ó÷àñòêå
ΔÍ, ì
1
0.99
2
0.88
3
2.68
4
3.06
5
2.27
6
0.19
7
2.98
8
0.11
9
2.45
Ðàññ÷èòàåì
äàâëåíèå â óçëàõ
ïî ôîðìóëå: P = (H - z)·γ,
ãäå z-âûñîòà
óçëà (zi=5, i=1,…,8), γ - óäåëüíûé
âåñ,
γ = ρ·g = 1000· 9.81 = 9810 H/ì3
Ïîñòðîèì
ïüåçîìåòðè÷åñêóþ
ëèíèþ òðóáîïðîâîäà
ñ 1 äî 6 óçëà
Ñòðîèì ãðàôèê
ïîòåðü íàïîðà
ïî ïóòè. Äëÿ ýòîãî
âûáèðàåì ïóòü
1-2-3-4-5-6 è ñòðîèì ñîîòâåòñòâóþùèé
ãðàôèê, îòêëàäûâàÿ
ïî ãîðèçîíòàëüíîé
îñè äëèíû ó÷àñòêîâ,
à ïî âåðòèêàëüíîé
- íàïîðû, â ñîîòâåòñòâóþùèõ
óçëàõ.
Ðèñ.2.1 Íàïîðíàÿ
õàðàêòåðèñòèêà
òðóáîïðîâîäà
ñ 1 ïî 6 óçëà
Ïîòåðè íàïîðà
ïî êîëüöó
Íàõîäèì
àëãåáðàè÷åñêóþ
ñóììó ïîòåðü
íàïîðà â êîëüöàõ,
êîòîðàÿ äîëæíà
ðàâíÿòüñÿ íóëþ:
∑h=0
Ñåòü ñ÷èòàåòñÿ
ðàññ÷èòàííîé,
åñëè ïðè äàííûõ
ðàñõîäàõ ïî âåòâÿì
êîëüöåâîé ñåòè
ïîòåðè íàïîðà
ïî îäíîé âåòâè
êîëüöà ðàâíû ïîòåðÿì
íàïîðà ïî äðóãîé
åãî âåòâè.
 íàøåé ñåòè
ìû ìîæåì âûäåëèòü
òðè êîëüöà, ïî êîòîðûì
äåëàåì ðàñ÷åòû:
Ðàññ÷èòàåì
ïîòåðè íàïîðà
ïî êîëüöó 2-3-4-8
Ïîòîê â òî÷êå
2 ðàçäåëÿåòñÿ íà
äâà íàïðàâëåíèÿ,
è â òî÷êå 4 ýòè
ïîòîêè ñõîäÿòñÿ.
Ñëåäîâàòåëüíî,
ñóììà ïîòåðü
íàïîðà îò òî÷êè
2 äî òî÷êè 4 ïî ïðàâîé
âåòâè äîëæíà
ðàâíÿòüñÿ ñóììå
ïîòåðü íàïîðà
ìåæäó ýòèìè òî÷êàìè
ïî ëåâîé âåòâè:
ΔÍêîëüöî1
= (Í2 - Í3) + (Í3 - Í4) - (Í8 - Í4)
-(Í2 - Í8) = 0
Òî åñòü ïðè
ðàññìîòðåíèè
äâèæåíèÿ âîäû
îòíîñèòåëüíî
êîëüöà ìû ïðèíèìàåì
ïîëîæèòåëüíûìè
ïîòåðè íàïîðà,
âîçíèêàþùèå
ïðè äâèæåíèè
âîäû ïî õîäó ÷àñîâîé
ñòðåëêè, à îòðèöàòåëüíûìè
-ïðîòèâ õîäà ÷àñîâîé
ñòðåëêè.
Ðàññ÷èòàåì
ïîòåðè íàïîðà
ïî êîëüöó 4-5-7-8
Ïîòîê â òî÷êå
8 ðàçäåëÿåòñÿ íà
äâà íàïðàâëåíèÿ,
è â òî÷êå 5 ýòè
ïîòîêè ñõîäÿòñÿ.
Ñëåäîâàòåëüíî,
ñóììà ïîòåðü
íàïîðà îò òî÷êè
8 äî òî÷êè 5 ïî ïðàâîé
âåòâè äîëæíà
ðàâíÿòüñÿ ñóììå
ïîòåðü íàïîðà
ìåæäó ýòèìè òî÷êàìè
ïî ëåâîé âåòâè:
ΔÍêîëüöî2
= (Í8 - Í4) + (Í4- Í5) - (Í7 - Í5) -(Í8
- Í7) = 0
Ðàññ÷èòàåì
ïîòåðè íàïîðà
ïî êîëüöó 2-3-4-5-7-8
Ïîòîê â òî÷êå
2 ðàçäåëÿåòñÿ íà
äâà íàïðàâëåíèÿ,
è â òî÷êå 5 ýòè
ïîòîêè ñõîäÿòñÿ.
Ñëåäîâàòåëüíî,
ñóììà ïîòåðü
íàïîðà îò òî÷êè
2 äî òî÷êè 5 ïî ïðàâîé
âåòâè äîëæíà
ðàâíÿòüñÿ ñóììå
ïîòåðü íàïîðà
ìåæäó ýòèìè òî÷êàìè
ïî ëåâîé âåòâè:
ΔÍêîëüöî3
= (Í2 - Í3) + (Í3 - Í4) + (Í4 - Í5)
-(Í7 - Í5)-(Í8 - Í7) -(Í2 - Í8) = 0
Ñóììà ïîòåðü
íàïîðà ïî êàæäîìó
èç öèêëîâ ðàâíà
íóëþ.
Ðàññ÷èòàåì
ãèäðàâëè÷åñêèé
óêëîí
íàïîð òðóáîïðîâîä
ãèäðàâëè÷åñêèé
óêëîí
Ãèäðàâëè÷åñêèé
óêëîí âûðàæàåò
ïîòåðþ ïîëíîé
óäåëüíîé ýíåðãèè
(ãèäðîäèíàìè÷åñêîãî
íàïîðà), ïðèõîäÿùóþñÿ
íà åäèíèöó äëèíû
ïîòîêà, ãäå l − ðàññòîÿíèå,
îòñ÷èòûâàåìîå
âäîëü îñè ïîòîêà:
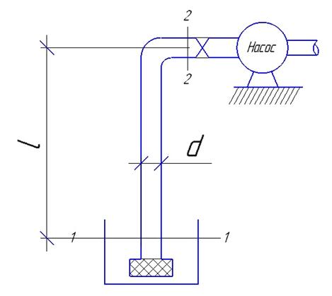
= 3. ÎÏÐÅÄÅËÅÍÈÅ
ÄÈÀÌÅÒÐÀ ÂÑÀÑÛÂÀÞÙÅÃÎ
ÒÐÓÁÎÏÐÎÂÎÄÀ
È ÂÛÑÎÒÛ ÓÑÒÀÍÎÂÊÈ
ÍÀÑÎÑÀ.
Îïðåäåëèòü
äèàìåòð âñàñûâàþùåãî
òðóáîïðîâîäà
è ïðåäåëüíóþ òåîðåòè÷åñêóþ
âûñîòó óñòàíîâêè
(âñàñûâàíèÿ) öåíòðîáåæíîãî
íàñîñà ñ ó÷åòîì
è áåç ó÷åòà çàïàñà,
îáåñïå÷èâàþùåãî
îòñóòñòâèå êàâèòàöèè,
åñëè íàñîñ ïåðåêà÷èâàåò
âîäó ïðè òåìïåðàòóðå
t = 70ºC,
êèíåìàòè÷åñêàÿ
âÿçêîñòü ν = 0,38⋅10-6 ì2/ñ,
ðàñõîäå Q = 30 ì3/ñ è
÷àñòîòå âðàùåíèÿ
n = 1500 îá/ìèí. Òðóáîïðîâîä
ñòàëüíîé, äëèíîé
l = 10ì, ýêâèâàëåíòíîé
øåðîõîâàòîñòüþ
ký = 1 ìì; èìååò ïðèåìíûé
(îáðàòíûé) êëàïàí,
îäèí ïîâîðîò (êîëåíî)
90º
(R=2d),
ïëîòíîñòü âîäû
ρ=977.81 êã/ì3,
êîýôôèöèåíòû
ìåñòíîãî ñîïðîòèâëåíèÿ:
ξêëàï.=6,
ξïîâ.=0,7.
Îïðåäåëåíèå
äèàìåòðà âñàñûâàþùåãî
òðóáîïðîâîäà
Èç ôîðìóëû
ðàñõîäà âûðàæàåì
äèàìåòð òðóáû:
Ãäå Q - ðàñõîä,
s - ïëîùàäü ñå÷åíèÿ,
v - ñêîðîñòü
Îòêóäà
âèäíî ÷òî äèàìåòð
çàâèñèò êàê îò
ðàñõîäà, òàê è
îò ñêîðîñòè òå÷åíèÿ
âîäû â òðóáå. Ïðèíèìàåì,
ñàìîñòîÿòåëüíî,
ñêîðîñòü ðàâíóþ
1.5ì/ñ, ðàñõîä çàäàí
è ïîäñòàâëÿåì
â ôîðìóëó (1):
Ïðè υ = 1.5 ì/ñ
Ïî ÃÎÑÒó
ïðè äèàìåòðå òðóáû
ìåíüøåé èëè ðàâíîé
250ìì, ñêîðîñòü òå÷åíèÿ
â íåé âîäû âàðüèðóåòñÿ
îò 0.6 äî 1 ì/ñ.
Òàê êàê
ïðè âûáðàííîé
íàìè ñêîðîñòè
ðàâíîé 1.5 ì/ñ, äèàìåòð
òðóáîïðîâîäà
ðàâåí 80 ìì, ìíîé
áûë ñäåëàí âûâîä
÷òî äàííàÿ ñêîðîñòü
íå ÿâëÿåòñÿ äîïóñòèìîé.
Ïðèíèìàåì
äèàìåòð òðóáîïðîâîäà
ðàâíûé 120 ìì, ïðè
çàäàííîì ðàñõîäå
âû÷èñëèì ñêîðîñòü
â òðóáîïðîâîäå:
Ïðè d = 120 ìì
Ïîëó÷åííîå
çíà÷åíèå ïðèáëèæåííî
ê ðàâåíñòâó (2) è
áóäåò ïðèíÿòî
ìíîþ, äèàìåòð
òðóáîïðîâîäà
ðàâåí 120ìì èëè
0.12 ì. è ñêîðîñòü
ðàâíà 0.74ì/ñ, ÷òî
ñîîòâåòñòâóåò
ÃÎÑÒó.
Îïðåäåëåíèå
âûñîòû óñòàíîâêè
íàñîñà
Äëÿ ðàñ÷åòà
ïðåäåëüíîé òåîðåòè÷åñêîé
âûñîòû óñòàíîâêè
(âñàñûâàíèÿ) öåíòðîáåæíîãî
íàñîñà âîñïîëüçóåìñÿ
óðàâíåíèåì Áåðíóëëè
äëÿ ðåàëüíîé æèäêîñòè:
Ïîäñòàâëÿåì
çíà÷åíèè â óðàâíåíèå
Áåðíóëëè è ïîëó÷àåì:
Îïðåäåëèì
îáëàñòè ãèäðàâëè÷åñêîãî
ñîïðîòèâëåíèÿ,
äëÿ ýòîãî âû÷èñëèì:
Âû÷èñëèì
ïðåäåëüíóþ âûñîòó
óñòàíîâêè íàñîñà:
Âû÷èñëèì
êàâèòàöèîííûé
çàïàñ:
Âû÷èñëèì
ôàêòè÷åñêóþ
âûñîòó óñòàíîâêè
íàñîñà ñ ó÷åòîì
êàâèòàöèîííîãî
çàïàñà:
ÇÀÊËÞ×ÅÍÈÅ
 êóðñîâîé
ðàáîòå áûëè ðåøåíû
òðè çàäà÷è: ãèäðàâëè÷åñêèé
ðàñ÷åò êîðîòêèõ
òðóáîïðîâîäîâ,
ïîòîêîðàñïðåäåëåíèÿ
â êîëüöåâîé ñåòè,
îïðåäåëåíèå äèàìåòðà
òðóáîïðîâîäà
è ïðåäåëüíóþ âûñîòó
óñòàíîâêè öåíòðîáåæíîãî
íàñîñà.
 ïåðâîé
çàäà÷å áûëè ðàññ÷èòàíû
çíà÷åíèÿ ïîòåðü
íàïîðà â òðóáîïðîâîäàõ
íà âñåõ ó÷àñòêàõ:
ïîòåðè ïðè âûõîäå
èç áàêà, ïîòåðè
ïî äëèíå, íà âíåçàïíîå
ðàñøèðåíèå è
íà ïîâîðîò. Ïî
äàííûì ðàñ÷åòàì
ïîñòðîåíû íàïîðíàÿ
õàðàêòåðèñòèêà
òðóáîïðîâîäà,
íàïîðíàÿ è ïüåçîìåòðè÷åñêàÿ
ëèíèè.
Âî âòîðîé
çàäà÷å íàéäåíû
íàïîðû â óçëàõ
òðóáîïðîâîäíîé
ñåòè, ðàñõîäû
è ïîòåðè íàïîðà
íà ó÷àñòêàõ.
Òàêæå áûëè ïîäñ÷èòàíû
ñóììû ïîòåðü
íàïîðîâ â öèêëàõ,
ãèäðàâëè÷åñêèå
óêëîíû ó÷àñòêîâ
è ïüåçîìåòðè÷åñêàÿ
ëèíèÿ âûáðàííîãî
ó÷àñòêà òðóáîïðîâîäà.
Ïî ýòèì ïîäñ÷åòàì
áûë ñäåëàí âûâîä:
ñóììà ïîòåðü
íàïîðîâ âäîëü
ëþáîãî öèêëà
ðàâíà íóëþ. Íàéäåíû
äàâëåíèÿ â êàæäîì
óçëå òðóáîïðîâîäíîé
ñåòè ïðè çàäàííûõ
ãåîìåòðè÷åñêèõ
âûñîòàõ â óçëàõ.
 òðåòüåé
çàäà÷å ïîäîáðàí
äèàìåòð âñàñûâàþùåãî
òðóáîïðîâîäà
íàñîñà è ñêîðîñòü
òå÷åíèÿ âîäû
â íåì. Áûëà íàéäåíà
ìàêñèìàëüíàÿ
(òåîðåòè÷åñêàÿ)
âûñîòà óñòàíîâêè
íàñîñà îò ïèòüåâîãî
èñòî÷íèêà è
ôàêòè÷åñêàÿ
åãî âûñîòà ñ ó÷åòîì
êàâèòàöèîííîãî
çàïàñà, ïðè êîòîðîé
íàñîñíîå îáîðóäîâàíèå
áóäåò èìåòü íàèáîëåå
êîìôîðòíûå óñëîâèÿ
äëÿ ñòàáèëüíîé
ðàáîòû.
ÑÏÈÑÎÊ
ÈÑÏÎËÜÇÎÂÀÍÍÎÉ
ËÈÒÅÐÀÒÓÐÛ
Áóõàðêèí
Å.Í. è äð. Èíæåíåðíûå
ñåòè. Îáîðóäîâàíèå
çäàíèé è ñîîðóæåíèé
/Å.Í. Áóõàðêèí,
Â.Â. Êóøíèðþê è
äð.- Ì.: Âûñø. øê.,
2008. - 414 ñ.
Êåäðîâ
Â.Ñ. Ñàíèòàðíî-òåõíè÷åñêîå
îáîðóäîâàíèå
çäàíèé: ó÷åáíèê
ëÿ âóçîâ /Â.Ñ. Êåäðîâ,
Å.Í.Ëîâöîâ. - Ì.:ÎÎÎ
«Áàñòåò», 2008. - 480 ñ.
Ìàêîòðèíà
Ë.Â. Ñàíèòàðíî-òåõíè÷åñêîå
îáîðóäîâàíèå
çäàíèé. Ìåòîäè÷åñêèå
óêàçàíèÿ äëÿ
âûïîëíåíèÿ êóðñîâîãî
ïðîåêòà äëÿ ñòóäåíòîâ
ñïåöèàëüíîñòè
290800 "Âîäîñíàáæåíèå
è âîäîîòâåäåíèå"
äíåâíîé è çàî÷íîé
ôîðìû îáó÷åíèÿ.
- Èðêóòñê, ÈðÃÒÓ,
2011. - 59 ñ. (ýëåêòðîííûé
âàðèàíò).
Ñîìîâ
Ì.À., Æóðáà Ì.Ã. Âîäîñíàáæåíèå.
Òîì 1. Ñèñòåìû
çàáîðà, ïîäà÷è
è ðàñïðåäåëåíèÿ
âîäû: Ó÷åáíèê
äëÿ âóçîâ. Ì.: Èçäàòåëüñòâî
ÀÑÂ, 2010. ‒ 262ñ.
Ñàéðèääèíîâ
Ñ.Ø. Ãèäðàâëèêà
ñèñòåì âîäîñíàáæåíèÿ
è âîäîîòâåäåíèÿ:
Ó÷åá.ïîñîáèå.
- Ì.: Èçäàòåëüñòâî
ÀÑÂ, 2008. - 352 ñ.
ßêîâëåâ
Ñ.Â. ,Âîðîíîâ Þ.Â.
Âîäîîòâåäåíèå
è î÷èñòêà ñòî÷íûõ
âîä /Ó÷åáíèê äëÿ
âóçîâ: - Ì.:ÀÑÂ,
2002 - 704ñ.
Øåâåëåâ
Ô.À., Øåâåëåâ À.Ô.
Òàáëèöû äëÿ ãèäðàâëè÷åñêîãî
ðàñ÷åòà âîäîïðîâîäíûõ
òðóá: Ñïðàâ.ïîñîáèå.
- 8-å èçä., ïåðåðàá.
è äîï. Ì.: Ñòðîéèçäàò,2008.-352
ñ.
Ðàçìåùåíî
íà Allbest.ru
(2
(4
(6
(8
(10
,ìÄèàì
, ììÌàòåðèàëÓäåëüíîå
ãèäðàâëè÷åñêîå
ñîïðîòèâëåíèå
, (ë/c)-2Ãèäðàâëè÷åñêîå
ñîïðîòèâëåíèå
ó÷àñòêà
, ì·(ë/c)-2
, ë/cÍàïîð
â óçëå
, ì
![]()
![]()
, ë/c
(2)