Материал: Фотоплетизмографическая измерительная система

Внимание! Если размещение файла нарушает Ваши авторские права, то обязательно сообщите нам

R1=R2=200 кОм

АЦП.

Требования к АЦП:

·        Максимальное значение 5 В;

·        Для погрешности не более 1% достаточно 7 разрядов. (т.к. 1/27=0,7%)

·        Частота дискретизации согласно теореме Котельникова должна быть не меньше 40 Гц, но чем больше частота дискретизации - тем точнее вычисления.

Параллельно-последовательные АЦП прямого преобразования, сохраняя высокое быстродействие позволяют значительно уменьшить количество компараторов (до, где n - число битов выходного кода, а k - число параллельных АЦП прямого преобразования), требующееся для преобразования аналогового сигнала в цифровой (при 8-ми битах и 2-х АЦП требуется 30 компараторов). Используют два или более (k) шага-поддиапазона. Содержат в своем составе k параллельных АЦП прямого преобразования. Второй, третий и т.д. АЦП служат для уменьшения ошибки квантования первого АЦП путем оцифровки этой ошибки. На первом шаге производится грубое преобразование (с низким разрешением). Далее определяется разница между входным сигналом и аналоговым сигналом, соответствующим результату грубого преобразования (со вспомогательного ЦАП, на который подаётся грубый код). На втором шаге найденная разница подвергается преобразованию, и полученный код объединяется с грубым кодом для получения полного выгодного цифрового значения.

Также в параллельно-последовательных АЦП прямого преобразования может использоваться конвейерная работа АЦП, для увеличения скорости выходного оцифрованного потока данных. В отличие от обычного режима работы, в котором данные передаются после полного преобразования, при конвейерной работе данные частичных преобразований передаются по мере готовности до окончания полного преобразования. [4]

FIFO

Представляет собой электронную схему для буферизации и управления потоком, передаваемом от аппаратного обеспечения к программному. В аппаратной форме FIFO состоит из множества указателей чтения и записи, памяти и логики управления. Устройство памяти может быть SRAM, триггер, защёлка или любого другого подходящего типа. Для FIFO больших размеров используется, как правило, двойной порт SRAM, в котором один порт используется для записи, а другой для чтения. [4]

4.      Моделирование системы в ПО LabVIEW


Фотоплетизмографическая измерительная система, реализованная в ПО LabVIEW, предназначена для фиксирования таких параметров пульсовых и «дыхательных» волн, как

¾      амплитуда пульсовой волны

¾      амплитуда дикротической волны

¾      длительность анакротической волны

¾      длительность дикротической волны

¾      длительность пульсовой волны

¾      длительность систолы

¾      длительность диастолы

¾      время наполнения

¾      длительность дыхательного цикла

¾      амплитуда «дыхательных волн» (глубина дыхания),

и вычисления показателей состояния сердечно-сосудистой и дыхательной систем человека, как

¾      частота сердечных сокращений

¾      индекс дикротической волны

¾      индекс восходящей волны

¾      частота дыхания.

В модели предусмотрены возможности обработки как реального сигнала, так и смоделированного.



Блок-схема переключения реального и тестового сигналов

Аналоговый ввод реального и генерирование тестового сигналов.

Аналоговый ввод организуется по следующей схеме: выбирается канал, с которого нужно принять сигнал, указывается что именно с канала необходимо снять (в данном случае напряжение), указывается количество отсчетов, которые необходимо записать в буфер и выбирается частота дискретизации (100 Гц).

Снятие сигнала с аналогового входа DAQ устройства.

Смоделированный сигнал - сумма трёх синусоид и постоянной составляющей.

Сигнал состоит из 3000 отсчетов с периодом дискретизации 0,01с (длительность сигнала 30 секунд). Амплитуда каждой гармоники 40÷60 мВ, гармоника с частотой 0,23 Гц соответствует «дыхательным» волнам.

Блок-схема генерирования тестового сигнала

График сгенерированного сигнала

Для приближения тестового сигнала к реальному необходимо добавить высокочастотный шум (> 20 Гц).

Блок-схема генерирования высокочастотного шума

График тестового сигнала с шумом


Усиление сигнала

Для выделения пульсовых волн используется полосовой цифровой фильтр, оставляющий гармоники с частотами 0,5÷20 Гц.

Спецификация полосового фильтра для выделения пульсовых волн

Для выделения «дыхательных» волн используются ФВЧ и ФНЧ фильтры, оставляющие гармоники с частотами 0,2÷0,5 Гц.

Спецификация фильтров для выделения «дыхательных» волн


Сигналы после фильтрации: пульсовые волны, «дыхательные» волны

Чтобы в дальнейшем получить достоверные сведения о сигнале, необходимо исключить измерения на первых секундах, так как есть риск запечатлеть не полезный сигнал, а переходных процесс включения фильтра.

Поэтому для обработки пульсовых волн достаточно оставить последнюю четверь сигнала, для «дыхательных» - вторую половину.

Полезные для измерения отрезки сигналов


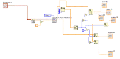
Поиск контрольных точек сигнала пульсовых волн


Структура пульсовой волны: А1 - амплитуда анакротической части пульсовой волны; А2 - амплитуда дикротической части волны. Справа - нормативные точки для количественного оценивания пульсовой волны

Так как границами пульсовой волны являются минимумы, то целесообразно найти сначала минимумы, выделить одну пульсовую волну и далее проводить её измерения.

Блок-схема поиска минимумов функции

Выделение экстремумов осуществляется с помощью функции Waveform Peak Detection, которая принимает функцию, значение минимального порога амплитуды максимума или минимума и которой необходимо указать, что выделять - минимумы или максимумы. Функция возвращает два массива: один содержит амплитуды минимумов (максимумов), второй - номера отсчетов этих экстремумов.

Далее «вырезаем» один период пульсовых волн, указывая для специальной функции время: t(В1) до t(B5).

Блок-схема выделения одного периода пульсовых волн

Выделенный период пульсовых волн

Далее по такому же алгоритму определяются максимумы сигнала.

Результаты поиска контрольных точек



Поиск контрольных точек «дыхательных» волн.

В данной модели дыхательные волны имеют форму синусоиды, но реальный сигнал - неправильной формы. Поэтому измерить частоту и амплитуду сигнала необходимо не с помощью специальных функций для гармонических сигналов, а тоже с помощью поиска минимумов и максимумов.

Блок-схема поиска экстремумов в «дыхательных» волнах

Результаты поиска экстремумов

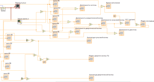
Вычисление показателей состояния сердечнососудистой и дыхательной систем человека

частота сердечных сокращений, уд./мин

индекс дикротической волны

индекс восходящей волны

частота дыхания, вдохов/мин




Блок-схема вычислений по измеренным данным

Результаты вычислений


Заключение


В ходе данной работы была предложена аппаратная реализация прибора для измерения параметров пульсовых и «дыхательных» волн, определены требования к элементам прибора, также была собрана модель данной измерительной системы в ПО LabVIEW. Модель позволяет проводить анализ как реального сигнала, так и смоделированного, автоматически выводит результаты измерений и вычислений, которые необходимы для оценки состояния сердечнососудистой и дыхательной систем человека.


Список литературы


1. С.А. Акулов, А.А. Федотов «Измерительные преобразователи биомедицинских сигналов систем клинического мониторинга». Учебное пособие, изд. «МОСКВА. Радио и связь», 2013.

2.      http://www.intuit.ru/studies/courses/590/446/lecture/9937? page=2 (Негосударственное образовательное частное учреждение «Национальный Открытый Университет «ИНТУИТ»)

3.      http://fbme.univer.kharkov.ua/2011/02/palcevyj-fotopletizmograf/ (Кафедра физической и биомедицинской электроники и комплексных информационных технологий Харьковского национального университета имени В.Н. Каразина)

4.      www.wikipedia.ru

.        http://www.masterkit.ru (Журнальные статьи по электронным наборам и модулям МАСТЕР КИТ)