Курсовой проект
Фотоплетизмографическая
измерительная система
Развитие средств регистрации и методов обработки биологических сигналов, а также широкое использование микропроцессорной техники привело к объединению отдельных приборов измерения и контроля физиологических параметров в многофункциональные мониторные системы, позволяющие вести комплексную оценку состояния пациента.
Ценность использования систем мониторинга для клинической практики определяется следующими факторами:
• высокой точностью и объективностью получаемой диагностической информации;
• отслеживание изменений жизненно важных параметров организма в реальном масштабе времени, определяемым высоким быстродействием обработки физиологической информации;
• возможностью одновременной обработки изменений нескольких физиологических параметров и установлением связи между ними;
• ранним выявлением признаков нарушения управления в системах организма;
• наблюдением за изменениями диагностических показателей, являющихся производными от текущих значений физиологических параметров (например, слежение за изменением периферического сопротивления, сердечного выброса, индексов активности вегетативной регуляции и т.п.).
Фотоплетизмография - метод исследования периферической гемодинамики, основанный на изучении поглощения света, проходящего через исследуемый участок ткани с пульсирующей кровью. Используется в мониторах пациента для определения ЧСС, величины интенсивности пульсации кровотока, а также в пульсоксиметрах [1].
Задача данной курсовой работы заключается в разработке
фотоплетизмографической измерительной системы. Для выполнения поставленной
задачи необходимо изучить сигнал, выбрать элементы для разрабатываемой системы,
определить требования для них и смоделировать работу системы.
сигнал фильтр датчик усилитель
Фотоплетизмографический сигнал представляет собой
изменение во времени объема кровеносного сосуда. Для регистрации
фотоплезмографического сигнала через исследуемый участок биологических тканях
пропускается поток излучения оптического или инфракрасного диапазона.
Рис. 1. Регистрация пальцевой плетизмограммы
В соответствии с законом Бугера-Ламберта-Бера поглощение
света в объекте с однородными оптическими свойствами зависит от толщины слоя,
через который это излучение проходит:
, где:
- интенсивность светового потока, прошедшего через ткань,0 - интенсивность светового потока, падающего на ткань, бл - коэффициент светопоглощения, зависящий от длины волны излучения и оптических свойств ткани, l - толщина ткани, поглощающей свет.
Величина сигнала измеряется как ослабление излучения, проходящего через исследуемый участок биологической ткани, содержащей кровеносный сосуд (или отраженного от участка, исследуемой биологической ткани). Амплитуда сигнала при использовании широкополосного фотоприемника составляет не менее 0,1 мВ. Частотный диапазон составляет 0,1…20 Гц.
Типичный вид сигнала показан на рис. 1. Слева (рис. 1, а)
показан полный сигнал, в котором можно выделить постоянную (ІП) и
переменную (Іпер) составляющие. Справа (рис. 1, б) изображена
выделенная и усиленная переменная составляющая сигнала. Именно ее называют
фотоплетизмограммой.
Рис. 1. Типичный вид зависимости сигнала от времени на выходе
фотоприемника: а) полный сигнал; б) его увеличенная в масштабе переменная
составляющая
На фотоплетизмограмме можно выделить «волны» 1-го, 2-го и 3-го порядка:
Волны 1-го порядка (І) синхронизированы с сокращениями сердца. Именно их и называют «пульсовыми волнами». Их частотный диапазон 0,5÷20 Гц.
Максимум таких волн соответствует моменту максимального
кровенаполнения сосуда - систоле, а минимум - диастоле. Амплитуда
регистрируемых колебаний зависит от разности давления в сосудах при систоле и
диастоле.
Рис. 2. Фотоплетизмограмма периферической артериальной
пульсации крови
Вершина пульсовой волны соответствует наибольшему объему крови, а ее противолежащая часть - наименьшему объему крови в исследуемом участке ткани. Характер пульсовой волны зависит от эластичности сосудистой стенки, частоты пульса, объема исследуемого участка ткани, ширины просвета сосудов. Считается, что частота и продолжительность пульсовой волны зависит от особенностей работы сердца, а величина и форма ее пиков - от состояния сосудистой стенки. [1]
Волны 2-го порядка (ІІ) синхронизированы с ритмом дыхания человека, их называют «дыхательными волнами». Их частотный диапазон 0,2÷ 0.5 Гц. Причина их появления состоит в том, что сердце находится внутри грудной клетки, где давление меняется в процессе дыхания (снижается относительно атмосферного при вдохе и повышается при выдохе). Из-за этого в такт с дыханием соответственно меняются артериальное давление, а поэтому и изменения объема.
Выделяя и оценивая дыхательные волны, можно контролировать наличие, глубину и «стиль» дыхания человека и подавать сигналы опасности в случаях продолжительной остановки или опасных нарушений дыхания.
Волны 3-го порядка (III) связывают с периодической активностью центров нейрогуморального регулирования тонуса кровеносных сосудов. [2]
Зависимость поглощения света от времени имеет две
составляющие (рис. 3): пульсирующую компоненту, обусловленную изменением объема
артериальной крови при каждом сердечном сокращении и «постоянную» компоненту,
определяемую долей света, поглощаемой в измеряемом пульсовом цикле во время
диастолы, и оптическими характеристиками венозной и капиллярной крови, костей,
кожи и других тканей исследуемого участка. [1]
Рис. 3. Компоненты поглощения света
Изучаемые параметры фотоплетизмограммы можно разделить на четыре группы:
. Амплитудные, соответствующие анакротическому и дикротическому периоду. Несмотря на то, что эти параметры являются относительными, их изучение в динамике предоставляет ценную информацию о силе сосудистой реакции в процессе действия какого-либо кратковременно действующего на организм фактора.
. Временные, предоставляющие информацию о длительности сердечного цикла и частоты сердечных сокращений, соотношении и длительности систолы и диастолы и формирующих их фаз. Эти параметры имеют абсолютные значения и могут сравниваться с существующими нормативными показателями. В этой группе изучается длительность анакротической и дикротической фазы пульсовой волны, длительность пульсовой волны, индекс восходящей волны, время наполнения в период систолы, продолжительность систолической и диастолической фазы сердечного цикла, частота сердечных сокращений.
. Статистические, определяющие вариабельность амплитуды и сердечного ритма на большом промежутке времени (минуты).
. Вычисляемые параметры с использованием значений предыдущих групп. К этой группе относятся: индекс дикротической волны, отражающий положение вершины дикротической волны относительно анакротической; отношение длительности анакротической и дикротической фаз.
Вычисление вышеприведенных параметров позволяет проводить
диагностику как при оценке мгновенной реакции организма на воздействие внешних
физических факторов, например, при проведении интенсивной терапии, так и при
регистрации изменений гемодинамики на протяжении длительного периода. [3]
Излучатель пальцевого датчика содержит светодиод (СИД),
питаемый от обычной батарейки. Через исследуемый участок биоткани пропускается
световое излучение, далее свет попадает на приемник излучения, выходное
значение которого прямо пропорционально поглощению света биотканью и обычно не
превышает 100 мВ, поэтому необходимо усилить сигнал до 5 В (т.к. часто АЦП
имеют входное напряжение до 5 В), затем усиленный сигнал пропускается через
частотные фильтры с целью устранения шумов и выделения интересующих частотных
составляющих сигнала. «Красивый» сигнал поступает на АЦП для оцифровки сигнала
с целью дальнейших вычислений необходимых показателей состояния пациента. После
АЦП сигнал должен быть отображен на экране ПК, но перед этим, пока идет
ожидание команды от процессора, все данные хранятся в микросхеме памяти FIFO.
Известно, что ультрафиолетовое излучение (10 - 380 нм), а также видимый свет в синем и фиолетовом диапазонах (380 - 485 нм) сильно поглощается поверхностными тканями, особенно, пигментным веществом кожи - меланином. Инфракрасное излучение в длинноволновом (50 - 2000 мкм) диапазоне почти полностью поглощается верхними слоями кожи и оказывает местный тепловой эффект.
Оптимальным диапазоном излучения в задачах регистрации сигнала артериальной пульсации крови является диапазон видимого и ближнего инфракрасного света. На рис. 5 приведен спектр поглощения света венозной и артериальной кровью в диапазоне видимого и ближнего инфракрасного света. Анализ приведенных кривых спектра поглощения позволяет сделать вывод о
том, что наибольшее поглощения света артериальной кровью происходит в диапазоне 600 - 700 нм, что представляет собой красный диапазон видимого спектра (625 - 740 нм).
В настоящее время в качестве излучателя света в системах
регистрации сигнала артериальной пульсации крови широкое использование получили
полупроводниковые светодиоды с основным спектром излучения в видимом красном
диапазоне.
Рис. 5. Спектр поглощения крови в видимом и ближнем
инфракрасном диапазонах
В силу достаточно высокой крутизны спектральной характеристики абсорбции света артериальной кровью в качестве излучателей необходимо использовать полупроводниковые светодиоды, имеющие очень малый разброс длин волн излучения. Большинство современных светодиодов, используемых в фотоплетизмографических датчиках, имеют длину волны излучения 660±5 нм.
Современные полупроводниковые светодиоды имеют такие очевидные преимущества как высокий КПД, малая инерционность, длительный срок службы, отсутствие вредного для организма излучения, невысокая стоимость. Для изготовления светодиодов красного диапазона используются GaAsP, GaP и GaAlAs. [1]
BL-L333URC, Светодиод красный d=3 мм [5]
Тип полупроводниковый светодиод
Материал algaas, ddh
Цвет свечения красный
Длина волны 660 нм (красный)
Рабочая температура -50…50 оС
*Излучатель будет работать от обычной батарейки (2÷6 В).
В качестве фотоприемника в фотоплетизмографических датчиках используется широкополосный кремниевый диод, обладающий высокой чувствительностью в области красного диапазона излучения, быстродействием и низким уровнем шумов. [1]
Для данной системы вполне подойдёт p-i-n фотодиод. В p-i-n структуре средняя i-область заключена между двумя областями противоположной проводимости. При достаточно большом напряжении оно пронизывает i-область, и свободные носители, появившееся за счет фотонов при облучении, ускоряются электрическим полем p-n переходов. Это дает выигрыш в быстродействии и чувствительности. Повышение быстродействия в p-i-n фотодиоде обусловлено тем, что процесс диффузии заменяется дрейфом электрических зарядов в сильном электрическом поле. [4]
SD5421-002, PIN фотодиод [5]
Тип
Чувствительность
Диапазон распознаваемого излучения
Быстродействие
широкополосный кремниевый диод
вольтаическая, по энергетическому потоку
красный (600-1000 нм)
нсУсилитель
Выходное напряжение датчика не превышает 100 мВ, поэтому сигнал необходимо усилить в 50 раз (до 5 В).
Неинвертирующий усилитель:

, следовательно, номиналы резисторов:
R1 = 1 кОм
R2 = 50 кОм
1) Фотометрический ИП сигнала артериальной пульсации
крови обязательно содержит фильтр верхних частот (ФВЧ), необходимый для
выделения переменного сигнала артериальной пульсации крови на фоне постоянной
составляющей. [1]
Схема ФВЧ
· для выделения пульсовых волн:
частота среза: 0,5 Гц
R1=320 кОм
С=1 мкФ
· для выделения «дыхательных волн»:
частота среза: 0,1 Гц
R1=320 кОм
С=5 мкФ
) Регистрация сигнала артериальной пульсации крови с помощью фотоплетизмографического датчика сопровождается наличием помех различной природы. Основные помехи, влияющие на точность измерения показателей сердечного ритма, имеют электрическую, оптическую и физиологическую природу возникновения.
Помехи электрической природы возникают в усилительном тракте
ИП сигнала артериальной пульсации крови в результате влияния внешних
электромагнитных полей, создаваемых главным образом, электрической сетью
питания. Для подавления помех такого рода целесообразно использовать ФНЧ.
Частотная фильтрация возможна, благодаря тому, что основная спектральная
мощность сигналов артериальной пульсации крови сосредоточена в полосе частот до
20 Гц, сигналов «дыхательных волн» - до 0,5 Гц. В качестве фильтра нижних
частот для обработки биосигналов наиболее целесообразно использовать фильтр
Баттерворта, к преимуществам которого можно отнести максимально плоскую
частотную характеристику в полосе пропускания.
АЧХ фильтра Баттерворта нижних частот
Для выделения пульсовых волн частота среза 20 Гц, для
выделения «дыхательных волн» - 0,5 Гц.
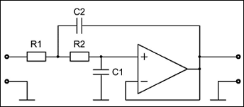
Схема ФНЧ
,
где a1=1.4142 и b1=1.0 - табличные коэффициенты, а С1 и С2 выбираются из соотношения C2/C1 больше равно 4*b1/a12, причем отношение C2/C1 НЕ много больше правой части неравенства. [5]
· для выделения пульсовых волн:
частота среза: 20 Гц
R1=R2= 6 кОм
· для выделения «дыхательных волн»:
частота среза: 0,5 Гц