Материал: Физика работы интегральных микросхем

Внимание! Если размещение файла нарушает Ваши авторские права, то обязательно сообщите нам

Физика работы интегральных микросхем

1. Физика работы прибора

Арсенид галлия (GaAs) - химическое соединение галлия и мышьяка. Важный полупроводник, третий по масштабам использования в промышленности после кремния и германия. Используется для создания сверхвысокочастотных интегральных схем и транзисторов, светодиодов, лазерных диодов, диодов Ганна, туннельных диодов, фотоприёмников и детекторов ядерных излучений.

Арсенид галлия относится к группе соединений АIIIBV. Некоторые электронные свойства GaAs превосходят свойства кремния. Арсенид галлия обладает более высокой подвижностью электронов, которая позволяет приборам работать на частотах до 250 ГГц. Создание высокочастотных интегральных микросхем возможно вследствие того, что в гетеропереходе GaAs обеспечивается низкая плотность поверхностных состояний и дефектов. По этим причинам для электронов, накопленных в области накопления затвора, в слабых электрических полях достигается очень высокая подвижность, близкая к объёмной подвижности для нелегированного GaAs [(8..9)×103 см2/В•с при Т = 300 К]. Причём эта подвижность резко увеличивается при понижении температуры, так как в нелегированном GaAs преобладает решётчатое рассеяние.

Полупроводниковые приборы на основе GaAs генерируют меньше шума, чем кремниевые приборы на той же частоте. Тепловой шум вызван хаотическим движением носителей заряда, создающих флуктуации тока и напряжения. На средних рабочих частотах интегральной микросхемы этот источник шума является основным. Поскольку у GaAs ширина запрещенной зоны больше, чем у Si, то, следовательно, и тепловых шумов меньше. Из-за более высокой напряженности электрического поля пробоя в GaAs по сравнению с Si приборы из арсенида галлия могут работать при большей мощности. Эти свойства делают GaAs широко используемым в полупроводниковых лазерах, некоторых радарных системах. Полупроводниковые приборы на основе арсенида галлия имеют более высокую радиационную стойкость, чем кремниевые, что обусловливает их использование в условиях радиационного излучения (например, в солнечных батареях, работающих в космосе).

Сравнительные характеристики основных параметров кремния и арсенида галлия.

Таблица 1.


Из таблицы 1 видно, что по сравнению с кремнием, подложка на основе арсенида галлия имеют ряд преимуществ: высокую подвижность носителей заряда, сравнительно большую ширину запрещенной зоны, радиационную стойкость. Ее недостатками являются: низкая растворимость легирующих примесей, отсутствие собственных оксидов со стабильными свойствами и образование вредных и токсичных для окружающей среды отходов при обработке.

1.1 Требования к материалу подложки

. Удельное сопротивление (1-5)*107(Ом*см)

. Концентрация носителей заряда (0,5-4)*1012(см-3)

. Ширина запрещенной зоны 1,43 эВ.

. Концентрация примеси хрома 1*1017см-3.

. Подвижность электронов 0,85 м2/В*с.

1.2 Выбор метода выращивания

Для синтеза арсенида галлия используются направленная кристаллизация (горизонтальный метод Бриджмена) и метод Чохральского.

Как и во всех других случаях, выращивание кристаллов из расплавов стехиометрического состава (или близкого к нему) обладает тем преимуществом, что процесс достаточно производителен. Преимущество метода Чохральского по сравнению с методом Бриджмена в том, что можно получить бездислокационные монокристаллы круглого сечения диаметром до 75 мм. Так же достоинством метода Чохральского является возможность получения монокристалла с высокой однородностью распределения примеси по длине и по поперечному сечению. Еще одним важным преимуществом данного метода является то, что кристалл растет в пространстве, не испытывая никаких механических воздействий со стороны тигля, а так же размеры кристалла можно легко менять в пределах конструкции установки.

2. Метод Чохральского

Метод Чохральского - метод выращивания кристаллов путём вытягивания их вверх от свободной поверхности большого объёма расплава с инициацией начала кристаллизации путём приведения затравочного кристалла (или нескольких кристаллов) заданной структуры и кристаллографической ориентации в контакт со свободной поверхностью расплава.

Основной технологической трудностью является предотвращение попадания кремния из кварцевого тигля в расплав. Для предотвращения этого применяют тигли из нитрида алюминия. Другой значительной трудностью применения метода Чохральского является перемещение и вращения слитка (рис. 1). Одно из возможных решений этой проблемы заключается в использовании магнитного поля.

Рассмотрим метод, совмещающий в одной технологической установке синтез при пониженном давлении и последующее вытягивание монокристалла арсенида галлия. В установке для выращивания кристаллов методом Чохральского при пониженном давлении галлия под защитным слоем оксида бора нагревается в тигле до температуры чуть выше температуры плавления арсенида галлия. Затем в расплав галлия вводится трубка (из пиролитического нитрида бора), соединенная с нагретой герметичной ячейкой, заполненной твердым мышьяком. Пары мышьяка через трубку попадают в галлий, в результате чего образуется расплав арсенида галлия под защитным слоем В2О3. По завершении процесса синтеза трубка вынимается из расплава, вместо нее опускается затравка арсенида галлия и начинается вытягивание кристалла. В отличие от синтеза под высоким давлением данный метод позволяет с высокой степенью точности контролировать исходную стехиометрию расплава, что в значительной степени влияет на стехиометрию кристалла и соответственно на его электрофизические свойства.

При выращивании кристалла температура самого холодного участка слитка поддерживается равной 615°С, скорость вращения затравки составляет 17 об/мин, скорость вытягивания - 45 - 50 мм/ч. Длина выращенных кристаллов 300мм, диаметр 50мм.

Распределение некоторых примесей в арсениде галлия, выращенном из расплава, зависит от концентрации примеси, кристаллографической ориентации и скорости роста. Радиальный температурный градиент оказывает существенное влияние на совершенство структуры слитка арсенида галлия, выращенного по методу Чохральского, увеличивая количество дислокаций.

Полученные методом Чохральского слитки имеют удельное сопротивление (1-5)*107(Ом*см), концентрацию носителей заряда (0,5-4)*1012(см-3) и концентрацию примеси хрома 1*1017см-3.

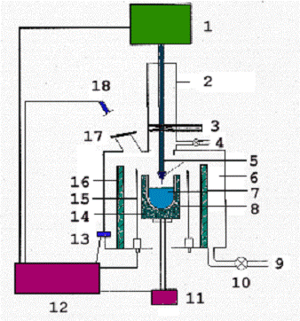
Схема установки:

Рис. 1 Схема установки выращивания кристалла методом Чохральского

Установка состоит из следующих блоков (см. рис. 1):

печь, включающая в себя тигель (8), контейнер для поддержки тигля (14), нагреватель (15), источник питания (12), камеру высокотемпературной зоны (6) и изоляцию (3, 16);

механизм вытягивания кристалла, включающий в себя стержень с затравкой (5), механизм вращения затравки (1) и устройство ее зажима, устройство вращения и подъема тигля (11);

устройство для управления составом атмосферы (4 - газовый вход, 9 - выхлоп, 10 - вакуумный насос);

блок управления, состоящий из микропроцессора, датчиков температуры и диаметра растущего слитка (13, 19) и устройств ввода;

дополнительные устройства: смотровое окно - 17, кожух - 2.

3.Расчет параметров технологического режима

Исходный материал полуизолирующий GaAs берем с разбросом сопротивления от номинала ±20%, выращенный методом Чохральского. Слиток имеет примесь хром (Gr=1*1017см-3). Атомная масса хрома 51,996. Диаметр слитока арсенида галлия равен 50 мм, а его длина 300 мм. Коэффициент распределения хрома в арсениде галлия равен 0,00058.

Кристаллы арсенида галлия кристаллизуются в решетке сфалерита. Относительная молекулярная масса - 144,63; число атомов в 1 см3 - 4,42·1022; плотность GaAs в твердом состоянии - 5,32 г/см3, в жидком состоянии - 5,71 г/см3; температура плавления tпл= 1238оС.

3.1 Расчет объема слитка

Рис. 2. Вид слитка.

V=V1+V2+V3.

V1 и V3 - объемы конусов, V3 - объем цилиндра.

V1 = 1/3*П*D2/4*H, где D - диаметр слитка, H - высота конуса. В нашем случае D=0.05м, H=0.055м.

V1 =V3 =3,6*10-5м3

V2 = S*H= П*D2/4*H, где D - диаметр слитка, H - высота конуса. В нашем случае D=0.05м, H=0.3м.

V2 =5,9*10-4 м3.

V = 6,62*10-4 м2=662 см3

Масса расплава:

m=p*V= 5,32 * 662 = 3522г = 3,522 кг.

3.2 Расчет относительного распределения примесей

Рассчитаем относительное распределение примеси по формуле:

Сто=k(1-g)(k-1).

Коэффициент распределения хрома в арсениде галлия равен 0,00058.

Результаты расчета значений относительного распределения примеси.

Таблица 2.

Сто

g

Сто

g

Сто

g

0,00058

0

0,000868484

0,332326

0,001728454

0,664653

0,000599926

0,033233

0,000913949

0,365559

0,697885

0,00062127

0,066465

0,000964439

0,398792

0,002155436

0,731118

0,000644189

0,099698

0,001020835

0,432024

0,00245922

0,76435

0,000668865

0,132931

0,001084239

0,465257

0,00286272

0,797583

0,000695506

0,166163

0,001156043

0,498489

0,003424683

0,830816

0,000724359

0,199396

0,001238036

0,531722

0,004261288

0,864048

0,000755711

0,232628

0,001332551

0,564955

0,005639023

0,897281

0,0007899

0,265861

0,001442696

0,598187

0,008334057

0,930514

0,000827329

0,299094

0,001572696

0,63142

0,015967582

0,963746


Рис.3. График относительного распределения примеси

3.3 Расчет годной доли слитка

С помощью пассивного сегрегационного метода рассчитаем долю годного слитка. Учтем, что в нашем слитке начало и конец его представлены в виде конуса с высотой 5 см, что составляет 12,5% от общей длины слитка. Поэтому отрежем от слитка вначале и в конце по 5 см. Отметим эти области на графике в виде вертикальных линии. Среднее значение Сто=0,00224. Задаем разброс равный 0,2 и строим на графике:

Рис.3. График относительного распределения примеси с выделение годной доли.

По графику определяем годную долю: Г=74%.

3.4 Расчет массы хрома, загружаемого в установку

Будем использовать формулу:

mэ=Nkp(0)*V*Mэ/K*N0

где K=0,00058, No - число Авогадро, V - объем расплава.= (1*1017 *6,62*10-4 *51,996)/(0,00058*6,02*1023) = 9,8 мг.

. Технологическая карта процесса

Таблица 1. Технологические стадии изготовления подложки для ИМС на основе GaAs

Наименование операции

Режимы проведения операции

Мат технологических и защитных сред

1

Химическая обработка смеси Ga и As, а так же добавление Gr.

Масса As =1.761кг, Масса Ga =1.761кг, Масса Gr =9.8 мг.

Смесь As и Ga 1:1

Смесь пом. в тигель из нит ал..



4

Метод Чохральского

Т=1238°С; длина слитка =0,3 см; скорость вращения затравки - 17 об/мин, скорость вытягивания 45-50 мм/ч.

В атмосфере аргона

5

Выделение годной доли слитка

Отрезается начальная и конечная часть слитка по 5 см.


6

Резка на пластины алмазным кругом с внут. режущей кромкой

Подача 1 мм/мин; V=4000об/мин; толщина пластин 300 мкм; глубина нарушенного слоя - 40 мкм

Зернистость режущей кромки АСМ 60/53

7

Шлифовка

глубина нарушенного слоя: 15-17 мкм, 12-16 мкм, 7-9 мкм

Связный абразив- круг АСМ 28; суспензия порошка: ЭБМ 10, ЭБМ 5

8

Полировка

глубина нарушенного слоя: 9-10 мкм, 6-7 мкм, 3-5 мкм

Алм. пасты АСМЗ, АСМ 1, АСМ 0,5

9

Химико-механическая полировка

глубина нарушенного слоя: 1-1,5 мкм

Сус. аэросила Si02(зерно 0.04 - 0.3 мкм)


Заключение

легированный кристалл хром микросхема

В данной курсовой работе рассмотрены физика работы ИМС на основе GaAs, а также требования к материалу из которого делают ИМС. В расчетную часть работы входит технология получения равномерно-легированного кристалла с применением метода Чохральского. При этом получаем равномерное распределение примеси (хрома).

В результате проведения процесса мы получили слиток однородно легированный хромом с концентрацией СGr~ 1×1017am/см3, а выход годной доли продукта составил 74 % .

Список литературных источников

1. Крапухин В.В., Соколов И.А. Технология полупроводниковых материалов. - М.: Наука, 1979г.

. Таиров Ю.М., Цветков В.Ф. Технология полупроводниковых материалов, С-Пб.: Лань, 2002 г.

. Нашельский А.Я. Технология полупроводниковых материалов. - М.: Металлургия, 1972 г.

. Нашельский А.Я., Гнилов С.В. Расчеты процессов выращивания легированных монокристаллов. - М.: Металлургия, 1981г.

. Стрельченко С.С., Лебедев В.В.: Справочник изд. М.: Металлургия, 1984г.

. Эндерлайн Р. Микроэлектроника для всех. - М.: Металлургия, 1989г.

. Полупроводниковые соединения А3В5. Под ред. Дж. У. Риса. - М.: Металлургия, 1984г.

8. Sheng S. Li Semiconductor Physical Electronics - Second Edition. - Springer, 2006г.

9. Петраков О. Шумовые характеристики полевого транзистора // РАДИО.- 2003.- № 8.

. Блинов А.С., Кожитов В.П. Оборудование полупроводникового производства. - М.: Машиностроение, 1986г.

. Технология СБИС под редакцией ЗИ С. - М.: Мир, 1986г.