Материал: Электродвигатель отопителя автомобиля Lada Vesta

Внимание! Если размещение файла нарушает Ваши авторские права, то обязательно сообщите нам

Электродвигатель отопителя автомобиля Lada Vesta

Министерство образования и науки Российской Федерации

Федеральное государственное бюджетное образовательное учреждение

высшего профессионального образования

Московский Государственный Машиностроительный

Университет (МАМИ) /Университет Машиностроения/

Кафедра «Автомобильная электроника»







Дипломная работа

Электродвигатель отопителя автомобиля Lada Vesta











Москва 2016 г.

Техническое задание

. Исходные данные по проектированию:

электродвигателя отопителя автомобиля LADA VESTA:

Модель автомобиля: LADA VESTA

Тип электродвигателя: коллекторный

Номинальная мощность - 60 Вт

Номинальная частота вращения - 2500 об/мин

Номинальное напряжение питания - 12 В

Минимальное напряжение питания - 11 В

Максимальное напряжение питания - 14,3 В

Режим работы - продолжительный

Исполнение - закрытое

Вид и размеры производства:

Серийный - выпуск 50 000 штук в год

Содержание проекта

Расчётно-пояснительная записка

1       Конструкторская часть:

Обзор патентной и технической литературы

Обоснование применённого типа двигателя

Расчёт основных параметров электродвигателя

Расчёт основных характеристик электродвигателя

         Технологическая часть:

Выбор и обоснование технологического процесса изготовления якоря электродвигателя

Разработка маршрутной технологии изготовления листов железа якоря

         Организационно-экономическая часть:

Организация ОКР проектируемого изделия

Анализ работ, выполняемых при ОКР

Расчёт себестоимости проектируемого электродвигателя

         Экология и БЖД:

Разработка документов по охране труда

Расчёт вентиляции цеха изготовления электродвигателя

        


         Введение


Электродвигатели постоянного тока обширно используются во всех отраслях промышленности. Их значительное распространение объясняется преимуществом характеристик: высокий пусковой и перегрузочный момент, высокое быстродействие, большой диапазон плавного регулирования вращения частоты.

По способу возбуждения двигатели постоянного тока (ДПТ) классифицируются на двигатели с магнитоэлектрическим возбуждением (с возбуждением от постоянных магнитов) и с электромагнитным возбуждением. Первый тип двигателей наиболее перспективен вследствие малой инерционности. К их преимуществам также относят высокий КПД, стабильность магнитного потока возбуждения при температурном изменении окружающей среды, высокую надежность и технологичность конструкции индуктора. Требуемое регулирование частоты вращения якоря двигателя постоянного тока с возбуждением от постоянных магнитов совершается изменением напряжения питания, тем временем поток возбуждения остается постоянным при различных частотах вращения, что формирует благоприятные условия для коммутации и устойчивой работы.

Актуальность выбранной темы обусловлена значимостью системы отопления в машине. Задача автомобильного отопителя не только в поддержания тепла в салоне автомобиля. Он крайне необходим для того, чтобы стекла машины не запотевали. Опасность этого явления заключается в сильном снижении уровня обзорности, приводящего к ухудшению контролирования дорожной обстановки со стороны водителя, что напрямую воздействует на безопасность движения. Возникновение такого рода проблемы появляется не только в зимнее время года, но и осенью, и весной.

К ужесточению конкуренции на мировом рынке автомобилестроения привело к дальнейшему повышению уровня комфортности и безопасности водителя н пассажиров в салоне автомобиля, в частности объединенное с эффективностью функционирования систем отопления и вентиляции.

В настоящее время применяемые методики для расчёта и проектирования системы отопления опираются на интегральные методы, которые позволяют устанавливать только лишь осредненные параметры потока. Преобладающая роль в проектировании этих систем отводится исследованиям, полученным экспериментально, а также испытаниям дорожным и климатическим.

Необходимо заметить, что конкурируя, зарубежные производители с целью избегания обесценивание своих результатов, не обнародуют методики и конкретные расчёты технологии проектирования системы отопления.
В работе рассматривается одна из возможных и перспективных технологий разработки электродвигателя повышенной мощности, на примере легкового автомобиля LADAVESTA.

Предмет исследования данного проекта является двигатель постоянного тока с возбуждением от постоянных магнитов, использующийся для привода крыльчатки вентилятора отопителя. От его надёжности и производительности в высокой степени зависит комфорт и здоровье водителя и пассажиров.

Целью дипломного проекта является разработка электродвигателя повышенной мощности для обеспечения достаточной производительности системы отопления в зимний период, что также позволяет ускорить прогрев салона и уменьшить необходимое время работы двигателя, а, значит, и расход топлива.

Согласно заданной цели требуется решить следующие задачи:

.        Рассчитать основные параметры и характеристики электродвигателя;

.        Выбрать и обосновать технологический процесс изготовления якоря электродвигателя;

.        Разработать маршрутную технологию изготовления листов железа якоря;

.        Организовать ОКР проектируемого изделия;

.        Сделать анализ работ, выполняемых при ОКР;

.        Рассчитать себестоимость проектируемого электродвигателя.

        


         1. Конструкторская часть

        

         1.1 Технические характеристики автомобиля LADA VESTA


Платформа: ............................ Lada B

Компоновка: ........................... переднемоторная, переднеприводная

Колёсная формула: ................ 4×2

Двигатели

·        ВАЗ-21129 (106 л.с.)

·        ВАЗ-21179 (122 л.с.)

·        HR16DE (110 л.с.)

Трансмиссия

·        механическая пятиступенчатая (JH3 и ВАЗ 2180)

·        роботизированная пятиступенчатая (ВАЗ 21827)

Массово-габаритные характеристики

Длина:....................................... 4410 мм

Ширина: .................................. 1764 мм

Высота: ................................... 1497 мм

Колёсная база: ........................ 2635 мм

Колея задняя: .......................... 1510 мм

Колея передняя: ...................... 1510 мм

Полная масса: ......................... 1653 кг (снаряженная: 1230-1270 кг)

         1.2 Анализ существующих систем отопления


Система отопления представляет собой особенно успешное инженерное решение проблемы поддержания необходимого режима температуры. Современный отопитель салона - это следствие длительной эволюции.

Конец 19 века был отмечен выпуском машин без закрытого кузова, отчего печка в них не приносила никакой пользы. Так как охлаждение двигателя, как правило, было термосифонным или воздушным, при помощи него отапливать направленно салон было трудно. Наиболее комфортные закрытые кузова отапливались по каретному, самостоятельной небольшой печью или безопасными горячими камнями, либо иными предварительно прогреваемыми объектами. Сами кузова нередко изготавливались из дерева и были достаточно утепленными.

А вот на электромобилях попадалась любопытная функция-подогрев рулевого колеса. Тем не менее, согревать одного водителя было чрезмерно убыточно, отчего в ту пору самым верным его другом в прохладное время года были попоны, покрывающие одновременно салон и нескольких человек, или специальная одежда.

Фактически автомобильное отопление возникло довольно рано. Журнал Motor в 1907 году сделал отличное предложение- устройство, которое подает в салон автомобиля, нагретый выхлопной системой воздух. Большое количество фирм предлагало аналогичного рода устройства.

Они имели несложную конструкцию: в теплообменник-радиатор в салоне отводилась часть горячих газов. В случае если обогрев не был необходим, тогда попросту запирали клапан подачи газов. На пол автомобиля помещали сам теплообменник. Безусловно, стандартная комплектация не включала в себя таковые устройства, однако установить его было можно на каждый автомобиль с двигателем внутреннего сгорания.

Подобным образом отапливался, к примеру, FordA 1929 года. Отопитель разрабатывался специально для этой модели и включал: гибкие трубы и теплообменник на выпускном коллекторе мотора. Кроме того для отопления салона устанавливали вспомогательный вентилятор и радиатор для его обдува. В первый раз данную систему отопления использовали на автомобилях General Motors. Эта схема отопления постепенно разошлась по всему миру.

С годами эта система получила широкую популярность во всех уголках земли. Автомобилисты, проживающие в Советском союзе, чтобы не замерзнуть, проделывали специальные отверстия в особо размещенной перегородке, которая находилась между кабиной и моторным отсеком. Благодаря этому ,в периоды сильных морозов, они могли «выжить». В современном мире автомобили обогреваются при помощи охлаждающей жидкости, предназначенной для двигателя внутреннего сгорания.

Система отопления автомобиля подверглась внушительным изменениям, в нынешнее время используются следующие её виды:

) Системы с использованием тепла двигателя:

а) от системы охлаждения двигателя;

б) от системы выпуска отработавших газов.

) Системы с собственным источником тепла:

а) не зависимые от двигателя;

б) зависимые от двигателя.

) Комбинированные системы.

В отопительных системах с использованием тепла от двигателя, охлаждаемого жидкостью, возможна передача тепла в кузов от радиатора отопления с применением труб, в которых нагретая жидкость или ею нагретый воздух подается в кузов автомобиля. Воздух -это теплоноситель при воздушном охлаждении двигателя. В отопительных системах с использованием тепла отработавших газов тепло поступает в кузов по трубам от воздушной или водяной рубашки, охватывающей одну из нагретых частей системы выпуска отработавших газов. Отопительные системы с собственным источником тепла бывают воздушными или жидкостными.

В наибольшей степени распространены устройства отопления, где тепловой источник- это система жидкостного охлаждения двигателя. Такие устройства являются результативными и несложными, к тому же исключают передачу отработавших газов, гари или малоприятных запахов в кузов из-под капота. Система отопления от отработавших газов, использующаяся на машинах с воздушным охлаждением двигателя, в силу свойственных ей недостатков (высокой зависимости от реализуемой мощности двигателя, незначительной теплоемкости, большого шума в сравнении с жидкостной системой отопления) рассматриваться не станет.

Рассмотренная выше классификация отопительных систем разделяет их по тепловым источникам, однако, отопительные системы с источником тепла от жидкостной системы отопления обладают разными типами конструкций систем отопления и управления ею.

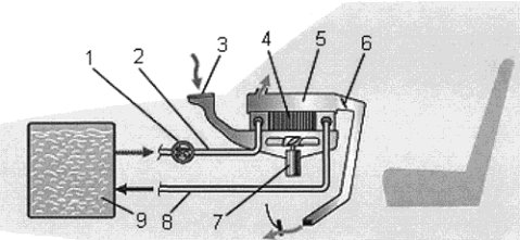
У любого автомобиля с жидкостным охлаждением двигателя отопительная система, по меньшей мере, складывается из радиатора отопителя, шлангов подвода и отвода жидкости, крана, который перекрывает ее поток, и (или) заслонки, которая регулирует поступание воздуха снаружи к радиатору, электровентилятора и воздуховодов (рисунок 1.1).

Ниже разбираются стандартные отопительные системы, схемы управления ими и их свойства.

Любая отопительная система включает в себя корпус с воздуховодами и воздухораспределительными каналами; теплообменник с вентилятором; органы управления температурой, притоком и распределением воздуха.

автомобиль якорь электродвигатель сборка

Рисунок 1.1 - принципиальная схема простейшего отопителя салона автомобиля: 1 - кран; 2 - подводящий шланг; 3 - дефлектор забора наружного воздуха; 4 - радиатор; 5 - система распределения воздуха; 6 - заслонка;7 - электровентилятор; 8 - отводящий шланг; 9 - жидкостная система охлаждения двигателя

Результатом прироста скоростного напора и работы вентилятора служит поступление воздуха, увеличивающегося в большей мере, нежели скорость движения. Поступление воздуха можно относительно легко регулировать при помощи заслонки воздухопритока, всегда имеющейся (заслонка необходима для того, чтобы избежать проникновения при транспортном заторе токсичных обработавших газов). Это становится возможным только тогда, когда управление заслонкой воздухопритока не находится в зависимости от иных регулировок, помимо включения вентилятора. Для обеспечения летом поступления наибольшего количества воздуха в салон, добавочно предусматривают крышку воздухопритока, которая управляется вручную. Можно получить подачу воздуха соответствующим проектированием систем воздухопритока, который нарастает по сравнению со скоростью медленнее. С целью отделения крупных частиц пыли и влаги во впускном канале, необходимо учитывать резкий разворот воздушного потока.

Микроклимат в салоне автомобиля характеризуют следующие условия:

•        подача чистого воздуха, в основном для поддержания необходимого количества кислорода в салоне;

•        скорость перемещения и распределения воздуха;

•        температура в салоне;

•        относительная влажность воздуха;

•        загрязненность воздуха (запыленность, неприятный запах, отработавшие газы);

•        температура стенок салона.

Регулирование температуры воздуха внутри салона способно реализовываться тремя способами:

)        регулировкой количества нагретой охлаждающей жидкости, поступающей в радиатор отопителя (жидкостная регулировка);

)        смешиванием свежего воздуха с горячим, который прошёл через теплообменник (регулировка воздушная);

)        комбинированием первого и второго способов (регулировка смешанная).

Регулировку воздуха, который поступает в салон автомобиля допустимо объединять с работой вентилятора. Сам вентилятор может работать в двух-трех режимах.

При городском движение, когда автомобиля движется с маленькой скорость, это преимущественно необходимо. Весь скоростной диапазон автомобиля сопровождается эффективной работой вентиляционной системы в жаркую погоду с помощью такого вентилятора. В отопительных и вентиляционных системах могут применяться осевые вентиляторы, имеющие малые габаритные размеры и невысокую цену, к тому же радиальные вентиляторы, обладающие наиболее высокими показателями по расходу, когда количество воздуха, который поступает в салон автомобиля, слабее зависит от скоростного напора.

Основные характеристики радиального вентилятора- большой размер и малошумность. Установление вентилятора осуществляется предпочтительно в воздушном потоке перед теплообменником таким способом, чтобы летом свежий воздух, который прошел через теплообменник, напрямую подавался в салон. Все типы регулировки обладают своими особенностями, преимуществами и недостатками. Регулировка, осуществляемая объемом нагретой охлаждающей жидкости, поступающей в теплообменник (жидкостная), позволяет регулировать температуру при помощи специального крана, который изменяет количество воды, поступающей в теплообменник. Линейную зависимость между регулировочным ходом органов управления и температурой выходящего горячего воздуха получить крайне сложно, так как для получения небольшой производительности отопителя через радиатор должно пройти предельно малое количество воды. Проценту максимально возможного потока воды, равному 2...3 %,соответствует 50 процентов производительности отопительной системы. Помимо этого, запорный клапан обязан иметь герметичное уплотнение и несложно открываться после продолжительного перерыва.

Существует краны двух типов:

мембранный;

поршневой.

Требуемая температура воздуха устанавливается с большим опозданием после поворота крана, оттого что сначала обязана прогреться или охладиться охлаждающая жидкость, которая находится в отопительной системе. Это является недостатком водяной регулировки. Производительность отопительной системы, даже когда кран открыт, в высокий степени зависит от количества поступающего воздуха и циркулирующей воды. Невзирая на это, регулировку этого типа на основании ее незамысловатости зачастую используют на недорогих автомобилях (рис. 1.2). Методом разделения теплообменника на некоторое количество самостоятельных блоков, которые регулируются краном по отдельности, допускается устранить ключевой недостаток водяной регулировки - сложность регулировки.