Материал: Электрические аппараты на сайт

Внимание! Если размещение файла нарушает Ваши авторские права, то обязательно сообщите нам

Полная работа +7-953-503-27-09

Введение

Во все периоды построения и развития экономики нашей страны уделялось огромное внимание электрификации промышленности, транспорта, сельского хозяйства. Электрификация, являясь стержнем строительства экономики социалистического общества, играет ведущую роль в развитии всех отраслей народного хозяйства. В арсенале электротехнических средств, применяемых при электрификации народного хозяйства, ведущее место занимают электрические машины, широко используемые как в процессе производства электрической энергии, так и в процессе ее потребления.

Электрическая машина представляет собой электромеханическое устройство, осуществляющее взаимное преобразование механической и электрической энергии. Электрическая энергия вырабатывается на электростанциях электрическими машинами — генераторами, преобразующими механическую энергию в электрическую. Основная часть электроэнергии (до 80 %) вырабатывается на тепловых электростанциях, где при сжигании химического топлива (уголь, торф, газ) нагревается' вода и переводится в пар высокого давления. Последний подается в турбину, где, расширяясь, приводит ротор турбины во вращение (тепловая энергия в турбине преобразуется в механическую). Вращение ротора турбины передается на вал генератора (турбогенератора). В результате электромагнитных процессов, происходящих в генераторе, механическая энергия преобразуется в электрическую.

Процесс производства электроэнергии на атомных электростанциях аналогичен тепловым, с той лишь разницей, что вместо химического топлива используется ядерное.

Процесс выработки электроэнергии на гидравлических электростанциях состоит в следующем: вода поднятая плотиной на определенный уровень, сбрасывается на рабочее колесо гидротурбины; получаемая при этом механическая энергия путем вращения колеса турбины передается на вал электрического генератора, в котором механическая энергия преобразуется в электрическую.

В процессе потребления электрической энергии происходит ее преобразование в другие виды энергий (тепловую, механическую, химическую). Около 70 % электроэнергии используется для приведения в движение станков, механизмов, транспортных средств, т. е. для преобразования ее в механическую энергию. Это преобразование осуществляется электрическими машинами — электродвигателями.

Электродвигатель — основной элемент электропривода рабочих машин. Хорошая управляемость электрической энергии, простота ее распределения позволили широко применить в промышленности многодвигательный электропривод рабочих машин, когда отдельные звенья рабочей машины приводятся в движение самостоятельными двигателями. Многодвигательный привод значительно упрощает механизм рабочей машины (уменьшается число механических передач, связывающих отдельные звенья машины) и создает большие возможности в автоматизации различных технологических процессов. Электродвигатели широко применяют на транспорте в качестве тяговых двигателей, приводящих во вращение колесные пары электровозов, электро-поездов, троллейбусов и др.

Расчетно-графическая работа.

Выбрать магнитный пускатель (контактор) для управления защиты асинхронного двигателя серии 4А132М2У3, работающего в продолжительном режиме. Аппарат должен работать в одной из категорий применения: АС-3 или АС-4.

Схема прямого пуска

Технические параметры двигателя (синхронная частота вращения 1500 об/мин):

- номинальная мощность, Pн – 11 кВт;

- номинальное линейное напряжение на обмотке статора, Uн – 660 В;

- коэффициент кратности пускового тока, КI – 7,5;

- время пуска двигателя, t n – 5 с.

Определим параметры, по которым производится выбор магнитного

пускателя:

а) род тока – переменный, частота – 50 Гц;

б) номинальное напряжение – 660 В, номинальный ток не должен быть

меньше номинального тока двигателя;

в) согласно схеме включения двигателя аппарат должен

иметь не менее трёх замыкающихся силовых контактов и одного

замыкающегося вспомогательного контакта;

г) категория применения, аппарат должен работать в одной из категорий

применения: АС – 3 или АС – 4;

д) режим работы аппарата – продолжительный с частыми прямыми

пусками двигателя.

Для выбора аппарата по основным техническим параметрам необходимо

произвести предварительные расчёты номинального и пускового токов

двигателя. Определим номинальный ток (действующее значение):

Задача № 2

Номинальный ток нагрузки, питающейся через автоматический выключатель Q1, равен 1 А. Определить время срабатывания автомата Q1 при:

1) номинальном токе;

2) токе, превышающем номинальный в 1,5 раза;

3) токе КЗ?

 

Задача №3

Три резистора типа ПЭВ по 25 Ом каждый соединены последовательно. Резисторы имеют разные номинальные мощности: первый -100 Вт, второй - 50 Вт, третий - 10 Вт. Цепочка резисторов подключена к источнику питания с ЭДС 75 В. Дать и обосновать ответы на вопросы:

1. По каким внешним признакам можно различить резисторы?

2. Какие резисторы нагреются до недопустимо высокой температуры?

3. Какой из резисторов будет иметь большую температуру через 10 с и какой - через 10 час после включения?

1. Резисторы различают по размеру, они имеют одну маркировку (ПЭВ) и одно сопротивление, но по мощности рассеивания разные.

Резистор 50 Вт больше, чем резистор на 10 Вт, резистор 100 Вт больше, чем резистор на 50 Вт.

2. При таком способе включения в цепи:

Задача №4

Катушка промежуточного реле переменного тока имеет следующие параметры: номинальное напряжение питания - 220 В; активное сопротивление - 1300 Ом; индуктивное -5300 Ом. Дать обоснованные расчетами ответы на следующие вопросы:

1. Во сколько раз ток срабатывания реле больше рабочего тока?

2. К каким последствиям приведет появление ржавчины в месте прилегания якоря к сердечнику?

3. Может ли механическая перегрузка явиться причиной сгорания катушки?

Рабочий ток реле:

 

Задача №5

Электромагнит кодового замка питается от источника постоянной ЭДС 220 В. Активное сопротивление обмотки, имеющей 5000 витков, равно 100 Ом. Ход якоря 10 мм. Площадь полюса 1 см2. Определить ток срабатывания электромагнита при сопротивлении возвратной пружины в исходном положении 0,5 Н и рабочий ток электромагнита? Дать обоснованный ответ на вопрос - может ли механическая перегрузка привести к перегреву катушки магнита постоянного тока? Зазор в притянутом состоянии 0,1 мм, сила противодействия пружины 1 Н.

  1. Ток срабатывания электромагнита

µо = 1,256*10-6 Гн/м

Задача №6

Активное сопротивление обмотки электромагнита постоянного тока при температуре 10°C равно 500 Ом. Сила тяги электромагнита при питании катушки от источника ЭДС 220 В равна 1 Н. Как изменится сила тяги электромагнита при температуре 80 °С, если известно, что жесткость пружины, длина зазора и напряжение питания не зависят от температуры?

Сила тяги электромагнита F пропорциональна намагничивающей силе:

Задача №7

На рисунке изображена кривая предельно - допустимой длительности перегрузки электродвигателя. Выбрать устройство, обеспечивающее надежную защиту электродвигателя от перегрузки и наиболее полное использование перегрузочной способности электродвигателя.

Задача №8

Электромагнит постоянного тока имеет на сердечнике две катушки. Питается от источника ЭДС. При каком способе соединения катушек сила тяги электромагнита будет максимальна? Ответ обосновать.

Для максимальной тяги электромагнита необходимо, чтобы суммарный

Задача №11

Как нужно соединить катушки электромагнитов, чтобы получить максимальную силу тяги электромагнита постоянного тока при питании от источника ЭДС?

Для максимальной тяги электромагнитов необходимо, чтобы направления потоков Ф1 и Ф2 совпадали. Тогда суммарный поток Ф=Ф12 максимален.

Задача №12

Определить значение тока, при котором происходит расплавление цинковой плавкой вставки за время tПЛ = 0,5 с, которая имеет начальную температуру тнач = 100 0С, площадь поперечного сечения S = 4 мм2.

Теплота, требуемая для расплавления цинка:

Задача №13

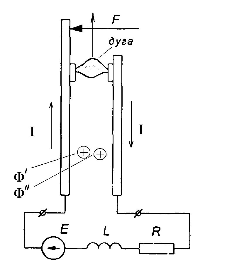
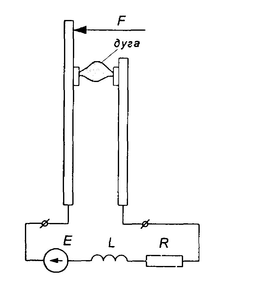
П ри размыкании активно - индуктивной цепи плоскими пружинными контактами между контактами возникла электрическая дуга. В каком направлении будет изогнута дуга и почему?

Направление потоков Ф/ и Ф// Определяем по правилу Буравчика. Электрическую дугу можно рассмотреть как проводник в магнитном поле. 

Задача №14

Построить характеристику времени срабатывания плавкой вставки, выполненной из цинка и имеющей площадь поперечного сечения S = 4 мм2, при начальной температуре Тнач = 100 0С.

Теплота, требуемая для расплавления цинка:

Заключение

За последнее время значительно возросло применение электрических машин малой мощности — микромашин мощностью от долей до нескольких сотен ватт. Такие электрические машины используют в устройствах автоматики и вычислительной техники.

Особый класс электрических машин составляют двигатели для бытовых электрических устройств — пылесосов, холодильников, вентиляторов и др. Мощность этих двигателей невелика (от единиц до сотен ватт), конструкция проста и надежна, и изготовляют их в больших количествах.

Электрическую энергию, вырабатываемую на электростанциях, необходимо передать в места ее потребления, прежде всего в крупные промышленные центры страны, которые удалены от мощных электростанций на многие сотни, а иногда и тысячи километров. Но электроэнергию недостаточно передать. Ее необходимо распределить среди множества разнообразных потребителей — промышленных предприятий, транспорта, жилых зданий и т. д. Передачу электроэнергии на большие расстояния осуществляют при высоком напряжении (до 500 кВ и более), чем обеспечиваются минимальные электрические потери в линиях электропередачи. Поэтому в процессе передачи и распределения электрической энергии приходится неоднократно повышать и понижать напряжение. Этот процесс выполняется посредством электромагнитных устройств, называемых трансформаторами. Трансформатор не является электрической машиной, так как его работа не связана с преобразованием электрической энергии в механическую и наоборот; он преобразует лишь напряжение электрической энергии. Кроме того, трансформатор — это статическое устройство, и в нем нет никаких движущихся частей. Однако электромагнитные процессы, протекающие в трансформаторах, аналогичны процессам, происходящим при работе электрических машин. Более того, электрическим машинам и трансформаторам свойственна единая природа электромагнитных и энергетических процессов, возникающих при взаимодействии магнитного поля и проводника с током. По этим причинам трансформаторы составляют неотъемлемую часть курса электрических машин.

Отрасль науки и техники, занимающаяся развитием и производством электрических машин и трансформаторов, называется электромашиностроением. Теоретические основы электромашиностроения были заложены в 1821 г. М. Фарадеем, установившим возможность преобразования электрической энергии в механическую и создавшим первую модель электродвигателя. Важную роль в развитии электромашиностроения имели работы ученых Д. Максвелла и Э. X. Ленца. Дальнейшее развитие идея взаимного преобразования электрической и механической энергий получила в работах выдающихся русских ученых Б. С. Якоби и М. О. Доливо-Добровольского, которыми были разработаны и созданы конструкции электродвигателей, пригодные для практического использования. Большие заслуги в создании трансформаторов и их практическом применении принадлежат замечательному русскому изобретателю П. Н. Яблочкову. В начале XX столетия были созданы все основные виды электрических машин и трансформаторов и разработаны основы их теории.

Отечественное электромашиностроение достигло огромных успехов. Если в дореволюционной России, по существу, не было электромашиностроительной промышленности, вследствие чего была создана отрасль электротехнической промышленности — электромашиностроение, способная удовлетворять потребности нашего развивающегося народного хозяйства в электрических машинах и трансформаторах. Были подготовлены кадры квалифицированных электромашиностроителей — ученых, инженеров, техников, рабочих.

При этом необходимо учитывать возрастающие экологические требования к источникам электроэнергии и наряду с традиционными способами развивать экологически чистые (альтернативные) способы производства электроэнергии с использованием энергии.