Материал: ekzamen_TMM

Внимание! Если размещение файла нарушает Ваши авторские права, то обязательно сообщите нам

139. К какому классу передач относится передача, представленная на рис.? Передача с пересекающимися осями

140. Профили зубчатых колес, обеспечивающие заданное угловое передаточное отношение, являются… 1. Произвольно выбранными; 2. Сопряженными; 3. Несопряженными.

141. Назовите форму тел зубчатых колес передачи, представленной на рис. Гиперболоиды;

142. Какие зубчатые колеса представлены на рис.? Цилиндрические зубчатые колеса внутреннего зацепления

143. Как называется повышающая передача, включающая в себя систему взаимодействующих звеньев, заключенных в единый корпус? Мультипликатор.

144. Какое зубчатое колесо представлено на рис.? Прямозубое цилиндрическое;

145. Если форма колес зубчатой передачи - цилиндры, то в этой передаче оси вращения колес …Параллельны.

146. Детали какой зубчатой передачи представлены на рис.? Цилиндрическая косозубая

147. Какое зубчатое колесо представлено на рис.? Цилиндрическое косозубое

148. Отличительной особенностью планетарного зубчатого механизма является наличие у него… колеса с подвижной осью в пространстве

150. Какую передачу можно получить, собран ее из зубчатых колес, представленных на рис.? 3. Передачу с переменным передаточным отношением; 4. Передачу с переменным передаточным числом.

151. Если оси вращения зубчатых колес передачи перекрещиваются в пространстве, то форма тел таких колес… 1. Цилиндры 2. Гиперболоиды 3. Конусы 4. Сферы.

152. Какая зубчатая передача представлена на рис.? Коническая с криволинейными зубьями

153. Реечная зубчатая передача предназначена для преобразования Вращательного движения в поступательное... 154. Деталикакой зубчатой передачи представлены на рис.? Цилиндрическая прямозубая с внешним зацеплением

155. Угловое передаточное отношение фрикционной передачи, состоящей из двух дисков (D1, D2- диаметры дисков) i12 определится выражением… i12=D2/D1;

156. Какой редуктор представлен на рис.? Червячный редуктор

157. Угол давления для кулачковых механизмов с поступательно движущимся толкателем удовлетворяет условию …1. 15o ≤ 30o 2. 20o ≤ 45

158. Преимущественное использование в кулачковых механизмах толкателей с роликовым наконечником связано с … Уменьшением трения

159. Определяя координаты профиля кулачка графически, находят теоретический профиль для кулачковых механизмов с ... толкателем Роликовым

161. Основной характеристикой кулачкового механизма является ... Закон движения толкателя

170. Профиль кулачка при проектировании кулачковых механизмов с тарельчатым толкателем должен отвечать требованию ... Выпуклости

171. Функциональный кулачковый механизм предназначен для Воспроизведения заданного закона движения ведомого звена кулачкового механизма

172. Замыкание кулачкового механизма осуществляют геометрическим и силовым способами.

173. Рабочим профилем кулачка кулачкового механизма является Профиль, с которым непосредственно соприкасается ролик толкателя

174. Полный цикл движения кулачкового механизма состоит из фаз ...

1 Удаления толкателя 2 высшего(дальнего) выстоя толкателя 3 приближение толкателя 4 Нижнего выстоя толкателя

175. При проектировании кулачковых механизмов с тарельчатым толкателем кулачок должен отвечать требованию выпуклости профиля

176. Недостатком кулачкового механизма является...

1. Наличие высшей кинематической пары ( кулачок - толкатель) в схеме механизма; 2. Наличие эксцентриситета;

177. Максимальный угол давления в кулачковых механизмах с поступательно движущимся толкателем = 300

178. Замыкание кулачкового механизма осуществляют геометрическим и силовым способами.

179. Габаритные размеры кулачкового механизма при увеличении угла давления Уменьшаются

180. Позиционный кулачковый механизм предназначен для… Перевода ведомого звена кулачкового механизма из одного положения в другое

182 Условие выпуклости профиля кулачка должно соблюдаться для толкателей с … башмаком Тарельчатым

184. Замыкание кулачкового механизма осуществляют … способами 1. Силовым 2. Геометрическим

185. Диаграмму перемещения толкателя кулачкового механизма получают из графика аналога скорости толкателя графическим … .

1. Интегрированием 2. Дифференцированием 3. Складыванием 4. Вычитанием

186. При опускании центров тяжести звеньев, силы веса звеньев работают как Силы движущие...

188. На каком из указанных рисунков сила инерции точки S показана правильно? б)

190. Учет сил трения приводит к от­клонению силы взаимодействия звень­ев от их общей нормали на угол, рав­ный углу трения

191. Кинетостатический метод расчета механизмов основан на учете сил и мо­ментов ... звеньев Инерции

192. При какой (по величине) угловой скорости вращения ротора берется отсчет по индикатору (динамическая балансировка)? 1. При максимальной; 2. При резонансной; 3. При минимальной.

193. По какой формуле определяется мощность трения во вращательной паре? 1.Lш=fшRnωотнdш/2

194. Силовой расчет механизма начинается с ... звена

1. Начального 2. Выходного 3. Произвольно выбранного 4. Ведущего

195. Рычаг Жуковского используется для Определения величины уравновешивающей силы...

196. Условие моментной неуравнове­шенности механизма ...

197. Силовой расчет механизмов с учетом сил инерции звеньев называют Кинетостатическим...

198. Укажите место приложения силы полезного сопротивления в механизме. Любое звено механизма

199. Сила взаимодействия звеньев при учете силы трения отклоняется от их общей нормали на величину угла трения

200. Какие звенья обязательно уравновешиваются динамически? 1. Звенья, длина которых больше диаметра; 2. Звенья, длина которых меньше диаметра; 3. Звенья с большим моментом инерции масс.

201. Правильная последовательность силового расчета плоского механизма:

4. 1. Силовой расчет начального звена

2. 2. Разбивка кинематической цепи механизма на структурные группы Ассура

3. 3. Определение внешних сил, приложенных к звеньям механизма

1. 4. Силовой расчет групп Ассура

202. Уравновешивающая сила прило­жена к Начальному … звену механизма

203. Звену, совершающему неравномерное поступа­тельное движение, соответствует инер­ционная нагрузка

1. Ф = 0, Мф = 0 2. Ф ≠ 0, Мф = 0 3. Ф ≠ 0, Мф ≠ 0 4. Ф = 0, Мф ≠ 0

204. Статического уравновешивания звеньев достигают, используя противовесы

205. Выберите правильный вариант приложения силы полезного сопротивления к звену .

Ответ 1

206. Сила, действующая на начальное звено и обеспечивающая заданный закон её движения, называется: Уравновешивающей

207. Приведенный момент инерции измеряется в ... кг·м2

208. Мощность, затрачиваемая на преодоление сил трения в поступательной паре, рассчитывается по формуле ... 1.

209. Момент сил инерции. Как определяется его величина и направление? MФυ=-εJ0; 1. Формула 1, по угловой скорости; 2. Формула 2, против углового ускорения; 3. Формула 3, по направлению углового ускорения. 1.MФυ=rSm; 2. 3. MФυ=εJ0.

210. Значение главного вектора силы инерции, действующей на звено, равен1.Ф=-mаS;

211. Полезное сопротивление - это Усилие, для преодоления которого предназначен механизм …

212. Какая сила вызывает неуравновешенность звена? Сила инерции

213. Повернутый на 900 план Скоростей... при силовом анализе механизма по методу Жуковского используется в качестве рычага Жуковского

214. Сила взаимодействия звеньев при учете силы момент трения отклоняется от их общей нормали на величину угла трения

215. Резонанс возникает при совпадении частоты вынуждающей силы с частотой собственных колебаний

217. Уравнение для определения кине­тической энергии звена, совершающего вращательное движение, имеет вид ... 2.

218. Укажите вариант энергетической характеристики режима движения механизма “УСТАНОВИВШЕЕСЯ ДВИЖЕНИЕ”. AP=AQ+AF;ΔE=0

219. Размеры и массу маховика уменьшают, ... Устанавливая маховик на более быстроходный вал

220. Определить передаточное отношение тихо­ходной передачи редуктора i34, если известно: i12 = 2,5;i23 = 4,0;i45 = 4,5;i15 = 540.

230. Механический кпд отдельного механизма определится как Отношение полезной работы к затраченной

231. Ротор может быть неуравновешен динамически и статически

232. Какова цель статической балансировки звена? Приведение центра масс на ось вращения звена

234. Маховик в механизмах ... Уменьшает амплитуду периодических колебаний скорости начального звена

235. Для уменьшения размеров и массы маховика его устанавливают на вал Менее быстроходный

236. Определить передаточное отношение тихоходной передачи редуктора i34, если известно: i12 = 2,5;i23 = 20,0;i45 = 2,0;i56 = 1250,0

237. КПД реального механизма всегда.. <1.

238. Схема какой неуравновешенности звена изображена на рис.? Динамической

239. В чем причина статической неуравновешенности звена? В неравномерном распределении масс в осевом направлении

240. Фазы разбега и выбега движения машинного агрегата относятся к неустановившемуся  режиму движения.

241. При установившемся режиме движения механизма, угловая скорость главного вала Остается постоянной...

242. Определить передаточное отношение поликлино­вой ременной передачи i12, если известно: i23 = 5,0;i34 = 4,0;i45 = 2,5;i15 = 125.

2,5

243. Правильный порядок этапов мето­да заменяющих масс, используемого для статического уравновешивания ме­ханизмов:

1. Размещение общей массы ме­ханизма в неподвижных точках

2. Вводятся противовесы

3. Каждое звено механизма заме­няется двумя сосредоточенными мас­сами

4. Объединение противовесов с заменяющими массами звеньев

244. По какой формуле определяется кинетическая энергия звена, совершающего общий случай движения? E=1/2(mVS2+JSω2).

245. При режиме движения механизма “ВЫБЕГЕ”, угловая скорость главного вала. Уменьшается..

246. Изменение кинетической энергии равно нулю на режиме движения механизма Установившемся

248. По какой формуле определяется коэффициент периодической неравномерности вращения главного вала? δ=(ωmaxmin)/ωcp

249. КПД системы механизмов, соединенных последовательно, определится как Произведение кпд составляющих механизмов...

250. Схема какой неуравновешенности звена изображена на рис.? Смешанной 251. Как проявляется статическая неуравновешенность звена? 1. Звено находится в безразличном равновесии. 2. Звено находится в определенном угловом положении. 3. Вращение звена вызывает перекос опорных подшипников, на которых оно установлено.

252. Модуль вектора сил инерции неуравновешенного ротора рассчитывается из уравнения Ф = w2· Dст ...

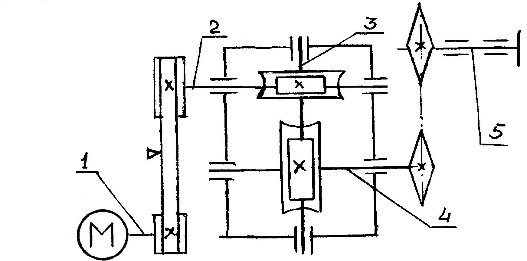
253. Формула, используемая для расче­та дисбаланса неуравновешенного ро­тора, имеет вид D = т·е....