Материал: Эксплуатация технологического оборудования резервуаров РВС-20000 НПС площадки Псекупская ЛПДС Хадыженская

Внимание! Если размещение файла нарушает Ваши авторские права, то обязательно сообщите нам

Эксплуатация технологического оборудования резервуаров РВС-20000 НПС площадки Псекупская ЛПДС Хадыженская

Введение

Трубопровод, предназначенный для перекачки нефтей делится на три группы:

внутренние;

местные;

магистральные.

Внутренние нефтепроводы находятся внутри чего-либо: промыслов (внутрипромысловые), нефтебаз (внутрибазовые), нефтеперерабатывающих заводов (внутризаводские). Протяженность их невелика.

Местные нефтепроводы соединяют различные элементы транспортной цепочки: нефтепромысел и головную станцию магистрального нефтепровода, нефтепромысел и пункт налива железнодорожных цистерн, либо судов. Протяженность местных нефтепроводов больше, чем внутренних и достигает нескольких десятков и даже сотен километров.

Кроме того, нефтепровод делят на категории, которые учитываются при расчете толщины стенки, выборе испытательного давления, а также при определении доли монтажных сварных соединений. подлежащих контролю физическими методами.

Магистральный нефтепровод в общем случае, состоит из следующих комплексов сооружений:

подводящие трубопроводы;

головная и промежуточные нефтеперекачивающие станции (НПС);

конечный пункт;

линейные сооружения.

Конечным пунктом магистрального нефтепровода обычно является нефтеперерабатывающий завод или крупная перевалочная нефтебаза.

Собственно трубопровод - основная составляющая магистрального нефтепровода представляет собой трубы, сваренные в ‘нитку’, оснащенные камерами приема и пуска скребков, разделителей, диагностических приборов, а также трубопроводы-отводы.

резервуар нефтеперекачивающий ремонт


1. Назначение нефтеперекачивающей станции (НПС)

Для создания и поддержания в трубопроводе напора, достаточного для обеспечения транспортировки нефти, необходимы нефтеперекачивающие станции. Основное назначение каждой нефтеперекачивающей станции состоит в том, чтобы забрать нефть из сечения трубопровода с низким напором, с помощью насосов увеличить этот напор и затем ввести нефть в сечение трубопровода с высоким напором. Основными элементами НПС являются насосные агрегаты, резервуары, системы подводящих и распределительных трубопроводов, узлы учета, устройства приема и пуска очистных устройств и поточных средств диагностики, а также системы смазки, вентиляции, отопления, энергоснабжения, водоснабжения, автоматики, телемеханики и т.п.

1.1 Основное технологическое оборудование НПС и его размещение

Нефтеперекачивающие (насосные) станции подразделяются на головные (ГНПС) и промежуточные (ПНПС). Головная нефтеперекачивающая предназначается для приема нефти с установок её подготовки на промысле или из других источников и последующей закачки нефти в магистральный нефтепровод. Промежуточные станции обеспечивают поддержание в трубопроводе напора, достаточного для дальнейшей перекачки.

Объекты, входящие в состав ГНПС и ПНПС, можно условно подразделить на две группы:

объекты основного (технологического) назначения;

объекты вспомогательного и подсобно-хозяйственного назначения.

К объектам первой группы относятся: резервуарный парк; подпорная насосная; узел учёта нефти с фильтрами; магистральная насосная; узел урегулирования давления и узлы с предохранительными устройствами; камеры пуска и приёма очистных устройств; технологические трубопроводы с запорной арматурой.

К объектам второй группы относятся: понижающая электроподстанция с распределительными устройствами; комплекс сооружений, обеспечивающих водоснабжение станции; комплекс сооружений по отводу промышленных и бытовых стоков; котельная с тепловыми сетями; инженерно-лабораторный корпус; пожарное депо; узел связи; механические мастерские; мастерские ремонта и накладки контрольно-измерительных приборов (КИП); гараж; складские помещения; административно-хозяйственный блок и т.д.

Головная нефтеперекачивающая станция - комплекс сооружений, расположенный в начале магистрального нефтепровода или его отдельного эксплуатационного участка и предназначенный для накопления и перекачки по трубопроводу нефти и нефтепродуктов.

В состав головной нефтеперекачивающей станции входят: насосные станции (основная и подпорная), резервуарный парк, сеть технологических трубопроводов, электроподстанция, котельная, объекты водоснабжения и канализации, подсобные и административные здания, культурно-бытовые объекты и др. Насосные станции оборудуют центробежными насосами с подачей до 12500 м3/ч. Количество насосов на основной станции от 3 до 4, один из них резервный. Соединение насосов, как правило, последовательное. В качестве привода преимущественно применяются электродвигатели мощностью до 8000 кВт. Насосы подпорной станции создают дополнительное давление на входе основных насосов, необходимое для их бескавитационной работы. Резервуарный парк головной нефтеперекачивающей станции включает металлические и железобетонные резервуары с единичным объёмом 50 000 м3. Вместимость парка зависит от объёма перекачки, а при последовательном её характере от числа циклов. Технологические трубопроводы головной нефтеперекачивающей станции оборудуются переключающими, предохранительными и регулирующими устройствами, обеспечивающими приём нефти и нефтепродуктов, очистку их от механических примесей, замер и учёт их количества, защиту трубопроводов и резервуарного парка от повышения давления, регулирование давления на выходе станции, периодический запуск специальных устройств для очистки внутренней полости трубопровода. Схема технологических трубопроводов обеспечивает работу насосов в любых сочетаниях, а также возможность прямой, обратной и внутристанционной перекачки.

Головная нефтеперекачивающая станция при последовательной перекачке нефтепродуктов оборудуется специальной лабораторией по контролю качества нефтепродуктов и приборами для быстрого и точного определения концентрации одного нефтепродукта в другом. Головная нефтеперекачивающая станция трубопровода, по которому перекачивают подогретые нефти, снабжается подогревательными устройствами (печами, теплообменниками). При сооружении магистральных трубопроводов применяются блочно-комплектные насосные станции, включающие набор отдельных блоков технологического, энергетического и вспомогательно-функционального назначения, а также общее укрытие для магистральных насосных агрегатов с узлами обвязки их трубопроводами и другими коммуникациями. Технологическое оборудование, аппаратура, контрольно-измерительные приборы размещаются в блок-боксах, монтажных блоках и блок-контейнерах, которые изготовляют и собирают в заводских условиях, а затем в готовом виде транспортируют к месту строительства.

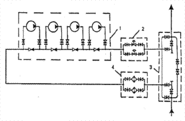
На головных нефтеперекачивающих станциях осуществляются следующие технологические операции: приём и учёт нефти; краткосрочное хранение нефти в резервуарах; внутристанционные перекачки нефти (из резервуара в резервуар); закачка нефти в магистральный трубопровод; пуск в трубопровод очистных и диагностических устройств. На ГНПС может производиться подкачка нефти из других источников поступления, например, из других нефтепроводов или попутных нефтепромыслов. Технологическая схема представлена на рисунке 1.

- подпорная насосная;

- площадка фильтров и счетчиков;

- основная насосная;

- площадка регуляторов;

- площадка пуска скребков; 6 резервуарный парк.

Рисунок 1 Технологическая схема ГНПС.

Промежуточные НПС служат для восполнения энергии, затраченной потоком на преодоление сил трения, с целью обеспечения дальнейшей перекачка нефти. Промежуточные НПС размешают по трассе трубопровода согласно гидравлическому расчету на расстоянии от 50 до 200 км.

На промежуточных нефтеперекачивающих станциях происходит повышение напора транспортируемой нефти с целью обеспечения её дальнейшей перекачки. При работе ПНПС «из насоса в насос» (т.е. режиме, при котором конец предыдущего участка нефтепровода подключен непосредственно к линии всасывания насосов следующей НПС) промежуточные НПС не имеют резервуарных парков; в других случаях, когда перекачка ведется через резервуары или с подключенными резервуарами такие парки на ПНПС имеются. На ПНПС устанавливаются также системы сглаживания волн давления и защиты от гидравлических ударов.

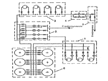
Принципиальная технологическая схема промежуточной НПС приведена на рисунке 2.

- основная насосная;

- площадку регуляторов давления;

- площадка приема и пуска скребка;

- площадка с фильтрами-грязеуловителями

Рисунок 2 Технологическая схема ПНПС

Нефть, поступающая из магистрального трубопровода, сначала проходит через фильтры грязеуловители, затем приобретает в насосах энергию, необходимую для дальнейшей перекачки, и после регулирования давления на площадке 2 закачивается в следующий участок магистрального нефтепровода.

Кроме технологических сооружении на головной и промежуточных НПС имеются механическая мастерская, понизительная электроподстанция, котельная, объекты водоснабжения и водоотведения, подсобные и административные помещения и т.д.

Как правило, магистральные нефтепроводы разбивают на так называемые эксплуатационные участки с протяженностью от 400 до 600 км, состоящие из 3 и 5 участков, разделенных ПНПС, работающих в режиме «из насоса в насос», и, следовательно, гидравлически связанных друг с другом.

1.2 Техническая характеристика резервуара и резервуарных парков

Различают 4 основных типа резервуаров вертикальных стальных:

РВС - резервуар вертикальный стальной со стационарной крышей без понтона.

РВСП - резервуар вертикальный стальной со стационарной крышей и понтоном

РВСПк - резервуар вертикальный стальной с плавающей крышей.

Резервуары с защитной стенкой («стакан в стакане»).

РВС - резервуар вертикальный стальной со стационарной крышей без понтона.

Используются для хранения продуктов с относительно низкой летучестью (с давление насыщенных паров не более 26,6 кПа), и температурой воспламенения более 61 0С. Наиболее часто в таких резервуарах складируют мазут, дизельное топливо, бытовой керосин, битум, гудрон, масла (в том числе пищевые) и воду. Также резервуары вертикальные стальные со стационарной крышей без понтона могут применяться для хранения более летучих (с ДНП до 93,3 кПа) и легко воспламеняемых продуктов. В таких случаях резервуар оборудуется газовой обвязкой или установкой улавливания легких фракций.

РВСП - резервуар вертикальный стальной со стационарной крышей и понтоном

Используются для хранения продуктов с давлением насыщенных паров в пределах от 26,6 до 93,3 кПа и температурой воспламенения менее 61 0С. Наиболее часто в них складируются нефти, бензины, керосины, реактивное топливо. Понтон представляет собой жесткое газонепроницаемое плавающее покрытие в форме диска, помещаемое на зеркало продукта внутри резервуара так, чтобы было закрыто не менее 90% его площади. Кольцевой зазор между понтоном и стенкой резервуара герметизируется специальным уплотняющим затвором. Понтон служит для снижения скорости насыщения газовоздушного пространства резервуара парами хранимого продукта.

РВСПк - резервуар вертикальный стальной с плавающей крышей.

Данная конструкция резервуара предполагает использование кровли, располагаемой на поверхности хранимого продукта с полным контактом. Плавучесть кровли достигается за счет применения герметичных отсеков или коробов. В опорожненном резервуаре крыша располагается на специальных опорах, смонтированных на днище. Исключение вращения плавающей крыши достигается использованием направляющих труб. Недостаток плавающей крыши - возможность загрязнения хранимого продукта вследствие осадков. Также бывают случаи примерзание уплотняющего затвора крыши к стенке резервуара. Преимущества такой конструкции кровли в снижении потерь продукта от испарения.

Резервуары с защитной стенкой («стакан в стакане»).

Резервуары такой конструкции используются на производственных площадках, где нет возможности устройства обваловки резервуарного парка. Также резервуары с защитной стенкой строятся вблизи водоемов и жилых поселений для обеспечения безопасности окружающей среды и населения. Защитная стенка монтируется с целью исключить разлив продукта при разгерметизации рабочего резервуара.

Изотермические резервуары используются для хранения различных нефтепродуктов при постоянной пониженной или отрицательной температуре, проектирование и сооружение которых является новым направлением в резервуаростроении. Разработаны различные типы конструкций для хранения нефтепродуктов при температуре выше 196°С.

Наиболее распространены двухслойные конструкции изотермических резервуаров с зазорами между стенками, крышками и днищами.

Величины зазоров определяют технологические институты и выдают в техническом задании (ТЗ) на проектирование. Задания включают исходные данные для проектирования резервуаров: объем; название и температуру хранимого сжиженного газa, марки сталей для внутреннего и наружного резервуаров; величину избыточного и гидростатического давления; район строительства; величину снеговой и ветровой нагрузок; сейсмичность района строительства; наименование теплоизоляционных материалов, сварочные материалы для сварки сталей специальных марок и другие данные.

Если температура хранения не ниже минус 65°С, то при проектировании резервуаров применяются строительные стали. При более низких температурах должны применять стали специальных марок: никельсодержащие; нержавеющие стали; алюминиевые сплавы.

Проектирование и сооружение изотермических резервуаров во многом аналогично проектированию и сооружению вертикальных цилиндрических резервуаров низкого и повышенного давления. Также аналогичны методики инженерных расчетов, что дает возможность использовать многолетний опыт их проектирования. Новым, с чем столкнулись при проектировании и расчете несущих элементов изотермических резервуаров, явились нагрузки от теплоизоляционных материалов. При расчете стенки пустого внутреннего резервуара на устойчивость - собственный вес изоляции, находящейся между крышами и вызывающей осевое сжатие стенки. Изоляция, находящаяся в межстенном пространстве, вызывает боковое давление на стенки внутреннего и наружного резервуаров. Кроме того, за счет трения о стенки она вызывает также вертикальное усилие.

Резервуарные парки обеспечивают равномерную загрузку магистральных трубопроводов, компенсацию пиковых и сезонных неравномерностей потребления нефти, нефтепродуктов и воды промышленными районами и городами, накопление запасов аварийного и стратегического резерва, для технологических операций по смешению, подогреву и доведению продуктов до определённой кондиции и могут использоваться при товарно-коммерческих операциях для замеров количества продуктов.

Резервуарные парки обеспечивают повышение надёжности систем нефтеснабжения народного хозяйства в целом. Резервуарные парки могут входить в состав нефтепромыслов, нефтебаз, головных и промежуточных (с ёмкостью) перекачивающих станций магистральных нефтепроводов, нефтепродуктопроводов и водоводов, нефтеперерабатывающих предприятий, нефтехимических комплексов, а также являться самостоятельным предприятием.

По способу размещения резервуаров различают резервуарные парки надземные, наземные, полуподземные, подземные и подводные. Надземные и наземные резервуарные парки оборудуются в основном стальными вертикальными цилиндрическими нефтяными резервуарами со стационарной или плавающей крышей, понтонами или резервуарами специальных конструкций (каплевидных, сферических и др.); полуподземные железобетонными резервуарами с облицовкой внутри стальным листом или без неё.