Материал: Эксплуатация района электроснабжения

Внимание! Если размещение файла нарушает Ваши авторские права, то обязательно сообщите нам

Эксплуатация района электроснабжения

Кафедра "Электроснабжения и электротехники имени И.А. Будзко"










КУРСОВАЯ РАБОТА

по дисциплине "Эксплуатация систем электроснабжения"

на тему: "Эксплуатация района электроснабжения"


Выполнил: студент группы 301 Э

Энергетического факультета

Тишков Виталий Владимирович

Принял: доцент

Белов Сергей Иванович




Москва 2015 г.

Содержание

Задание на курсовую работу

Введение

. Расчет численности обслуживающего персонала

.1 Определение суммарной длины линий 10 и 0.38 кВ приходящую на одну питающую ПС 110/10 кВ

.2 Общая длинна ВЛ - 10 кВ приходящаяся на все ТП 110/10 кВ РЭС

.3 Общая длинна ВЛ 0.38 кВ приходящаяся на все ТП 10/0.38 кВ РЭС

1.4 Определение общей площади охватывающая сетями одной ПС 110/10 кВ

1.5 Определение площадь района электроснабжения

.6 Определение плотности распределительных сетей 0.38 и 10 кВ

.7 Определение численности рабочих по оперативному и техническому обслуживанию опор ВЛ 0.38 - 10 кВ

.8 Определение численности рабочих по оперативному и техническому обслуживанию ТП 10/0.4 кВ

.9 Определение численности рабочих по ремонту и техническому обслуживанию ВЛ - 0.38 кВ и ВЛ - 10 кВ

.10 Определение численности рабочих по ремонту и техническому обслуживанию кабельных линий

.11 Определение численности рабочих по ремонту ТП 10/0.4 кВ и распределительных пунктов на 10 кВ

.12 Определение численности рабочих с учетом поправочных коэффициентов

2. Расчет численности инженерно-технического персонала

.1.Определение численность инженерно-технического персонала

. Нормирование ремонта и технического обслуживания электрических сетей

.1 Расчет резервного запаса трансформаторов

.2 Расчет резервного запаса оборудования для КТП 10/0.4 кВ

.3 Расчет резервного эксплуатационного запаса материалов для опор ЛЭП

.4 Расчет резервного (аварийного) запаса материалов для ЛЭП

.5 Определение потребности в технике для обслуживания РЭС

. Реконструкция фидеров 10 кВ с целью повышения надежности электроснабжения потребителей

.1 Расстановка секционирующих разъединителей

.2 Обеспечение потребителей 1 категории надежности электроснабжения

.3 Обеспечение потребителей 2 категории надежности электроснабжения

.4 Расстановка секционирующих выключателей

Заключение

Библиографический список

линия кабельный электроснабжение фидер

Задание на курсовую работу

Вариант № 4

Таблица 1. Основные данные по варианту курсовой работы.

Число РТП 110/10 кВ в РЭС шт.

8

Район

По ветру

2


По гололеду

3

Масштаб в 1 см/км

0.6

Отсутствуют фидера на рис. 15

3,4

Опоры ВЛ - 10 кВ %

Железо - бетонные

80


Деревянно - железо - бетонные

10


Деревянные

10

Опоры ВЛ - 0.38 кВ %

Железо - бетонные

55


Деревянно - железо - бетонные

15


Деревянные

30

Вариант нагрузки определяемый в табл. 12

1

Номер 1-го ТП в таблице

5


Таблица 2. Максимальная расчетная нагрузка ТП в кВА.

Номер ТП

S кВА

Номер ТП

S кВА

Номер ТП

S кВА

Номер ТП

S кВА

Номер ТП

S кВА

1

86

25

102

49

75

73

132

97

98

2

212(2)

26

82

50

116

74

187(1)

98

41

3

87

27

107

51

47

75

92

99

238(2)

4

148

28

151

52

85

76

418(2)

100

72

5

87

29

176

53

256(2)

77

118

101

25

6

79

30

28

54

67

78

69

102

51

7

26

31

125

55

104

79

46

103

122

8

79

32

131

56

74

80

123

104

136

9

69

33

248(2)

57

322(1)

81

98

105

37

10

108

34

154

58

28

82

61(2)

106

168(2)

11

93

35

85

59

93

83

85

107

147

12

72

36

352

60

89

84

79

108

113

13

318(1)

37

115

61

43

85

34

109

143

14

76

38

221

62

42

86

93

110

47

15

119

39

35

63

116

87

38

111

121

16

85

40

117

64

112

88

95

112

112

17

122

41

67

65

155(2)

89

79

113

106

18

53

42

187(1)

66

92

90

121

114

68

19

89

43

49

67

132

91

81

115

33(1)

20

86

44

68

68

121

92

67

116

82

21

112

45

92

69

158

93

126(1)

117

131

22

52

46

85

70

39

94

34

118

49

23

132

47

153

71

137

95

127

119

58

24

195(2)

48

81

72

121

96

138

120

134

Примечание: В скобках рядом с мощностью обозначена 1-ая и 2-ая категория потребителей по надежности электроснабжения.

Таблица 3. Степень загнивания опор.

Вариант

4

Наружный диаметр опоры ВЛ - 10 кВ ( см )

29

Наружный диаметр опоры ВЛ - 0.38 кВ ( см )

22

 Наружное Загнивание

Номер опоры

1

2

3


В-1

4

2

4,5


В-2

5

2

4


В-3

4

3

4

Номер опоры

1

2

3


А-1

2,5

4

5


А-2

3

5

5


А-3

2

4,5

6

Неполное Внутреннее Загнивание

Номер опоры

1

2

3


А-1/В-1

4/4

3/5

6/2


А-2/В-2

6/2

5/3

6/3


А-3/В-3

5/4

4/3

5/3



Введение

Основа надёжного электроснабжения потребителей электрической энергией - безаварийная работа всей системы электроснабжения. Бесперебойное электроснабжение потребителей городских сетей и промышленных предприятий зависит от принятых на стадии проектирования новых, прогрессивных технологических решений и использования современного оборудования, от качества монтажа электрических сетей и строгого выполнения всех требований при эксплуатации систем электроснабжения.

Определение мест повреждения (ОМП) - наиболее сложная, а часто и наиболее длительная технологическая операция по восстановлению повреждённого элемента сети. Это оперативная задача диспетчерских служб электрических сетей.

Затраты средств на ОМП составляют существенную часть эксплуатационных издержек в электросетях. Доля же капитальных затрат на устройства для ОМП в общих капитальных затратах относительно мала. Внедрение прогрессивных методов и средств ОМП даёт значительный экономический эффект. Он складывается из своевременного выявления слабых мест в кабельных линиях, путём проведения профилактических высоковольтных испытаний, сокращения перерывов электроснабжения, уменьшения объёмов ремонтных работ и снижения расходов на земляные работы в летний период времени. Совокупность операций по поиску повреждений и восстановлению работоспособности кабельной линии рассматривается как единая взаимосвязанная система.

В данной курсовой работе будет произведен расчет основных технико-экономических показателей систем электроснабжения при ее эксплуатации и ремонте с расчетом обслуживающего персонала, количества опор и требуемой техники, а также возможного выхода из строя оборудования СЭС.

1. Расчет численности обслуживающего персонала

.1 Определение суммарной длинны линий 10 и 0.38 кВ приходящиеся на одну питающую ПС 110/10 кВ

 = 206,5; (1.1.)

 = 123,9 км; (1.2.)

где: М - масштаб;

.2 Общая длинна ВЛ - 10 кВ приходящаяся на все ТП 110/10 кВ в РЭС

= 123,9 ; (1.3.)

где: ;

.3 Общая длинна ВЛ 0.38 кВ приходящаяся на все ТП 10/0.38 кВ РЭС.

 = 991,2 км; (1.2.)

.4 Определяем общую площадь охватывающую сетями одной ПС 110/10 кВ

; (1.4.)

где: - площадь, охватываемая сетями одной ПС 110/10кВ равная 894 ;

1.5 Определение площади района электроснабжения

 =  ; (1.5.)

.6 Определение плотности распределительных сетей 0.38 и 10 кВ

 =  = 769,94; (1.6.)

.7 Определение численности рабочих по оперативному и техническому обслуживанию опор ВЛ 0.38 - 10 кВ

Таблица 4. Численность рабочих приходящихся на 100 км ВЛ 0.38 - 10 кВ для оперативного и технического обслуживания сетей.

Материал Опор


До 600

600 - 1200

Более 1200

Железо - бетонные

10 кВ

0.93

0.84

0.76


0.38 кВ

1.05

0.94

0.85

Деревянно - железо - бетонные

10 кВ

1.01

0.91

0.82


0.38 кВ

1.17

1.05

0.95

Деревянные

10 кВ

1.02

0.92

0.83


0.38 кВ

1.2

1.08

0.98


Определяем длину линий с железо - бетонными, с деревянно - железо - бетонными, и с деревянными опорами и дельту. Определяем численность рабочих необходимых для их обслуживания. Длина линий 10 кВ:

 =  10 = 99,12 км; (1.7.)

 =  10 = 99,12 км; (1.7.)

 =  80 = 792,96 км; (1.7.)

Длинна линий 0.38 кВ:

 = 297,37 км; (1.7.)

 =  15 = 148,68км; (1.7.)

 =  55 = 545,16 км; (1.7.)

где:  ,  ,  ,  ,  , - соответственно количество в % деревянных, деревянно - железо - бетонных, и железо - бетонных опор на ВЛ - 0.38 кВ и ВЛ - 10 кВ.

Общая численность рабочих по обслуживанию опор:

 

 (1.8.)

где:  ,  ,  ,  ,  ,  - соответственно численность рабочих, приходящихся на ВЛ - 10 кВ и ВЛ - 0.38 кВ с деревянными, с деревянно - железо - бетонными и железо - бетонными опорами. ( определяется по таблице 4.)

1.8 Определение численности рабочих по оперативному и техническому обслуживанию ТП 10/0.4 кВ

Таблица 5. Норма численности рабочих по оперативному и техническому обслуживанию ТП 10/0.4 кВ ( приходящихся на 100 ТП 10/0.4 кВ )

Количество ТР на ТП 10/0.4 кВ




До 600

600 - 1200

Более 1200

1 трансформатор

1.94

1.75

1.58

2 трансформатора

1.99

1.79

1.61


 =  (1.9.)

где:  - количество ТП 10/0.4 кВ в РЭС (определяется по карте)  - число рабочих, приходящихся на 100 ТП 10/0.4 кВ, определяется по таблице 5.

.9 Определение численности рабочих по ремонту и техническому обслуживанию ВЛ - 0.38 кВ и ВЛ - 10 кВ

Таблица 6. Норма численности рабочих по ремонту и техническому обслуживанию ВЛ. ( на 100 км ВЛ )

  , кВ

Тип опор


Железо - бетонные

Деревянно - железо - бетонные

Деревянные

10

0.53

0.67

0.78

0.38

0.59

0.91

1.03



 (1.10.)

где:  ,  ,  ,  ,  ,  - соответственно число рабочих, по ремонту и техническому обслуживанию на ВЛ - 10 кВ и ВЛ - 0.38 кВ с деревянными, с деревянно - железо - бетонными и железо - бетонными опорами. ( определяется по таблице 4. )

1.10 Определение численности рабочих по ремонту и техническому обслуживанию кабельных линий

Таблица 7. Норма численности рабочих по ремонту и техническому обслуживанию КЛ(на 100 км).

 , кВ

Численность рабочих на 100 км КЛ

10

4,11

0,38

2,64


 (1.11.)

 (1.12.)

1.11 Определение численности рабочих по ремонту ТП 10/0.4 кВ и распределительных пунктов на 10 кВ

Таблица 8. Нормы численности рабочих по ремонту ТП 10/0.4 кВ и распределительных пунктов на 10 кВ ( на 100 шт.)

Распределительный Пункт

ТП с 1 ТР

ТП с 2 ТР

СВ или АВР

ВН

Количество рабочих на 100 распределительных пунктов

0.87

1.13

0.96

0.55


 4,45+0,63+0,3+0,7 = 6,08 чел; (1.13.)

Где: , , ,  - соответственно количество ТП 10/0.4 кВ с одним и двумя трансформаторами, СВ и АВР, а так же ВН,

,  ,  ,  - соответственно норма численности рабочих по обслуживанию распределительных пунктов ( определяется по таблице 7. )

.12 Определяем численность рабочих с учетом поправочных коэффициентов

А) Коэффициент К1 зависит от территории РЭС для московской области он равен:

Таблица 9.

К1 = 1.03

Для таблиц 4 и 5

К1 = 1.06

Для таблиц 6,7 и 8



Б) Коэффициент К2 учитывает трудозатраты на переезды оперативной бригады. Он зависит от среднего расстояния, от ремонтной базы до места производства работ. Если это расстояние в пределах 15-20 км, то К2 равен:

Таблица 10.

К2 = 1.00Для таблиц 4 и 5


К2 = 1.22

Для таблиц 6,7 и 8


В) Коэффициент К3 учитывает объем проводимой работы и определяется по таблице 11.

Таблица 11.

Число рабочих по указанной таблице

Таблицы 4 и 5

Таблицы 6,7 и 8

До 70

1.1

1.05

70 - 80

1.09

1.05

80 - 90

1.07

1.04

90 - 100

1.05

1.03

100 - 110

1.03

1.02

110 - 120

1.01

1.01

Более 120

1.0

1.0


=

= 11,01

= 13,25

= 6,68

=  8,25 чел;

= 18,37+12,47+17,99+9,07+8,25= 66 человек; (1.15.)

2. Расчет численности инженерно-технических работников

К инженерно-техническому персоналу относятся:

Ø  Мастера - 6

Ø  Старшие мастера - 2

Ø  Диспетчера - 3

Ø  Старшие диспетчера - 1

Ø  Инженера - 2

Ø  Главные инженера - 1

Ø  Начальники РЭС - 1

Рисунок 1. Примерная структура РЭС

2.1 Определение численности инженерно-технического персонала

 

где: К = 1 при площади РЭС более 3 тыс.

К = 2 при площади РЭС более 10 тыс.

3. Нормирование ремонта и технического обслуживания электрических сетей

.1 Расчет резервного запаса трансформаторов

Трансформаторы мощностью 25, 40, 63, 100, 160, кВА резервируются в РЭС а трансформаторы мощностью 250 кВА и более в энергосистеме.

Таблица 12. Для трансформаторов всех мощностей

Количество Трансформаторов

5-20

21-50

51-100

101-150

151-220

221-280

281-350

351-420

421-520

Плановая Замена

2

3

4

5

6

7

8

9

10

Аварийная Замена

1

2

3

3

4

4

6

6

7


3.2 Расчет резервного запаса оборудования для КТП 10/0.4 кВ

Таблица 13. Нормы резервного запаса.

Наименование оборудования

Количество оборудования


1-10

11-50

51-100

101-200

201-400

401-800

801-1500

1501-2500

Комплект устройств 10 кВ для КТП Мощностью до 63 кВА

1

1

1

2

2

2

3

3

Комплект оборудования 10 кВ для КТП мощностью От 100 до 250 кВА

1

1

2

2

2

3

4

5

Комплект оборудования 0.4 кВ для КТП мощностью До 63 кВА

1

2

2

2

3

4

6

8

Комплект оборудования 0.4 кВ для КТП мощностью От 100 до 250 кВА

1

2

2

3

4

5

7

10

РВО - 10

3

12

13

15

18

20

30

35

Проходные Изоляторы

3

17

20

25

40

70

120

190

Разъединители

3

6

17

23

55

70

120

190

Предохранители И рубильники

12

15

18

25

30

45

50

60

Автоматы

12

15

25

35

60

110

160

190


3.3 Расчет резервного эксплуатационного запаса материалов для опор ЛЭП

Рисунок 2.

Для железо - бетонных опор необходим следующий запас основных материалов: провода, изоляторы, хамуты, бетон.

Таблица 14.Эксплуат. не аварийный запас материалов для опор ЛЭП.

Вид опор

Район по ветру

Район по гололеду

Норма расхода древесины




Начало загнивания 7.5 лет.

Начало загнивания 12.5 лет

Бетон




1 см/год

1.5 см/год

1 см/год

1.5 см/год


10 кВ Деревянно - железо - бетонные

I - III

I - II

35

50

25

35

0.3


I - III

III - IV

45

55

35

40

0.4


IV

I - II

45

55

35

40

0.4


III

IV

55

60

40

45

0.4


IV

III - IV

55

60

40

45

0.4

10 кВ. Дерево + дерево

I - IV

I - II

45

65

40

50

0.06


I - IV

III - IV

60

80

55

60

0.06

0.4 кВ Деревянно - железо - бетонные

I - IV

I - II

40

50

30

40

0.4


I - II

III

40

50

30

40

0.4


I

IV

40

50

30

40

0.4


IV

III

50

55

30

45

0.3


III - IV

IV

50

55

30

45

0.3

0.4 кВ Дерево + дерево

I - IV

I - III

40

55

30

45

0.1


I - II

IV

80

85

45

85

0.1


III - IV

IV

85

100

55

80

0.1

10 и 0.4 кВ Железо - бетонные

 I - IV

 I - IV

 -

 -

 -

 -

 0.1


Определяем объем эксплуатационного запаса древесины и бетона для опор ЛЭП (  ).

Для ВЛ - 10 кВ с деревянными опорами:

 =

 =

Для ВЛ - 10 кВ с деревянно - железо - бетонными опорами:

=

 =  (3.18.)

Для ВЛ - 10 кВ с железо - бетонными опорами:

 =

Для ВЛ - 0.38 кВ с деревянными опорами:

 =

 = (3.20.)

Для ВЛ - 0.38 кВ с деревянно - железо - бетонными опорами:

 =

 =  (3.21.)

Для ВЛ - 0.38 кВ с железо - бетонными опорами:

 =  (3.22.)

где:

 соответственно норма расхода древесины для ВЛ - 10 кВ и ВЛ - 0.38 кВ с деревянными, с деревянно - железо - бетонными опорами,  в год.

 , - соответственно норма расхода бетона для ВЛ - 10 кВ и ВЛ - 0.38 кВ с деревянными, с деревянно - железо - бетонными, и с железо - бетонными опорами,  в год.

соответственно доля деревянных, с деревянно - железо - бетонных и железо - бетонных опор ВЛ - 10 кВ и ВЛ - 0.38 кВ, о.е.

.4 Расчет резервного ( аварийного ) запаса материалов для ЛЭП

В рассматриваемом РЭС 9 из 100 опор с элементами загнивания

В этом разделе требуется определить количество опор подлежащих замене

Таблица 15. Временные показатели загнивания опор.

Эквивалентный

диаметр опоры

Время через которое необходима замена опоры

ВЛ - 10 кВ

ВЛ - 0.38 кВ


Менее 16.5 16.5  17.5 Более 18.5

Менее 13.5 см 13.5 14.5 Более 15.5

Через 1 год Через 2 года Через 3 года Через 4 и более лет


Далее определяем  и по нему находим время через которое необходима замена опоры:

Для опор ВЛ - 10 кВ с наружным загнивание (в задании их 3 поэтому расчет здесь и ниже ведется 3 раза)

Рисунок 3.

где,  - диаметр наружного загнивания

а - диаметр внутреннего загнивания

наружный диаметр опоры

Для опор ВЛ - 10 кВ с наружным загниванием

Для первой опоры:

 = ; (3.23.)

29 - 2 20,34; (3.24.)

Для второй опоры:

 =  (3.23.)

29 - 2  (3.24.)

Для третьей опоры:

 = (3.23.)

29 - 2  (3.24.)

Для опор ВЛ - 10 кВ с полным внутренним загниванием:

Для первой опоры:

 =  (3.25.)

 = 29 - 2 (3.26.)

 (3.27.)

Для второй опоры:

 =  (3.25.)

 = 29 - 2  (3.26.)

  (3.27.)

Для третьей опоры:

 =  (3.25.)

 = 29 - 2  (3.26.)

  (3.27.)

где: К - коэффициент, учитывающий неоднородность твердости древесины в службе опоры.

Для опор ВЛ - 10 кВ с неполным внутренним загниванием:

Для первой опоры:

 = = 4,33; (3.25.)

 = = 3,66;  (3.28.)

 = 26 - 2   (3.29.)

 = 26 - 2   (3.30.)

)

Для второй опоры:

 = = 5.66;  (3.25.)

 = = 2.66;  (3.28.)

 = 26 - 2   (3.29.)

 = 26 - 2 ;  (3.30.)

)

Для третьей опоры:

 = = 4,66; (3.25.)

 = = 3,33; (3.28.)

 = 26 - 2  (3.29.)

 = 26 - 2   (3.30.)

)

Для опор ВЛ - 0.38 кВ расчет ведется по формулам приведенным выше ( в них  берется для ВЛ - 0.38 кВ )

Для ВЛ - 0.38 кВ с наружным загниванием:

Для первой опоры:

 = ; (3.28.)

22 - 2  (3.31.)

Для второй опоры:

 =   (3.28.)

22 - 2  (3.31.)

Для третьей опоры:

 =   (3.28.)

22 - 2   (3.31.)

Для опор ВЛ - 0.38 кВ с полным внутренним загниванием:

Для первой опоры:

 =   (3.25.)

 = 22 - 2   (3.26.)

   (3.27.)

Для второй опоры:

 =  (3.25.)

 = 22 - 2  (3.26.)

  (3.27.)

Для третьей опоры:

 =  (3.25.)

 = 22 - 2   (3.26.)

   (3.27.)

где: К - коэффициент, учитывающий неоднородность твердости древесины в службе опоры.

Для опор ВЛ - 0.38 кВ с неполным внутренним загниванием:

Для первой опоры:

 = = 4,33; (3.25.)

 = = 3,66;  (3.28.)

 = 22 - 2  (3.29.)

 = 22 - 2   (3.30.)

 (3.31.)

Для второй опоры:

 = = 5,66;  (3.25.)

 = = 2,66;  (3.28.)

 = 22 - 2  ;  (3.29.)

 = 22 - 2 ;  (3.30.)

  (3.31.)

Для третьей опоры:

 = = 4.66; (3.25.)

 = = 4; (3.28.)

 = 22 - 2 ; (3.29.)

 = 22 - 2 ; (3.30.)

 (3.31.)

Определим какой объем древесины необходим для замены опор ЛЭП ( по годам )

Определим количество деревянных опор на ВЛ-10 кВ и ВЛ-0.38 Кв

 = 991,2   (3.32.)

 = 991,2  (3.33.)

,где 13 и 30 - количество опор на 1 км. для ВЛ - 10 кВ и ВЛ - 0.38 кВ

Определяем количество деревянных опор, подлежащих замене на ВЛ - 10 кВ и ВЛ - 0.38 кВ ( по годам )

 = 1288,56 = 115,97 шт;(3.34.) = 8920,8 = 802,87 шт; (3.35.)

,где:  ,  - соответственно количество опор из 9 на ВЛ - 10 кВ и ВЛ - 0.38 кВ подлежащих замене.

Определяем объем древесины, необходимый для замены опор ВЛ - 10 кВ и ВЛ - 0.38 кВ.

0.45  ; (3.36.)

0.35  ; (3.37.)

,где: средний объем одной опоры для ВЛ - 10 кВ, равный 0.45

средний объем одной опоры для ВЛ - 0.38 кВ, равный 0.35

.5 Определение потребности в технике для обслуживания РЭС

Нормативы потребности в машинах, механизмах и транспортных средствах следующие:

На 2250 км ВЛ - 0.38 кВ и ВЛ - 10 кВ и 450 ТП 10/0.4 кВ должно приходится: 5.94 - автомобиля;

.6 - след.механизмов на автомобили

.92 - тракторов и эскалаторов

.24 - прицепов с механизмами

Определяем коэффициент пересчета: ; (3.38.)

Определяем количество автомобилей в РЭС:

  (3.39.)

Округляются все числа до ближайшего большего в том числе:

-ГАЗ - 52:  = 2.86   (3.39.)

КАМАЗ - 4320: 0.74= 0.741,07=0,79 шт;  (3.39.)

-Легковые автомобили: 2.34  = 2,341,07=2,5 шт;  (3.39.)

Определяем количество спец механизмов на автомобилях

 = 6,61,07=7,06 шт; (3.39.)

В том числе:

Автокрана: 1.41 = 1.5 шт;  (3.39.)

Автобуры: 1.06 =1,13 шт;  (3.39.)

Телескопические вышки (h = 17 м): 0.66 = 0,7 шт;  (3.39.)

Автогидропогрузчики: 1.29 =1,38шт ;  (3.39.)

Электромеханические мастерские: 0.8 = 0.85шт;  (3.39.)

Электролабораторные на ГАЗ - 66: 0.69 = 0.73шт;  (3.39.)

Электролабораторные типа ЛТЛ - 10: 0.69 = 0.73шт;  (3.39.)

Определяем количество тракторов и экскаваторов:

  (3.39.)

В том числе:

Трактора гусеничные с тяговым усилителем 6...10т :

0.66   (3.39.)

-Трактора колесные Т - 150 К:

1.48  = 1.48   (3.39.)

-Трактора Беларусь ( эскаватор - бульдозер ):

.76 0.76   (3.39.)

Определяем количество прицепов с механизмами на их базе:

  (3.39.)

В том числе:

Автоприцеп одноосный (1.5…3т ):

1.56  1.66 шт;  (3.39.)

-Прицеп тракторный трехосный:

1.56  1.66 шт;  (3.39.)

-Опоровоз саморазгружающийся:

0.78  0.83 шт; (3.39.)

-Прицеп с электростанцие :

1.56  1.66 шт;  (3.39.)

-Передвижной компрессор

0.78  0.83 шт;  (3.39.)

4. Реконструкция фидеров 10 кВ с целью повышения надежности электроснабжения потребителей

.1 Расстановка секционирующих разъединителей

Разъединители в сети напряжением 10 кВ устанавливаются на магистрали для ограничения длинны участка по 3.5 км , включая ответвления, и на ответвлении его длине более 2.5 км.

.2 Обеспечение потребителей 1 категории надежности электроснабжения

К 1 категории относятся потребители, перерыв в электроснабжении которых может повлечь за собой опасность для жизни людей, значительный ущерб хозяйству, повреждение дорогостоящего оборудования ( для сельского хозяйства - болезнь и гибель животных ) , массовый брак продукции, нарушение сложных технологических процессов и т.п.

Перерыв в электроснабжении потребителей 1 категории от одного из источников допускается только на время автоматического восстановления питания.

Потребители 1 категории могут иметь либо сетевое резервирование от ВЛ, питающихся от другой подстанции 110/10 кВ либо местное резервирование от ВЛ, питающихся от той же подстанции 110/10 кВ.

Местное резервирование выполняется в случае если:

;  (4.40.)

 длины ВЛ 10 кВ, которые необходимо построить для обеспечения сетевого или местного резервирования

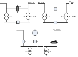
Схема сетевого резервирования Схема местного резервирования

Схема присоединения ТП 10/0.4 кВ, питающих потребителей первой категории:



4.3 Обеспечение потребителей 2 категории надежности электроснабжения

Ко 2 категории относятся потребители, перерыв в электроснабжении которых приводит к массовому недоотпуску продукции, массовым простоям рабочих и механизмов, нарушению нормальной деятельности значительного числа городских и сельских жителей.

Нормируемые показатели надежности электроснабжения потребителей 2 категории:

;  (4.41.)

;  (4.42.)

;  (4.43.)

;  (4.44.)

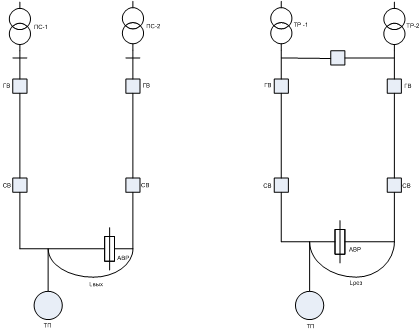
Для потребителей 2 категории с расчетной нагрузкой 120 кВт и более должна применяться схема с двухсторонним питанием:


Допускается присоединение ТП 10/0.4 кВ, питающих потребителей 2 категории по следующим схемам:


Для питания потребителей 2 категории мощностью Р следует принимать друхтрансформаторные подстанции, а при меньшей мощности - однотрансформаторные.

.4 Расстановка секционирующих выключателей

Выбор секционирующих выключателей производят по графику приведенного ниже в зависимости от суммарной длинны  и суммарной нагрузки


Между двумя выключателями суммарная длинна не должна быть более 12 км примерное место размещения устройства автоматического секционирования выбирают между точками, одна из которых делит питание на равные части по суммарной длине, а вторая на равные части по нагрузке.

Заключение

По существу произведенной работы считаю, что для эксплуатации целого района электроснабжения произведены все технические расчеты по потребностям в персонале, технике и ремонтного фонда данного района.

За счет совокупности всех технических и организационных средств руководство проектируемого сетевого района должно качественно выполнять обслуживание и своевременный ремонт электрооборудования, чтобы не допустить перерывов в электроснабжении потребителей и не допустить массовых аварий на участках сети.

Исходя, из выводов работы хочу отметить, что все технические расчеты и оформление работы были произведены по ГОСТам и стандартам оформления документации.

Библиографический список

.        Будзко И.А.,Левин М.С. Электроснабжение сельскохозяйственных предприятий и населенных пунктов. -М.: Агропромиздат,1985.-320с.

.        Пятистолов А.А., Ерошенко Г.П. Эксплуатация электрооборудования.- М.: Агропромиздат, 1990.-287 с.

.        Андриевский В.Н., Голованов А.Т., Зеличенко А.С. Эксплуатация воздушных линий электропередачи.- М.: Энергия, 1976.-616с.

.        Селивахин А.И., Сагутдинов Р.Ш. Эксплуатация электрических распределительных сетей.- М.: 1990.-239с.