Материал: Цифровое реле сопротивления с эллиптической характеристикой срабатывания

Внимание! Если размещение файла нарушает Ваши авторские права, то обязательно сообщите нам

 - статический коэффициент передачи тока в схеме с общим эмиттером;

 - напряжение насыщения БЭ перехода транзистора;


Выберем  по ряду Е24.

.4 Расчет схемы управления выходным реле

Рис. 14. Выходное реле.

В качестве выходных реле используем реле серии RM84. Так как в качестве исто-чника питания используется блок питания напряжением +12 В, то для этого случая удо-влетворяет тип реле 1012.

Основные технические данные реле:

Активное сопротивление обмотки

Номинальная потребляемая мощность

Номинальное напряжение обмотки реле


В качестве усилительного каскада используем транзисторный ключ с транзистором серии КТ315Б.

Его основные технические данные:

Максимальный ток коллектора

Максимальное напряжение эмиттер-коллектор

Статический коэффициент передачи тока

Напряжение насыщения база-эмиттер

Напряжение насыщения коллектор-эмиттер


Найдем номинал резистора R1, исходя из условия насыщения транзистора, включенного по схеме с общим эмиттером:

.

Учитывая что

,

где  - выходное напряжение высокого уровня регистра КР1554ИР22, получим:

,

.

Выберем близкое значение сопротивления из стандартного ряда E24: .

Диод VD1 серии КД424А.

10.5 Расчет цепи светодиодов сигнализации

Рис. 15. Светодиод сигнализации.

В качестве светодиодов сигнализации используем единичные индикаторы серии АЛ307ЛМ красного свечения.

Основные параметры:

Прямой ток на светодиоде

Прямое падение напряжение на светодиоде


Найдем номинал токоограничивающего резистора R45:

,

где  - выходное напряжение низкого уровня регистра КР1554ИР22;

.

Выберем близкое значение сопротивления из стандартного ряда E24: .

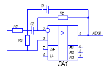
10.6 Расчет активных полосовых фильтров

Рис. 16. Селективный фильтр.

Возьмем в качестве активного ПФ 2-го порядка селективный фильтр. Нам необходимо чтобы наш СФ был прозрачным для сигнала частоты 50Гц, следовательно . Амплитуда выходного сигнала равна:

.

Коэффициент затухания для фильтра Баттерворта 2-го порядка .


Передаточная функция для нашего СФ имеет вид:

;

Параметры , ,  определяются из системы:

;

;

;

Зададимся значениями емкостей конденсаторов


Решая систему уравнений, найдем все сопротивления:

,

,

;

Выберем соответствующие номиналы резисторов из ряда Е24:

,

,

.

Из-за отличия расчетных значений сопротивлений от номиналов резисторов, параметры фильтра изменяются и они равны:

;

;

;

Построим АЧХ и ФЧХ:


Рис. 17 График АЧХ СФ.

Рис. 18 График ФЧХ СФ.

Список использованной литературы

1.      Костерин В.А., Никитин А.А. Однокристальные 8-разрядные микроконтроллеры серии К1816. Учеб. пособие. ЧГУ, Чебоксары, 1997.

2.      Костерин В.А. Микропроцессорные средства и системы: Учеб. пособие. ЧГУ, Чебоксары, 1992.

3.          Буткевич Г. Задачник по электрическим аппаратам. - М.: Высшая школа, 1977

4.      Шнеерсон Э. Проектирование трансформаторных преобразователей тока и напряжения устройств автоматики. Учеб. пособие. ЧГУ, Чебоксары, 1989

.        Шнеерсон Э. Линейные преобразователи аналоговых сигналов в электрических аппаратах автоматики: Учеб. пособие. ЧГУ, Чебоксары, 1990

.        Шнеерсон Э. Нелинейные преобразователи аналоговых сигналов в электрических аппаратах автоматики. Учеб. пособие. ЧГУ, Чебоксары, 1989

7.      Справочник по интегральным микросхемам. ОАО "РНИИ "Электростандарт", 2004.

8.      Никитин А.А. Микропроцессорные реле: Конспект лекций. Чебоксары: Учебный центр "Лидер", 2002