Материал: Цифровое реле сопротивления с эллиптической характеристикой срабатывания

Внимание! Если размещение файла нарушает Ваши авторские права, то обязательно сообщите нам

Аналоговые сигналы, поступающие на входы МПС в виде синусоидального тока, через измерительные трансформатор тока TA1-TA3 и напряжения TV1-TV3, с учетом коэффициента трансформации, подаются на резисторы соответственно. Напряжения с этих резисторов фильтруются активными полосовыми фильтрами с резонансной частотой 50 Гц. Фильтры построены на операционных усилителях DA1- DA6 с многоконтурной обратной связью.

7. Таймеры-счетчики

содержит три 16-разрядных Счетчика/Таймера: Таймер 0, Таймер 1 и Таймер 2. Аппаратура Таймеров-счетчиков включена в состав чипа для того, чтобы освободить микропроцессорное ядро от излишних затрат ресурса, свойственных программной эмуляции процесса счета.

Каждый Таймер-счетчик состоит из двух 8-разрядных регистров THx и TLx (x = 0, 1 и 2). Все три можно сконфигурировать как таймеры, либо как счетчики событий.

В состав ОМК51 входят два 16-разрядиых многорежимных таймеpa/счетчика, каждый из которых состоит из старшего байта (THО или ТН1) и младшего байта (TL0 или TL1). Регистры ТН и TL размещены в области спецрегистров SFR и программно доступны. Каждый из регистров ТН и TL может быть использован как обычный регистр SFR если Т/СТ не работает (бит TR регистра SCON равен "О").

Таймеры/счетчики могут быть независимо друг от друга запрограммированны для работы либо в качестве таймера (Т), либо в качестве счетчик (СТ) внешних событий. Функция Т состоит в счете синхроимпульсов, cледующих с частотой OSC/12 (т.е. в счете числа МЦ ОМКЗГ). в результате чего могут быть заданы интервалы времени в диапазоне от длительности выполнения одного МЦ до длительности выполнения 65536 МЦ. При OSC = 12 МГц этот диапазон составляет 1- 65536 мке с дискретностью 1 мкс.Напомним, что длительность цикла определяется как 12/OSC, где OSC - частота генератора ВЕ51 в МГц. Более длинные задержки задержки времени легко получаются программным путем.


Функция СТ заключается в подсчете внешних событий (счет числа входных импульсов, поступающих на вход ТО или Tl OMK от внешнего источника), причем СТ реагирует на перепад входного сигнала I/O. симальпая частота входных сигналов в режиме СТ составляет OSC/24, для OSC =. 12 МГц составляет 500 КГц. Для гарантированного прочтения входного сигнала он должен удерживаться в состоянии 1 или 0,l крайней мере, в течение одного МЦ.

Таймер/счетчик считает количество входных импульсов до переполнения (т.е. до 65536), после чего сбрасывается в "0" или перезагружается. При переполнении устанавливается флаг TF0 или TF1 (регистр TCON), то может являться источником внутреннего прерывания.

Управленце Т/СТ осуществляется регистрами режима TMOD с адресом 89Н и управления/статуса TCON с адресом 88Н. Эти регистры входят в область RSEG.

Регистр режима ТМОD разбит на две тетрады, младшая из которых управляет Т/СТО, а старшая - Т/СЕ1 (рис. 10)


Назначение разрядов управления Т/СТ следующее:

Значедае бита GATE (TMOD.7 или TMOD.3) служит для разрешения запуска соответствующего Т/СТ. Если GATE=.1} то работа Т/СТ разрешется, если на входе INT=1 и бит TR-1 (рис. 9). Если GATE-0, то при TR=1 работа Т/СТ разрешается при любых значениях сигнала на входе INT.

Значение бита С/Т (TMOD.6 или-ТМООЗ) определяет работу в режиме Т или СТ. При С/Т=0 - работа в режиме таймера с запуском от внутренней схемы синхронизации с частотой OSC/12, при С/Т=1 - работа в режиме СТ с запуском от внешних сигналов на входах.ТО или Т1 (рис.9).

С помощью разрядов Ml и МО задается один из четырех режимов работы: 0, 1,2 или 3. Режимы работы 0, 1 й 2 одинаковы для обоих Т/СТ, которые в этих режимах работают независимо друг от друга. Работа Т/СТО и Т/СТ 1 в режиме 3 различна.

Режим 0 (М1=0, МО=0) подобен режиму работы Т/СТ ОМК48 (рис. 9,а). В данном режиме регистр TL имеет длину 5 бит и служит делителем частоты ла 25= 32. В старший байт ТК предварительно может быть загружено 8-ра.зряд-ное начальное, значение, с которого ьачинается счет. При переполнении регистра ТН флаг ТF регистра TCON устанавливается в состояние "1". Признак ТF может быть опрошен программно либо использован как источник прерывания от Т/СТ. В этом режиме могут быть заданы интервалы времени, - вычисляемые по формуле:

T = [256-(ТН)]*Тмц*32,

где Тмц - длительность МЦ иkи произведен счет внешних сигналов в диапазоне от 1 до 213. Счет разрешается при TR=1 и GATE=0, либо TR-1 и INT=1. Установка GATE-1 позволяет организовать запуск Т/СТ аппаратно по наличию сигнала INT-l (при этом бит TR должен быть равен 1). В этом случае с помощью Т/СТ может быть измерена длительность сигнала на вхо_е запроса прерывания INT.

Режим 1 {М1 = 0, МО = 1) подобен режиму 0, но в нем используется полный 16-разрядный счетчик ТН иТL (рис. 9.а).

Режим 2 (М1 = 1, МО = 0) представляет 8-разрядный Т/СТ с азтопереза-грузкой (рис. 9.б). Начальное значение загружается в регистр ТН, которое переписывается в регистр TL при каждом переполнении последнего, при этом также устанавливается флаг TF. Перезагрузка не меняет содержимое ТН.

Режим 3 (М1 = 1, МО = 1) для СТО и СТ1 осуществляется по-разному. Таймер/счетчик 0 работает как два независимых 8-разрядных счетчика ТНО и TL0 с фиксацией переполнения в разрядах TF1 и TF0 соответственно (рис. 9,в). Работу ТНО, который может выполнять только функции таймера (подсчет МЦ ОМК), определяет управляющий бит TR1 ("1" -запуск ТНО). Регистр TL0 выполняет функцию счетчика или таймера и упрзвляется аналогично режиму 1.

Если Т/СТО настроен на режим 3, то Т/СТ1 может быть запрограммирован на работу в любом из режимов. 0-2, но без установки флага переполнения и генерирования прерывания. В режиме 3 Т/СТ1 остановлен и не работает.

Режим 3 используется тогда, когда требуется наличие дополнительного 8-битного таймера или СТ событий. Можно считать, что в режиме 3 ОМК51 имеет в своём составе три Т/СТ. В том случае, когда Т/СТО используется в режиме 3, Т/СП может быть использован, например, как генератор, задающий скорость передачи последовательного порта или в любом другом применении, не требующем прерывания.

Сигналом сброса RST вае разряды регистра TMOD сбрасываются в "0".

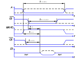
8. Временные диаграммы

Временные диаграммы чтения и записи ОЗУ приведены на рисунках 9 и 10 соответственно.

Рис. 9. Временные диаграммы цикла записи из внешнего ОЗУ.

Рис. 10. Временные диаграммы цикла чтения из внешнего ОЗУ.

Обозначения на диаграммах:- выходное сопротивление при третьем состоянии (высокоомный уровень);

А - значение текущего адреса (уровень логической 1 или логического 0);(WR) - время цикла записи в ОЗУ;(A-WR) - время задержки сигнала записи (WR) относительно адреса;(WR) - длительность сигнала записи (WR);(WR-A) - время задержки сигнала записи (WR) относительно адреса;(DI-WR) - время опережения сигнала записи (WR) сигналом данных;(WR-DI) - время действия сигнала данных для завершения записи;(RD) - время цикла чтения из ОЗУ;(CS)RD - время действия сигнала выбора БИС для завершения записи;- время действия сигнала выбора БИС;(A) - время доступа адреса;(OE) - время действия сигнала разрешения выхода.

9. Расчет нагрузочных способностей БИС

Расчет нагрузочных способностей БИС ведется по двум параметрам: по току и по емкости. Для того чтобы БИС не были перегружены необходимо, чтобы ток на выходе БИС был больше суммы входных токов микросхем, к которым подключен наш вывод. Так же и с емкостью: емкость на выходе БИС больше суммы емкостей по входам микросхем, к которым подключен наш вывод.

Рассчитаем нагрузочную способность портов ЦП и регистров на основании данных помещённых в таблицу 10 и анализа принципиальной схемы МПС.

Таблица 10

Микросхема

 мкА

 мкА

 мА

 мА

 пФ

 пФ

 пФ

 мкА

 мкА

КР1554АП6

0,1

0,1

24

24

50

4,5




КР1554ИР22

0,1

0,1

24

24

50

4,5




КР1554ИД7

0,1

0,1

24

24

50

4,5




КР580ВВ55



0,4

22

100

10

10

10

10

К537РУ17



10



10

10

1

5

ADuC812



0,080

1,6

100

10





Рассчитаем на нагрузочную способность порта P0 ЦП ADuC812

По емкости:

Необходимо чтобы выполнялось условие


По току:

Необходимо чтобы выполнялось условие


Рассчитаем на нагрузочную способность порта P2 ЦП ADuC812

По емкости:

Необходимо чтобы выполнялось условие


По току:

Необходимо чтобы выполнялось условие


Все порты микроконтроллера и регистр нагрузку выдерживают.

10. Расчет элементов схемы

.1 Схема сброса

Сброс МПС осуществляется подачей сигнала, равного "1", на вход RST центрального процессора рис. 11. Для гарантированного сброса ADuC812 этот сигнал должен удерживаться на выходе RST в течение 24 периодов ГТИ (генератора тактовых импульсов).

Время запуска ГТИ зависит от его частоты и для 12 МГц составляет примерно 1 мс. Длительность импульса на выходе RST ЦП определяется постоянной времени RC-цепи.

,

.

Возьмем , тогда

,

.

Этим мы обеспечиваем гарантированный сброс процессора.

Рис. 11. Схема сброса.

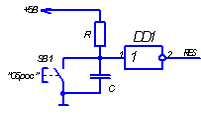
10.2 Расчёт дискретных входов

Рис. 12. Дискретный вход.

Для гальванической развязки дискретных сигналов используем транзисторный оптрон VU серии АОТ128Г.

Исходные данные оптрона:

Напряжение на входах

Прямой ток на светодиоде оптрона

Прямое падение напряжения на светодиоде оптрона

Напряжение насыщения коллектор-эмиттер при


Учитывая исходные данные найдём номинал резистора R3


Выберем наиболее близкое значение сопротивления из стандартного ряда E24: R3=11кОм

Для защиты светодиода оптрона от значительных обратных напряжений, которые могут возникнуть при ошибочном изменении полярностей входных дискретных сигналов, встречно с диодом оптрона подключается выпрямительный диод VD1 серии КД424А.

Для повышения помехоустойчивости схемы от возможных скачков напряжения ставиться конденсатор С ёмкостью 0,1мкФ, шунтирующий светодиод оптрона.

Сопротивление R1 выберем таким образом, чтобы в открытом состоянии по коллектору транзистора оптрона протекал ток в пределах допустимого значения:


Выберем наиболее близкое значение сопротивления из стандартного ряда E24: R1=1кОм

Сопротивление R2 выберем таким образом, чтобы в открытом состоянии по коллектору транзистора оптрона протекал ток в пределах допустимого значения: R2=1кОм.

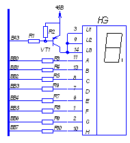
.3 Семисегментные индикаторы

Рис. 13. Семисегментный индикатор.

Семисегментные индикаторы подключены к выходам инверторов. Индикаторы работают в динамическом режиме, зажигаясь поочередно с большой частотой. Глаз человека не успевает следить за быстрыми переключениями и расценивает это как постоянное свечение. Для переключения индикаторов применены транзисторные ключи, в коллекторной цепи которых подключены аноды индикатора. Поочередно подавая сигнал "0" на базу транзисторов VT2-VT7 (КТ501В) можно поочередно включать индикаторы.

Индикаторы АЛС324Б

Прямой ток одного сегмента - 20мА;

Прямое падение напряжение одного сегмента - 2,5В;

Исходные данные:

Прямой ток на сегменте индикатора

Прямое падение напряжения на сегменте индикатора

Выходное напряжение низкого уровня выходов микросхемы КР1554ЛН1

Выходной ток низкого уровня выходов микросхемы КР1554ЛН1


Определим номинал токоограничивающих сопротивлений R3-R10:


где

 - падение напряжения на КЭ переходе;

Выберем  по ряду Е24.

Определим номинал сопротивлений R1 и R2 в цепи базы транзисторов:

 ток коллектора, который потечет при зажигании всех сегментов индикатора;