Материал: 1

Внимание! Если размещение файла нарушает Ваши авторские права, то обязательно сообщите нам

Федеральное Агентство Связи Ордена Трудового Красного Знамени федеральное государственное бюджетное образовательное учреждение высшего образования «Московский технический университет связи и информатики»

Центр заочного обучения по программам бакалавриата

Кафедра Математической кибернетики и информационных технологий

Отчет

Лабораторная работа № 1 по дисциплине «Вычислительная техника»

Тема и название работы: «Триггеры»

Выполнил студент: Синяков К.С.

группы БСТ1853

Москва, 2020

Цель работы: изучение логических возможностей триггерных схем.

Краткие теоретические сведения

Триггер – это запоминающий элемент с двумя устойчивыми состояниями, изменение которых происходит под действием входных сигналов, т.е. он хранит один бит информации (лог. 0 или лог. 1). Схема триггера обеспечивает запись, считывание, стирание и индикацию хранимой двоичной информации.

На основе триггеров строятся функциональные блоки аппаратных средств вычислительной техники: регистры, счетчики, сумматоры и многие другие. Состояние триггера определяется сигналами на прямом Q и инверсном ¯("Q" ) выходах. При положительном кодировании информации высокий уровень напряжения на прямом выходе отображает значение лог. 1 (состояние Q = 1), а низкий уровень – значение лог. 0 (состояние Q = 0).

Изменение состояния триггера (его переключение) обеспечивается внешними сигналами.

В соответствии с логикой функционирования различают триггеры: с раздельной установкой «0» и «1», с одним информационным входом, со счётным входом, универсальные с раздельной установкой состояний «0» и «1» и др.

Входы триггеров разделяются на информационные (для приёма сигналов запоминаемой информации) и управляющие (для управления записью информации). К управляющим относятся: синхронизирующий (тактовый) сигнал и разрешающий сигнал.

По способу записи (приёма) информации различают асинхронные и синхронные (тактируемые) триггеры. Триггеры, не имеющие входа для синхронизирующего сигнала, называются асинхронными, запись информации в них производится в любой момент времени при поступлении сигналов на информационные входы. В синхронном триггере запись информации возможна при совпадении сигналов на информационном и синхронном входе, что делает их более помехоустойчивыми.

В зависимости от количества тактовых сигналов, необходимых для формирования нового состояния, различают однотактные, двухтактные и многотактные триггеры.

По способу управления записью (моменту реакции на тактовый сигнал) выделяют синхронные триггеры со статическим (по уровню), динамическим (по фронтам) и двухступенчатым управлением. В первых запись информации возможна только в течение длительности тактового сигнала. Во-вторых, разрешение на запись информации даётся только в момент перепада тактового сигнала от нуля к единице (прямой динамический вход) и от единицы к нулю (инверсный динамический вход). В другие моменты времени он не реагирует на входные информационные сигналы независимо от уровня тактового импульса.

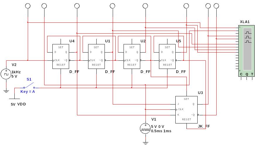
Исследование D-триггера

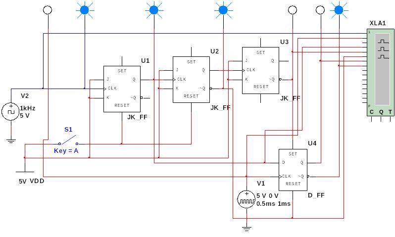
Исследование JK-триггера

Вывод

В ходе этой лабораторной работы мы исследовали работу триггеров и по временным диаграммам сделали вывод, что эксперимент сходится с теорией.