МИНИСТЕРСТВО КУЛЬТУРЫ РОССИЙСКОЙ ФЕДЕРАЦИИ
ФЕДЕРАЛЬНОЕ ГОСУДАРСТВЕННОЕ ОБРАЗОВАТЕЛЬНОЕ УЧРЕЖДЕНИЕ
ВЫСШЕГО ПРОФЕССИОНАЛЬНОГО ОБРАЗОВАНИЯ
«САНКТ-ПЕТЕРБУРГСКИЙ ГОСУДАРСТВЕННЫЙ УНИВЕРСИТЕТ КИНО И ТЕЛЕВИДЕНИЯ»
Факультет аудиовизуальной техники
Кафедра
технической электроники
Курсовой проект
по дисциплине
«Автоматические системы звукотехнической аппаратуры»
Тема
«Блок управления бесколлекторным микродвигателем оптического диска»
Санкт-Петербург
2015 г
Введение
бесколлекторный микродвигатель оптический диск
Целью курсового проекта по дисциплине «Автоматические системы звукотехнической аппаратуры» на тему «Блок управления бесколлекторным микродвигателем оптического диска» является развитие навыков самостоятельной работы при решении вопросов анализа и синтеза процессов, происходящих в лазерных считывающих устройствах.
Решаемые при курсовом проектировании вопросы обеспечат закрепление знаний, полученных в процессе изучения дисциплины, знаний, связанных с практической реализацией процесса считывания цифровой информации с оптических дисков.
Формирование высокого качества изображения электронного кинематографа требует постоянного совершенствования лазерных считывающих устройств (ЛСУ), изучения СD и DVD-проигрывателей.
Эти устройства кроме узлов цифровой обработки информационных сигналов содержат и ряд сложных автоматических систем, изучению которых и посвящено данное курсовое проектирование.
В проекте излагаются основы теории управления современными бесколлекторными микродвигателями постоянного тока. Такие двигатели широко используются в качестве привода оптических дисков в лазерных считывающих устройствах (ЛСУ), видеопроекторах, компьютерах и др. Применение бесколлекторных микродвигателей, благодаря их бесшумной работе и высокой надежности, является определяющим при разработке современной бытовой и профессиональной звукотехнической аппаратуры.
В задачу проекта входит расчет основных
функциональных узлов блока управления микродвигателем.
Анализ технического задания и описание
структурной схемы блока управления
Техническое задание
а) Тема проекта - Блок управления бесколлекторным микродвигателем оптического диска.
б) Область использования - отдельный функциональный узел в составе CD-и DVD-проигрывателей;
в) Основные технические характеристики - UП = (12-18) В;= (1,0-3,0)А, МH = (0,3-1,5)Н·см, n = (500-200) об/мин
г) Условия эксплуатации - в закрытом корпусе, t=(+5...+50)°C.
д) Состав проекта - пояснительная записка (18-20) стр. текста на компьютере и графическая часть (компоновка элементов конструкции блока и принципиальная схема блока) формат А4, А2,
е) Перечень расчетного материала: расчетные соотношения исполнительного двигателя, расчет транзисторных ключей, шунтирующих диодов, согласующего устройства узла защиты от перегрева.
Описание структурной схемы блока управления
Структурная схема блока управления (БУМ) изображена на рис. 1.1.
Напряжение питания блока +UП к фазным обмоткам двигателя полается через трехфазный мостовой усилитель, выполняющий функции электронного коммутатора К. С помощью К осуществляется периодическое подключение обмоток двигателя к источнику питания. Коммутатор выполняет функцию коллектора двигателя. Сигнал для управления коммутатором поступает с магнитоуправляемого датчика положения ротора (ДП). Появление этого сигнала определяется пространственным расположением полюсов ротора Р. Штриховая линия на рис. 1.1 обозначает такую магнитную связь.
Сигнал с ДП проходит через усилительно-преобразовательное устройство (УПУ), переключатель направления вращения FR, узел логики формирования Ф сигналов для работы К.
В состав ДП входят три чувствительных элемента
(датчика) Холла DС, DА, DB со своим источником питания ИПДХ.
Рис. 1.1. Структурная схема блока
управления микродвигателем диска
Элементная база БУМ смешанная -
дискретные элементы и ИМС. - шунтирующие вентили, исключающие появление
перенапряжений на транзисторах К. На рис. 1.1 не показаны электронные элементы
на которые воздействуют сигналы управления Uу.
Оптический диск
Для формирования алгоритма функционирования всех узлов ЛСУ, в том числе и рассматриваемого блока управления исполнительным микродвигателем, необходимо знать формат цифровой звукозаписи системы компакт-диска.
Достоинством компакт-диска является большая информационная емкость, доступность, удобство эксплуатации, малые размеры [3, 6, 9].
Компакт-диск как объект регулирования диаметром 120 мм, толщиной 1,2 мм и весом 15 г выполнен из прозрачного пластика - полистирола и через специальную вращательную платформу насаживается на вал ВД. Конструкция, размеры и другие характеристики диска, рис. 2.1, определены международным стандартом и не могут быть изменены произвольно.
Вся поверхность диска разделена на 3
зоны. Записанный сигнал располагается в зоне программы. С вращательной головкой
ВД диск контактирует через зону прижима. Информация диска располагается на
рельефной информационной дорожке в виде отдельных углублений - питов.
Рис. 2.1. Геометрические
характеристики компакт-диска (а), его поперечное сечение (б)
Исходные данные:
Минимальный размер пита Тп мин = 0,875 мкм
Размер дорожки, занимаемой одним битом информации lб = 0,29 мкм
Радиус считывания R = 0,0335 м
Радиус внешней границы программы Rмакс = 5,8 см
Радиус внутренней границы программы Rмин = 2,3 см
Шаг дорожки tш = 1,6 мкм
Общая длина спиральной дорожки
равна:
lД = π·(Rмакс2 -
Rмин2)/tш = 3,14·(0,0582 - 0,0232)/(1,6×10-6) = 5,5103 м
Рельефная спиральная дорожка диска содержит звуковой сигнал в цифровой форме.
Для записи цифрового сигнала на диск используется информационная линейка пиитов Тп: 0,87; 1,16; 1,45; 1,74; 2,02; 2,31; 2,60; 2,89; 3,18 мкм [3].
По исходным данным минимальная длина
пита Тп мин = 0,845 мкм. Она заключает в себе три канальные единицы кода EFM -
три бита. Один бит информации соответствует длине дорожки:
lб = Тп мин/3 = 0,29 мкм.
Информация на дорожке группируется в
кадры [3]. Каждый кадр состоит из Nбит = 588 бит и считывается с диска с
частотой следования кадров Fк = 7,35 Гц. Таким образом битовая скорость Vб или
цифровой поток, считываемый ежесекундно с диска равен:
Vб = Fк×Nбит = 7,35×103×588 = 4,32×106 бит/с
Так как для считывания 1 бита требуется 1 период тактовой частоты, то битовая скорость цифрового потока соответствует значению тактовой частоты fт = 4,32×106 Гц.
Период таковой частоты равен:
Т = 1/fт = 1/4,32×106 = 0,23×10-6 с.
Знаю общую длину дорожки lД и размер
дорожки, соответствующий одному биту информации lб, получим значение
информационной емкости диска:
И = lД/lб = 5,5·103/0,00000029 = 19×109 бит
Для воспроизведения такого объема
информации с диска, при том, что каждый бит считывается за время одного такта
Т, требуется время:
tД = И×Т = 19×109×0,23×10-6 = 4,416×103 с =
73,60 мин
При известных значениях цифрового
потока, ежесекундно считываемого с диска (П, бит/с) и известных размерах бита
(lб , мкм) линейная скорость транспортирования информационной дорожки
относительно считывающего пятна равна:
Vл = П×lб = 4,32×106×0,29×10-6 = 1,26
м/с
Эта скорость дорожки должна
оставаться постоянной, независимо от радиуса R считывания:
Vл = Ω×R = const.
Считывание начинается от центра к
краю диска. В этом случае радиус считывания меняется от Rмин = 2,3 см до Rмакс
= 5,8 см. Следовательно, для того, чтобы обеспечить постоянную линейную
скорость в соответствии с Vл = Ω×R = const, нужно при считывании менять угловую
скорость диска от Ω500 в начале считывания до Ω200 в конце
считывания, где
Ω500 = Vл/Rмин = 1,26/0,023 = 55 рад/с;
Ω200 = Vл/Rмакс = 1,26/0,058 =
22 рад/с;
Эти значение угловой скорости
соответствует максимальному и минимальному числу оборотов диска:
nмакс = 60×Ω500/2×π = 60×55/2×3,14 = 523
об/мин » 500
об/мин;мин = 60×Ω200/2×π = 60×22/2×3,14 = 208
об/мин » 200 об/мин.
При воспроизведении кадры на дорожке
объединяются в блоки, по 98 кадров в каждом блоке. Частота следования таких
блоков:
Fбл = Vб/(Nбит×98) = 4,32×106/(588×98) = 75 Гц
Сигналы этой частоты используются для работы схемы регулятора скорости диска.
Для любого диска при записи и воспроизведении остаются неизменными тактовая частота f1, структура построения кадра и другие параметры формата цифровой звукозаписи.
Однако при изготовлении диска минимальный размер пита Тп.мин информационной линейки длин питов может в ограниченных пределах изменяться. Такое изменение связано с необходимостью разместить записываемую программу в пределах программной зоны диска. Это приводит к изменению линейной скорости считывания Vл (м/с), изменению времени воспроизведения tД(мин), угловой скорости Ω (рад/с), скорости и частоты вращения диска n (об/мин).
Расчетные данные сведены в табл.
2.1.
Таблица 2.1
Тп
мин
lб
R
tД
Vл
Ω500
Ω200
nмакс
nмин
И
мкм
мкм
м
мин
м/с
рад/с
об/мин
бит
0,8750,290,033573,601,2655
20019×109
Формат цифровой звукозаписи системы компакт -
диск определяет алгоритм функционирования всех узлов блока.
В процессе развития накопителей на оптических
дисках разработан целый ряд основных форматов записи информации на CD.
Формат CD-DA (Digital Audio) - цифровой
аудио-компакт диск со временем звучания 74 мин.
Формат ISO 9660 - наиболее распространенный
стандарт логической организации данных.
Формат High Sierra (HSG) предложен в 1995,г. и
обеспечивает чтение данных, записанных на диск в формате ISO 9660, с помощью
приводов всех типов, что привело к широкому тиражированию программ на CD и
способствовало созданию компакт-дисков, ориентированных на различные
операционные системы.
Формат Photo-CD разработан в 1990- 1992 гг. и
предназначен для записи на CD, хранения и воспроизведения статической
видеоинформации в виде высококачественных фотоизображений. Диск формата
Photo-CD вмещает от 100 до 800 фотоизображений соответствующих разрешений -
2048 х 3072 и 256 х 384, а также сохраняет звуковую информацию.
Любой диск CD-ROM, содержащий текст и
графические данные, аудио- или видеоинформацию, относится к категории
мультимедиа. Мультимедиа CD существуют в различных форматах для различных
операционных систем: DOS, Windows, OS/2, UNIX, Macintosh.
Формат CD-I (Jntractive) разработан для широкого
круга пользователей как стандарт мультимедийного диска, содержащего различную
текстовую, графическую, аудио- и видеоинформацию. Диск формата CD-I позволяет
хранить видеоизображение со звуковым сопровождением (стерео) и длительностью
воспроизведения до 20 мин.
Формат CD-DV (Digital Video) обеспечивает запись
и хранение высококачественного видеоизображения со стереозвуком в течение 74
мин. При хранении обеспечивается сжатие по методу MPEG-1 (Motion Picture Expert
Group).
Узел прижима оптического диска
Такой узел служит для сочленения ведущего вала
двигателя ВД с диском и передачи вращательного момента от двигателя к диску. На
рисунке 2.2 показан вариант такого узла, применяемого в ЛСУ.
Рисунок 2.2. Узел прижима оптического диска
На вал двигателя насаживается вращательная
платформа. Сцепление диска с платформой происходит через зону прижима диска.
Прижимается диск к платформе силой F через специальную металлическую прижимную
шайбу. Усилие F развивается кольцевым магнитом N-S, который размещается внутри
вращательной платформы.
В процессе эксплуатации осуществляется юстировка
высоты а вращательной платформы.
Принципиальная схема и расчет отдельных узлов
блока
Ведущий микродвигатель диска ВД
Описание узла
Для выпускаемой и вновь разрабатываемой
звукотехнической цифровой аппаратуры является актуальным применение
бесколлекторных микродвигателей постоянного тока (БДПТ). Это связано с их
высокой надежностью, малым уровнем шумов, приемлемыми массогабаритными
характеристиками. Такие двигатели успешно применяются в видеомагнитофонах,
проигрывателях оптических дисков, видеопроекторах и др. Они обладают плавностью
хода, более чем десятикратным увеличением срока службы по сравнению с
коллекторными микродвигателями.
В состав БДПТ входят датчики положения ротора
(ДП). Для функционирования двигателя требуется электронный коммутатор (К),
который по сигналам от ДП подключает соответствующие обмотки к источнику
электропитания постоянного тока [4, 6]. Требуемая скорость вращения
обеспечивается определенной долей напряжения питания UП. Для этого служит дополнительный
сигнал управления UУ, который вырабатывается сумматорами, частотными и фазовыми
дискриминаторами, широтно-импульсными модуляторами (ШИМ), ограничителями тока и
совместно с сигналами от ДП воздействует на выходные транзисторы коммутатора.
Бесколлекторные двигатели имеют инверсное
исполнение, т.е. обмотки якоря располагаются на неподвижном статоре, а ротор
представляет собой постоянный магнит.
В современной аудиовизуальной технике получили
распространение бесколлекторные микродвигатели постоянного тока БДПТ с тремя
обмотками, соединенными звездой, и ротором Р с одной парой полюсов, рис. 3.1.
Встречаются двигатели с двумя и тремя парами полюсов.
Типовыми параметрами таких двигателей являются:
напряжение питания UП = (3-40) В;
мощность на валу (0,1-50) Вт;
частота вращения (200-6000) об/мин.
Рис. 3.1. Инверсная схема исполнения
бесколлекторных микродвигателей - а. б, структура их построения - в
Рассматриваемые двигатели можно
отнести к группе синхронных микродвигателей, применяющихся в системах
автоматики. По способу соединения обмоток эти двигатели иногда называют
трехфазными по аналогии с асинхронными двигателями. Ротор таких двигателей
всегда вращается синхронно со скоростью, равной частоте вращения поля статора. Увеличивая
число пар полюсов (p=l, р=2,…) можно уменьшить частоту вращения БДПТ, сделать
двигатель тихоходным.
Условия работы и параметры
исполнительного двигателя диска
Условия работы двигателя
определяются технологическим процессом считывания цифровой информации с диска.
В соответствии с существующим
стандартом при считывании сигналов с диска должна быть обеспечена постоянная
линейная скорость Vл информационной дорожки при меняющейся скорости по
определенному закону угловой скорости Ω.
Можно выделить два характерных
режима работы двигателя в лазерном считывающем устройстве.
А) Режим «Начало считывания».
В этом режиме частота вращения
двигателя nмакс, угловая скорость Ω500 и напряжение на фазных обмотка
U0500 - максимальны. Частота вращения диска в этом режиме nмакс = 500 об/мин.
Б) Режим «Окончание считывания».
В этом режиме частота вращения
двигателя nмин, угловая скорость Ω200 и напряжение на фазных обмотка
U0200 - минимальны. Частота вращения диска в этом режиме nмин = 200 об/мин.
Определим расчетные соотношения,
характеризующие работу бесколлекторного исполнительного микродвигателя ЛСУ.
Расчет выполним на основании данных
своего варианта (табл. 3.1 м.п.) при заданном значении напряжения фазной
обмотки в режиме НС U0500 = 5,4 B и электромагнитной постоянной обмотки ТЭ =
18·10-5с. Определим граничную частоту fГ [Гц] следования управляющих импульсов,
при которой ток фазных обмоток будет непрерывным.
При решении воспользуемся следующими
известными данными:
МН1 = 0,3 Н·см, момент нагрузки;П =
2 Н·см, пусковой момент в режиме НС;
ТМ = 0,025 с, электромеханическая
постоянная времени;= 0,30 А, ток фазной обмотки;макс = 500 об/мин, nмин = 200
об/мин, максимальная и минимальная частоты вращения двигателя соответственно,
режиме НС и режиме ОС.
. Угловая скорость двигателя в
режиме НС, при n = 500 об/мин
Ω500 = 2πn/60 = 2π·500/60 =
52,36 рад/с.
2. Угловая скорость двигателя в режиме ОС, при n
= 200 об/мин
Ω200 = 2πn/60 = 2π·200/60 =
20,94 рад/с.
3. Угловая скорость холостого хода в
режиме НС
Ω500XX = Ω500·M500П/(M500П-M500H1)
= 52,36·2/(2-0,3) = 61,6 рад/с »
60 рад/с
4. Конструктивный коэффициент
двигателя, который определяет обратную ЭДС на фазных обмотках двигателя
CE = U0500/Ω500XX = 5,4/60 =
0,090 В·с/рад.
5. Активное сопротивление фазной
обмотки
обм =
(U0500-CE·Ω500)/I0 = (5,4-0,090·52,36)/0,3 = 2,29 Ом.
6. Коэффициент передачи двигателя по
возмущению МН
kM = Ω500XX/MП = 60/2 = 30
рад/(Н·см·с).
7. Коэффициент передачи двигателя по
напряжению питания U0 обмотки
kИ = Ω500XX/U0500 = 60/5,4 =
11,1 рад/(В·с).
8. Напряжение на обмотке двигателя в
режиме ОС при n = 200 об/мин
U0200 = (Ω200+kM·MH1)/kИ =
(20,94+30·0,3)/11,1 = 2,7 B.
. Пусковой момент двигателя в режиме
ОС
MП200 = kИ·U0200/kM = 11,1·2,7/30 =
1,0 Н·см.
10. Угловая скорость холостого хода
в режиме ОС
Ω200XX = Ω200·MП200/(MП200-MH1)
= 20,94·1,0/(1,0-0,3) = 29,94 рад/с »
30 рад/с
Расчетные данные сведены в табл.
3.1.
Таблица 3.1
Ω500
Ω200
Ω500XX
CE
Rобм
kM
kн
U0200
MП200
Ω200XX
fГ
рад/с
рад/с
рад/с
В·с/рад
Ом
рад/(Н·см·с)
рад/(В·с)
В
Н·см
рад/с
Гц
52,3620,94600,0902,293011,12,71,0301210
По данным табл. 3.1 строим механические
характеристики, рис. 3.2.
Рис. 3.2. Расчетные механические
характеристики Ω = f(M)
Управление микродвигателем. Импульсный режим
Управление частотой вращения бесколлекторного
двигателя осуществляется путем изменения напряжения на фазных обмотках.
В настоящее время в основном используется
импульсный метод управления частотой вращения и электромагнитным моментом
двигателя. Для этого на коммутатор К. кроме напряжения питания UП, подается
сигнал UУ, с широтно-импульсной модуляцией, рис. 3.3.
Рис. 3.3. Импульсное управление бесколлекторным
двигателем
Изменяя относительную длительность управляющих
импульсов g, можно изменять среднее значение напряжения на
обмотках U0:
U0 = g×UП,
следовательно, регулировать частоту вращения n
об/мин.
Так как частота управляющих импульсов f = 1/Т,
поступающих на К, может быть достаточно высокой, то индуктивность фазных
обмоток двигателя будет влиять на форму импульсов тока, протекающих через
обмотки. Поэтому процессы в двигателе при регулировании скорости необходимо
исследовать с учетом электромагнитной постоянной обмотки Тэ и периода
следования управляющих импульсов Т.
На рисунке 3.4 показаны временные диаграммы БДПТ
в импульсном режиме. Управляющий сигнал UУ формирует прямоугольные импульсы,
прикладываемые к обмоткам двигателя, рис. 3.4. а.
Рис. 3.4. Импульсный режим работы двигателя не
зашунтированного диодом - а, б, в, механические характеристики - г
Если период следования импульсов Т достаточно
большой по сравнению с Тэ (Тэ << Т), то ток iн обмотки, рис. 3.4. б за
время импульса tи успевает достигнуть максимального значения IП, а после
окончания импульса, практически мгновенно уменьшается до нуля. Ток обмотки
прерывистый. Среднее значение этого тока:
Iср = Iп×g.
Угловая скорость Ω носит колебательный
характер, рис. 3.4.в. Колебания скорости DΩ
определяются выражением
DΩ = (Мн×Т)/J,
гдеJ - момент инерции вращающихся частей
двигателя.
Механическая характеристика при прерывистом токе
в обмотках двигателя становится «мягкой», рис. 3.4. г. «Мягкие» характеристики
затрудняют работу системы автоматического регулирования угловой скорости
исполнительного двигателя.
Импульсный метод управления микродвигателем
имеет целый ряд преимуществ. Основное из них это уменьшение мощности потерь на
транзисторных ключах, которые входят в состав коммутатора.
Вместе с тем, при импульсном режиме на
коллекторном переходе транзисторных ключей появляется перенапряжение uк из-за
активно-индуктивного характера нагрузки, рисунок 3.5. а. Последовательно с
каждым транзистором включена обмотка двигателя, которая носит
активно-индуктивный характер Lн - rн, где Lн - индуктивность фазной обмотки, rн
- активное сопротивление обмотки.
При периодическом закрывании транзисторного ключа
ток iн быстро убывает, при этом наводится ЭДС самоиндукции eL, которая
суммируется с напряжением питания UП. К транзистору оказывается приложена сумма
напряжений:
uк = UП + eL.
Это напряжение может оказаться выше предельно
допустимого, и транзистор выйдет из строя. Поэтому на практике
активно-индуктивную нагрузку всегда шунтируют вентилем VD, рис. 3.5. б. В этом
случае возникающая ЭДС самоиндукции замыкается через диод VD и напряжение на
транзисторе не превышает значения напряжения питания, uк »
UП.
Подключение шунтирующего диода VD параллельно
фазным обмоткам не только устраняет перенапряжение на транзисторах, но также
обеспечивает высокую экономичность схемы. Электромагнитная энергия, запасенная
в цепи обмотки во время действия импульса tи, не теряется, а поддерживает ток
обмотки и вращательный момент двигателя в режиме паузы tп.
Рис. 3.5. Появление перенапряжения на
транзисторном ключе при импульсном режиме работы
На основании математического анализа процессов, протекающих
в схеме двигателя в импульсном режиме работы при наличии шунтирующего диода,
построены временные диаграммы, рисунок 3.6. На диаграммах видно, как изменяется
ток в нагрузке (обмотке) двигателя при различных соотношениях между Тэ и Т. Из
рисунка следует: ток нагрузки становится непрерывным при соизмеримых значениях
Тэ и Т, и тем более при Тэ << Т, рис. 3.6. г.
Рис. 3.6. Импульсный режим работы двигателя с
шунтирующим диодом
Граничная частота следования управляющих
импульсов
Токи в в обмотках двигателя при импульсном
режиме становятся непрерывными, если Тэ и Т связаны между собой соотношением:
Тэ ≥ 0,43(1 - g)Т.
Для выбранного двигателя значение Тэ
= 16·10-5с - известно (задано в исх. данных).
Задаваясь средним значением g = 0,5, находим минимальное
значение периода следования частоты управляющих импульсов Т = Тмин, или
граничную частоту fг, при которой ток в фазных обмотках становится непрерывным.
Рассчитаем минимальный период
следования импульсов Тмин, и граничную частоту fГ:
Тмин = [2,3/(1-γ)]·TЭ =
[2,3/(1-0,5)]·18·10-5 = 82,8×10-5
с;Г = 1/Тмин = 1/0,000828 ≈ 1210 Гц.
Обычно частоту следования
управляющих импульсов выбирают больше граничной, f = (1,5 - 2,0)fг.
Выбираем частоту следования
управляющих импульсов
f ≈ 1,5·fГ = 1,5·1210 = 1815Гц
≈ 2000 Гц.
Если фазные обмотки БДТП
зашунтировать диодами и выполнить условие fГ = 1/Тмин, Тмин = [2,3/(1-γ)]·TЭ, то
ток в цепи обмотки станет непрерывным, рис. 3.6. в, г, а механические
характеристики - «жесткими». Из-за интегрирующих свойств двигателя практически
исчезают колебания угловой скорости. При импульсном режиме работы двигателя и
непрерывном токе в обмотках, регулирование скорости по-прежнему осуществляется
изменением относительной длительности импульсов g.
Выходной каскад блока управления
Описание узла
Выходной каскад выполнен в виде
трехфазной мостовой схемы на транзисторных ключах VT1-VT6, рис. 3.7. Он
выполняет функции коммутатора ведущего двигателя ВД диска.
Такой вариант схемы каскада
позволяет наиболее простым способом управлять двигателем ВД; регулировать
скорость, осуществлять реверс, производить пуск и остановку. Коммутация
осуществляется переключением обмоток (фаз) двигателя по сигналам датчика
положения ДП. Эти сигналы формируются на выходе Ф (+С-С+А-А+В-В). Работа
выходного каскада состоит из 6 тактов.
В соответствии с сигналами uA, uC,
uB, поступающими от ДП, осуществляется переключение транзисторов VT1-VT6 и
фазных обмоток ВД. В каждом такте к источнику питания +UП подключается
последовательная цепочка, состоящая из двух обмоток и двух транзисторов.
Управление скоростью вращения
двигателя осуществляется с помощью широтно-модулированных импульсов управления
UУ. Эют сигнал поступает на базы транзисторных ключей VT1, VT2, VT3 через
ограничительные резисторы R6, R7, R8 от ШИМ. Сигналы управления поступают
одновременно на все три транзистора, но открывается только тот, на который с
выхода Ф подается разрешающий положительный сигнал коммутации.
Вентили VD1, VD2. VD3 служат для
гальванической развязки сигнала Uy и сигналов, поступающих с выхода Ф.
Резисторы R3, R4, R5 - ограничительные.
Рис. 3.7. Выходной каскад блока
управления
Расчет узла
На основании данных своего варианта
(табл. 4.1 м.п.) рассчитаем выходной каскад блока управления и ИУ на базе
эмиттерных повторителей (рис. 3.7).П = 14,5 В - напряжение питания БДПТ,= 0,84
А - ток двигателя, потребляемый от источника питания,КЭ = 1,5 B - напряжение
насыщения транзисторных ключей.
. Для мостовой трехфазной схемы (m =
3) ток фазной обмотки
I0 = IН/m = 0,84/3 = 0,28 А.
2. Мощность фазной обмотки
Р0 = I0·U0500 = 0,28·5,4 = 1,51 Вт,
где U0500 = 5,4 В - напряжение
фазной обмотки в режиме НС (см. п.3.1.2).
. В соответствии с (4.4 м.п.)
выбираем мощность, рассеиваемую на транзисторном ключе коммутатора.
РК.расс = 0,1·Р0 = 0,1·1,51 = 0,15
Вт.
4. Максимальное значение тока
обмотки при пуске
/max = (UП-2UКЭ)/(2R0)
= (14,5-2·1,5)/(2·2,29) = 2,51 А.
5. Выбираем транзистор VT1 - VT6 -
КТ802А, у которого
РК.макс = 50 Вт > РК.расс = 0,15
Вт,К.макс = 60 В > UП = 14,5 В,К.макс = 3,5 А > I0.макс = 2,51 A.
6. Значение тока базы каждого из
транзисторных ключей в режиме насыщения с учетом вводимого коэффициента запаса
q = 1,2:
ITKБ = I0.макс/h21Э = 2,51 ·1,2/15 =
0,20 А.
На выходе Ф, рис. 3.3, помощью ЛЭ
DD1-DD6 формируются управляющие импульсы с параметрами: UвыхФ = 10 В, при токе
нагрузки IвыхФ=5мA. Ток нагрузки IвыхФ=5мA меньше требуемого значения гока базы
транзисторного ключа ITKБ = 0,20 А. Поэтому необходим согласующий импульсный
усилитель ИУ на базе эмиттерных повторителей ЭП (VT7, VT8, VT9).Причем
согласуются не только токи или нагрузка, но и полярность сигналов IвыхФ и ITKБ.
Для согласования токов IвыхФ и ITKБ устанавливаются по одному ЭП на каждый
транзисторный ключ (VT7 -VT9). Согласование токов верхней группы транзисторных
ключей (VT1 - VT3) осуществляется при расчете ШИМ.
. Эмиттерные повторители VT7, VT8,
VT9 выполняются на транзисторах КТ646А, с параметрами
РК.макс = 0,50 Вт,К.макс = 60 В >
UП2 = 12,0 В,К.макс = 1 А > ITKБ = 0,2 A,Э = (40-200),
где UП2 = 12 В - напряжение питания
ЭП.
Параметры всех трех согласующих ЭП
идентичны.
. Выбор ограничительных резисторов
(R3 = R4 = R5)
R3 = UП2/ITKБ = 12/0,2 = 60,0 Ом.
Принимаем номинальное значение из
ряда Е24 с допуском 5% R3 = 62Ом.
. Токи базы ЭП (IVT7Б, IVT8Б,
IVT9Б).
Б = ITKБ·q/h21Э
= 0,2·1,2/100 = 0,00241 A = 2,41 мА < IвыхФ=5
мA.
10. Выбор ограничительных резисторов
(R9 = R10 = R11)
R9 = UвыхФ/IVT7Б = 10/0,00241 = 4200
Ом.
Принимаем номинальное значение из
ряда Е24 с допуском 5% R9 = 4,3 кОм.
. Выбор сопротивления в цепи
эмиттеров (R12 = R13 = R14)
Нагрузкой эмиттерных повторителей
является низкоомная базовая цепь ключей VT4 - VT6. Значение R12 выбирают такого
же порядка.
Выбираем R12 = 200 Ом.
. Выбор шунтирующих диодов VD4 -
VD9.
Выбираем диод КД213 с параметрами:
обр.макс = 100 В > UП = 14,5 В,
Iпр.макс
= 10 A > I0.макс
= 2,51 A.
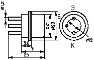
Габаритные чертежи корпусов КТ802,
КТ646А, КД208 показаны на рис. 3.8.
КТ
802
КТ646А
КД213
Рис. 3.8. Габаритные чертежи и
расположение выводов
Датчик положения ротора
В состав датчика положения ДП входят
три чувствительных элемента - датчики Холла DC, DA, DB, ограничительные
резисторы R1, R2 и стабилизированный источник питания датчиков Холла ИПДХ,
рисунок 3.9. а.
Рис.3.9. Датчик положения ротора
БДПТ - а, сигнал на выходе ДП в зависимости от положения полюсов - б
ДП определяет момент и последовательность
коммутации тока в фазных обмотках ВД. Является дискретным логическим элементом
и располагается непосредственно под обмотками двигателя.
На выходы 1, 2 датчиков Холла ДХ
подается постоянное напряжение UДХ от ИПДХ. Резисторы R1, R2 ограничивают ток
IУП, протекающий через ДХ. Значение управляющего тока IУП для различных
вариантов ДХ составляет (3 - 100) мА.
С выводов 3,4 снимаются импульсы
разной полярности u3, u4 в зависимости от положения полюсов магнита ротора (N
или S), рис. 3.9.б.
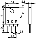
Рис. 3.10. Датчик Холла - а,
выходная характеристика - б, схема компенсации остаточного напряжения - в
Каждый элемент Холла размещается в
герметичном корпусе с четырьмя выводами, рис. 3.10, а. Из выходной
характеристики элемента Холла, рис. 3.10. б видно, что ДХ обладает остаточным
напряжением uост при отсутствии магнитного поля, В = 0. Чтобы избавиться от
остаточного напряжения применяют схемотехническое решение, рис. 3.10, в.
Одним из положительных свойств
датчиков Холла является то обстоятельство, что они вырабатывают сигнал только
по положению. На сигнал датчика не влияет скорость вращения ротора.
С помощью переменного резистора R,
рисунок 3.10, в осуществляют настройку ДП, добиваясь такого состояния, при
котором uост = 0.
Рассчитаем параметрический
стабилизатор напряжения с коэффициентом стабилизации kст ≥ 10 при
колебании входного напряжения в пределах ± 10% для работы датчиков Холла на
кремниевом стабилитроне типа Д814 с параметрами Uст = 8В, Iст мин = 3 мА, Iст
макс = 30 мА, динамическое сопротивление rД = 10 Ом, рисунок 3.11.
Зададимся ток стабилитрона в
номинальном режиме Iст = 15 мА.
Ток нагрузки IУПS = 9 мА - по исходным данным.
Рис. 3.11. Параметрический
стабилизатор на стабилитроне для работы датчиков Холла
Стабилизатор состоит из нелинейного
сопротивления - кремниевого стабилитрона VD и балластного сопротивления Rб.
На выходе схемы включены три
элемента Холла DA, DB, DС с суммарным током нагрузки IУПS = 3×IУП = 9 мА.
Входное сопротивление элемента Холла
Rвх = 240 Ом.
Для работы ДХ требуется напряжение
питания UДХ = Uст = 8 В.
Задаемся током стабилизации Iст » 0,5I ст макс = 0,5×30 = 15 мА.
Зададимся падением напряжения на Rб
URб = Uст = 8 В.
Суммарный ток, протекающий через
резистор Rб равен:
I0 = Iст + IУПS = 15 + 9 = 24 мА.
Балластное сопротивление Rб = URб/I0
= 8/0,024 = 333 Ом.
Напряжение на входе стабилизатора
равно:
Uвх = URб + Uст = 8 + 8 = 16 В ±
10%.
Результирующее сопротивление трех
элементов Холла, включенных параллельно, равно:’н = Rвх/3 = 240/3 = 80 Ом.
Ограничительные резисторы R1+ R2
равны:
+ R2 = (Uст/
IУПS) - R’н
= (8/0,009) - 80 = 809 Ом
Выбираем R1 = R2 = 809 /2 = 404 Ом.
Коэффициент стабилизации:
ст = (Uст/Uвх)×(Rб/rД)
= (8/16)×(333/10)
= 16,7 > 10.
Принципиальная схема блока
управления
Описание узла
Один из примеров БУМ реализован на
базе интегральной микросхемы ИС ТА7336Г, рис. 3.12. На одной печатной плате
кроме этой микросхемы размещены диоды VD4-VD9, токоизмерительный резистор RS и
резисторы Rl. R2, R9, R10. Элементы ШИМ размещаются на другой плате. Подача
сигналов FR, Uy и подведение напряжения UCC осуществляется с помощью разъема
XI. Двигатель соединяется с платой через соединитель X2.
В состав микросхемы ТА7336Г входят
источник питания ИПДХ, три триггера Шмитта Тг1 - ТгЗ, переключатель направления
вращения FR, шесть логических элементов DD1-DD6, электронный коммутатор К.
Кроме перечисленных в состав
микросхемы входит и ряд вспомогательных узлов. Большинство из них на схеме не
обозначено. Но два - узел защиты от температурной перегрузки УЗП и узел защиты
от перегрузки по току УЗТ входят в состав большинства микросхем. Это заметно
повышает надежность работы блока. Назначение выводов МС показано в табл. 3.2.
Рис. 3.12. Принципиальная схема
блока управления - а, расположение датчиков Холла на двигателе - б.
Таблица 3.2
№
символ
назначение
символ
назначение
2,3
Вход
фазы С
13
Выход
фазы С
4,5
Вход
фазы В
14
Выход
фазы А
6,7
Вход
фазы А
15
Выход
фазы В
1
Напряжение
питания датчиков Холла
16
Контрольный
выход
8
FR
Указатель
направления вращения
17
Установка
ограничителя тока
9
Не
присоединен
18
Общий
вывод выходного каскада Ucc
Напряжение
питания узлов БУМ
19
Конденсатор
частотной коррекции
11
Uу
Вход
управления (сигнал САР)
20
GND
общий
12
Un
Питание
выходного каскада БУМ
Благодаря наличию магнитной связи, в микросхему
всегда поступает информация о пространственном положении ротора. Например,
северный полюс N ротора находится у датчика DA фазы A, рис. 3.12, б. До этого
момента времени по обмотке WA фазы А протекал ток, притягивающий к ней полюс
ротора. Если полюс ротора приближается к датчику DA на его выходе формируется
напряжение, которое переключает триггер Тг2. Это вызывает подключение к
источнику питания Un либо обмотки Wc либо обмотки Wn, в зависимости от
положения переключателя IR. Ротор Р будет вращаться либо против часовой
стрелки, либо по часовой стрелке.
Изменение направления вращения осуществляется
предварительной установкой переключателя FR, с помощью которого выходное
напряжение с триггера Тг2 подается либо на формирователь фазы С (DDI-DD2), либо
на формирователь фазы В (DD5-DD6).
В дальнейшем работа блока заключается в том,
чтобы с помощью транзисторных ключей VT1-VT6 переключать токи в обмотках
статора WC, WA, WB и создавать вращающееся магнитное поле. Обмотки расположены
таким образом, чтобы создаваемые ими магнитные потоки FА, FС, FВ были сдвинуты
на 120 эл. градусов.
Сигналы с переключателя FR поступают на
логические элементы DD1- DD6 формирователя Ф. На выходе Ф формируются
напряжения +С и -С, +А и -А, +В и -В, с помощью которых реализуется логика
управления транзисторными ключами. Осуществляется необходимая
последовательность подключения фазных обмоток к источнику питания + Un.
Чтобы управлять угловой скоростью, например, при
считывании компакт-диска в зависимости от радиуса считывания или
стабилизировать угловую скорость при меняющемся моменте нагрузки и др., на вход
блока подают широтно-модулированный управляющий сигнал Uy.
При изменении относительной длительности этого
сигнала изменяется среднее значение напряжений, подводимых к обмотке двигателя.
Период работы транзисторов выходного каскада
VT1-VT6 составляет 6 тактов, длительность каждого такта равна π/3.
Датчики положения ротора - элементы Холла ДА, ДС, ДВ при вращении ротора
вырабатывают знакопеременные сигналы uДА, uДС, uДВ, рис. 3.13, а, б, в, где N,
S- пороги срабатывания триггеров Шмитта.
Полярность этих сигналов меняется при изменении
полюсов ротора, перемещающихся мимо соответствующих датчиков.
Напряжения UA, UB, UC на выходе триггеров
(кривые г, д, е) вырабатываются при прохождении полюса ротора в окрестностях
соответствующих датчиков. Длительность этих импульсов - 180°. Однако для работы
трехфазного исполнительного двигателя ВД требуются управляющие импульсы
длительностью 120°. Поэтому в схеме функционирует специальный узел - матрица
180°/120° (на схеме обозначена штриховой линией). В задачу этого узла входит
преобразование импульсов длительностью 180° в импульсы длительностью 120°.
номера тактов
Рис. 3.13. Временные диаграммы
работы блока управлением двигателя
Функционирование матрицы 180°/120°
осуществляется, помощью набора ЛЭ D D1-DD6, реализующих функцию В такте 1 на выходе фазы А - ВЫСОКИЙ
уровень напряжения (uWA), на выходе фазы В - НИЗКИЙ уровень напряжения - (uWB).
Открытыми будут транзисторы VT2 и VT6. Ток потечет от фазы А к фазе В, т.е.
фаза А будет источником, а фаза В - приемником, как обозначено в строке р, рис.
3.13. Цепь тока в такте 1: +Un - VT2 - WA - WB - VT6 - -Un (корпус).
В строке с приведена векторная
диаграмма магнитных потоков, которые формируются работающими фазами, где Положительные импульсы сигналов +С,
+А, +В являются разрешающими для начала работы регулирующих ключей VT1, VT2,
VT3 верхней группы коммутатора. Одновременно логика формирователя Ф инициирует
появление отрицательных потенциалов -С, -А, -В.
Такое распределение потенциалов на
выходе формирователя исключает появление сквозных токов, через оба транзистора
каждой фазы.
Расчет узла
В соответствии с вариантом задания
для 4 такта работы исполнительного двигателя ВД составим цепь тока, векторную
диаграмму магнитных потоков и обозначим работающие фазы, как обозначено в
строках р и с, рис. 3.13.
Воспользуемся временной диаграммой
изменения напряжения на фазных обмотках двигателя uWA, uWC, uWB, рис. 3.14 м.п.
В начале для заданного такта
определим обмотки с ВЫСОКИМ и НИЗКИМ уровнем напряжения, затем составим цепь
прохождения тока.
В такте 3 на выходе фазы А - ВЫСОКИЙ
уровень напряжения (uWА), на выходе фазы С - НИЗКИЙ уровень напряжения - (uWС).
Открытыми будут транзисторы VT2 и VT4. Ток потечет от фазы А к фазе С, т.е.
фаза А будет источником, а фаза С - приемником, как обозначено в строке р, рис.
3.14. Цепь тока в такте 1: +Un - VT2 - WА - WС - VT4 - -Un (корпус)
Рис. 3.14. Временные диаграммы
изменения напряжения на фазных обмотках двигателя ВД (к заданию 6.1 м.п.)
Вспомогательные узлы блока
управления
Узел защиты от перегрузки по току
УЗТ
К вспомогательным узлам относятся
собственный стабилизатор напряжения ЛСУ, узел индикации режимов работа
устройства, узел защиты от неправильного включения и др. Некоторые из
перечисленных вспомогательных узлов могут отсутствовать. Однако два
функциональных узла - узел зашиты от перегрева УЗП и узел защиты от перегрузки
по току УЗТ, как правило, входят в состав большинства микросхем.
Наличие их делает в целом блок
управления высоконадежным функциональным узлом.
В состав УЗТ входит компаратор на
базе операционного усилителя DA1, датчик тока RS и выносной делитель R9-R10,
рис. 3.15. На входе компаратора действуют два напряжения. На инверсном -
опорное установочное напряжение Uоп, которое снимается с делителя R9-R10. На
прямом входе - напряжение URs, которое пропорционально току нагрузки IH (току двигателя),
URs = IH·RS.
Для уменьшения потерь на датчике
тока Rs его выбирают низкоомным и устанавливают вне микросхемы. Падение
напряжения в номинальном режиме URs = 0,5 В. При типовых токах микродвигателей
звукотехнической аппаратуры IH=(0,6-3,0)А, сопротивление датчика будет равно
(0,8-0,1)Ом. Изменяя опорное напряжение Uоп с помощью выносного делителя можно
управлять значением тока Iмакс, при котором срабатывает компаратор.
Рис. 3.15. Формирование сигнала
перегрузки по току UI
Узел защиты блока от перегрева
При наличии этого узла, рис. 3.16,
заметно повышается надежность работы микросхемы при перегреве. Если температура
р-n переходов силовых транзисторных ключей становится выше предельно
допустимой, то УЗП формирует электрический сигнал Uу, с помощью которого
отключается силовая цепь микросхемы.
УЗП состоит из компаратора К с
ограничительными резисторами R6, R7, измерительного моста R1-VD3-R2, R3-R4||RS.
Резистор R5 - настроечный.
а
б
в
Рис. 3.16. Узел защиты от перегрева
- а, характеристики узла - б, в
Датчиком тепловой зашиты служит диод
VD:3 у которого используется отрицательная температурная зависимость прямого
падения напряжения, U,ip=f(T°C), рис. 3.16, б. К измерительному мосту
подводится стабильное напряжение питания UCC.
С измерительной диагонали моста
напряжение поступает на прямой и инвертирующий входы компаратора К.
Прямое падение напряжения UпрТ на
диоде защиты при постоянном значении прямого тока 1пр линейно зависит от
температуры [1]:прТ= UпрТН+ТКН(ТD-Тн),
где UnpT - прямое падение напряжения
на диоде защиты при исходной температуре ТН = 20°С, TD - Tмакс - измеряемая
температура. В данном случае это заданное значение максимальной температуры
Тмакс, при которой должен срабатывать УЗП. ТКН - температурный коэффициент
напряжения прямого падения на диоде, отрицательный и колеблется в пределах от
-1 до -3,5 мВ/°С.
Диод тепловой защиты VD3 работает в
таком же температурном режиме, что и транзисторные ключи выходного каскада, так
как VD3 располагается вместе с транзисторами на тех же радиаторах.
На инвертирующий вход 1 компаратора
К подается стабильное напряжение Uon с делителя R3-R4||RS. На прямой вход 2
поступает напряжение U3 с диода тепловой защиты.
При нормальной работе микросхемы
(отсутствует перегрузка) соблюдается условие U3 > Uon (3.1)
В этом случае на выходе компаратора
будет формироваться сигнал UT=1.
При появлении тепловой перегрузки
напряжение UпрТна диоде защиты уменьшается. Условие (3.1) нарушается.
Срабатывает компаратор К и на выходе 6 DA1 появляется сигнал UT = 0.
Расчет узла УЗП
Рассчитаем УЗП, определив параметры
измерительного моста, рис. 3.16, а. Исходные данные
Тмакс = 105 °С; Inp = 13 мА; ТКН =
-1,8 мА/°С; UnpТН = 210 мВ.
Также IД = 3 мА, ТH = 20 °С, Ucc = 5
В.
. Задаемся напряжением питания
измерительного моста Ucc = 5 B и током Iд = 3 мА плеча R3-R4||R5.
. Напряжение на прямом
неинвертирующем входе компаратора К при исходной температуре= U3оп+UnpТН,
где U3оп - неизменная составляющая
напряжения на прямом входе К.оп = n·UnpТН = 1,4·210 = 294 мВ, где n = 1,4 -
постоянный коэффициент.
U3 = 210+294 = 504 мВ.
3. Порог срабатывания УЗП - U3ΔТ , т.е.
напряжение на прямом входе К, при котором сигнал на его выходе UТ изменяется
скачком от логической 1 до 0, рис. 3.9, в:
U3ΔТ =
UnpТН+ТКН(Тмакс-Тмин)+U3оп = 210+(-1,8)·(105-20)+294 = 351 мВ.
УЗП сработает, если на инвертирующем
входе компаратора К, с помощью делителя R3+R4||R5 предварительно установить
опорное напряжение Uon =U3ΔТ = 351 мВ.
. Определение параметров резисторов
измерительного моста.
+R2 =
Ucc/Inp = 5·1000/13 = 385 Ом;= U3оп/Inp =
294/13 = 23 Ом;=
385-23 = 362 Ом;
Принимаем R1 = 23 Ом; R2 = 362 Ом.
+R4||R5 =
Ucc/IД
= 5·1000/3 = 1667 Ом;
Задаемся U'on = 2U3ΔТ = 2·351 =
702 мВ,
U'on/Ucc =
R4||R5/(R3+R4||R5) = 0,702/5 = 0,140, откуда
R4||R5 = (R3+R4||R5)·0,134 =
1667·0,134 = 224
Для упрощения расчетов выбираем R4 =
R4||R5 = 224 Ом = 240 Ом
Данные настроечного резистора R5
устанавливаем из условия
R5 = 10·R4 = 2400 Ом = 2,4 кОм.=
1667-2400·240/(2400+240) = 1448 Ом ≈ 1,5 кОм.
Ограничительные резисторы R6 = R7 =
10 кОм.
Значения рассчитанных резисторов
округлены до табличных значений.
В качестве компаратора выбираем ОУ общего
назначения К140УД1. С помощью движка резистора R5 подбирается значение Uon =U3ΔТ = 351 мВ,
что будет соответствовать уровню срабатывания УЗП.
Конструктивное оформление блока
управления
Описание узла
Требования к конструкции блока
вытекают из особенностей конструкции лазерного считывающего устройства, в
состав которого входит данный блок.
ЛСУ состоит из отдельных
функциональных и конструктивно оформленных узлов. Блок должен представлять
собой конструктивно независимый отдельный узел, удобный для ремонта и
сервисного обслуживания.
Базой для всего блока является
непосредственно бесколлекториый двигатель с осевым зазором, рис. 4.1 [1]. Он
представляет собой плоскую конструкцию. Нижняя часть с плоским магнитом ротора
и ведущим валом вращается. На ведущий вал насаживается вращательная платформа
для установки CD. Все остальные элементы - фазные обмотки, датчики положения
ротора ДП размещаются на неподвижной верхней плате двигателя. Фазные обмотки
статора представляют собой плоские катушки.
Рис. 4.1. Конструкция
бесколлекторного двигателя плоского типа. Двигатель и разрезе - а, статор б
На двигателе функционирует магнитная
система торцевого типа с магнитным потоком, направленным вдоль оси вращения.
Вращающий момент создается в результате взаимодействия магнитного потока в
промежутке между полюсами магнита ротора и основанием статора с проводниками
обмотки, но которым протекает ток.
Коммутация обмоток статора
осуществляется транзисторными ключами, которые размещаются непосредственно в
корпусе интегральной микросхемы по сигналам датчика положения ДП. Датчики
положения (дискретные элементы Холла) располагаются внутри плоских обмоток
статора. рис. 4.1, а.
Расчет узла
Конструкция блока управления
выполняется на базе бесколлекторного двигателя плоского типа, рис. 4.2. При
компоновке конструкции имеется в виду, что на крышке двигателя необходимо
расположить непосредственно печатную плату. Задана микросхема TA8410K. Т.к. в
микросхеме 2 операционных усилителя, то получается однофазный двигатель. В
микродвигателе привода CD-ROM большое значение имеет точность задаваемой
угловой скорости и ее равномерность, этого можно добиться увеличением числа фаз
до четырех, поэтому можно применить 2 микросхемы TA8410K. Конструкция двигателя
- четырехфазная. Кроме того, на крышке размещается датчик тока RS, блок
шунтирующих диодов VD4-VD9 и разъем. Узел защиты блока от перегрева выполняется
на микросхеме U3 LM393. Стабилизатор напряжения питания выполнен на микросхеме
U4 78LR05.
Для размещения двух микросхем
несколько увеличен размер несущей верхней крышки (печатной платы) двигателя.
Верхняя, неподвижная часть - статор двигателя является базой для крепления
печатной платы блока. Вариант компоновки блока показан на рис. 4.2. Двигатель и
элементная база показаны в масштабе 1:1.
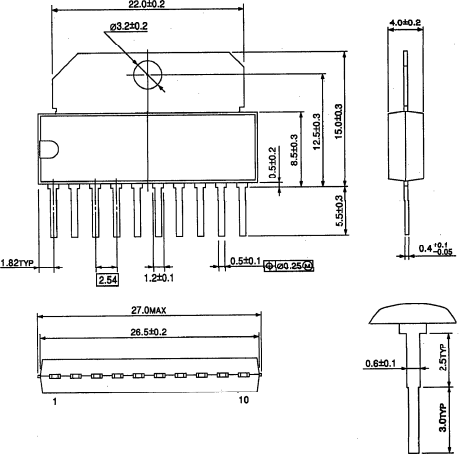
Датчик Холла, вариант печатной платы
блока управления, габаритный чертеж микросхемы TA8410K показаны на рис.
4.3-4.5.
Назначение выводов микросхемы
TA8410K определено в таблице 4.1.
Рис. 4.2. Вариант компоновки
конструкции блока управления бесколлекторным двигателем. Двигатель в разрезе -
а, крышка двигателя с печатной платой - 6
Рис. 4.3. Датчик Холла - а,б;
магниторезистор - в
Рис. 4.4. Вариант печатной платы
блока управления
Рис. 4.5. Габаритный чертеж
микросхемы TA8410K, тип корпуса HSIP10-P-2.54
Таблица 4.1
Назначение выводов
№
Символ
Назначение
1
VSENSE1
Контрольный
выход 1
2
VOUT1
Выход
фазы А
3
-VIN1
Инверторный
вход фазы А
4
+VIN1
Вход
фазы А
5
GND
Общий
6
-VIN2
Инверторный
вход фазы В
7
+VIN2
Вход
фазы В
8
VSENSE2
Контрольный
выход 2
9
VOUT2
Выход
фазы В
10
Ucc
Напряжение
питания узлов БУМ
Заключение
Был разработан курсовой проект по дисциплине
«Автоматические системы звукотехнической аппаратуры» на тему «Блок управления
бесколлекторным микродвигателем оптического диска», который преследовал цель
развить навыки самостоятельной работы при решении вопросов анализа и синтеза
процессов, происходящих в лазерных считывающих устройствах.
Были рассмотрены принцип действия, вопросы
расчета и проектирования функционального узла ЛСУ - блока управления
бесколлекторным микродвигателем постоянного тока.
Рассмотренный блок управления представляет собой
электронное устройство, включающее в себя совокупность взаимодействующих электрорадиоэлементов,
предназначенных для выполнения заданных функций в пределах лазерного
проигрывателя оптических дисков.
Проектирование блока состояло из двух этапов -
системотехнического и схемотехнического.
Нa первом этапе проектирования осуществлен подбор
и изучение литературы, анализ технического задания, разработку структурной
схемы.
Нa втором этапе схемотехнического проектирования
рассмотрены вопросы разработки принципиальной схемы, расчета параметров
элементов схемы.
Компоновка элементов конструкции блока встроена
в текст пояснительной записки (А4), принципиальная схема блока выполнена в
формате А2.
Список использованной литературы
1.
Бараночников М.Л, Микромагнитоэлектроника. Т.1, - М. ДМК,2012.
.
Волков Н.И. Миловзоров В.П. Электромашинные устройства автоматики. - М.: Высшая
школа, 1978.
.
Кривозубов В.Н., Савичев С,С, Яковлева Л.П. Управление процессом считывания
информации с оптических дисков: Учебное пособие. -СПб.: СПГУКиТ, 1999.
.
Микросхемы для управления электродвигателями. Вып.2. -М: ДОДЭКА, 2014.
.
Микроэлектродвигатели для систем автоматики / Под ред. Лодочникова Э.А. и
Юферова Ф.М. - Энергия, 1969.
.
Савичев С.С. Введение в электронное кино. - СПб.: СПГУКиТ, 2013.
.
Хрущев В.В. Электрические машины систем автоматики. -Л.: Энергоиздат, 1985.
.
Цветков В.И. Автоматизация кинотехнологических процессов: Учебное пособие. -Л.:
ЛИКИ, 1986.
.
Цифровая звукозапись /Под ред. Дж.Масса. Пер с англ. -M.: Мир, 2014.
(«запрет»).
На вход этих ЛЭ поступают импульсы длительностью 180°, а с выхода снимаются
импульсы длительностью 120°, кривые ж, з, и, к, л, м. С помощью этих импульсов
формируются прямоугольные, знакопеременные импульсы, эквивалентные трехфазному
напряжению (кривые н, о, п).
- магнитные
потоки, создаваемые обмотками WA, WB и
- результирующий магнитный поток.
Под воздействием результирующего магнитного потока вектор магнитного потока
ротора Р
стремится установиться параллельно вектору
t повернувшись по часовой стрелке на
угол 60°. С каждым тактом ротор поворачивается на 60°.
