В курсовой работе его величину можно принимать постоянной: з. п = 0,98. Скорость движения для локомотивов (км/ч) принято указывать с точностью до одного знака после запятой, а силу тяги (кН) – с точностью до трех
значащих цифр.
Определение величин V и Fк. д производят для тех же значений тока, что и для n и М, результаты расчета заносят в столбцы 5 и 6 табл. 1.1.
3.РАСЧЕТ ТЯГОВЫХ ХАРАКТЕРИСТИК ЭЛЕКТРОВОЗА
3.1.Общие сведения
Тяговыми характеристиками электровоза называют зависимости касательной силы тяги электровоза от скорости движения Fк(V). Вид естественной тяговой характеристики определяется электромеханическими характеристиками ТД на ободе колеса: каждому значению тока двигателя Iд i соответствуют определенные величины силы тяти одного ТД Fк. д i и скорости движения Vi. Сила тяги электровоза определяется по формуле, кН:
Fк = Nд Fк. д, |
(3.1) |
где Nд – количество ТД. |
|
Таким образом, каждому значению скорости Vi |
соответствует вполне |
определенная сила тяги электровоза Fк i (рис. 3.1). |
|
Совокупность геометрических мест точек с координатами Vi и Fк i образует тяговую характеристику Fк(V). Следует иметь в виду, что на электровозах сети железных дорог ОАО «РЖД» используют индивидуальный привод, т. е. каждая колесная пара приводится во вращение одним ТД: Nд = nо.
Для обеспечения необходимых регулировочных свойств электровоза требуется не одна, а много тяговых характеристик, получение которых осуществляют искусственным изменением режима работы ТД.
На ЭПС постоянного тока используют три способа регулирования режимов работы ТД: изменением напряжения на зажимах двигателя путем применения различных схем соединения ТД между собой, включением последовательно в цепь двигателей реостата с возможностью ступенчатого изменения величины его сопротивления и изменением магнитного потока ТД путем шунтирования
10
обмотки возбуждения резистором |
с возможным изменением величины его |
|
сопротивления ступенями. |
|
|
V Fк |
Fк(Iд) |
Fк |
V(Iд) |
|
|
|
|
|
Fк i 
Fк i
Vi Fк(V)
0 |
Iд i |
Iд 0 |
Vi |
V |
|
||||
|
а |
|
б |
|
Рис. 3.1. Электромеханические (а) и тяговая (б) характеристики электровоза
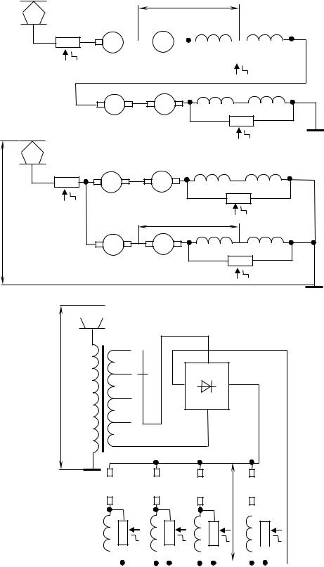
Схемы, позволяющие реализовать все способы регулирования скорости применительно к четырехосному электровозу с четырьмя ТД, показаны на рис. 3.2, а. При напряжении в контактной сети Uс = 3000 В все ТД включать параллельно нельзя, так как практически создать ТД с Uд. н > 1500 В невозможно.
Расшифровка условных обозначений на схемах приведена в прил. 4.
На ЭПС переменного тока используют ТД постоянного тока, которые получают питание через выпрямитель VD от вторичной обмотки трансформатора ТV. Благодаря наличию трансформатора необходимость включения резисторов в цепь ТД отпадает, так как изменение напряжения Uд можно осуществить путем подключения VD к различным выводам вторичной обмотки ТV и тем самым получить необходимое количество ступеней напряжения, подводимого к ТД. Каждому значению напряжения вторичной обмотки ТV будет соответствовать некоторая величина напряжения на зажимах ТД Uд. Тяговые двигатели на ЭПС переменного тока постоянно соединены параллельно, так как изменять схему их соединения нет необходимости вследствие возможности регулирования Uд другим, более простым способом, рассмотренным выше.
11
Uд
ХА
М1 М2
Rп
|
|
|
|
|
|
|
|
|
|
|
|
|
|
|
|
|
|
|
|
|
|
|
|
|
|
|
|
|
|
|
|
|
|
|
|
|
|
|
а) |
|
|
|
Rш |
||||||||
|
|
|
||||||||||
|
М3 |
М4 |
Rш |
|
|
|
|
|
ХА |
|
|
|
М1 |
М2 |
|
|
Rп |
|
|
б) |
Uс = 3 кВ |
|
Rш |
|
Uд |
||
|
|
||
|
М3 |
М4 |
Rш |
|
|
|
ХА ТV
= 25 кВ |
VD |
|
|
с |
|
U |
|
в)
М1
М2
М3
М4
Uд 
|
|
Rш |
|
|
Rш |
|
|
|
|
|
|
|
|
|
|
|
|
|
|
Rш |
|
|
|
Rш |
|||
|
|
|
|
||||||||||
Рис. 3.2. Принципиальные схемы электровоза (Nд = 4):
а− постоянный ток при последовательном соединении ТД; б − постоянный ток при параллельном соединении ТД; в − переменный ток
12
Изменение магнитного потока на ЭПС переменного тока является вторым способом регулирования режима работы ТД.
Схема, позволяющая реализовать способы регулирования скорости четырехосного электровоза переменного тока, приведена на рис. 3.2, б.
3.2.Расчет тяговых характеристик электровоза постоянного тока
3.2.1.Изменение напряжения на зажимах ТД на ЭПС постоянного тока осуществляют путем использования различных схем соединения их между собой. В зависимости от количества ТД электровоза возможны разные варианты таких соединений.
На шестиосных электровозах применяют три схемы соединения ТД: последовательное (сериесное) – С, последовательно-параллельное – СП и параллельное – П (рис. 3.3, а). Обмотки возбуждения, которые включены последовательно с обмотками якорей, на рис. 3.3 не показаны.
Каждой схеме соединения соответствуют определенные значения напряжения на зажимах двигателя:
U |
|
|
|
UС |
; |
|
(3.2) |
||||
д С |
|
|
|
|
|||||||
|
|
|
|
кС |
|
|
|||||
|
|
|
|
|
|
|
|||||
U |
|
|
|
UС |
; |
(3.3) |
|||||
д СП |
кСП |
||||||||||
|
|
|
|
|
|
||||||
|
|
|
|
|
|
|
|
||||
U |
|
|
UС |
; |
|
(3.4) |
|||||
д П |
|
|
|||||||||
|
|
|
|
кП |
|
|
|||||
|
|
|
|
|
|
|
|||||
где Uс – напряжение в контактной сети, Uс = 3 кВ;
кС, кСП, кП – количество последовательно соединенных ТД на соединениях С, СП и П соответственно.
Напряжение Uд П (на параллельном соединении) является для ТД номи-
нальным: Uд П = Uд. н = 1500 В.
На восьмиосных электровозах также используют три соединения ТД: С, СП и П (рис. 3.3, б), однако напряжение на зажимах ТД на каждом из соединений будет другим в соответствии с формулами (3.2) – (3.4).
13
а)
б)
в)
ХА |
С |
|
ХА |
СП |
|
|
П |
|
|
М4 |
|
ХА |
|
|
|
||||
|
|
|
|
М5 |
|
||||
|
|
|
|
|
|
|
|||
М1 |
|
Uд С |
М1 |
|
Uд СП |
|
М3 |
|
|
|
|
|
М1 |
|
Uд П = Uд. н |
||||
|
|
|
|
М4 |
|
|
|
||
|
|
|
|
|
|
|
|
|
|
М2 |
|
М5 |
М2 |
|
М5 |
|
|
М4 |
|
|
|
|
М2 |
|
М6 |
||||
|
|
|
|
|
|
|
|
||
М3 |
|
М6 |
М3 |
|
М6 |
|
|
|
|
ХА |
С |
|
ХА |
СП |
Х |
|
П |
|
|
|
|
|
|
|
М7 |
||||
М5 |
|
|
|
|
|
||||
|
|
|
|
|
|
|
|
||
|
|
|
|
Uд СП |
|
|
|
|
|
|
|
|
|
|
|
|
М5 |
|
|
|
|
|
|
М5 |
|
М1 |
|
Uд П = Uд. н |
|
М1 |
|
Uд С |
М1 |
|
М3 |
|
|||
М2 |
|
М6 |
М2 |
|
М6 |
М2 |
М4 |
М6 |
М8 |
М3 |
|
М7 |
М3 |
|
М7 |
|
|
|
|
М4 |
|
М8 |
М4 |
|
М8 |
|
|
|
|
ХА |
С |
|
Х |
СП |
|
|
|
|
|
М7 |
|
|
М1 |
|
|
||||
|
|
|
|
|
|
|
|||
|
|
|
|
|
|
|
|
|
|
|
|
|
|
М1 |
|
М7 |
Uд СП |
|
|
М1 |
|
Uд С |
|
М4 |
|
|
|||
М2 |
|
М8 |
|
М2 |
М5 |
М8 |
М11 |
|
|
М3 |
|
М9 |
|
М3 |
М6 |
М9 |
М12 |
|
|
М4 |
|
М10 |
Х |
П |
|
|
|
|
|
|
|
|
|
|
|
М11 |
|||
|
|
|
|
|
|
|
|||
|
|
|
|
|
|
|
|
||
М5 |
|
М11 |
|
М1 |
М3 |
М5 |
М7 |
М9 |
Uд П = Uд. н |
|
|
|
|
||||||
М6 |
|
М12 |
|
М2 |
М4 |
М6 |
М8 |
М10 |
М12 |
|
|
|
|
|
|
||||
Рис. 3.3. Схемы соединения ТД на шестиосном (а), восьмиосном (б) и двенадцатиосном (в) электровозах постоянного тока
14