Материал: Автоматизация системы водоснабжения

Внимание! Если размещение файла нарушает Ваши авторские права, то обязательно сообщите нам

Автоматизация системы водоснабжения

Липецкий государственный технический университет

Кафедра электропривода










ОТЧЕТ

о производственной практике в ООО «Эрегион Энерго Сервис»










Липецк 2014г.

Введение

Ускорение научно-технического прогресса и интенсификация производства невозможны без применения средств автоматизации. Характерной особенностью современного этапа автоматизации состоит в том, что она опирается на революцию в вычислительной технике, на самое широкое использование микропроцессорных контроллеров, а также на быстрое развитие робототехники, гибких производственных систем, интегрированных систем проектирования и управления.

Применение современных средств и систем автоматизации позволяет решать следующие задачи:

•        вести процесс с производительностью, максимально достижимой для данных производительных сил, автоматически учитывая непрерывные изменения технологических параметров, свойств исходных материалов, изменений в окружающей среде, ошибки операторов;

•        управлять процессом, постоянно учитывая динамику производственного плана для номенклатуры выпускаемой продукции путем оперативной перестройки режимов технологического оборудования, перераспределения работ на однотипном оборудовании и т. п.;

•        автоматически управлять процессами в условиях вредных или опасных для человека.

Решение поставленных задач предусматривает целый комплекс вопросов по проектированию и модернизации существующих и вновь разрабатываемых систем автоматизации технологических процессов и производств.

В данном отчёте рассматривается автоматизация системы водоснабжения.

1.  Водонапорная башня системы Рожновского

Водонапорные башни предназначены для регулирования неравномерности водопотребления, хранения ограниченных резервного и противопожарного запасов в системах сельскохозяйственного водоснабжения и водоснабжения небольших предприятий и жилых застроек.

Для эксплуатации водонапорных башен в районах с расчётной зимней температурой от минус 20 до минус 30°С необходимо обеспечить, как минимум, двукратный водообмен в сутки.Водонапорные башни предназначены для эксплуатации при температуре поступающей воды не менее 6°С преимущественно из буровых скважин.

Водонапорные башни представляют собой сварную листовую конструкцию, состоящую из цилиндрической обечайки с коническими крышей и днищем, цилиндрической водозаполняющейся опорой. Опора закрепляется на монолитном железобетонном фундаменте посредством закладных и соединительных деталей. Рядом с башней устраивается колодец, обслуживания, служащий для размещения водопроводной арматуры. Многолетний опыт (с 1954г) эксплуатации неутеплённых водонапорных башен системы Рожновского с теплоизолирующей ледяной рубашкой, не требующих сложных, дорогих и неэффективных работ по утеплению, показал надёжность их круглогодичной эксплуатации при морозах до минус 30°С.

Объём воды, содержащийся в опоре, при необходимости может использоваться для пожаротушения. На отводящей трубе предусмотрен отвод с задвижкой и головкой муфтовой для сброса воды при производстве пробных откачек, а также, при необходимости для непосредственной подачи воды в передвижные ёмкости.

Для наполнения водонапорной башни служит подводящая труба, по которой вода от насосной станции поступает в верхнюю часть опоры башни.

Питание водопроводной сети осуществляется с помощью отводящей трубы из нижней части опоры.


Рисунок 1 - Система водоснабжения с башней Рожновского

Недостатки водонапорной башни:

трудности использования в зимний период (t<0°), особенно возрастающие при уменьшении водопотребления;

достаточно большая поверхность окисления - вода заполняет водонапорную башню, а затем сливается из нее. При этом смачивается большая, иногда несколько кв.м., внутренняя поверхность накопительной емкости. Смоченная водой металлическая поверхность, в присутствии воздуха вызывает интенсивное появление ржавчины, попадающей в воду, а водонапорные башни в большинстве своем изготавливаются из черного металла;

ограниченное давление воды на выходе из башни, определяющееся высотой водонапорной башни.

Принцип работы водонапорной башни:

Погружной насос, опущенный в скважину, подает воду в водонапорную башню. Когда вода поднимается до верхней отметки в водонапорной башне, датчик уровня дает команду насосу на отключение. Включением и отключением насоса занимается простейшая автоматика, размещенная в павильоне. По мере разбора воды из башни по магистрали, уровень поверхности понижается, и по достижении нижней отметки, датчик уровня (ДУ) дает команду на включение насоса. Таким образом, в башне постоянно находится запас воды, определяющийся объемом башни от нулевой отметки до верхнего уровня.

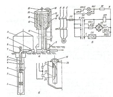
Рисунок 2 - Башенная водонасосная установка с погружным электродвигателем (а), схема датчика уровня воды (б) и принципиальная электрическая схема управления (в): 1- погружной электродвигатель; 2 - многоступенчатый насос; 3 - водоподъемные трубы; 4- хомуты; 5- скважина; 6- кабель; 7- плита; 8- манометр; 9- задвижки; 10- напорно-разводящий трубопровод; 11 - санитарно-техническое помещение; 12 - бак; 13 - водосливная труба; 14 - датчик уровня; 15-вентиляционный клапан; 16 - люк; 17 и 18- внешняя и внутренняя лестницы; 19- скоба; 20 - защитный корпус; 21, 22 и 23-электроды соответственно верхнего, нижнего и общего уровней

При всей простоте конструкции и широком распространении башни Рожновского обладают рядом существенных недостатков:

трудности использования в зимний период, особенно возрастающие при уменьшении водопотребления, отказы датчиков уровня, протечки;

неисправность датчиков уровня и автоматики приводит к переливу воды и замерзание ее в зимний период, что является причиной разрушения конструкции и падения водонапорной башни;

интенсивное появление ржавчины в воде из-за большой поверхности окисления накопительной емкости башни;

высокая стоимость, сложность ремонта и восстановления конструкции водонапорной башни, а также ее обслуживания, устранение течей, чистка, дезинфекция, покраска;

ограниченное и непостоянное давление воды на выходе из башни, которое определяется её высотой;

работа насоса в импульсном режиме с частыми включениями и отключениями приводит к ускоренному износу электродвигателя и самого насоса;

высокая стоимость новой башни, её доставки, монтажных работ и ввод в эксплуатацию;

основной недостаток изношенных водонапорных башен Рожновского - их аварийное состояние.

С увеличением новых застроек и подводом водопровода к домам, появилась проблема нехватки воды из-за отсутствия постоянного высокого давления в системе. Подключение подачи воды из скважины напрямую в сеть решало данную проблему. При этом использовалась водонапорная башня нижнего наполнения, а автоматизация происходила по сигналам электроконтактного манометра.

Рисунок 3 - Электроконтактный манометр (ЭКМ)

В такой системе можно было установить минимальное и максимальное давление, при этом в башне также находился необходимый запас воды. Однако частые включения и выключения двигателя приводили не только к быстрому износу глубинного насоса, но и разрушению всей системы из-за постоянных гидроударов.

В системе водоснабжения требовалось найти решение возникших проблем.

2. Современное решение для водоснабжения

ООО «РЕГИОН ЭНЕРГО СЕРВИС» (ООО «РЭС») одна из организаций работающих в Липецкой области с сельскими поселениями в сфере автоматизации водоснабжения. ООО «РЭС» предлагает альтернативное решение возникшим проблемам.

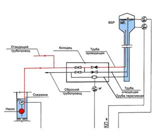
Рисунок 4 - Схема перехода на преобразователь частоты

Водонапорные башни долгое время являлись основным элементом локального водоснабжения, но на сегодняшний день их установка экономически нецелесообразна, в то время как применение частотного преобразователя для управления насосом скважины снижает расходы по реконструкции башни и имеет ряд неоспоримых технических преимуществ:

• стабильность создаваемого давления за счет автоматического регулирования производительности насоса в зависимости от текущего расхода воды;

• исключение громоздкой водонапорной башни: все необходимое оборудование может быть смонтировано в обычном помещении или специализированном внешнем контейнере, что резко снижает затраты по доставке оборудования и монтажу;

• повышенная надежность оборудования, стабильность работы в зимний период;

• повышение ресурса насоса скважины за счет плавного регулирования и ряда защит;

• отсутствие периодически смачивающихся участков водопроводной системы и, соответственно, отсутствие коррозии, и лучшее качество подаваемой воды;

• возможность интеграции систем учета по расходуемой воде и потребляемой электроэнергии.

Если в «башенной» системе водоснабжения главным элементом была башня, обеспечивающая необходимый напор, то в современных прямоточных «безбашенных» системах главным является преобразователь частоты. Именно он обеспечивает возможность плавного пуска, останова и регулирования производительности насоса для поддержания стабильного напора в зависимости от текущего потребления воды.

3. Существо проекта

Центробежные вентиляторы, насосы и компрессоры объединяются в один класс нагрузочных механизмов для электропривода, так как их характеристики с точки зрения требований и условий работы электропривода имеют много общего. Большая часть электроприводов указанных механизмов является нерегулируемыми.

Традиционные способы регулирования подачи насосных и вентиляторных установок состоят в дросселировании напорных линий и изменении общего числа работающих агрегатов по одному из технологических параметров - давлению втрубопроводе или в диктующей точке сети, уровня в приёмном или регулирующем резервуаре и др. Эти способы регулирования направлены на решение поставленных технологических задач (поддержание заданного давления) и практически не учитывают энергетических аспектов транспортировки воды.

Вместе с тем, гидравлическое и электротехническое оборудование насосных станций обычно выбирается по максимальным техническим параметрам (подаче, напору и др.) системы водоснабжения и водоотведения. Однако в реальной жизни оказывается, что вновь вводимые в эксплуатацию насосные установки выходят напроектные режимы в течение многих лет, либо не выходят вообще. Поэтому существующие станции, как правило, работают в режимах, существенно отличающихся от расчётных. Кроме того, имеют место суточные, недельные и сезонные колебания расходов и напоров, обусловленные переменным водопотреблением, в результате этого рабочие режимы насосов оказываются далеко от рабочих зон их характеристик (как правило, в меньшую сторону).

Поэтому с появлением надёжного регулируемого электропривода создались предпосылки для разработки принципиально новой технологии транспортировки воды с плавным регулированием рабочих параметров насосной установки без непроизводительных затрат электроэнергии и с широкими возможностями повышения точности и эффективности технологических критериев работы систем подачи.


4. Частотные преобразователи

Преобразователи частоты - это электронные устройства для плавного бесступенчатого регулирования скорости вращения вала асинхронного двигателя.В простейшем случае частотного регулирования управление скоростью вращения вала осуществляется с помощью изменения частоты и амплитуды трехфазного напряжения, подаваемого на двигатель.

Большинство современных преобразователей частоты построено по схеме двойного преобразования. Они состоят из следующих основных частей:

звена постоянного тока;

силового трехфазного импульсного инвертора;

системы управления.

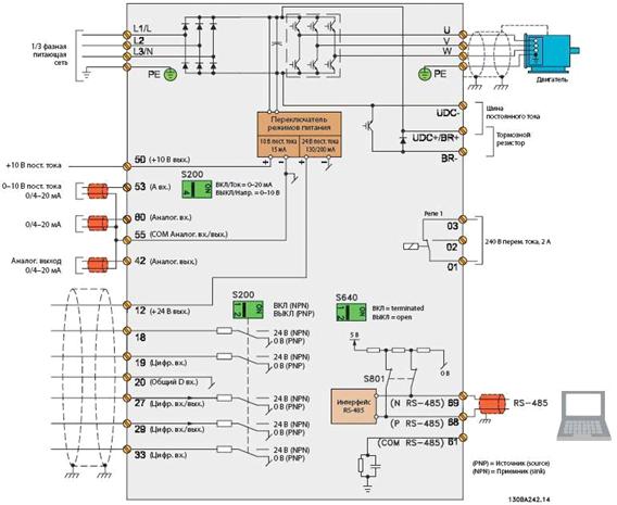
Рисунок 5 - Схема частотного преобразователя

Звено постоянного тока состоит из неуправляемого выпрямителя и фильтра. Переменное напряжение питающей сети (L1, L2, L3) преобразуется в нем в напряжение постоянного тока (+, -).

Силовой трехфазный импульсный инвертор состоит из шести транзисторных ключей соединенных по схеме приведенной выше. Каждая обмотка двигателя подсоединяется через соответствующий ключ к положительному и отрицательному полюсу звена постоянного тока. Инвертор осуществляет преобразование напряжения постоянного тока в трехфазное переменное напряжение изменяемой частоты и амплитуды (U, V, W), управляющее двигателем.

Система управления осуществляет управление силовым инвертором, используя Широтно Импульсную Модуляцию (сокращенно ШИМ), импульсно прикладывая к обмоткам двигателя напряжение звена постоянного тока, таким образом, что эффект оказывается практически эквивалентен, приложению синусоидального напряжения, требуемой частоты и амплитуды. ШИМ характеризуется периодом модуляции, внутри которого вывод обмотки подключается, по очереди, к положительному и отрицательному полюсам звена постоянного тока. Длительность этих состояний, внутри периода ШИМ, модулируется по синусоидальному закону. При высоких (обычно 2 … 15 кГц), тактовых частотах ШИМ, в обмотках двигателя, вследствие их фильтрующих свойств, протекают синусоидальные токи. Их частота и амплитуда определяются соответствующими параметрами модулирующей функции. Подобное импульсное управление позволяет получить очень высокий КПД преобразователя (до 98 %) и практически эквивалентно, аналоговому управлению с помощью частоты и амплитуды напряжения.

Меняя параметры питающего напряжения (частотное управление) можно делать скорость вращения двигателя как ниже, так и выше номинальной.

5. Принцип действия преобразователя частоты

В основу метода преобразования частоты заложен следующий принцип. Как известно, частота промышленной сети 50 Гц. При такой частоте двигатель насоса, к примеру, имеющий 2 полюса, вращается со скоростью 3000 (50 Гц х 60 сек) оборотов в минуту и дает на выходе насосного агрегата номинальный напор и производительность (т.к. это его номинальные параметры, указанные в паспорте). Если при помощи преобразователя частоты (ПЧ), понизить частоту подаваемого на него переменного напряжения, то соответственно понизятся скорость вращения двигателя, а значит измениться напор и производительность насосного агрегата.

Если момент вращения - квадратическая функция частоты вращения, то

мощность на валу двигателя уменьшается в кубической зависимости при снижении частоты вращения. Другими словами, уменьшение частоты вращения ротора на 1 единицу снижает мощность двигателя на 13, что влечет за собой соответствующее снижение расходов на электроэнергию. Именно это свойство используется в насосах, вентиляторах и турбокомпрессорах с асинхронными двигателями, которые питаются от статических преобразователей частоты.