Материал: Автоматизация процесса измельчения зерна

Внимание! Если размещение файла нарушает Ваши авторские права, то обязательно сообщите нам

Автоматизация процесса измельчения зерна

Министерство сельского хозяйства и продовольствия Республики Беларусь

УО "Гродненский государственный аграрный университет"

Кафедра технического обеспечения производства и переработки продукции животноводства

Расчетно-пояснительная записка

к курсовой работе на тему:

Автоматизация процесса измельчения зерна


Руководитель работы:

ассистент кафедры ТОПиППЖ

В.С. Журко

Работу выполнила

студентка 2 гр. 4 курса ИТФ

Н.Б. Недвецкая


Гродно 2014

Реферат

Автоматизация - это деятельность, направленная на частичное или полное исключение человека из трудового процесса путем передачи его функций в специально созданную машину. С другой стороны автоматизация - это научно-техническая дисциплина, разрабатывающая методы, средства, и приемы такой деятельности. Автоматизация производства кардинально меняют подход к работе, делая ее проще физически.

Ключевые слова: "Автоматизация, автоматизируемый технологический процесс, контролируемый параметр, наименование объекта регулирования, тензометрический датчик, хлебопекарная промышленность, дозирование муки, весовой дозатор, электрический сигнал".

Целью курсовой работы является выбор, расчет и анализ технических средств автоматизации технологического процесса дозирования.

Для достижения поставленной цели необходимо решение следующих задач: описание систем автоматизации технологического процесса измельчения зерна, принципов их построения и функционирования; рассмотрение принципов действия и областей применения наиболее распространенных средств и систем автоматики; проведение анализа свойств технологических объектов управления; анализа наиболее распространенных схем автоматизации измельчения зерна.

Процесс измельчения широко применяют в различных отраслях промышленности. Твердые тела подвергают измельчению различными способами для получения сыпучего материала, состоящего из частиц определенной крупности. Различают два метода разрушения твердых тел: простое и избирательное измельчение. Если измельчаемый продукт однороден по химическому составу и все его части обладают практически одинаковыми структурно-механическими свойствами, то измельченные до определенной крупности части твердого тела представляют собой однородную сыпучую массу, которую можно использовать для соответствующих целей.

При выполнении работы необходимо решить следующие задачи:

описать технологический процесс;

провести обзор и анализ наиболее распространенных схем автоматизации процесса измельчения зерна;

описать структурную схему автоматизации процесса измельчения и ее элементы;

осуществить выбор датчика;

определить величину и знак КП корректирующего звена усилителя, входящего в схему САР;

выполнить анализ схемы автоматизации;

разработать вопросы охраны труда и охраны окружающей среды.

Содержание

Введение

. Описание и анализ технологического процесса

. Выбор и обоснование датчиков

. Описание структурной схемы автоматизации измельчения зерна

.1 Определение коэффициента передачи корректирующего элемента усилителя

.2 Анализ устойчивости системы

.2.1 Частотный критерий (критерий Найквиста)

.2.2 Алгебраический критерий (критерий Гурвица)

.2.3 Определение запаса устойчивости системы

.3 Качество управления системы

.3.1 Определение статической ошибки

.3.2 Величина перерегулирования

.3.3 Время переходного процесса

. Безопасность жизнедеятельности

Заключение

Использованные источники информаци

Введение

Целью данной курсовой работы является анализ и изучение системы автоматического регулирования процесса измельчения зерна.

Автоматизация производства является наиболее важным показателем уровня технического развития. Это обеспечит не только технологические, но и экономические преимущества работы. При повышении уровня автоматизированности на предприятиях улучшается качество производимой продукции, оптимизируются все процессы использования производственных ресурсов, происходит серьезная экономия энергоресурсов.

Автоматизация производства кардинально меняют подход к работе, делая ее проще физически. Обязательными следствиями является необходимость повышения технической грамотности специалистов и высвобождение довольно большого числа персонала, занимавшегося ранее, прежде всего, неквалифицированной работой.

Одной из основных операций в технологическом процессе приготовления комбикормов и самой энергоёмкой является измельчение, поэтому снижение энергоёмкости данного процесса, повышение качества измельчения являются актуальными задачами.

В составе стандартной оснастки дробилок имеется система управления, гарантирующая максимальное использование мощности агрегата и сокращающая тем самым эксплуатационные расходы. Блок управления интегрирован в систему автоматического управления всего технологического процесса. Таким образом, эффективная эксплуатация дробилок позволяет увеличить прибыльность и минимизировать расходы.

1. Описание и анализ технологического процесса

Автоматические системы можно условно разделить на малые и большие. Малые системы однозначно определяются свойствами процесса и ограничены одним типовым процессом, его внутренними связями, а также особенностями аппаратурного оформления. Большие системы представляют собой совокупность малых систем и отличаются от них количественно и качественно. зерно помол клейковина автоматизация

Один из самых важных этапов в процессе приготовления высококачественного муки и крупы - это измельчение исходных компонентов.

Измельчение - это достаточно энергоемкая технологическая операция, которая выполняется в процессе подготовки исходных компонентов к смешиванию Процессы измельчения играют важную роль во многих пищевых производствах. Основные закономерности процессов измельчения рассмотрим на примере процесса помола зерна в сортовую муку.

Объекты управления процессом сортового помола зерна определяются технологией производства муки. Одним из основных направлений, позволяющих повысить эффективность работы мельницы, является автоматизация управления технологическими процессами. В подготовительном отделении наибольший интерес как объект автоматизации представляет процесс формирования помольных партий. На практике расчет соотношения компонентов в помольной партии зерна производят по одному из показателей этом не всегда удается получить зерновую смесь со стабильными (стекловидное, выходу клейковины, зольности и др.). С целью стабилизации указанных свойств был предложен метод составления зерновой смеси одновременно по трем показателям качества зерна: стекловидное, выходу сырой клейковины и зольности. Показатель "стекловидность" оказывает влияние на процесс подготовки и переработки зерна, выход сырой клейковины на хлебопекарные свойства муки, выход сырой клейковины и зольность на качество готовой муки, отвечающей стандарту. Технологические процессы в размольном отделении мельницы в основном осуществляются на трех видах машин: вальцовых станках, рассевах и ситовейках. Из них только вальцовый станок имеет регулирующий орган, позволяющий изменять зазор между вращающимися валками станка. Таким образом, управление процессами в размольном отделении при существующих технологических машинах возможно только изменением режима работы вальцовых станков.

Всякая система состоит из взаимосвязанных частей и в определенном смысле представляет собой замкнутое целое. В любой промышленной автоматической системе управления всегда можно выделить две взаимодействующие между собой основные части: объект управления (ОУ) и управляющее устройство (УУ). В случае, когда в системе управления все функции по обработке информации о цели и результатах управления, выработке управляющих воздействий и их передаче на управляющие устройства выполняются без участия человека, система называется автоматической.

Система управления режимом измельчения состоит из следующих элементов: самотека, вальцового станка, пневмоприемника, циклона- разгрузителя, шлюзового затвора, рассева, расходомера, регулятора, задатчика, исполнительного механизма регулирования зазора. Сигнал с расходомера подается в измерительный блок регулятора, где сравнивается с сигналом задатчика; при несоответствии между этими сигналами возникает сигнал рассогласования, который поступает в электронный блок регулятора. Электронный блок усиливает сигнал рассогласования до величины, необходимой для приведения в действие электродвигателя исполнительного механизма.

Анализ технологического процесса измельчения зерна.

Предназначение молотковой дробилки - измельчение зерна в обойную муку, различных компонентов комбикорма и повторного измельчения муки. Процесс измельчения происходит под воздействием удара и сопровождается истиранием. При этом, скорость рабочих органов выбирается между 40-120 м/с. Скорость молотков - один из важнейших факторов, который влияет на эффективную работу дробилки. При увеличении частоты ударов молотков о частицы продукта, степень его измельчения также увеличивается. Если скорость молотков низкая, то эффективность работы падает и увеличивается расход энергии.

В зависимости от типа сырья выбирается нужная скорость вращения молотков, что позволяет достигнуть определенной степени помола. Измельчитель для зерна оснащен определенным числом быстровращающихся молотков, количество которых напрямую зависит от мощности электродвигателя. Мельница снабжена пневмосистемой, которая отвечает за всасывание зерна через заборник. Сырье поступает через шланг определенного диаметра в улавливатель. Затем сырье попадает в молотковую камеру, в которой происходит помол до определенного размера. Готовый продукт через выпускной патрубок подается наружу. Через гибкий напорный трубопровод перемолотый корм поступает в резервуар для хранения кормовой смеси.

Таким образом, если скорость вращения вальцов изменится при помощи тахогенератора ТП-75-20-0,2(звено обратной связи), построить цепь управления, то процесс можно автоматизировать.

2. Выбор и обоснование датчиков

Необходимо стабилизировать частоту вращения рабочего органа вальца. Диапазон регулирования y0 = 250 ± 5 об/мин.

Согласно заданию у 0 =250 об/мин (середина диапазона). Подбираем датчики с диапазоном 200…300об/мин и классом точности 1,0, включенный по мостовой схеме.

В этом случае:

y0=100% = 50%

от диапазона датчика. Это допустимо.

Погрешность датчика δ%=200·1 ⁄ 100=2 об/мин, то есть меньше допустимого отклонения.

Выбираем тахогенегатор ТП -75-20-0,2. Его технические характеристика приведены в таблице 1

В технологическом процессе измельчения зерна широко применяются датчики уровня, для контроля количества сыпучего вещества по его уровню (показатель объема); поплавковые датчики - линейное перемещение поплавка обеспечивает слежение за уровнем жидкости. Для перемещения уровня сыпучих веществ предусматривают вибрации поплавка. Основными элементами САУ являются чувствительные элементы:

·        преобразователи;

·        усилители;

·        исполнительные механизмы;

·        объекты регулирования;

·        командоаппараты и элементы защиты.

Для требуемого изменения зазора между вальцами применяется многооборотный исполнительный механизм, разработанный на базе серийного исполнительного механизма ПР-1М. Вручную зазор регулируется штурвалом. Крайние значения зазора ограничены пределами хода исполнительного механизма. Для этого в исполнительном механизме установлены микропереключатели, производящие отключение электродвигателя в крайних положениях.

Таблица 1 - Технические характеристики тахогенегатора ТП -75-20-0,2

Крутизна выходного напряжение

20+4 мВоб/мин

Номинальная частота вращения

3000об/мин

Максимальная частота вращения

6000об/мин

Минимальная частота вращения

0,1об/мин

Нагрузочное сопротивление, не менее

10кОм

Погрешность в диапазоне частот вращения

30-4000 об/мин не более 0,2%

Коэффициент пульсации при максимальной частоте вращения

1,0%

Масса

не более - 0,5 кг

Щетки

марки СГ 1.


3. Описание структурной схемы автоматизации измельчения зерна

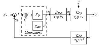
Структурная схема САР ТП изображена на Рис. 1

Рис. 1 - Структурная схема САР ТП

 

у 0 - заданный параметр;

у - регулируемый параметр;

f - возмущающее воздействие;

КУ - коэффициент передачи (КП) усилительного звена;

ККЭ - КП корректирующего звена;

КИМ - КП исполнительного механизма;

КОР - КП объекта регулирования;

КОС - КП обратной связи;

ε - рассогласование между у 0 и у 1 ;

z1, z2 - промежуточные значения сигналов;

τ1, τ2, τ3 - постоянные времени.

Ку=12; Ким=1,0;

;

Кор=20;

;

Кос=1,0; у 0=250±5 об/мин.

3.1 Определение коэффициента передачи корректирующего элемента усилителя

Для определения коэффициента передачи корректирующего элемента усилителя Ккэ можно воспользоваться методикой измерения в [1].

В качестве исходных данных здесь необходимо использовать ограничения по статической ошибке САР, заданные для технологического процесса (согласно заданию) как y0 ± Δy=2505об/мин. При этом следует помнить, что по определению, статическая ошибка равна разности между установившимся значением контролируемого параметра yуст и его заданным значением y0, то есть:

 

Δy = yуст - y0, (1)

 

ууст=250+5=255,

ууст=250-5=245,

<ууст<255.

Между передаточной и переходной характеристиками линейной системы с постоянными параметрами лежит связь, позволяющая утверждать что:

 

К(0) = h(∞). (2)

Значение h(∞) характеризует состояние САР в установившемся режиме, когда все переходные процессы заканчиваются. При t → ∞ контролируемый параметр y yуст. Предположив, что р = 0, выражение для передаточной функции САР, после преобразований имеет вид:

 (3)

А = КУ∙ КИМ ∙ КОР=

В = 1+КОС ∙КУ ∙КИМ ∙ КОР=

Если использовать испытательный сигнал в виде y0 1(t), то получим переходную характеристику также в виде y0 h(t). Тогда:

 

yуст = y0 К(0) = y0 h(∞). (4)

Но согласно заданию:

 

y0 - Δy ≤ yуст≤ y0 + Δy или y0 - Δy ≤ ≤ y0 + Δy . (5)

В последнем неравенстве неизвестным является параметр ККЭ, значения которого несложно определить из системы: