Материал: Автоматизация подогрева воды на ТЭЦ БКПРУ-4

Внимание! Если размещение файла нарушает Ваши авторские права, то обязательно сообщите нам

Внешний контур (регулятор Р2) контролирует основную регулируемую величину и воздействует не на исполнительный механизм, а на задание регулятора Р1, который поддерживает на заданном значении некоторую вспомогательную величину, взятую из промежуточной точки регулируемого объекта W2(s).

Такие системы эффективны, когда поступают сильные возмущения со стороны регулирующего органа, при этом промежуточная величина реагирует на эти возмущения с меньшей инерционностью, чем основная регулируемая величина.

6. Проведение активного эксперимента. Получение динамических характеристик объекта управления

Для получения динамических свойств объекта воспользуемся методом активного эксперимента.

Для расчёта системы снимем следующие кривые разгона переходных процессов:

Изменение положения регулирующего органа - изменение расхода газа;

Изменение положения регулирующего органа - изменение температуры воды на выходе.

Рис. 3 - Схема проведения эксперимента

Снятие первой кривой разгона (изменение положения регулирующего органа - изменение расхода газа).

Изменим положение регулирующего органа подачи газа, приоткрыв его на 10%. Расход газа до проведения эксперимента составлял 2500 м3/ч, после возмущения - 3500 м3/ч (процентное изменение выходного сигнала составило 63,3-88,6% (100%- 3950 м3/ч)). Время эксперимента t=20 c. Запаздывание t=2 с.

Рис. 4

Таблица 3 - Координаты кривой разгона объекта по внутреннему контуру: «изменение положения регулирующего органа - изменение расхода газа»

N

X

Y

1

0

2500

2

1

2546

3

2

2633

4

3

2734

5

4

2845

6

5

2936

7

6

3015

8

7

3086

9

8

3146

10

9

3214

11

10

3274

12

11

3320

13

12

3360

14

13

3398

15

14

3431

16

15

3459

17

16

3478

18

17

3489

19

18

3496

20

19

3499

21

20

3500


Снятие второй кривой разгона (изменение положения регулирующего органа - изменение температуры воды на выходе).

Изменим положение регулирующего органа подачи газа, приоткрыв его на 10%. Температура воды на выходе до проведения эксперимента составляла 800С, после возмущения - 1100С (процентное изменение составило 53,(3)-77,(3)% (100%- 1500С)). Время эксперимента t=1200 с. Запаздывание t=30 с.

Будем использовать это изменение в качестве переходной характеристики процесса.

Рис. 5

Таблица 4 - Координаты кривой разгона объекта по внешнему контуру: «изменение положения регулирующего органа - изменение температуры на выходе»

N

X

Y

1

0

80

2

50

81,27

3

100

83,31

4

150

85,55

200

88,01

6

250

90,21

7

300

92,72

8

350

95,41

9

400

97,9

10

450

99,93

11

500

101,78

12

550

103,3

13

600

104,82

14

650

105,89

15

700

106,88

16

750

107,76

17

800

108,38

18

850

108,78

19

900

109,18

20

950

109,38

21

1000

109,69

22

1050

109,79

23

1100

109,88

24

1150

109,96

25

1200

110


Обработка экспериментальных данных:

-Линеаризация кривой разгона (в программе «Идентификация»).

-Сглаживание кривой разгона.

Сглаживание осуществлялось в программе «Идентификация». Так как в данном случае динамические характеристики представлены в виде массива точек, то можно использовать интерполяцию. Все три характеристики сглаживаем по 3 точкам.

-Нормирование кривой разгона

Нормирование осуществлялось в программе «Идентификация» по формуле:


Многие методы идентификации требуют, чтобы кривая разгона была приведена к единичному виду, т.е. была бы нормирована. Значения ординат реальной кривой разгона выражены либо в единицах технического параметра, либо в процентах. Ординаты нормированной кривой разгона имеют безразмерную величину.

Таблица 5 - Обработка кривой разгона объекта по внутреннему контуру: «изменение положения регулирующего органа - изменение расхода газа»

t, с

F, м3/ч

Линеаризация

Сглаживание

Нормирование

1

0

2500

2500

2493,167

0

2

1

2546

2546

2559,667

0,066027

3

2

2633

2633

2637,667

0,143472

4

3

2734

2734

2737,333

0,242429

5

4

2845

2845

2838,333

0,342711

6

5

2936

2936

2932

0,435711

7

6

3015

3015

3012,333

0,515472

8

7

3086

3086

3082,333

0,584974

9

8

3146

3146

3148,667

0,650836

10

9

3214

3214

3211,333

0,713056

11

10

3274

3274

3269,333

0,770644

12

11

3320

3320

3318

0,818964

13

12

3360

3360

3359,333

0,860003

14

13

3398

3398

3396,333

0,89674

15

14

3431

3431

3429,333

0,929505

16

15

3459

3459

3456,667

0,956644

17

16

3480

3480

3475

0,974847

18

17

3486

3486

3487,333

0,987093

19

18

3496

3496

3493,667

0,993381

20

19

3499

3499

3498,333

0,998014

21

20

3500

3500

3500,333

1


Для дальнейших расчётов систем автоматического управления необходимо по кривым разгона получить передаточные функции, отражающие динамические свойства объекта управления.

Получим передаточную функцию.


Проверку проведем с помощью теоремы разложения в программе «Калькулятор передаточных функций».

Корни знаменателя передаточной функции:

,232-j0,111

,232+j0,111

Вещественная часть корня отрицательная, следовательно, можно сделать вывод, что объект устойчивый.

Аналитическое выражение переходного процесса:

Y(t)=1,000+(2,098*Cos((-4,216)+(0,111*t))*Exp(-0,232*t))

Таблица 6 - Сравнение аппроксимированной и нормированной кривой разгона по внутреннему контуру: «изменение положения клапана - изменение расхода газа»

t, с

Нормированная

Аппроксимированная

Погрешность

1

0

0

0,000

0

2

1

0,066027

0,049

0,017027

3

2

0,143472

0,130

0,013472

4

3

0,242429

0,226

0,016429

5

4

0,342711

0,328

0,014711

6

5

0,435711

0,427

0,008711

7

6

0,515472

0,519

-0,00353

8

7

0,584974

0,603

-0,01803

9

8

0,650836

0,676

-0,02516

10

9

0,713056

0,740

-0,02694

11

10

0,770644

0,793

-0,02236

12

11

0,818964

0,838

-0,01904

13

12

0,860003

0,874

-0,014

14

13

0,89674

0,904

-0,00726

15

14

0,929505

0,928

0,001505

16

15

0,956644

0,946

0,010644

17

16

0,974847

0,961

0,013847

18

17

0,987093

0,972

0,015093

19

18

0,993381

0,981

0,012381

20

19

0,998014

0,987

0,011014

21

20

1

0,992

0,008


Рис. 6

Для обработки экспериментальных данных по каналу «положение клапана - температура в контактном аппарате» произведём аналогичные действия.

Таблица 7 - Обработка кривой разгона объекта по каналу: «изменение положения клапана - температура в контактном аппарате»

t, с

ТК,0С

Линеаризация

Сглаживание

Нормирование

1

2

3

4

5

6

1

0

80

80

79,87167

0

2

50

81,27

81,27

0,05492

3

100

83,31

83,31

83,37667

0,11631

4

150

85,55

85,55

85,62333

0,190863

5

200

88,01

88,01

87,92333

0,267187

6

250

90,21

90,21

90,31333

0,346496

7

300

92,72

92,72

92,78

0,42835

8

350

95,41

95,41

95,34333

0,513412

9

400

97,9

97,9

97,74667

0,593164

10

450

99,93

99,93

99,87

0,663625

11

500

101,78

101,78

101,67

0,723356

12

550

103,3

103,3

103,3

0,777446

13

600

104,82

104,82

104,67

0,822908

14

650

105,89

105,89

105,8633

0,862508

15

700

106,88

106,88

106,8433

0,895028

16

750

107,76

107,76

107,6733

0,922571

17

800

108,38

108,38

108,3067

0,943587

18

850

108,78

108,78

108,78

0,959294

19

900

109,18

109,18

109,1133

0,970356

20

950

109,38

109,38

109,4167

0,980421

21

1 000

109,69

109,69

109,62

0,987169

22

1 050

109,79

109,79

109,7867

0,9927

23

1 100

109,88

109,88

109,8767

0,995686

24

1 150

109,96

109,96

109,9467

0,998009


В результате получили передаточную функцию:


Проверку проведем с помощью теоремы разложения в программе «Калькулятор передаточных функций».

Корни знаменателя передаточной функции:

,004-j0,002

,004+j0,002

Вещественная часть корня отрицательная, следовательно, можно сделать вывод, что объект устойчивый.

Аналитическое выражение переходного процесса:

Y(t)=1,000+(2,344*Cos((-4,272)+(0,002*t))*Exp(-0,004*t))

Таблица 8 - Сравнение аппроксимированной и нормированной кривой разгона по каналу: «изменение положения клапана - температура в контактном аппарате»

t, с

Нормированная

Аппроксимированная

Погрешность

1

2

3

4

5

1

0

0

0,000

0

2

50

0,05492

0,028

0,02692

3

100

0,11631

0,091

0,02531

4

150

0,190863

0,174

0,016863

5

200

0,267187

0,266

0,001187

6

250

0,346496

0,360

-0,0135

7

300

0,42835

0,450

-0,02165

8

350

0,513412

0,534

-0,02059

9

400

0,593164

0,610

-0,01684

10

450

0,663625

0,678

-0,01438

11

500

0,723356

0,736

-0,01264

12

550

0,777446

0,786

-0,00855

13

600

0,822908

0,829

-0,00609

14

650

0,862508

0,864

-0,00149

15

700

0,895028

0,893

0,002028

16

750

0,922571

0,917

0,005571

17

800

0,943587

0,937

0,006587

18

850

0,959294

0,952

0,007294

19

900

0,970356

0,964

0,006356

20

950

0,980421

0,974

0,006421

21

1 000

0,987169

0,981

0,006169

22

1 050

0,9927

0,987

0,0057

23

1 100

0,995686

0,991

0,004686

24

1 150

0,998009

0,994

0,004009

25

1 200

1

0,997

0,003


Рис. 7

Вычисление коэффициентов передачи объекта

По данным эксперимента определим время запаздывания и коэффициент передачи объекта по формуле:


Для Wр1(S):

Время чистого запаздывания tч.з.=2 с.

1,66666

Для Wр2(S):

Время чистого запаздывания tч.з.=30 с.

 2

7. Обоснование и выбор системы автоматизации технологического процесса

Современные технологические процессы отличаются многообразием параметров подлежащих контролю и регулированию. Государственная система промышленных приборов и средств автоматизации позволила унифицировать средства контроля и регулирования, и выделила, по виду энергии носителя сигнала три основные ветви устройств ГСП: электрическую, пневматическую и гидравлическую.

Для контроля и регулирования процесса конверсии аммиака в производстве слабой азотной кислоты, учитывая специфические условия работы (взрывоопасность производства и агрессивность среды), используется пневматическая и электрическая ветвь ГСП.

Пневматические приборы отличаются простотой обслуживания, сравнительно невысокой стоимостью, а также удовлетворительной защитой приборов от коррозии, за счёт продувки ответственных элементов чистым воздухом. Пневматическая ветвь характеризуется безопасностью в легковоспламеняющихся и взрывоопасных процессах.

Электрические приборы обладают высокой чувствительностью, точностью регулирования, обеспечивают дальность связи и большую емкость каналов передачи информации.

При выборе средств измерений будем использовать однотипные приборы, что даёт значительные эксплуатационные преимущества, как с точки зрения настройки, так и при техническом обслуживании и ремонте.

Для измерения расхода в качестве датчика используем диафрагму камерную, величина условного прохода зависит от измеряемого расхода. В комплекте с диафрагмой работает дифманометр «Сапфир 22 ДД-Ех ». Преимущества этого прибора в том, что он имеет на выходе унифицированный токовый сигнал и достаточно надёжен в работе, а также обладает достаточно хорошей стабильностью показаний. Сигнал с дифманометра поступает на блок питания БПС-24П.

Для измерения температуры используются термоэлектрические преобразователи ТХА. Для преобразования сигнала ТХА в унифицированный токовый сигнал 4-20 мА используем нормирующий преобразователь П282.

Для измерения избыточного давления используем «Сапфир 22 ДИ-Ех» с токовым выходом 4-20 мА. Для измерения уровня используем уровнемер «Сапфир 22 ДД-Ех» с токовым выходом 4-20 мА.

Управляющий токовый сигнал с выхода «Ломиконта Л-112» подается на электро-пневмопреобразователь ЭПП - 2, с которого сигнал подаётся на пневматический мембранный исполнительный механизм.

Проанализировав существующие в настоящее время приборы автоматического регулирования, и учитывая число параметров подлежащих контролю и регулированию устанавливаем микропроцессорный контроллер «Ломиконт Л-112». Кроме того, на ОАО «Азот» имеется опыт эксплуатации и ремонта данного типа контроллера. Данный контроллер обеспечивает фильтрацию сигналов, их интерполяцию, интегрирование, а также выполняет все операции управляющей логики. Позволяет осуществить достаточно сложные алгоритмы управления и законы регулирования, оперируя с дискретными, аналоговыми и импульсными входными и выходными сигналами, что важно для создания многофункциональной системы управления технологическим процессом.

«Ломиконт Л - 112» является программируемым изделием. Язык программирования - МИКРОЛ. Все структуры запрограммированных управляющих контуров в течение периода эксплуатации могут изменяться и дополняться, т.е. не имеют жёстко фиксированных связей. Контроллер работает со стандартными унифицированными входными и выходными сигналами.

8. Расчёт одноконтурной системы регулирования

Порядок расчета:

. Задаемся известной передаточной функцией

. Выбираем тип регулятора

. Методом Роточа определяем настройки регулятора

Передаточная функция объекта основного канала «изменение положения клапана - изменение температуры в контактном аппарате» имеет вид:


Время чистого запаздывания t = 30 с;

коэффициент передачи объекта Кп.о = 2

В программе LINREG задаем коэффициенты передаточной функции объекта второго порядка с запаздыванием. Выбираем ПИ - регулятор и определяем его настройки. В результате получаются следующие данные:

коэффициент пропорциональности Кр=4,9031;

время изодрома Tиз=227,721;

резонансная частота wрез=0,0060.

Передаточная функция ПИ - регулятора имеет вид:

,

где Ти - время интегрирования:

.

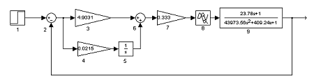
Для моделирования переходных процессов одноконтурной системы регулирования по управлению и по возмущению воспользуемся пакетом Simulink программы MatLab.

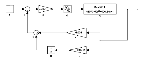
Рис. 8 - Структурная схема одноконтурной системы регулирования по управлению

На рисунке 8 цифрами обозначены следующие блоки:

- блок, моделирующий единичный скачок по управлению,

- блок, реализующий функцию вычитание двух сигналов y(t)=x1(t)-x2(t),

- блок, реализующий пропорциональную составляющую регулятора К=4,9031,

,5 - блоки, реализующие интегральную составляющую регулятора


- блок, реализующий функцию сложения двух сигналов y(t)=x1(t)+x2(t),

- блок, реализующий коэффициент передачи основного канала объекта К=0,333,

- блок, реализующий чистое запаздывание τ=50,

9 - блок, реализующий передаточную функцию основного канала объекта

.

Переходной процесс по управлению одноконтурной системы регулирования

Рис. 9

Показатели качества регулирования:

время регулирования tp=1400;

динамическая ошибка Yдин=0,325;

степень затухания ψ=0,846.

Рис. 10 -  Структурная схема одноконтурной системы регулирования по возмущению

На рисунке 10 цифрами обозначены следующие блоки:

- блок, моделирующий единичный скачок по управлению,

- блок, реализующий функцию вычитание двух сигналов y(t)=x1(t)-x2(t),

- блок, реализующий коэффициент передачи основного канала объекта К=0,333,

- блок, реализующий чистое запаздывание τ=50,

5 - блок, реализующий передаточную функцию основного канала объекта

,

- блок, реализующий функцию сложения двух сигналов

(t)=x1(t)+x2(t),

,9 - блоки, реализующие интегральную составляющую регулятора


Переходной процесс по возмущению одноконтурной системы регулирования

Рис. 11

Показатели качества регулирования:

время регулирования tp=800;

динамическая ошибка Yдин=0,12;

степень затухания ψ=0,917.

9. Расчёт каскадной системы регулирования

Порядок расчёта:

. Рассчитаем настройки ведомого регулятора аналогично расчету настроек регулятора одноконтурной АСР

. Определим передаточную функцию эквивалентного объекта

. По передаточной функции эквивалентного объекта определим настройки ведущего регулятора

Передаточная функция объекта внутреннего канала «изменение положения клапана - расход газообразного аммиака» имеет вид:


Время чистого запаздывания t = 2 с;

коэффициент передачи объекта Кп.о = 1,107.

В программе LINREG задаём коэффициенты передаточной функции, выбираем ПИ-регулятор и определяем его настройки. В результате получаем следующие данные:

коэффициент пропорциональности Кр=1,2636;

время изодрома Tиз=4,9575;

резонансная частота wрез=0,2811.

,

где Ти - время интегрирования.

Переходной процесс по возмущению внутреннего контура каскадной системы

Рис. 12

Показатели качества регулирования:

время регулирования tp=33;

динамическая ошибка Yдин=0,52;

степень затухания ψ=0,904.

Сравнивая график нормированной кривой разгона по основному каналу и переходный процесс внутреннего контура каскадной системы, делаем вывод о том, что за время запаздывания основного контура переходный процесс во внутреннем контуре успевает полностью установиться, следовательно, передаточная функция эквивалентного объекта имеет вид:


Рис. 13

С помощью программы «Калькулятор передаточных функций» получим следующее выражение передаточной функции эквивалентного объекта Wоб.э2:


В программе LINREG определяем настройки ведущего регулятора. Для ПИ-регулятора получаем:

коэффициент пропорциональности Кр=7,7643;

время изодрома Tиз=280,038;

резонансная частота wрез=0,0068.

,

где Ти - время интегрирования.

Следовательно, передаточная функция ведущего регулятора запишется:


После определения настроечных параметров ведущего регулятора необходимо пересчитать настройки стабилизирующего регулятора по передаточной функции:


С помощью программы «Калькулятор передаточных функций» получим следующее выражение передаточной функции эквивалентного объекта Wоб.э1 :


В программе LINREG получаем следующие уточненные настройки ведомого регулятора:

коэффициент пропорциональности Кр=2,0844;

время изодрома Tиз=5,2985;

резонансная частота wрез=0,3958,

.

Для моделирования переходных процессов каскадной системы регулирования по управлению и по возмущению воспользуемся пакетом Simulink программы MatLab.

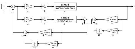
Рис. 14 - Структурная схема каскадной системы регулирования по управлению

На рисунке 14 цифрами обозначены следующие блоки:

- блок, моделирующий единичный скачок по управлению,

,3 - блок, реализующий функцию вычитание двух сигналов y(t)=x1(t)-x2(t),

- блок, реализующий пропорциональную составляющую ведущего регулятора К=4,9031,

,6 - блоки, реализующие интегральную составляющую ведущего регулятора


,8 - блок, реализующий функцию сложения двух сигналов y(t)=x1(t)+x2(t),

- блок, реализующий пропорциональную составляющую ведомого регулятора К=2,0844,

,11 - блоки, реализующие интегральную составляющую ведомого регулятора


- блок, реализующий коэффициент передачи основного канала объекта К=0,333,

- блок, реализующий чистое запаздывание основного канала объекта τ=50,

14 - блок, реализующий передаточную функцию основного канала объекта

,

- блок, реализующий коэффициент передачи внутреннего канала объекта К=1,107,

- блок, реализующий чистое запаздывание внутреннего канала объекта τ=2,

17 - блок, реализующий передаточную функцию внутреннего канала объекта

.

Переходной процесс по управлению каскадной системы регулирования

Рис. 15

Показатели качества регулирования:

время регулирования tp=1300;

динамическая ошибка Yдин=0,268;

степень затухания ψ=0,888.

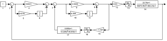
Рис. 16 - Структурная схема каскадной системы регулирования по возмущению

На рисунке 16 цифрами обозначены следующие блоки:

- блок, моделирующий единичный скачок по управлению,

,9 - блок, реализующий функцию вычитание двух сигналов y(t)=x1(t)-x2(t),

- блок, реализующий коэффициент передачи основного канала объекта К=0,333,

- блок, реализующий чистое запаздывание основного канала объекта τ=50,

5 - блок, реализующий передаточную функцию основного канала объекта

,

- блок, реализующий коэффициент передачи внутреннего канала объекта К=1,107,

- блок, реализующий чистое запаздывание внутреннего канала объекта τ=2,

8 - блок, реализующий передаточную функцию внутреннего канала объекта

,

,14 - блок, реализующий функцию сложения двух сигналов

(t)=x1(t)+x2(t),

- блок, реализующий пропорциональную составляющую ведущего регулятора К=4,9031,

,13 - блоки, реализующие интегральную составляющую ведущего регулятора


- блок, реализующий пропорциональную составляющую ведомого регулятора К=2,0844,

,17 - блоки, реализующие интегральную составляющую ведомого регулятора.


Переходной процесс по возмущению каскадной системы регулирования

Рис. 17

Показатели качества регулирования:

время регулирования tp=650;

динамическая ошибка Yдин=0,108;

степень затухания ψ=0,907.

10. Сравнение динамических характеристик систем автоматического регулирования

Для удобства наблюдения за качеством переходных процессов, сведём все показатели в одну таблицу.

Необходимо отметить, что степень затухания переходного процесса определяется по формуле:

,

где А1 и А2 - соседние амплитуды колебаний, направленные в одну сторону.

Время регулирования - это отрезок времени, за который значение регулируемой величины достигает нового установившегося значения с заданной точностью.

Динамическая ошибка - максимальное отклонение регулируемой величины от заданного значения.

Таблица 9 - Показатели качества переходных процессов

Тип АСР

По управлению

По возмущению


Динамическая ошибка, %

Степень затухания

Время регулирования, с.

Динамическая ошибка, %

Степень затухания

Время регулирования, с.

Одноконтурная

32,5

0,846

1400

12,0

0,917

800

Каскадная

26,8

0,888

1300

10,8

0,907

650


Вывод: исходя из представленных данных, можно сделать заключение, что введение дополнительного регулятора в каскадной схеме даёт улучшение регулирования (уменьшилось время регулирования). Выбираем к реализации каскадную систему регулирования.

11. Реализация рассчитанной системы автоматизации

Реализация каскадной системы регулирования осуществляется на базе логического микропроцессорного контроллера «Ломиконт Л-112».

После расчёта были получены значения настроечных параметров регуляторов. Для реализации этих параметров на реальном объекте их необходимо привести к абсолютному виду, то есть необходимо учитывать коэффициенты передачи объекта. Для этого нормированный коэффициент передачи регулятора делится на коэффициент передачи объекта

п=kпн/kпо

Параметры регуляторов сведены в таблицу:

Таблица 10

Параметры

kп

Ти,с

Для регулятора основного контура W1(s)

14,72

46,44

Для регулятора внутреннего контура W2(s)

1,88

2,54


Логический микропроцессорный контроллер Ломиконт является многоцелевым контроллером общепромышленного назначения. Он предназначен для автоматического управления технологическими процессами. Ломиконт обрабатывает дискретные, аналоговые и импульсные входные сигналы; формирует дискретные, аналоговые и импульсные выходные сигналы, выполняет операции управления логики, имеет таймеры и счётчики, параллельно с логическим управлением осуществляет сложную обработку аналоговых сигналов, в том числе фильтрацию, интегрирование, ПИ- и ПИД- регулирование с автоподстройкой и без нее, интерполяцию по времени и параметру, позволяет выводить технологические сообщения и текущие значения параметров на дисплей для наблюдения за ходом процесса и на печатающее устройство для документирования процесса управления.

Ввод в Ломиконт программы управления конкретным технологическим объектом и отладка этой программы называется технологическим программированием Ломиконта. При работе с Ломиконтом используется микропроцессорный пульт Ломиконта, имеющий экран и специализированную клавиатуру. Программа пользователя составляется на технологическом языке Ломиконта - МИКРОЛ. Работа оператора с пульта происходит в диалоговом режиме с автоматическим контролем правильности действий оператора. Программа пользователя, введенная оператором в Ломиконт, равно как и информация о текущем состоянии процесса управления, сохраняется при отключении питания.

Л-112 - дублированная модель повышенной надежности, представляет собой связанные цифровой связью два комплекта аппаратуры. Один из них работает в режиме "горячего" резерва.

Пакет программ "АРМ оператора-технолога" (Visualization of Technology and Control - VTC)позволяет без программирования создать на ПЭВМ систему, обеспечивающую решение следующих задач в АСУТП:

отображение информации о ходе технологического процесса на экране ПЭВМ в виде графических мнемосхем, имеющих статическую и динамическую части;

оперативное управление технологическим процессом с клавиатуры ПЭВМ, включая контроль действий оператора и защиту от несанкционированного доступа;

вывод на экран ПЭВМ аварийных и технологических сообщений и их регистрация на внешнем носителе ПЭВМ;

сбор и отображение информации об истории технологического процесса;

отображение графиков текущих значений технологических параметров за заданный интервал времени;

печать или сохранение на внешнем носителе рапортов о ходе технологического процесса.

Кроме того, пакет обеспечивает выполнение на ПЭВМ в фоновом режиме программы пользователя.

Пакет обеспечивает обмен технологической информацией между несколькими операторскими станциями, соединенными между собой по последовательным каналам.

Система может включать специализированную функциональную клавиатуру оператора-технолога.

Используются следующие алгоритмы:

ПИ - А(001) - ПИ - регулирование аналоговое;

СУМ(030) - суммирование.

Описание схемы реализации каскадной АСР

Блок-схема реализации каскадной системы регулирования приведена на рисунке 18.

Рисунок 18 - Блок-схема каскадной системы регулирования

На рисунке 18 приняты следующие обозначения:

Х - текущее значение температуры,

Хзд - заданное значение температуры,

Хр1, Хр2 - регулирующее воздействие,

РУЧН - ручной режим,

Х1 - значение расхода газообразного аммиака,

e1, e2 - сигнал рассогласования.

Приложение

Спецификация применяемых средств автоматизации

Позиция

Наименование и техническая характеристика

Тип, марка, обозначение документа, опросного листа

Код изделия, оборудования, материала

Завод изготовитель

Единицы измерения

Количество

Масса единицы

Примеч.

1

2

3

4

5

6

7

8

9


Приборы и средства









автоматизации








11-1

Термоэлектрический

ТХА-0193-02-Т


г. Челябинск,

шт.

1




преобразователь,

ТУ 311.00226253.


«Метран»






гр. ХА, предел измерения

032-93








-40+10000С, класс допуска 2








11-2

Нормирующий преобразо-

П282


г. Северо-

шт.

1

2,6 кг



ватель, гр. ХА, выходной

ГОСТ 13384-81


Донецк, ОКБА






сигнал (4-20)мА,









одноканальный, класс









точности 0,5








11-3

Электропневмопреобразо-

ЭПП-2


г. Челябинск

шт.

1

2,5 кг



ватель, входной сигнал (4 -



«Метран»






20) мА, класс точности 1,0








11-4

Мембранный исполнитель-

МИМ-100


г. Чебоксары

шт.

1




ный механизм



«Электроприбор»





16-1

Диафрагма камерная,

ДКС-10-100-А-II


г. Челябинск

шт.

1




исполнение II

ГОСТ 8.563-98


«Метран»





16-2

Преобразователь измери-

Сапфир 22-Ех-М-


г. Челябинск

шт.

1




тельный разности

-ДД-2420-01-


«Прибор»






давления, диапазон

-УХЛ3.1-0,5/-16кПа








измерения (0 - 16) кПа,









выходной сигнал (4-20)мА,









класс точности 0,5









Блок питания,

БПС-24П


г. Москва

шт.

1

4,2 кг



выходной сигнал (4-20)мА,



МПО









«Манометр»






Контроллер Ломиконт-112



г. Чебоксары

шт.

1







«Электроприбор»