|
Результаты
лечения
|
|
Нозологические
формы
|
Кол-во
больных
|
Значительное
улучшение
|
Улучшение
|
Без
эффекта
|
|
Болевой
синдром остеохондроза позвоночника
|
768
|
319
(41,6%)
|
403
(52,4%)
|
46
(6,0%)
|
|
Функциональные
заболевания нервной системы
|
284
|
247
(87%)
|
37
(13%)
|
|
|
Аллергические
дерматозы (аллергический дерматит, хроническая экзема, нейродермит,
крапивница)
|
125
|
115
(92%)
|
7
(5,6%)
|
3(2,4%)
|
|
Острый
ринит, острый ринофарингит
|
238
|
138
(58,7%)
|
81
(34,3%)
|
16
(7%)
|
|
Аллергические
риносинусопатии, в т. ч. в сочетании с бронхиальной астмой
|
160
|
82
(51,2%)
|
61
(38%)
|
17
(10,8%)'
|
|
Бронхиальная
астма
|
196
|
89
(45,4%)
|
76
(38,8%)
|
31
(15,8%)
|
|
Нейроциркуляторная
дистония по гипотоническому типу
|
114
|
69
(60,7%)
|
34
(30%)
|
11
(9,3%)
|
|
Гипертоническая
болезнь I-IA стадии
|
98
|
35
(35,7 %)
|
58
(59%)
|
5(5,3%)
|
|
Прочие
заболевания
|
358
|
215
(60 %)
|
102
(28,6%)
|
41
(11,4%)
|
|
Всего
|
2338
|
1309
(56%)
|
859
(37%)
|
170
(7%)
|
|
|
|
|
|
|
Под действием слабых и умеренных электрических
раздражителей у живых организмов обнаруживаются две ответные реакции −
тренировки и активации. (М.Д. Уколовой, Л.X. Гаркавн, Е.Б. Квакиной)
Если эти реакции поддерживаются длительное
время, то организм становится более устойчивым в преодолении различных
трудностей, более резистентным по отношению к различным заболеваниям.
Применение раздражителя такого рода позволяет добиться поразительного эффекта −
рассасывания опухолей у экспериментальных животных и поверхностно расположенных
злокачественных новообразований у человека.
Потенциал БАТ в зависимости от заболевания
представлен на рисунке 1.1.7
Рисунок 1.1.7 - Электрический
потенциал БАТ:
1
- здоровый человек; 2 − больной
Установлено, что применение микротоковой рефлексотерапии
приводит к повышению функциональных возможностей организма с дальнейшим
ускорением выработки новых двигательных навыков за счет стабилизации
патологической активности срединно-стволовых структур, восстановления
корково-подкорковых взаимоотношений, повышения функциональной активности
мозжечка, коррекции тонуса мышц-антагонистов, участвующих в патологических
установках конечностей, а так же активации стресс-лимитирующих механизмов.
Коррегирующее воздействие микротоковой
рефлексотерапии оказывает положительное влияние на гемодинамические и
ликвородинамические нарушения, за счет рефлекторной стабилизации тонуса
церебральных сосудов артериального и венозного русла, а так же стабилизирует
тонус мышц опорно-двигательного и артикуляционного аппарата. Совокупность
выявленных эффектов способствует существенному расширению адаптивных процессов
в центральной нервной системе c развитием миелинизации и дендритного
синаптогенеза, что существенно ускоряет реабилитационный процесс с развитием
новых навыков.
Таким образом, электрорефлексотерапия улучшает
процессы регенерации и восстановлении мышечной ткани. [9]
Преимущества данного метода заключаются в том,
что воздействие осуществляется на ограниченном участке кожной поверхности,
обладающем высокой степенью дифференциации и наименьшим электрическим
сопротивлением в области акупунктурной точки. Так, например, если электрическое
сопротивление для индифферентных участков кожи равно 1-2 мОм, то сопротивление
в акупунктурных точках будет равным 20 - 40 кОм.
Действие физиологического раздражителя на такой
участок позволяет получить выраженный терапевтический эффект даже в тех
случаях, когда обычные медикаментозные и физиотерапевтические процедуры не дают
сколько-нибудь значительного результата. Это позволяет сократить сроки лечения,
снизить расход лекарственных препаратов, а следовательно, их токсическое
влияние на организм в целом.
1.2 Разработка медико-технических требований
1 Наименование и область применения
1.1 Наименование: Аппарат для
электрорефлексотерапии.
.2 Область применения: аппарат предназначен для
диагностики и лечения путём электрорефлекторного воздействия микротоками на
биологически активные точки. Используется для лечения широкого спектра
функциональных нарушений организма безмедикаметозными методами.
Основание для разработки
2.1 Разработка изделия проводится на основании
задания на курсовую работу на тему «Аппарат для электрорефлексотерапии».
3 Исполнитель разработки: студент УНИИ ИТ,
группы 41-ИД Асоцкий С. П.
Цель и назначение разработки
4.1 Основной целью разработки является создание
устройство для лечения широкого спектра функциональных нарушений организма
путём электрорефлекторного воздействия микротоками на БАТ.
.2 Устройство предназначено для лечения
функциональных нарушений организма.
.3 Преимуществом разрабатываемого устройства по
сравнению с существующими аналогами является поиск биологически активных точек
по значению индивидуального значения импеданса, а также воздействие на эту
точку.
Применение токов слабого напряжения приближает
воздействие по своим параметрам к токам биологических процессов. Вдобавок, это
позволяет избежать электрического и теплового пробоя кожи.
Канал измерения позволяет измерять сопротивления
с высокой точностью за счёт применения преобразователя сопротивление - частота.
Источники разработки
.1 Исходные требования определяются заданием на
курсовую работу;
ГОСТ Р 15.013-94 «Медицинские изделия»;
ГОСТ Р 50444-92 «Приборы, аппараты и
оборудование медицинские. Общие технические условия
<#"823013.files/image008.gif">
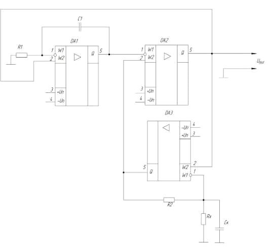
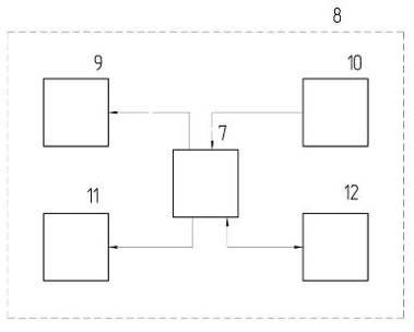
Рисунок 2.1.1 - Структурная схема устройства:
Демультиплексор
- 1; Преобразователь сопротивление - частота - 2; Постоянно запоминающее
устройство - 3; Аналого-цифровой преобразователь - 4; Преобразователь
напряжение-ток − 5; Цифро-аналоговый преобразователь - 6; Микропроцессор
- 7; Блок индикации и управления - 8.
На рисунке 2.1.2 приведена схема блока индикации
и управления.
Рисунок 2.1.2 − Схема блоком индикации и
управления: Звуковой
индикатор - 9; Блок ручного управления - 10; Визуальный индикатор - 11; Блок
связи - 12.
В постоянной памяти микропроцессора 7 хранится
программа проведения диагностики, и примерная топография точек, в которых
необходимо производить поиск БАТ, база данных, представленная в виде постоянно
запоминающего устройства 3, содержит сведения о возможной длительности импульса
и форме воздействия. Сведения представлены в виде дискретизованного по времени
сигнала.
Перед проведением диагностики активизируется
записанная в памяти микропроцессора 7 программа, задаются параметры сигнала
воздействия, в том числе и амплитуда, при помощи блока ручного управления 10, и
электрод приводится в контакт с телом пациента. Электрод соединён с
демультиплексором 1, который сопрягает измерительный канал или канал
воздействия с электродами. Управление демультиплексора осуществляется
микропроцессором 7.
Процесс воздействия происходит в два этапа. На
первом этапе производится измерение сопротивления в 10 зонах. Это необходимо
для определения кожного сопротивления пациента в индифирентных точках и задания
ориентировочного сопротивления, относительно которого будет осуществляться
поиск БАТ. Для помощи оператору на экране дисплея 11 микропроцессора 7
отображается топография точек, в которых необходимо проводить измерения.
Далее, касаясь электродом случайных участков
кожи, врач производит поиск БАТ по значению сопротивления в зоне контакта. При
сопротивлении меньше чем в 10..30 раз относительно опорного сопротивления,
микропроцессорное устройство 7 в ту же секунду подает управляющие сигналы на
звуковой индикатор 9 и визуальный индикатор 11. Индикаторы служат средством
привлечения внимания врача к точке касания и информируют его о нахождении БАТ
под электродом. Помимо этого визуальный индикатор 11 предоставляет информацию
об амплитуде тока воздействия.
Измерение сопротивления в зоне БАТ
микропроцессором 7 осуществляется следующим образом. Микропроцессор 7 подаёт
управляющее воздействие на демультиплексор 1 и посылает двоичную
последовательность на цифро-аналоговый преобразователь 6, который преобразует
цифровой код в аналоговую форму. Демультиплексор сопрягает выход
преобразователя напряжение - ток 5 и вход преобразователя сопротивление-частота
2.
Далее этот сигнал преобразуется в эквивалентное
значение амплитуды тока преобразователем напряжение - ток 5 и подаётся в зону
БАТ через электрод. Второй электрод отводит ток из зоны БАТ и через
демультиплексор подаёт на вход преобразователя сопротивление - частота 2.
Преобразователь сопротивление - частота 2
переводит значение сопротивления на входе в частоту сигнала и через свой канал
вывода отсылает преобразованный сигнал обратно микропроцессорному устройству 7.
Режим измерения тока воздействия осуществляется
следующим образом. АЦП 4 через свой канал ввода получает измерительный сигнал с
ЦАП 6 и переводит напряжение на его выходе в понятный для микропроцессора 7 эквивалентный
двоичный код. Зная коэффициент передачи преобразователя напряжение-ток,
микропроцессор определяет действующее значение тока.
Второй этап. После выбора значения амплитуды,
формы и длительности импульса сигнала воздействия, проводится загрузка данных в
оперативную память микропроцессора 7. Затем с выхода микропроцессора 7
поступает управляющий сигнал на демультиплексор. Одновременно с другого выхода
микропроцессора сформированный врачом сигнал воздействия поступает на вход ЦАП
6. Роль ЦАП 6 заключается в преобразовании переданной двоичной
последовательности в эквивалентную аналоговую форму.
Далее, выходное напряжение ЦАП изменяется до
необходимого значения амплитуды тока воздействия преобразователем
напряжение-ток 5.
С выхода преобразователя 5 ток поступает на
электрод, а затем и в зону БАТ. Второй электрод через демультиплексор отводит
ток на общий провод.
Важной особенностью микропроцессора является ещё
то, что при необходимости есть возможность сопряжения устройства с персональным
компьютером при помощи блока связи 15.
.2 Составление математического описания
В разрабатываемом аппарате для
электрорефлексотерапии предусмотрены два измерительных канала и один канал
воздействия. В зависимости от необходимости микропроцессор может подключать
поочерёдно канал воздействия и канал измерения к двум электродам. Второй же
измерительный канал находится под постоянным контролем микропроцессора.
Составим математическое описание измерительного
канала сопротивления зоны БАТ.
Демультиплексор представляет собой электронный
ключ управляемый микропроцессорным устройством и исполняет роль посредника
между двумя электродами и каналом измерения сопротивления и каналом воздействия
током. Отсюда, выходное сопротивление на выходе демультиплексора определяется
по формуле:
где 
- коэффициент передачи
демультиплексора,
Rx
- сопротивление зоны БАТ, Ом;
Rэ
- сопротивление электродов, Ом.
Следующим блоком канала измерения сопротивления
является преобразователь сопротивление - частота, который состоит из
интегратора компаратора и неинвертирующего усилителя. Последний имеет в своем
составе искомое активное сопротивление зоны БАТ, которое подключается через
демультиплексор к его инвертирующему входу.
Неинвертирующий усилитель содержит
последовательную отрицательную обратную связь по напряжению, создаваемую на
резисторе R0 и поданную на инвертирующий вход.
Полное входное сопротивление всей схемы
неинвертирующего ОУ оказывается высоким, так как единственным путем для тока
между входом и землей является высокое полное входное сопротивление ОУ.
Сопротивления RД и R2
образуют делитель напряжения с очень малой нагрузкой, так как ток, необходимый
для управления усилителем, очень мал (Iсм >> 0). Поэтому через
RД и R2 течет одинаковый ток.
Напряжение на выходе неинвертирующего ОУ будет
определяться выражением:
где 
- коэффициент передачи
неинвертирующего усилителя.
где 
- ток при поиске БАТ, пороговое
значение которого 2 мкА.
Возвращаясь к преобразователю
сопротивление - частота, определим выходную частоту напряжения и выражения
(2.4):
где 
- коэффициент передачи
преобразователя сопротивление − частота.
Подставляя (2.5) в (2.4), с учетом
(2.3), (2.2) и (2.1) получаем:
Для дальнейшей обработки и
вычислительных операций цифровой сигнал поступает на микроконтроллер.
Аналоговый канал воздействия
начинается с цифро-аналогового преобразователя, где преобразуется числовой код
в напряжение.
Выходное напряжение будет
определяться:
где кЦАП - коэффициент
передачи ЦАП,
N - числовой
код с микропроцессора.
где: VREF - значение
опорного напряжения ЦАП,

- число разрядов ЦАП
Выходное значение напряжения ЦАП
претерпевает изменение в преобразователе напряжение-ток, на котором завершается
формирование амплитуды тока до требуемого значения.
Ток с выхода преобразователя
напряжение-ток определяется выражением (2.8):
где кПНТ - коэффициент
передачи преобразователя напряжение-ток,
С ПНТ ток поступает на
демультиплексор, за счет которого происходит подача тока на электроды. Выходной
ток на выходе демультиплексора определяется по формуле:
где кД3 - коэффициент
передачи демультиплексора.
Подставляя (2.7) в (2.8) с учётом
(2.9) и (2.10) получаем выражение (2.11):
Затем ток протекает по электродам и
оказывает лечебный эффект на биологически активную точку.
Составим математическое описание
канала измерения тока воздействия.
Напряжение с ЦАП по параллельной
линии с преобразователем напряжение-ток поступает на вход аналого-цифрового
преобразователя, который преобразует напряжение в числовой эквивалентный код:
где 
- квант, В;
m -
разрядность АЦП;

- диапазон входных напряжений АЦП,
В;
Для дальнейшей обработки и
вычислительных операций цифровой сигнал поступает на микроконтроллер.
3.
Расчет параметров измерительной цепи и цепи воздействия
3.1 Синтез номинальной расчетной статической
характеристики
.1.1 Выбор цифро-аналогового преобразователя
В канале воздействия разрабатываемого устройства
имеют место аналоговые сигналы. Чтобы микропроцессор мог оказывать аналоговое
воздействие необходимо сигнал на выходе микропроцессора преобразовать в
аналоговую форму, для чего используется цифро-аналоговый преобразователь.
ЦАП должен быть приспособлен для работы в
микропроцессорной системе, иметь возможность синхронизации работы с микропроцессором,
должен подходить по разрядности и быстродействию, поэтому выберем 8 разрядный
ЦАП DAC0831.
Диапазон выходного напряжения для данного ЦАП от
0 до 5 В. Условно графическое представление ЦАП представлено на рисунке 3.1
Рисунок 3.1 - Цифро-аналоговый преобразователь DAC0831
Выбор ЦАП на данном этапе является
предварительным. Это связано с тем, что требования точности ЦАП будут получены
лишь после решения прямой задачи теории точности - синтеза.
Основные параметры ЦАП приведены в таблице 3.1
Таблица 3.1 -
Основные параметры DAC0831
|
Разрешение
|
8
бит
|
|
Время
установки
|
1
мкс
|
|
Каналов
|
1
|
|
Тип
выхода
|
Напряжение
|
|
Интерфейс
|
Parallel
|
|
Тип
источника опорного напряжения
|
±
5 В
|
|
Интегральная
нелинейность
|
0,1
|
|
Напряжение
питания
|
4,75…5,25
|
|
Ток
потребления
|
2,3
мА
|
|
Потребляемая
мощность
|
0,174
Вт
|
|
Диапазон
рабочих температур
|
-55…125
0С
|
Дискретный код преобразуется с помощью ЦАП в
аналоговый сигнал, при этом напряжение на выходе ЦАП:
где: N
- код на входе ЦАП,
VREF
- значение опорного напряжения,

- число разрядов ЦАП
Рассчитаем максимальное выходное
напряжение ЦАП с учётом опорного напряжения VREF = 5 В и
числового кода 256:
Значение кванта будет определятся
следующим выражением:
3.1.2 Выбор и расчёт
аналого-цифрового преобразователя
В канале измерения разрабатываемого
устройства имеют место аналоговые сигналы. Чтобы микропроцессор мог оперировать
измерительной информацией, необходимо аналоговый сигнал на выходе канала
измерения преобразовать в цифровой код, для чего используется аналого-цифровой
преобразователь.
АЦП должен быть приспособлен для
работы в микропроцессорной системе, иметь возможность синхронизации работы с
микропроцессором, должен подходить по разрядности и быстродействию, поэтому
выберем 10 разрядный АЦП AD 7813 . Диапазон входных
напряжений для данного АЦП от 0 до 5 В. Условно графическое представление АЦП
представлено на рисунке 3.2
Основные параметры АЦП приведены в
таблице 3.2
Выбор АЦП на данном этапе является
предварительным. Это связано с тем, что требования точности АЦП будут получены
лишь после решения прямой задачи теории точности - синтеза.
Рисунок 3.2 - Аналого-цифровой
преобразователь AD 7813
Таблица 3.2 - Основные параметры AD 7813
|
Разрешение
|
8/10
бит
|
|
Частота
выборок
|
200
тыс. выборок в секунду
|
|
Количество
каналов
|
1
|
|
Интерфейс
|
Parallel
|
|
Входное
напряжение
|
0…5
В
|
|
Источника
опорного напряжения
|
5
В
|
|
Интегральная
нелинейность
|
0,5
|
|
Дифференциальная
нелинейность
|
0,5
|
|
Напряжение
питания
|
2,7…5,5
В
|
|
Ток
потребления
|
3,5
мА
|
|
Общие
гармонические искажения
|
-70
дБ
|
|
Отношение
сигнал/шум
|
48
дБ
|
|
Рассеиваемая
мощность
|
0,0175
Вт
|
|
Диапазон
рабочих температур
|
-40…125
0С
|
Напряжение преобразуется с помощью АЦП в код,
при этом номер кодовой комбинации на входе АЦП:
где: 
- напряжение на выходе ЦАП,

- значение кванта,
где: 
- максимальное значение напряжения
на выходе ЦАП,

- число разрядов АЦП.
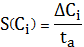
3.1.3 Выбор и расчёт преобразователя
сопротивление - частота
Основными требованиями,
предъявляемыми к преобразователю сопротивление − частота, являются
требования высокой линейности и стабильности функции передачи. На рисунке 3.3
показана схема преобразователя сопротивление - частота, имеющего высокую
линейность и стабильность функции передачи. В схему входят интегратор, построенный
на DA1,
компаратор DA2 и
неинвертирующий усилитель, построенный на DAЗ.
Рисунок 3.3 - Преобразователь сопротивление -
частота
Компаратор и неинвертирующий усилитель образуют
триггер Шмитта, на вход которого поступает пилообразный сигнал с выхода
интегратора (точка А). Схема преобразователя представляет собой генератор
прямоугольных импульсов. Если амплитуды положительного и отрицательного
выходных импульсов равны по модулю, т. е.
где 
-напряжение насыщения DA1 (DAЗ), то при
изменении полярности выходных импульсов напряжения на входах компаратора (точки
А, В) изменятся скачкообразно на величину ∆UA = 2Uвых,
Затем напряжение на выходе DA1 (точка А)
будет линейно изменяться с постоянной времени ф = R1C1 в
течение полупериода Т/2 до момента равенства напряжений UА = UВ
= Uвых, т. е.
Отсюда находим частоту колебаний
Для исключения влияния емкости
кабеля СК = 2 ± 1% мкФ, соединяющего резисторный датчик Rx
с преобразователем, выбираем сопротивление резистора R2 = 1 кОм,
значение номинального сопротивления резистора соответствует ряду Е96 по ГОСТ
28884. При таком значении переходной процесс, обусловленный этой емкостью,
полностью заканчивается в течение одного полупериода. Определив R2,
рассчитываем и ф:
Из номинального ряда Е192 подберем наиболее
подходящее значение конденсатора C1=40
нФ.
Для резистора выберем значение R1
= 100 кОм, соответствующее номинальному сопротивлению резисторов С2-23 ряда
Е192 по ГОСТ 28884.
ф = 1·105·4·10-8 = 4·10-3
сек
Сопротивление электродов примем равным 20 ± 1%
Ом.
Например, частота на выходе преобразователя при
сопротивлении 50 кОм и 20 кОм будет равна f1
и f2
соответственно.
Электрические параметры резисторов представлены
в таблице 3.4.
Таблица 3.4 - Электрические параметры резисторов
|
№
|
Параметр
|
R1
|
R2
|
|
1
|
Наименование
|
Резистор
C2-23-0,45
|
Резистор
C2-23-0,45
|
|
2
|
Номинальное
сопротивление, кОм
|
1
|
|
3
|
Точность,
%
|
±0,05
|
±0,5
|
|
4
|
Номинальная
мощность, Вт
|
0,24
|
0,45
|
|
5
|
Максимальное
рабочее напряжение, В
|
250
|
250
|
|
6
|
Рабочая
температура, oС
|
-55…+155
|
-55…+155
|
Электрические параметры конденсатора
представлены в таблице 3.5.
Таблица 3.5 - Электрические параметры
конденсатора
|
№
|
Параметр
|
С1
|
|
Наименование
|
К10-17Б
|
|
1
|
Номинальная
емкость, пФ
|
40
|
|
2
|
Допуск
номинала, %
|
1
|
|
3
|
Рабочее
напряжение, В
|
6,3
|
|
4
|
Рабочая
температура, С
|
-55..125
|
Выберем в качестве этого операционного усилителя
усилитель LMV 6211. Он
может работать с широким диапазоном синфазных напряжений и обеспечить
максимально широкий диапазон входных напряжений от микровольт до вольт. ОУ
имеет очень малые напряжения смещения и высокий уровень быстродействия. Его
технические характеристики приведены в таблице 3.6.
Таблица 3.6 -
Технические характеристики LMV
6211
|
Каналов
|
1
|
|
Входное
напряжение смещения нуля
|
3
мВ
|
|
Входной
ток смещения
|
4
нА
|
|
Полоса
пропускания
|
2
МГц
|
|
Максимальная
скорость нарастания выходного напряжения
|
5,6
В/мкс
|
|
Коэффициент
ослабления синфазного сигнала
|
105
дБ
|
|
Коэффициент
усиления
|
120
дБ
|
|
Напряжение
питания
|
5…24
В
|
|
Диапазон
рабочих температур
|
-40…125
0С
|
.1.4 Выбор микропроцессора
Следующим элементом схемы является
микропроцессор 1886ВЕ4У, выполняющий указанные выше операции над входными
сигналами.
Микропроцессор представляет собой
однокристальную микро-ЭВМ с ЭСППЗУ (Flash-типа)
с интерфейсом USB.
Основные параметры микросхемы:
• Тактовая частота до 33 МГц
• Минимальная длительность цикла выполнения
команды от 121 нс
• 58 однословных инструкций (коды инструкций
16-ти разрядные)
• 8-ми разрядное АЛУ
• Параллельные: 16-ти разрядная шина команд и
8-ми разрядная шина данных
• Инструкция 8 х 8 битного аппаратно
реализованного умножения
• Поддержка прямого, косвенного и относительного
режимов адресации
• Наличие инструкций одновременно работающих с
двумя регистрами
• Все команды (включая команду 8 х 8 битное
умножение) выполняются за один цикл (от 121нс), кроме команд ветвления и
чтения/записи таблиц, выполняемых за два цикла
• Температурный диапазон: -60…125 0С
• 4-х векторный контроллер прерываний
поддерживающий 18 источников прерываний (внешних и внутренних).
• 16-ти уровневый аппаратный стек.
• Возможность работы только с внутренней, с
внутренней и внешней и только с внешней памятью программ (режимы:
микроконтроллер, расширенный микроконтроллер и микропроцессор).
• Суммарный адресуемый объем памяти программ 128
КБайт (64К х 16 бит).
• Объем внутренней памяти программ 64 КБайта
(32К х 16 бит).
• Внутренняя память программ перепрограммируемая
FLASH типа.
• Объем внутренней памяти данных 902 байта.
• Все регистры «специального назначения»
находятся в адресном пространстве памяти данных.
• До 28 универсальных линий ввода/вывода с
индивидуальной настройкой направления и высокой нагрузочной способностью.
• 16-ти разрядный таймер/счетчик с 8-ми
разрядным программируемым делителем (таймер 0).
• Один универсальный синхронно-асинхронный
приемопередатчик (USART),
c программируемой
скоростью передачи информации.
• Универсальный аппаратно реализованный
контроллер и аналоговый приемопередатчик интерфейса USB
1.1, с четырьмя пользовательскими оконечными точками и со скоростью передачи до
12 Мбит/с.
• Последовательный синхронный порт с режимом
последовательного периферийного интерфейса SPI.
• Универсальный контроллер внешней памяти типа NAND
FLASH.
• Встроенное запоминающее устройство типа EEPROM
объемом 256 байт.
• Микроконтроллер имеет систему сброса по
включению и снижению напряжения питания (с таймерами отсрочки включения и
запуска тактового генератора).
• Сторожевой таймер с собственным RC
генератором на кристалле, для обеспечения высоконадежной защиты от сбоев.
• Защищенный режим (защита кода программы).
• Последовательный режим программирования памяти
программ, возможность внутрисхемного программирования.
• Поддерживает режим энергосбережения SLEEP
(с возможностью выхода с помощью внешних и внутренних прерываний и сброса).
• Четыре режима работы встроенного тактового
генератора (RC генератор,
использование в качестве тактовой частоты деленной на два частоты генератора USB
контроллера, XT -
стандартный генератор с кварцевым резонатором, EC
- вход внешнего тактового сигнала).
• Встроенный регулятор напряжения на 3.3 вольта
(ток до 40 мА).
• Диапазон напряжения питания ядра
микроконтроллера от 4.5 до 5.5 вольт.
• Диапазон напряжения питания пользовательских
выводов микроконтроллера от 3 до 5.5 вольт.
• 48 выводной металлокерамический корпус
Н16.48-1В.
ВЕ4У - высокопроизводительный 8-ми разрядный RISC
микроконтроллер с Гарвардской архитектурой. Он предназначен для однокристальной
реализации систем передачи, обработки и хранения данных, в том числе с
применением внешней энергонезависимой памяти типа NAND
Flash, использующих USB
интерфейс. Может использоваться для организации малопроизводительных
вычислительных систем и в качестве устройства совмещения различных типов
интерфейсов.
Основные области применения: устройства
сопряжения интерфейсов; системы хранения и передачи данных;
малопроизводительные вычислительные устройства; промышленные системы
управления; измерительное оборудование.
Микроконтроллер использует две тактовых частоты:
• первая - для микропроцессорного ядра и
периферийных модулей,
• вторая - для контроллера USB.
В микроконтроллере есть два блока памяти: память
программ и память данных. Каждый блок имеет свою собственную шину, так что
доступ к каждому блоку возможен во время одного и того же цикла генератора.
Память данных делится на RAM
общего назначения и регистры специальных функций (SFRs).
Функционирование SFR-регистров,
которые управляют ядром микроконтроллера.
Микроконтроллер имеет четыре порта ввода-вывода.
Порты «С», «D» и «E»
имеют регистр направления данных DDR,
который используется для конфигурации выводов порта на вход или на выход.
Некоторые выводы портов могут иметь дополнительное назначение.
На рисунке 3.5 представлен микропроцессор
1886ВЕ4У
Рисунок 3.5 - Микропроцессор 1886ВЕ4У
3.1.5 Выбор демультиплексора
Демультиплексор предназначен для целенаправленной
коммутации (переключения) электродов на один из двух каналов. Таковыми
являются: канал воздействия током и канал измерения сопротивления. Переключение
каналов осуществляется микропроцессорным устройством.
В качестве демультиплексора был выбран аналоговый
низкоомный ключ производителя MAXIM,
его технические характеристики представлены в таблице 3.7.
Таблица 3.7 -
Технические характеристики демультиплексора MAX
4625
|
Сопротивление
открытого состояния
|
1
± 0,15 Ом при напряжения питания +5 В
|
|
Защита
от перегрузки по току
|
есть
|
|
Диапазон
напряжения питания
|
+
1,8 …+ 5,5 В
|
|
Максимальное
время переключения
|
50
нс
|
|
Максимальный
ток передачи
|
±
400 мА
|
|
Рабочая
температура
|
-40…+85
0С
|
На рисунке 3.6 отображён демультиплексор MAX
4625.
Рисунок 3.6 - Демультиплексор MAX
4625
.1.6 Выбор и расчёт преобразователя напряжение -
ток
Электрорефлекторное воздействие на зону БАТ
оказывается током, поэтому предусмотрен преобразователь напряжение-ток. В
качестве данного преобразователя была взята схема отображенная на рисунке 3.7.
Её принцип основан на компенсации изменения
входного напряжения с помощью обратной связи. Если ток в нагрузке
увеличивается, снижается потенциал на нагрузке, положительная обратная связь
реагирует на это снижением потенциала неинвертирующего входа и положение
выравнивается.
Резистор R2 выбирают таким, чтобы падение
напряжения на нём не превышало 1 - 2 вольт при заданном токе стабилизации. Само
собой, ток стабилизации не должен превышать максимальный выходной ток
операционного усилителя.
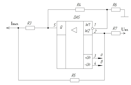
Рисунок 3.7 - Преобразователь напряжение-ток
При условии R4 = R5 = R6 = R7 и R4
R3
Для резисторов выберем значения R4 = R5 = R6 = R7 = 8 МОм и R3 = 50 кОм,
соответствующие номинальным сопротивлениям резисторов С2-23 ряда Е192 и ряда
Е96 по ГОСТ 28884.
Электрические параметры резисторов
представлены в таблице 3.8.
Таблица 3.8 - Электрические параметры резисторов
|
№
|
Параметр
|
R4, R5,
R6, R7
|
R3
|
|
1
|
Наименование
|
Резистор
C2-23-0,45
|
Резистор
C2-23-0,45
|
|
2
|
Номинальное
сопротивление, кОм
|
8000
|
50
|
|
3
|
Точность,
%
|
±0,5
|
±0,5
|
|
4
|
Номинальная
мощность, Вт
|
0,24
|
0,45
|
|
5
|
Максимальное
рабочее напряжение, В
|
250
|
170
|
|
6
|
Рабочая
температура, oС
|
-55…+155
|
-55…+155
|
Максимальный выходной ток с преобразователя IМвых:
Необходимое входное напряжение для реализации
опорного тока при поиске БАТ UОПвых:
.1.7
Выбор дисплея
В качестве дисплея был выбран
жидкокристаллический модуль MT-6464B, состоящий из БИС контроллера управления и
ЖК панели. Внешний вид модуля приведен на рисунке 3.8.
Рисунок 3.8 - Внешний вид ЖК модуля
МТ - 6464В
Контроллер управления К145ВГ10, производства ОАО
«АНГСТРЕМ»
Габаритные размеры модуля 49 х40 мм (разрешение
64х64 пикселей).
Модуль позволяет
• принимать команды с шины DB7 - DB0
• записывать данные в ОЗУ по 8-ми разрядной шине
данных DB7-DB0;
• читать данные из ОЗУ на шину DB7-DB0;
• читать статус состояния на шину DB7-DB0;
• управлять контрастностью и подсветкой.
Время цикла чтения/записи − 1000 нс.
Напряжение питания 4,5 − 5,5 В
Ток потребления 450 мкА
3.2 Анализ статической характеристики
С учетом выведенных выражений для заданной и
номинальной расчетной статической характеристики можно определить погрешность
схемы спроектированного устройства.
Определим погрешность канала измерения
сопротивления. Для этого запишем номинальную расчетную характеристику
и заданную статическую характеристику, показанную
на рисунке 3.7:
где 
− значение коэффициента
преобразования для канала измерения; его значение составляет
Рисунок 3.7 - Заданная статическая
характеристика
Погрешность приближения определяется
как разница между номинальной расчетной и заданной характеристиками:
Подставив выбранные номинальные
значения параметров в последнее выражение, получим значения погрешности схемы.
График погрешности схемы аппарата
для электрорефлексотерапии приведен на рисунке 3.8.
Рисунок 3.8 - Погрешность схемы
аппарата для электрорефлексотерапии
Максимальное значение относительной
погрешности схемы будет равно:
Полученная погрешность схемы
соответствует критерию ее значимости, т.е. составляет менее 10% от суммарной
погрешности проектируемого устройства.
Определим погрешность канала
воздействия током микродиапазона. Для этого запишем номинальную расчетную
характеристику
и заданную статическую
характеристику, показанную на рисунке 3.9:
где 
− значение коэффициента
преобразования для канала воздействия; его значение составляет
Рисунок 3.9 - Заданная статическая
характеристика
Погрешность приближения определяется
как разница между номинальной расчетной и заданной характеристиками:
Подставив выбранные номинальные
значения параметров в последнее выражение, получим значения погрешности схемы.
График погрешности схемы аппарата
для электрорефлексотерапии приведен на рисунке 3.10.
Рисунок 3.10 - Погрешность схемы
аппарата для электрорефлексотерапии
Максимальное значение относительной
погрешности схемы будет равно:
Полученная погрешность схемы
соответствует критерию ее значимости, т.е. составляет примерно 10% от суммарной
погрешности проектируемого устройства.
Определим погрешность канала
измерения тока воздействия. Для этого запишем номинальную расчетную характеристику
и заданную статическую
характеристику, показанную на рисунке 3.11:
где 
− значение коэффициента
преобразования для канала воздействия; его значение составляет 
Рисунок 3.11 - Заданная статическая
характеристика
Погрешность приближения определяется
как разница между номинальной расчетной и заданной характеристиками:
Подставив выбранные номинальные
значения параметров в последнее выражение, получим значения погрешности схемы.
График погрешности схемы аппарата
для электрорефлексотерапии приведен на рисунке 3.10.
Рисунок 3.12 - Погрешность схемы
аппарата для электрорефлексотерапии
Максимальное значение относительной
погрешности схемы будет равно:
Полученная погрешность схемы
соответствует критерию ее значимости, т.е. составляет примерно 10% от суммарной
погрешности проектируемого устройства.
4. Распределение суммарной погрешности
.1 Анализ источников первичных погрешностей
Данный анализ был проведён на основании анализа
схемы принципиальной, а также расчётной статической характеристики.
Целью данного раздела является выявление и
оценка отдельных составляющих суммарной погрешности проектируемого устройства.
[1]
микроток электрорефлексотерапия
цифровой биологический
Таблица 4.1 - Предварительный анализ первичных
погрешностей канала измерения сопротивления
|
Источник
|
Первичная
погрешность
|
Оценки
(характеристики) погрешности
|
|
Основные
и дополнительные погрешности резисторов, сопротивления которых определяют
расчетную характеристику (R1,
R2)
|
Погрешности
от несоответствия сопротивлений номинальным значениям г(Ri)
|
∆Ri
= Ri · г(Ri);
М(Ri) = 0; S(Ri)
= ∆Ri /
tб; tб
= 3.
|
|
Погрешности
от температурного дрейфа г(Rit)
|
∆Rit
= б(Rit) ·∆tmax;
где б(Rit) - ТКС
резисторов; ∆tmax
- максимальное изменение температуры; М(Rit)
= 0; S(Rit) = ∆Rit / tб; tб
=30,5.
|
|
Основные
и дополнительные погрешности сопротивления электродов
|
Погрешности
от несоответствия сопротивления номинальному значению г(Rэ)
|
∆Rэ
= Rэ · г(Rэ);
М(Rэ) = 0; S(Rэ)
= ∆Rэ / tб;
tб = 3.
|
|
Основные
и дополнительные погрешности конденсаторов, емкости которых определяют
расчётную характеристику (С1)
|
Погрешности
от несоответствия емкости номинальным значениям г(Сi)
|
∆Сi
= Сi · г(Сi);
М(Сi) = 0; S(Сi)
= ∆Сi / tб;
tб = 3.
|
|
Погрешности
от температурного дрейфа г(Сit)
|
∆Сit
= б(Сit) ·∆tmax;
где б(Сit) - ТКЕ
конденсаторов; ∆tmax
- максимальное изменение температуры; М(Сit)
= 0; S(Сit)
= ∆Сit / tб;
tб =30,5.
|
|
Неидеальность
параметров операционного усилителя DA1
|
Погрешность
от напряжения смещения г(Uсм1)
|
г(Uсм1)
= Uсм1 / U0;
где U0 -
верхний предел диапазона входного сигнала для DA1
(5 В);
М(Uсм1)
= 0; S(Uсм1)
= Uсм1 / tб;
tб = 3.
|
|
Погрешность
от разности входных токов г(∆Iвх1)
|
г(∆Iвх1)
= (∆Iвх1·R1)
/ U0; М(∆Iвх1)=0;
S(∆Iвх1)=(∆Iвх1·R1)/tб;
tб = 3.
|
|
Погрешность
от теплового дрейфа ∆Uсмt1
напряжения смещения г(Uсмt1)
|
г(Uсмt1)
= (∆Uсмt1·∆Tmax)/U0;
М(Uсмt1)
= 0; S(Uсмt1)
= (∆Uсмt1·∆Tmax)/tб;
tб =30,5.
|
|
Погрешность
от теплового дрейфа ∆Iвхt1
входных токов г(∆Iвхt1)
|
г(∆Iвхt1)=(∆Iвхt1·R1·∆Tmax)/U0;
М(∆Iвхt1)
= 0; S(∆Iвхt1)=(∆Iвхt1·R1·∆Tmax)/tб;
tб =30,5.
|
|
Неидеальность
параметров операционного усилителя DA3
|
Погрешность
от напряжения смещения г(Uсм2)
|
г(Uсм2)
= Uсм2 / U2;
где U1 -
верхний предел диапазона входного сигнала для DA2
(5 В); М(Uсм2) = 0;
S(Uсм2)
= Uсм2 / tб;
tб = 3.
|
|
Погрешность
от разности входных токов г(∆Iвх2)
|
г(∆Iвх2)
= (∆Iвх2·R2)
/ U1; М(∆Iвх2)=0;
S(∆Iвх2)=(∆Iвх2·R2)/tб;
tб = 3.
|
|
Погрешность
от теплового дрейфа ∆Uсмt2
напряжения смещения г(Uсмt2)
|
г(Uсмt2)
= (∆Uсмt2·∆Tmax)/U1;
М(Uсмt2)
= 0; S(Uсмt2)
= (∆Uсмt2·∆Tmax)/tб;
tб =30,5.
|
|
Погрешность
от теплового дрейфа ∆Iвхt2
входных токов г(∆Iвхt2)
|
г(∆Iвхt2)=(∆Iвхt2·R2·∆Tmax)/U1;
М(∆Iвхt2)
= 0; S(∆Iвхt2)=(∆Iвхt2·R2·∆Tmax)/tб;
tб =30,5.
|
|
Неидеальность
параметров демультиплексора DA4
|
Несоответствие
коэффициента передачи мультиплексора г(kпер)
|
Дkпер=kпер·
г(kпер);
kпер=1; г(kпер)=0,02%;
M(kпер)=0;
S(kпер)=Дkпер/
tб; tб=3.
|
Таблица 4.2 - Предварительный анализ первичных
погрешностей канала воздействия
|
Источник
|
Первичная
погрешность
|
Оценки
(характеристики) погрешности
|
|
Основные
и дополнительные погрешности резисторов, сопротивления которых определяют
расчетную характеристику (R3-R7)
|
Погрешности
от несоответствия сопротивлений номинальным значениям г(Ri)
|
∆Ri
= Ri · г(Ri);
М(Ri) = 0; S(Ri)
= ∆Ri /
tб; tб
= 3.
|
|
Погрешности
от температурного дрейфа г(Rit)
|
∆Rit
= б(Rit) ·∆tmax;
где б(Rit) - ТКС
резисторов; ∆tmax
- максимальное изменение температуры; М(Rit)
= 0; S(Rit)
= ∆Rit / tб;
tб =30,5.
|
|
Неидеальность
параметров операционного усилителя DA5
|
Погрешность
от напряжения смещения г(Uсм3)
|
г(Uсм3)
= Uсм3 / U2;
где U2 -
верхний предел диапазона входного сигнала для DA5
(5 В); М(Uсм3) = 0; S(Uсм3)
= Uсм3 / tб;
tб = 3.
|
|
Погрешность
от разности входных токов г(∆Iвх3)
|
г(∆Iвх3)
= (∆Iвх3·R7)
/ U3; М(∆Iвх3)=0;
S(∆Iвх3)=(∆Iвх3·R7)/tб;
tб = 3.
|
|
Основные
и дополнительные погрешности опорного напряжения
|
Погрешности
от несоответствия опорного напряжения номинальному значению
|
∆Vref=
Vref · г(Vref);
М(Vref) = 0; S(Vref)
= ∆Vref / tб; tб = 3.
|
|
Погрешность
от теплового дрейфа ∆Uсмt3
напряжения смещения г(Uсмt3)
|
г(Uсмt3)
= (∆Uсмt4·∆Tmax)/U2;
М(Uсмt3)
= 0; S(Uсмt3)
= (∆Uсмt3·∆Tmax)/tб;
tб =30,5.
|
|
Погрешность
от теплового дрейфа ∆Iвхt3
входных токов г(∆Iвхt3)
|
г(∆Iвхt3)=(∆Iвхt3·R7·∆Tmax)/U2;
М(∆Iвхt3)
= 0; S(∆Iвхt3)=(∆Iвхt3·R7·∆Tmax)/tб;
tб =30,5.
|
|
Неидеальность
параметров ЦАП
|
Погрешность
квантования ∆кв2
|
∆кв2
= UЦАПmax
/ (2m), где m
- число разрядов ЦАП.
|
|
Погрешность
∆лд2 от дифференциальной нелинейности ЦАП
|
∆лд2;
S(∆лд2) = ∆лд2
/ tб; tб
=3.
|
|
Неидеальность
параметров демультиплексора DA4
|
Несоответствие
коэффициента передачи мультиплексора г(kпер)
|
Дkпер=kпер·
г(kпер); kпер=1;
г(kпер)=0,02%;
M(kпер)=0;
S(kпер)=Дkпер/
tб; tб=3.
|
Таблица 4.3 - Предварительный анализ первичных
погрешностей канала измерения тока
|
Источник
|
Первичная
погрешность
|
Оценки
(характеристики) погрешности
|
|
Неидеальность
параметров АЦП
|
Погрешность
квантования ∆кв1
|
∆кв1
= UАЦПmax
/ (2m), где m
- число разрядов АЦП.
|
|
Погрешность
∆ли1 от интегральной нелинейности АЦП
|
∆ли1;
М(∆ли1) = ∆ли1 /2; S(∆ли1)
= (∆ли1 /2)/ tб;
tб =3.
|
|
Погрешность
∆лд1 от дифференциальной нелинейности АЦП
|
∆лд1;
М(∆лд1) = 0; S(∆лд1)
= ∆лд1 / tб;
tб =3.
|
|
Неидеальность
параметров ЦАП
|
Погрешность
квантования ∆кв2
|
∆кв2
= UЦАПmax
/ (2m), где m
- число разрядов ЦАП.
|
|
Погрешность
∆лд2 от дифференциальной нелинейности ЦАП
|
∆ли2;
S(∆ли2) = (∆ли2
/2)/ tб; tб
=3.
|
.2 Распределение частных погрешностей
Частная погрешность, будучи результатом влияния
первичной погрешности на точность объекта, имеет размерность выходного сигнала.
Суммарная погрешность от несоответствия параметров номинальных значений
определяется совокупностью частных погрешностей. [1]
Результаты анализа и предварительного
распределения частных погрешностей приведены в таблице 4.1.
.3 Распределение первичных погрешностей
Результаты распределения первичных погрешностей
и значения допусков на параметры сведены в таблицу 4.5.
Таблица 4.1 - Предварительное описание и
распределение частных погрешностей
|
Оценки
первичных погрешностей
|
Описание
коэффициентов влияния
|
Оценки
частных погрешностей
|
-0,013 (для 
);
-1,251 (для 
).
,812·10-14 (для 
);
-2·10-9 (для 
).
0,209 (для 
);
,085 (для 
);
,042·10-10 (для 
);
|
1,667·10-10
(для  ).
|
|

(для 
);
,786·10-10 (для 
);

(для 
);

(для 
);

(для 
);

(для 
);

(для 
);

(для 
);

(для 
);

(для 
);

(для 
);

(для 
);

(для 
);
Таблица 4.5 - Результаты определения первичных
погрешностей
|
Первичная
погрешность
|
Оценки
погрешности
|
Значение
допусков на параметры
|
|
Погрешности
от несоответствия сопротивлений номинальным значениям г(Ri)
|
S(R1) = 16,667 Ом;
S(R2) = 1,667 Ом;
S(R3) = 8,33 Ом;
S(R4) = 1333 Ом;
S(R5) = 1333 Ом;
S(R6) = 1333 Ом;
S(R7) = 1333 Ом.
|
г(R1)
= 0,05 %; г(R2) = 0,5
%; г(R3)
= 0,05 %; г(R4) =
0,05 %; г(R5) =
0,05 %; г(R6)
= 0,05
%; г(R7)
= 0,05
%;
|
|
Погрешности
от температурного дрейфа г(Rit)
|
S(R1t) = 47,631 Ом;
S(R2t) = 0,476 Ом;
S(R3t) = 23,816 Ом;
S(R4t) = 3811 Ом;
S(R5t) = 3811 Ом;
S(R6t) = 3811 Ом;
S(R7t)
= 3811
Ом.
|
б(R1t)
= 55×10-6
Ом·K-1;
б(R2t)
= 55×10-6Ом·K-1;
б(R3t)
= 55×10-6
Ом·K-1;
б(R4t)
= 55×10-6
Ом·K-1;
б(R5t)
= 55×10-6
Ом·K-1;
б(R6t)
= 55×10-6
Ом·K-1;
б(R7t)
= 55×10-6
Ом·K-1.
|
|
Погрешность
от напряжения смещения г(Uсмi)
|
S(Uсм1)
= 2·10-4 В; S(Uсм2)
= 2·10-4 В; S(Uсм3)
= 2·10-4 В.
|
Uсм1 = 6·10-4 В; Uсм2
= 6·10-4 В; Uсм3 =
6·10-4 В.
|
|
Погрешность
от разности входных токов г(∆Iвхi)
|
S(∆Iвх1)
= 2,667·10-5 А; S(∆Iвх2)
= 2,667·10-7 А; S(∆Iвх3)
= 2,133·10-3
А.
|
∆Iвх1
= 8·10-5 А; ∆Iвх2
= 8·10-7 А; ∆Iвх3
= 6,4·10-3 А.
|
|
Погрешность
от теплового дрейфа ∆Uсмti
напряжения смещения г(Uсмti)
|
S(Uсмt1)
= 2,598·10-5 В;
S(Uсмt2)
= 2,598·10-5 В;
S(Uсмt3)
= 2,598·10-5 В.
|
Uсмt1
= 4,5·10-5 В; Uсмt2
= 4,5·10-5 В; Uсмt3
= 4,5·10-5 В.
|
|
Погрешность
от теплового дрейфа ∆Iвхti
входных токов г(∆Iвхti)
|
S(∆Iвхt1)
= 2,309·10-7 А; S(∆Iвхt2)
= 2,309·10-9 А; S(∆Iвхt3)
= 1,848·10-5 А.
|
DIвхt1
= 4·10-7 А; DIвхt2
4·10-9 А; DIвхt3
= 3,2·10-5 А.
|
|
Погрешность
квантования АЦП ∆кв1 и ЦАП ∆кв2
|
-
|
∆кв1
= 4,883·10-3 В; ∆кв2 = 0,02 В.
|
|
Погрешность
линейности ∆л1 АЦП и ∆л2 ЦАП
|
S(∆л1)
= 4,069·10-4 В; S(∆л2)
= 1,628·10-3 В.
|
∆л1
= 2,441·10-3;
∆л2 = 9,766·10-3;
(квантов).
|
|
Погрешность
от дифференциальной нелинейности ∆лд1 АЦП и ∆лд2 ЦАП
|
S(∆лд1)
= 8,138·10-4
В;
S(∆лд1)
= 3,255·10-3
В.
|
∆лд1
= 2,441·10-3; ∆лд2
= 9,766·10-3
(квантов).
|
|
Несоответствие
коэффициента передачи мультиплексора г(kпер)
|
S(kпер)
= 6,667·10-5.
|
Дkпер
= 2·10-4
|
|
Погрешности
от несоответствия емкости номинальным значениям г(Сi)
|
S(С1)
= 1,333·10-10
Ф.
|
г(С1)
= 1 %.
|
|
Погрешности
от температурного дрейфа г(Rit)
|
S(С1t)
= 1,143·10-11 Ф.
|
б(С1t)
= 33×10-6
Ф·K-1.
|
5.
Анализ полученных результатов (анализ точности)
Результаты проведенного анализа и
расчета показали, что суммарная погрешность канала измерения сопротивления
проектированного аппарата составляет 
. На рисунке 5.1 представлен график
пределов приведенной суммарной погрешности.
Рисунок 5.1 - График допускаемой
суммарной погрешности измерительного канала
Анализ полученного результата
показывает, что суммарная погрешность не превышает заданного в
медико-технических требованиях значения.
Результаты проведенного анализа и
расчета показали, что суммарная погрешность канала воздействия током
проектированного аппарата составляет 
. На рисунке 5.2 представлен график
пределов приведенной суммарной погрешности.
Рисунок 5.2 - График допускаемой
суммарной погрешности канала воздействия
Анализ полученного результата
показывает, что суммарная погрешность не превышает заданного в
медико-технических требованиях значения.
Результаты проведенного анализа и
расчета показали, что суммарная погрешность канала измерения тока
проектированного аппарата составляет 
.
На рисунке 5.3 представлен график
пределов приведенной суммарной погрешности.
Анализ полученного результата показывает, что
суммарная погрешность не превышает заданного в медико-технических требованиях
значения.
Рисунок 5.3
- График допускаемой суммарной погрешности измерительного канала
Заключение
В данной курсовой работе было разработан аппарат
для электрорефлексотерапии, предназначенный для поиска БАТ по сопротивлению и
воздействия током микродиапазона.
Были сформулированы медико-технические
требования, составлена структурная схема и её математическое описание. На
основании этого была синтезирована принципиальная схема, произведен выбор
подходящей элементной базы и её расчет.
С помощью анализа источников первичных, частных
погрешностей была получена суммарная погрешность канала измерения, проведен
анализ точности и в итоге нормирование полученных суммарных погрешностей, не
превышающих заданных значений.
Список использованных источников
1. Бондарева Л.А. Проектирование
медицинских приборов, аппаратов и систем (в курсовом и дипломном
проектировании): учебно-методическое пособие для вузов / Л.А. Бондарева. -
Орел: ОрелГТУ, 2009. - 139 с.
2. Вельховер Е.С., Кушнир Г.В.
Экстерорецепторы кожи. - Кишинев, 1991. - С.84-85.
. Вогралик В.Г., Вогралик М.В.
Пунктурная рефлексотерапия. - Горький: Волго-Вят.кн.изд-во, 1988, с. 57 - 59.
4. ГОСТ 2.764-86. Единая система
конструкторской документации. Обозначения условные графические в электрических
схемах. Интегральные оптоэлектронные элементы индикации. - Введ. 01.01.1987. -
М.: Госстрой России, 1986. - 5с.
5. Долгачев И.П. О функциональном
изменении слизистой оболочки носа под влиянием раздражения внутренних органов/
Долгачев И.П:// Физиологич. журн. СССР. 1952. - Т. 4. - 38. - с. 459-464.
6. Залманов А.С. Тайная
мудрость человеческого организма (глубинная медицина). - М.; Л.; Наука, 1966,
с. 166 - 171.
. Истаманов С.О влиянии
раздражения чувствительных нервов на сосудистую систему у человека. Дисс. СПб,
1885, с. 164 - 167.
8. Подмастерьев К.В. Точность измерительных
устройств: Учебное пособие [Текст] / К.В. Подмастерьев. - 2-е изд., перераб. и
доп. - Орел: ОрелГТУ, 2004. - 140 с.
. Рабинович Э.З., Усачева М.Д.
Топография топологических активных точек кожи человека при пластических
операциях лица и шеи. - В кн.: Научные проблемы охраны здоровья студентов. М.,
1979, с. 234 - 236.
10. Русецкий И.И. Китайский метод
лечебного иглоукалывания. - Казань, 1959, с. 167 − 170.
11. Самый информированный сервер
микроэлектроники