Подставляя RН=Rн1=78,7 Ом, R3 = 2,7 кОм, получим: RН~=76,5 Ом.
. Определение входной проводимости транзистора:
Определяем ток базы в рабочей точке по выходной характеристике
транзистора VT1: Ioб=0,12 мА, проводим касательную в этой точке на входной
характеристике, и по касательной определяем входную проводимость:
∆IБ=0,2 мА, ∆UБЭ=0,15 В, y11=0,0013 См.
. Определение крутизны транзистора:
∆IК=10 мА, ∆UБЭ=0,1 В S=0,1 А/В.
. Расчет резисторного делителя:
С помощью резисторного делителя задается положение рабочей точки; определим U0Б:
Б=U0Э+U0БЭ,
По входным характеристикам определяем U0БЭ=0,59 В, U0Э=UR4=4,8 В и подставляя получаем U0Б=5,39 В.
Номиналы резисторов рассчитываются по формулам:
,
,
Пренебрегая обратным током IК0, выбирая IД=5I0Б, рассчитываем номиналы
резисторов:=12302 Ом (выбираем 12 кОм), R2=5784 Ом (выбираем 5,6 кОм);
.3.4 Расчет эмиттерных емкостей
Емкость конденсаторов С2 и С6 выбираются большими исходя из того, что его
сопротивление цепочки R4С2 по переменному току существенно только на самой
низкой частоте должно:
Подставляя, получаем: (С2 ≥ 32 мкФ) = 33 мкФ, (С6 ≥ 12 мкФ) =
15 мкФ.
.3.5 Расчет фильтра
Фильтр предназначен для обеспечения заданной верхней частоты. При этом fв
определяется по формуле:
,
Где Rвых1 есть R3, R5=5 Ом, тогда С3=16,3 пФ.
Производим расчет С3 с учетом коэффициента частотных искажений на верхней рабочей частоте MВ.
Коэффициент MВ в данной схеме определяется искажениями вносимыми цепочкой
фильтра R5С3:
,
Выражаем С3 с учетом заданного коэффициента частотных искажений MВ:
,
С3=12,2 пФ (выбираем 10 пФ).
1.3.6 Расчет разделительных емкостей
Расчет разделительных емкостей производится с учетом заданного
коэффициента искажений на нижней рабочей частоте:Н= MН1 MН2 MН3
Пусть доли частотных искажений, вносимых на нижней частоте в каждом каскаде будут равны:Н_i= MН1=MН2= MН3,
Тогда
Н_i=0,887.
Формулы для расчета разделительных емкостей для данной схемы усилителя
примут вид:
,
,
,
Подставляя в выражения данные получаем: С1= 1,1 мкФ (выбираем 1 мкФ), С4
= 2,2 мкФ, С5 =10,4 мкФ (выбираем 10 мкФ), С7 = 22,5 мкФ (выбираем 22 мкФ).
.3.7 Оценка нелинейных искажений
Так как входной и промежуточный каскады работают в режиме малого сигнала то нелинейные искажения обусловлены влиянием выходного каскада. Проведем оценку нелинейных искажений c помощью метода пяти ординат.
При помощи пяти ординат находятся гармонические составляющие. Входной ЭДС
Eгm1, Eгm2, Eгm3, по которым рассчитывается коэффициент гармоник:
,
На нагрузочной прямой наносятся точки мгновенных значений тока Iк1, Iк2,
Iк3, Iк4, Iк5, соответствующие IKmin, (IK0-IKmin)/2, IK0, (IKmax-IK0)/2, IKmax,
по выходным характеристикам находятся отвечающие им токи базы Iб1, Iб2, Iб3,
Iб4, Iб5, и по входным характеристикам находятся мгновенные значения напряжения
база-эмиттер Uб1, Uб2, Uб3, Uб4, Uб5. Рассчитываются размахи ЭДС:
,
,
,
,
Далее находим амплитуды первых трех гармонических составляющих ЭДС:
,
,
,
И рассчитываем коэффициент гармоник каскада:
,
где γ - коэффициент ООС.
Подставляя числовые данные получаем Kг = 0,69%, что не превышает
заданного.
2. Модуль 2. Цифровая схемотехника
.1 Задача №1. Устройство демультиплексирования кодов
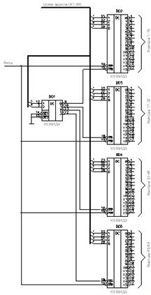
.1.1 Проектирование демультиплексора кодов 1 на 64
Рис. 3 - Принципиальная электрическая схема демультиплексора кодов 1х64
Таблица 1. Перечень элементов
|
Поз. обозначение |
Наименование |
Кол. |
Примечание |
|
DD1 |
К555ИД4 |
1 |
микросхема |
|
DD2-DD5 |
К555ИД3 |
4 |
микросхема |
Демультиплексор работает следующим образом: при выставлении на шину адреса двоичного кода, соответствующего номеру подключаемого выхода, входной сигнал передается на этот выход.
2.1.2 Таблица адресации демультиплексора
Таблица 2
|
Входной код А6 А5 А4 А3 А2 А1 |
Соответствующий выход № |
|
0 0 0 0 0 0 |
1 |
|
0 0 0 0 0 1 |
2 |
|
0 0 0 0 1 0 |
3 |
|
0 0 0 0 1 1 |
4 |
|
0 0 0 1 0 0 |
5 |
|
0 0 0 1 0 1 |
6 |
|
0 0 0 1 1 0 |
7 |
|
0 0 0 1 1 1 |
8 |
|
0 0 1 0 0 0 |
9 |
|
0 0 1 0 0 1 |
10 |
|
0 0 1 0 1 0 |
11 |
|
0 0 1 0 1 1 |
12 |
|
0 0 1 1 0 0 |
13 |
|
0 0 1 1 0 1 |
14 |
|
0 0 1 1 1 0 |
15 |
|
0 0 1 1 1 1 |
16 |
|
0 1 0 0 0 0 |
17 |
|
---------------------------------------- |
------------------------ |
|
1 1 1 0 1 0 |
59 |
|
1 1 1 0 1 1 |
60 |
|
1 1 1 1 0 0 |
61 |
|
1 1 1 1 0 1 |
62 |
|
1 1 1 1 1 0 |
63 |
|
1 1 1 1 1 1 |
64 |
.1.3 Расчет энергопотребления всего устройства и времени задержки по одному каналу
Среднее время задержки К555ИД3 = 33нс, Тср. К555ИД4 = 34 нс.
Время задержки по одному каналу:
Тобщ = Тср. К555ид3 +Тср. К555ид4=67 нс.
Потребляемая мощность микросхемы К555ИД3 = 250 мВт, К555ИД4= 50 мВт. Общее энергопотребление устройства
общ =4*250+50= 1,050 Вт.
.2 Задача №2. Коммутатор параллельных кодов
.2.1 Проектирование коммутатора параллельных кодов с 10 источниками
сигналов (словами) по 5 разрядов в каждом слове
Рис. 4 - Коммутатор параллельных кодов (10 слов по 5 разрядов)
Таблица 3. Перечень элементов
|
Поз. обозначение |
Наименование |
Кол. |
Примечание |
|
DD1-DD5 |
К155КП1 |
5 |
микросхема |
Коммутатор работает следующим образом: на вход устройства подается 10
информационных слов. В зависимости от выбранного адреса на выход подается одно
из входных слов при подаче стробирующего сигнала.
.2.2 Таблица коммутации
Таблица 4
|
Адресный сигнал А3 А2 А1 А0 |
Источник |
Слово 1 |
|
0 0 0 1 |
Слово 2 |
|
|
0 0 1 0 |
Слово 3 |
|
|
0 0 1 1 |
Слово 4 |
|
|
0 1 0 0 |
Слово 5 |
|
|
0 1 0 1 |
Слово 6 |
|
|
0 1 1 0 |
Слово 7 |
|
|
0 1 1 1 |
Слово 8 |
|
|
1 0 0 0 |
Слово 9 |
|
|
1 0 0 1 |
Слово 10 |
.2.3 Расчет энергопотребления всего устройства и времени задержки - для одного слова относительно адресных сигналов
Среднее время задержки К155КП1 =17 нс.
Время задержки по одному каналу Т=17 нс.
Потребляемая мощность микросхемы К155КП1 = 390 мВт. Общее
энергопотребление устройства Pобщ = 390*5= 1,95 Вт.
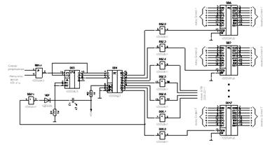
2.3 Задача №3. Устройство параллельного ввода слов в регистры
.3.1 Проектирование устройства параллельного ввода слов в регистры (7
слов по 8 разрядов в каждом слове, частота ввода слов 650 кГц)
Рис. 5 - Устройство параллельного ввода слов в регистры (7 слов по 8
разрядов)
Таблица 5. Перечень элементов
|
Поз. обозначение |
Наименование |
Кол. |
Примечание |
|
DD1 |
К555ЛА3 |
1 |
микросхема |
|
DD2, DD5 |
К555ЛН1 |
2 |
микросхема |
|
DD3 |
К555ИЕ5 |
1 |
микросхема |
|
DD4 |
К555ИД7 |
1 |
микросхема |
|
DD6-DD12 |
К555ИР23 |
7 |
микросхема |
|
VD1 |
КД522Б |
1 |
диод |
|
R1, R2 |
1 кОм (МЛТ-0,125) |
2 |
резистор |
|
С1 |
47 нФ (К73-9) |
1 |
конденсатор |
Устройство параллельного ввода слов в регистры работает следующим образом: на вход устройства подаются импульсы ввода с частотой 650 кГц. При каждом положительном импульсе в регистре с номером, соответствующим номеру импульса защелкивается информационное слово. После запоминания 7 слов в регистрах цикл повторяется (при наличии разрешающего сигнала).
2.3.2 Диаграмма напряжений
Рис. 6 - Диаграмма напряжений
.3.3 Расчет времени ввода всех слов в регистры
Период повторения импульсов ввода T = 1/f = 1,54 мкс.
Время задержки одного такта счетчика tсч = 17 нс.
Время задержки дешифратора tдш = 41 нс.
Время задержки элемента И-НЕ tИНЕ = 15 нс.
Время задержки элемента НЕ tНЕ = 15 нс.
Время задержки регистра tRG = 28 нс.
Время ввода слова в регистр
слово = tИНЕ + tсч + tдш + tНЕ + tRG = 116 нс.
Время ввода всех слов в регистры tобщ = 6Т+ t1слово = 9,356 мкс.
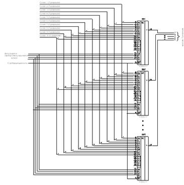
2.4 Задача №4. Запоминающее устройство (ЗУ) на ИМС оперативных ЗУ (ОЗУ)
.4.1 Проектирование устройства ОЗУ (128 слов по 32 разряда)
Рис. 7 - Принципиальная электрическая схема ОЗУ 128х32
Таблица 6. Перечень элементов
|
Поз. обозначение |
Наименование |
Кол. |
Примечание |
|
DD1 |
К555ИД7 |
1 |
микросхема |
|
DD2-DD65 |
К531РУ8 |
64 |
микросхема |
|
R1 |
1 кОм (МЛТ-0,125) |
1 |
резистор |
2.4.2 Таблица работы ЗУ
Таблица 7
|
адресные сигналы (ША) А7 А6 А5 А4 А3 А2 А1 |
номера модулей ЗУ |
номера ячеек ЗУ |
|
0 0 0 0 0 0 0 |
1 |
1 |
|
0 0 0 0 0 0 1 |
1 |
2 |
|
--------------------------------- |
1 |
--------- |
|
0 0 0 1 1 1 1 |
1 |
16 |
|
0 0 1 0 0 0 0 |
2 |
17 |
|
0 0 1 0 0 0 1 |
2 |
18 |
|
------------------------------- |
2 |
---------- |
|
0 0 1 1 1 1 1 |
2 |
32 |
|
0 1 0 0 0 0 0 |
3 |
33 |
|
0 1 0 0 0 0 1 |
3 |
34 |
|
--------------------------------- |
3 |
---------- |
|
0 1 0 1 1 1 1 |
3 |
48 |
|
0 1 1 0 0 0 0 |
4 |
49 |
|
0 1 1 0 0 0 1 |
4 |
50 |
|
--------------------------------- |
4 |
---------- |
|
0 1 1 1 1 1 1 |
4 |
64 |
|
1 0 0 0 0 0 0 |
5 |
65 |
|
1 0 0 0 0 0 1 |
5 |
66 |
|
--------------------------------- |
5 |
---------- |
|
1 0 0 1 1 1 1 |
5 |
80 |
|
1 0 1 0 0 0 0 |
6 |
81 |
|
1 0 1 0 0 0 1 |
6 |
82 |
|
--------------------------------- |
6 |
---------- |
|
1 0 1 1 1 1 1 |
6 |
96 |
|
1 1 0 0 0 0 0 |
7 |
97 |
|
1 1 0 0 0 0 1 |
7 |
98 |
|
--------------------------------- |
7 |
---------- |
|
1 1 0 1 1 1 1 |
7 |
112 |
|
1 1 1 0 0 0 0 |
8 |
113 |
|
1 1 1 0 0 0 1 |
8 |
114 |
|
--------------------------------- |
8 |
---------- |
|
1 1 1 1 1 1 1 |
8 |
128 |
Список литературы
1. Полупроводниковые приборы: Транзисторы / В.Л. Аронов и др.; под общ. ред. Н.Н. Горюнова. - М.: Энергоатомиздат, 1985. - 904 с., ил.
2. Шило В.Л. Популярные цифровые микросхемы: Справочник / В.Л. Шило. - М.: Радио и связь, 1989. - 352 с.
3. Хоровиц П., Хилл У. Искусство схемотехники: В трех томах. Т. 1 - М.: Мир, 1993. - 413 с
4. Угрюмов Е.П. Цифровая схемотехника. - СПб.: БХВ - Санкт Петербург, 2004. 528 с.
5. Партала Олег Наумович. Цифровая электроника. - СПб.: Наука и техника, 2000. - 208с.: ил.
6. Мамонкин И.Г. Усилительные
устройства. - М.: Связь, 1977. - 360 с.: ил.
Приложение
Таблица 8. Перечень элементов широкополосного усилителя
|
Поз. обозначение |
Наименование |
Кол. |
Примечание |
|
VT1 |
КТ315В |
1 |
транзистор |
|
VT2 |
КТ385А |
1 |
транзистор |
|
VT3 |
КТ624В |
1 |
транзистор |
|
R1 |
12 кОм (МЛТ-0,125) |
1 |
резистор |
|
R2 |
5,6 кОм (МЛТ-0,125) |
1 |
резистор |
|
R3 |
2,7 кОм (МЛТ-0,125) |
1 |
резистор |
|
R4 |
960 Ом (МЛТ-0,125) |
1 |
резистор |
|
R5 |
5 Ом (МЛТ-0,125) |
1 |
резистор |
|
R6 |
360 Ом (МЛТ-0,125) |
1 |
резистор |
|
R7 |
1,5 кОм (МЛТ-0,125) |
1 |
резистор |
|
R8 |
320 Ом (МЛТ-0,125) |
1 |
резистор |
|
R9 |
100 Ом (МЛТ-0,125) |
1 |
резистор |
|
R10 |
910 Ом (МЛТ-0,125) |
1 |
резистор |
|
R11 |
180 Ом (МЛТ-0,125) |
1 |
резистор |
|
R12 |
62 Ом (МЛТ-0,5) |
1 |
резистор |
|
R13 |
9,1 Ом (МЛТ-0,5) |
1 |
резистор |
|
C1 |
1 мкФ (К73-19) |
1 |
конденсатор |
|
C2 |
33 мкФ (К53-8) |
1 |
конденсатор |
|
C3 |
10 пФ (КМ-1) |
1 |
конденсатор |
|
C4 |
2,2 мкФ (К53-8) |
1 |
конденсатор |
|
C5 |
10 мкФ (К53-8) |
1 |
конденсатор |
|
C6 |
15 мкФ (К53-8) |
1 |
конденсатор |
|
С7 |
22 мкФ (К53-8) |
1 |
конденсатор |