Материал: Аналоговая и цифровая схемотехника

Внимание! Если размещение файла нарушает Ваши авторские права, то обязательно сообщите нам

Аналоговая и цифровая схемотехника

Кафедра радиоэлектроники






Курсовая работа

по курсу: "Схемотехника"

Вариант 19










Новороссийск

г.

Содержание

Введение

. Модуль 1. Аналоговая схемотехника

.1 Анализ исходных данных

.2 Составление структурной и принципиальной схем широкополосного усилителя

.3 Расчёт элементов широкополосного усилителя

.3.1 Расчет выходного каскада

.3.2 Расчет промежуточного каскада

.3.3 Расчет входного каскада

.3.4 Расчет эмиттерных емкостей

.3.5 Расчет фильтра

.3.6 Расчет разделительных емкостей

.3.7 Оценка нелинейных искажений

. Модуль 2. Цифровая схемотехника

.1 Задача №1. Устройство демультиплексирования кодов

2.1.1 Проектирование демультиплексора кодов 1 на 64

.1.2 Таблица адресации демультиплексора

.1.3 Расчет энергопотребления всего устройства и времени задержки по одному каналу

.2 Задача №2. Коммутатор параллельных кодов

.2.1 Проектирование коммутатора параллельных кодов с 10 источниками сигналов (словами) по 5 разрядов в каждом слове

.2.2 Таблица коммутации

.2.3 Расчет энергопотребления всего устройства и времени задержки - для одного слова относительно адресных сигналов

.3 Задача №3. Устройство параллельного ввода слов в регистры

.3.1 Проектирование устройства параллельного ввода слов в регистры (7 слов по 8 разрядов в каждом слове, частота ввода слов 650 кГц)

.3.2 Диаграмма напряжений

.3.3 Расчет времени ввода всех слов в регистры

.4 Задача №4. Запоминающее устройство (ЗУ) на ИМС оперативных ЗУ (ОЗУ)

.4.1 Проектирование устройства ОЗУ (128 слов по 32 разряда)

.4.2 Таблица работы ЗУ

Список литературы

Приложение

усилитель демультиплексор коммутатор код

Введение

Целью курсовой работы является освоение методик синтеза законченных цифровых устройств, выполняющих набор заданных функций, на основе стандартных ИМС средней степени интеграции. В процессе выполнения курсовой работы происходит изучение и освоение методов разработки и оформления принципиальных электрических либо структурно-логических схем устройств, а также освоение методик расчета элементов электрических схем импульсного типа, построенных на интегральных логических элементах, оформления расчетов и перечня элементов с использованием ряда номиналов Е24.

Для выполнения каждой задачи вначале следует изучить теорию стандартных ИМС, на которых строится цифровое устройство: назначение и принцип работы, таблицы истинности, уравнения каналов, структурно-логические схемы, особенности применения, электрические параметры и т.д. Этот материал подробно изложен в рекомендуемой литературе.

1. Модуль 1. Аналоговая схемотехника

.1 Анализ исходных данных

Необходимо произвести расчет широкополосного усилителя. Исходными для работы являются следующие данные:

.        Uвых.макс = 9 В;

.        Сн =33 пФ;

.        Rн=50 Ом;

.        Kг=1%;

.        fн=200 Гц;

.        fв=12 МГц;

.        Мн=1,5 дБ;

.        Мв=1,1 дБ;

.        Ес макс=10 мВ;

.        Rc = 3 кОм;

.        t°C = -10°C...+60°C

.2 Составление структурной и принципиальной схем широкополосного усилителя

Рис. 1 - Структурная схема широкополосного усилителя

- коэффициент усиления, дБ;- коэффициент усиления i-го каскада, дБ; i = 1,...,n; n - число каскадов.

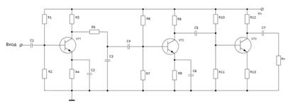
Рис. 2 - Принципиальная электрическая схема широкополосного усилителя

Схема широкополосного усилителя состоит из следующих элементов:

входного каскада;

фильтра высокой частоты;

промежуточного каскада;

выходного каскада;

Входной каскад необходим для согласования генератора обладающего внутренним сопротивлением с промежуточным каскадом. Сигнал с выхода промежуточного каскада поступает на фильтр верхних частот, который определяет заданную верхнюю граничную частоту усилителя, нижняя же граничная частота определяется величинами разделительных емкостей.

После фильтра сигнал поступает на промежуточный каскад усилителя, который из всех трех каскадов обладает наибольшим усилением. Далее усиленный сигнал через выходной каскад передается в нагрузку. Выходной каскад имеет ООС по току, что позволяет существенно уменьшить нелинейные искажения.

.3 Расчет элементов широкополосного усилителя

.3.1 Расчет выходного каскада

. Определение напряжения питания Eп :


Здесь Uвых - максимальное выходное напряжение, UКЭнас≈1 В - падение напряжение на транзисторе в состоянии насыщения, Uзап≈5 В - запас по напряжению. Исходя из данных задания Uвых= 9 В, получаем Eп=24 В.

. Выбор транзистора выходного каскада.

Для выходного каскада транзистор выбирают по следующим параметрам: верхней граничной частоте fв, максимальной величине тока коллектора Iк, наибольшему допустимому напряжению коллектора UКЭ доп, максимальной рассеиваемой транзистором мощности.

Граничная частота передачи тока базы fв должна более чем в 5 раз превышать заданную верхнюю частоту усилителя fв:

в5 fв

Исходя из данных задания fв =12 МГц следовательно fв ≥60 МГц.

Максимальный ток коллектора выбирается из условия:


Подставляя данные, получаем IKmax ≥ 540 мА. Выберем IKmax=540 мА, тогда ток IК0 выберем равным половине IKmax: IK0 = 0.5 IKmax = 270 мА.

Напряжение питания усилителя Еп должно быть меньше 0.8 UКЭ доп.

Максимальная рассеиваемая транзистором мощность должна превышать величину IK0UКЭ0 = 1,35 Вт, где UКЭ0 - падение напряжения на переходе коллектор-эмиттер транзистора в рабочей точке, определяется по нагрузочной прямой выходной характеристики транзистора VT3: = 5 В.

Поставленным требованиям удовлетворяет транзистор КТ624В. Его параметры: fв = 450 МГц

IК доп = 1,3 А > 0,54 АКЭ доп = 40 В. Еп = 24 В < 0.8UКЭ доп = 32 В.доп = 2 Вт > IK0 UКЭ0=1,35 Вт.

. Расчет резисторов R12 и R13.

Значение максимального напряжения на коллекторе UKмакс = Еп = 24 В.

Величину сопротивления в цепи эмиттера R13 выбирают исходя из условия, чтобы падение напряжения на нем не превышало величину 0,1-0,3 Еп:= 0,1 Еп

При Еп = 24 В, UR13=2,4 В.


Подставляя IК0=0,27 А, получаем: R13=8,9 Ом (выбираем 9,1 Ом).

Сопротивление в цепи коллектора R12 рассчитываем аналогично, задавшись напряжением на нем:

,

Подставив полученные данные получим: UR12= 16,6 В.

Сопротивление R12 определяется по формуле:

= UR12 / IK0,= 61,5 Ом (выбираем 62 Ом).

4. Расчет сопротивления нагрузки по переменному току RН~ :

Сопротивление нагрузки по переменному току RН~ образовано параллельным соединением RН и R12 и равно:


Подставляя, получим: RН~=27,7 Ом.

. Определение входной проводимости транзистора:

Определяем ток базы в рабочей точке по выходной характеристике транзистора VT3: Ioб=2 мА, проводим касательную в этой точке на входной характеристике, и по касательной определяем входную проводимость:


∆IБ=8 мА, ∆UБЭ=0,1 В, y11=0,08 См.

. Определение крутизны транзистора:


∆IК=0,15 А, ∆UБЭ=0,03 В S=5 А/В.

. Расчет резисторного делителя:

С помощью резисторного делителя задается положение рабочей точки; определим U0Б:

Б=U0Э+U0БЭ,

По входным характеристикам определяем U0БЭ=0,66 В, U0Э=UR13=2,4 В и подставляя получаем U0Б=3,06 В.

Номиналы резисторов рассчитываются по формулам:

, ,

Пренебрегая обратным током IК0, выбирая IД=5I0Б, рассчитываем номиналы резисторов:=940 Ом (выбираем 910 Ом), R11=180 Ом;

. Рассчитываем входное сопротивление каскада по переменному току:

Его величина определяется как суммарное сопротивление параллельно включенных R10, R11, и (1/y11)*γ, где γ=1+SR13 - глубина ООС:

ВХ≈=R10//R11//[(1/y11)(1+SR13)],


Подставляя числовые данные получаем: RВХ≈=112 Ом.

. Определим коэффициент усиления каскада:

,

=5 А/В, RН~=27,7 Ом, R13=9,1 Ом: KU=3,0.

.3.2 Расчет промежуточного каскада

. Напряжение питания Eп равно напряжению питания выходного каскада - 24 В:

. Выбор транзистора промежуточного каскада.

Для промежуточного каскада транзистор выбирают аналогично транзистору выходного каскада: по верхней граничной частоте fв, максимальной величине тока коллектора Iк, максимальной рассеиваемой транзистором мощности и наибольшему допустимому напряжению коллектора UКЭ доп.

Различие в величине максимального тока.

Максимальный ток коллектора выбирается из условия:

,

Здесь KU3=3,0 - коэффициент усиления выходного каскада, Rвх3=112 Ом - его входное сопротивление по переменному току;

Подставляя данные получаем IKmax≥ 80 мА. Определим IKmax=90 мА, ток IК0 выберем равным половине IKmax: IK0 = 0.5 IKmax = 45 мА.

Напряжение питания усилителя Еп должно быть меньше 0.8 UКЭ доп.

Максимальная рассеиваемая транзистором мощность должна превышать величину IK0UКЭ0=0,225 Вт, где UКЭ0 - падение напряжения на переходе коллектор-эмиттер транзистора в рабочей точке, определяется по нагрузочной прямой выходной характеристике транзистора VT2: = 5 В.

Поставленным требованиям удовлетворяет транзистор КТ385А. Его параметры: fв = 200 МГц

К доп = 400 мА >> IKmax=90 мА;КЭ доп = 40 В. Еп = 24 В < 0.8UКЭ доп = 32 В.доп = 0,5 Вт > IK0 UКЭ0=0,225 Вт.

. Расчет резисторов R8 и R9.

Значение максимального напряжения на коллекторе UKмакс = Еп = 24 В.

Величину сопротивления в цепи эмиттера R9 выбирают исходя из условия, чтобы падение напряжения на нем не превышало величину 0,1-0,3 Еп:= 0,2 Еп

При Еп = 24 В, UR9=4,8 В.


Подставляя IК0=45 мА, получаем: R9=106,7 Ом (выбираем 100 Ом).

Сопротивление в цепи коллектора R8 рассчитываем аналогично, задавшись напряжением на нем:

,

Подставив полученные данные получим: UR8= 14,2 В.

Сопротивление R8 определяется по формуле:

= UR8 / IK0,

= 315,6 Ом (выбираем 320 Ом).

. Расчет сопротивления нагрузки по переменному току RН~ :

Сопротивление нагрузки по переменному току RН~ образовано параллельным соединением RН и R8 и равно:


Подставляя RН=Rвх3=112 Ом, R8 = 320 Ом, получим: RН~=83 Ом.

. Определение входной проводимости транзистора:

Определяем ток базы в рабочей точке по выходной характеристике транзистора VT2: Ioб=0,5 мА, проводим касательную в этой точке на входной характеристике, и по касательной определяем входную проводимость:


∆IБ=4 мА, ∆UБЭ=0,3 В, y11=0,013 См.

. Определение крутизны транзистора:


∆IК=30 мА, ∆UБЭ=0,05 В S=0,45 А/В.

. Расчет резисторного делителя:

С помощью резисторного делителя задается положение рабочей точки; определим U0Б:

Б=U0Э+U0БЭ,

По входным характеристикам определяем U0БЭ=0,64 В, U0Э=UR9= 4,8 В и подставляя получаем U0Б=5,44 В.

Номиналы резисторов рассчитываются по формулам:

, ,

Пренебрегая обратным током IК0, выбирая IД=5I0Б, рассчитываем номиналы резисторов:=350 Ом (выбираем 360 Ом), R7 =1422 Ом (выбираем 1,5 кОм);

. Рассчитываем входное сопротивление каскада по переменному току:

Его величина определяется как суммарное сопротивление параллельно включенных R6, R7, и (1/y11):ВХ≈=R6//R7//(1/y11),


Подставляя числовые данные получаем: RВХ≈=73,7 Ом.

. Определим коэффициент усиления каскада:

,

=0,45 А/В, RН~=83 Ом : KU=37,35.

Выбор сопротивления фильтра:

Выберем R5 так чтобы ослабление амплитуды сигнала делителем образованным R5 и Rвх2 было незначительным: R5= 5 Ом.

.3.3 Расчет входного каскада

. Напряжение питания Eп равно напряжению питания выходного каскада - 24 В:

. Выбор транзистора промежуточного каскада.

Для выходного каскада транзистор выбирают аналогично транзистору выходного и промежуточных каскадов: по верхней граничной частоте fв, максимальной величине тока коллектора Iк, максимальной рассеиваемой транзистором мощности и наибольшему допустимому напряжению коллектора UКЭ доп. Различие в величине максимального тока. Максимальный ток коллектора выбирается из условия:

,

Здесь KU3=3,0 , KU2=37,35 - коэффициенты усиления выходного и промежуточного каскадов, Rн1=Rвх2+R5=78,7 Ом - сумма сопротивлений фильтра и входного сопротивления промежуточного каскада по переменному току; подставляя данные получаем IKmax ≥ 3,06 мА. Определяем IKmax равным 10 мА. Ток IК0 выберем равным половине IKmax: IK0 = 0.5 IKmax = 5 мА. Максимальная рассеиваемая транзистором мощность должна превышать величину IK0UКЭ0=0,025 Вт, где UКЭ0 - падение напряжения на переходе коллектор-эмиттер транзистора в рабочей точке, определяется по нагрузочной прямой выходной характеристике VT1: = 5 В.

Поставленным требованиям удовлетворяет транзистор КТ315В. Его параметры:в = 250 Мгц

К доп = 100 мА > 10 мАКЭ доп = 40 В. Еп = 24 В < 0.8UКЭ доп = 32 В.доп = 0,15 Вт > IK0 UКЭ0=0,025 Вт.

. Расчет резисторов R3 и R4.

Значение максимального напряжения на коллекторе UKмакс = Еп = 24 В.

Величину сопротивления в цепи эмиттера R4 выбирают исходя из условия, чтобы падение напряжения на нем не превышало величину 0,1-0,3 Еп:= 0,2 Еп

При Еп = 24 В, UR4 =4,8 В.

Подставляя IК0=5 мА, получаем: R4=960 Ом.

Сопротивление в цепи коллектора R3 рассчитываем аналогично, задавшись напряжением на нем:

,

Подставив полученные данные получим: UR3= 14,2 В. Сопротивление R3 определяется по формуле:

= UR3 / IK0 ,

= 2840 Ом (выбираем 2,7 кОм).

. Расчет сопротивления нагрузки по переменному току RН~ :

Сопротивление нагрузки по переменному току RН~ образовано параллельным соединением RН и R3 и равно: