Материал: Активные фильтры высоких частот

Внимание! Если размещение файла нарушает Ваши авторские права, то обязательно сообщите нам

Для фильтров Баттерворта и Чебышева имеются подробные таблицы, в которых приведены координаты полюсов и коэффициенты передаточных функций различных порядков.

2.  РАССЧЕТ СХЕМЫ АКТИВНОГО ФВЧ

Зададим характеристики проектируемого фильтра верхних частот Баттерворта:

) коэффициент передачи в полосе пропускания K=10;

) частота среза fc=10кГц;

) граничная частота в полосе задерживания fs=3 кГц;

) гарантированное затухание в полосе задерживания А2=40 дБ

2.1    Формирование шаблона и определение порядка фильтра

Для определения порядка фильтра воспользуемся формулой:

.                                                        (9)

Подставим известные значения:

.                                  (10)

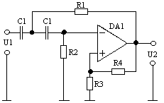
Принимаем порядок фильтра n=4, следовательно фильтр будет содержать два звена второго порядка. В качестве схемной реализации фильтра выберем каскадное соединение звеньев, выполненных по схеме Саллена-Кея, представленной на рисунке 8. Коэффициенты усиления звеньев примем равными K1=2, K2=5.

Рисунок 8 - Схема ФВЧ Саллена-Кея

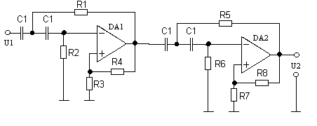
На рисунке 9 представлена схема ФВЧ Баттерворта четвертого порядка.

Рисунок 9 - Cхема ФВЧ Баттерворта четвертого порядка

2.2 Расчет элементов фильтра

Расчет схемы ФВЧ Саллена-Кея целесообразно вести в следующей последовательности:

) выбираем С1=10/fc (результат в микрофарадах, при fc в герцах);

) вычисляем:

,                               (11)

,                                                      (12)

,                                                 (13)

.                                                (14)

Если необходимо обеспечить K=1, то принимается R3=∞, R4=0.

Примем С1 =10/10000 [мкФ] = 10-3 [мкФ] =10-9 [Ф] = 1 [нФ]

Произведем расчет элементов схемы первого звена ФВЧ Баттерворта четвертого порядка.

Коэффициент усиления первого звена: K1=2.

Коэффициенты Баттерворта первого звена определим из Приложения А:

B=0.765367

C=1

Произведем расчет сопротивлений по формулам (11) - (14), запишем результат:

R2=41610 Ом

R1=60940 Ом

R3=83220 Ом

R4=83220 Ом

Из ряда Е24 выберем соответствующие номиналы резисторов:

R1=62 кОм

R2=43 кОм

R3=82 кОм

R4=82 кОм

Произведем расчет элементов схемы второго звена ФВЧ Баттерворта четвертого порядка.

Коэффициент усиления второго звена: K1=5.

Коэффициенты Баттерворта второго звена определим из Приложения А:

C=1

Произведем расчет сопротивлений по формулам (11) - (14), запишем результат:

R6=17240 Ом

R5=14710 Ом

R7=21540 Ом

R8=86180 Ом

Из ряда Е24 выберем соответствующие номиналы резисторов:

R5=15 кОм

R6=18 кОм

R7=22 кОм

R8=82 кОм

фильтр высокий частота сигнал

ЗАКЛЮЧЕНИЕ

Разработан активный фильтр высоких частот Баттерворта на операционном усилителе, в целом удовлетворяющий техническому заданию. При выполнении данного курсового проекта я изучил основы проектирования активных фильтров и правила оформления электрических схем и чертежей.

ПРИЛОЖЕНИЕ А

Коэффициенты передаточных функций фильтров Баттерворта и Чебышева.

Таблица А.1 - Таблица коэффициентов передаточных функций фильтров Баттерворта и Чебышева.

Порядок фильтра

Фильтр Баттерворта

Фильтр Чебышева Пульсации 1дб

Фильтр Чебышева Пульсации 3дб


B

С

B

С

B

C

2

1.414214

1

1.097734

1.102510

0.644900

0.707948

3

1

1

0.494171

0.994205

0.298620

0.839174


-

1

-

0.494171

-

0.298620

4

0.765367

1

0.279072

0.986505

0.170341

0.903087


1.847759

1

0.673739

0.279398

0.411239

0.195980

 5

0.618034

1

0.178917

0.988315

0.109720

0.936025


1.618034

1

0.468410

0.287520

0.377009


-

1

-

0.289493

-

0.177530

 6

0.517638

1

0.124362

0.990732

0.076459

0.954830


1.414214

1

0.339763

0.557720

0.208890

0.521818


1.931852

1

0.464125

0.124707

0.285439

0.088805

 7

0.445042

1

0.091418

0.992679

0.056291

0.966483


1.246980

1

0.256147

0.653456

0.157725

0.627759


1.801938

1

0.370144

0.230450

0.227919

0.204254


-

1

-

0.205414

-

0.126485

 8

0.390181

1

0.070016

0.994141

0.043156

0.974173


1.111140

1

0.199390

0.723543

0.122899

0.703575


1.662939

1

0.298408

0.340859

0.183931


1.961571

1

0.351997

0.070261

0.216961

0.050294


БИБЛИОГРАФИЧЕСКИЙ СПИСОК

Гутников, В. Фильтрация измерительных сигналов/ Гутников В.С. - Л.: Энергоатомиздат, 1990.- 192с., ил.

Джонсон, Д. Справочник по активным фильтрам: Пер. с англ./ Д.Джонсон, Дж. Джонсон, Г. Мур - М.: Энергоатомиздат, 1983. - 128с., ил.

Довгун, В. П. Электротехника и электроника: учеб. пособие: в 2-х ч. Ч. 2 / В. П. Довгун. - Красноярск: ИПЦ КГТУ, 2006. - 252 с.

Капустян, В. Активные RC-фильтры высокого порядка/ Капустян В.И. - М.: Радио и связь, 1985. - 248с., ил.

Мошиц Г. П. Проектирование активных фильтров: пер. с англ. / Г. Мошиц, П. Хорн. - М.: Мир, 1984. - 320 с., ил.

Хоровиц, П. Искусство схемотехники / П. Хоровиц, У. Хилл: пер. с англ. - 6-е изд. - М.: Мир, 2003. - 704 с., ил.